
Федеральное государственное образовательное учреждение среднего профессионального образования
Чебоксарский электромеханический колледж
Письменная экзаменационная работа
Электромонтажные работы
2010
Введение
Основные направления экономического и социального развития предусматривают интенсивное развитие автоматизации и роботизации всего народного хозяйства страны, повышение энерговооруженности труда.
Решение этих задач непосредственно связано с совершенствованием
электрооборудования промышленных установок, со степенью автоматизации технологических линий и участков производства, с качеством обслуживания, от которого зависят бесперебойность и ритмичная работа предприятия.
Политика нашей страны направлена на то, чтобы совершенствовать систему образования с учётом потребностей ускорения социально-экономического развития, требований выдвигаемых прогрессом науки и техники.
Чтобы обслуживать электрооборудование, соответствующее современному уровню развития науки и техники, электромонтёр должен обладать знаниями по устройству электрических двигателей, аппаратов защиты и управления, иметь представление об особенностях работы полупроводниковой техники и устройств автоматики, уметь разбираться в системах электрооборудования технологических установок и устройств и т.д. Цель выпускной квалификационной работы – овладеть необходимым комплексом знаний в области электромонтажных работ.
1. Электромонтажные материалы и изделия
Материалы изделия, применяемые для монтажа электроустановок, можно разделить на четыре основные группы:
электрические кабели, провода и шнуры;
электроизолиационные материалы и изделия;
металл и трубы;
монтажные и электроустановочные изделия и детали.
-
Электрические кабели, провода, шнуры, электроизоляционные материалы и изделия
Кабели и провода служат для канализации (передачи и распределении) электрической энергии, а также для соединения различных элементов и электроустановок. Кабели разделяются на силовые и контрольные. Последние предназначены для создания цепей контроля, сигнализации, дистанционного управления и автоматики. Кроме того, выпускаются кабели специального назначения, например для горных разработок, судовые, для подвижного состава и др.
Кабель состоит из одной или более изолированных токопроводящих жил, заключенных в герметичную (металлическую или неметаллическую) оболочку, поверх которой в зависимости от условий прокладки и эксплуатации могут быть броня и защитные покровы.
Основными элементами кабелей являются токопроводящие жилы, изоляция, оболочка, броня и наружные покровы. В зависимости от назначения и условий эксплуатации кабелей отдельные элементы в их конструкции могут отсутствовать. Токопроводящие жилы изготавливаются из алюминия и меди.
Для электрической изоляции жил кабеля применяют пропитанную кабельную бумагу, резину, пластмассу (поливинилхлорид, полиэтилен и др.).
Кабельная бумага является основным изоляционным материалом, применяемым в кабелях высокого напряжения. После намотки на кабель ее пропитывают электроизоляционным маслом.
Характерным свойством всех резин является их большая эластичность, т. е. способность сильно удлиняться при растяжении без остаточного удлинения после снятия растягивающей нагрузки. Следует также отметить высокую водостойкость и газонепроницаемость резин и их хорошие электроизоляционные характеристики.
Полиэтилен — твердый непрозрачный материал белого или светло-серого цвета, несколько жирный на ощупь. Изделия из полиэтилена получают методами литья под давлением, горячего прессования и экструзии (при нанесении полиэтиленовой изоляции на провод, а также при изготовлении изоляционных шлангов и трубок).
Поливинилхлорид представляет собой порошок белого цвета, из которого получают горячим прессованием или горячим выдавливанием механически прочные изделия (платы, трубы и др.), стойкие к воздействию минеральных масел, многих растворителей, щелочей и кислот.
Оболочки кабелей могут быть свинцовыми, алюминиевыми, резиновыми, пластмассовыми. Они защищают изоляцию токопроводящих жил от воздействия света, влаги, химических веществ и других факторов окружающей среды, а также от механических повреждений.
Защитные покровы кабелей обеспечивают их надежность и долговечность при эксплуатации в различных условиях прокладки. В зависимости от этих условий кабели могут быть небронированными или бронированными стальными лентами, а также прямоугольными либо круглыми оцинкованными проволоками с наружными защитными покровами из волокнистых материалов, пластмасс и др.
В марках кабелей применяются следующие обозначения: оболочка — С (свинцовая), А (алюминиевая), Н (негорючая резина), В (поливинилхлоридная); защитное покрытие — Б (броня из лент), П (броня из плоских проволок); отсутствие наружного покрова — Г (голый), а также в них могут быть буквы, указывающие на наличие других элементов конструкций.
Поливинилхлоридный пластикат — это гибкий рулонный материал, получаемый из порошка поливинилхлорида, смешанного с пластификаторами — густыми маслообразными жидкостями. Этот материал широко применяется в качестве основной изоляции монтажных проводов, а также для изготовления защитных оболочек — шлангов кабелей. Поливинилхлоридный пластикат обычно бывает окрашен в черный, синий, желтый, красный и другие цвета. Из него изготавливают гибкие изоляционные трубки и липкую изоляционную ленту.
Провод представляет собой одну неизолированную жилу или одну и более изолированных жил, поверх которых в зависимости от условий прокладки и эксплуатации могут иметься неметаллическая оболочка и металлические или неметаллические защитные покровы.
Провода разделяются на изолированные и неизолированные, защищенные и незащищенные. Неизолированные (голые) провода, применяемые в основном для прокладки воздушных линий, могут быть алюминиевыми, сталеалюминевыми, медными, бронзовыми и стальными. Изолированные провода могут иметь только алюминиевые и медные токопроводящие жилы.
Для защиты от механических воздействий, света и влаги провода покрывают оболочкой из резины, пластмассы или металлических лент с фальцованным швом. Провода, имеющие внешнюю защитную оболочку, называют защищенными, провода, не имеющие защитной оболочки, — незащищенными.
Шнур состоит из двух или более изолированных гибких или особо гибких жил, скрученных или уложенных параллельно, поверх которых в зависимости от условий эксплуатации могут иметься неметаллическая оболочка и защитные покровы. Шнуры отличаются от проводов гибкостью многопроволочных жил.
В маркировке проводов и шнуров первая буква А указывает материал токопроводящей жилы — алюминий (отсутствие буквы А означает, что токопроводящая жила из меди). Вторая буква П обозначает провод, а третья — материал изоляции (Р — резина, В — поливинилхлорид, П — полиэтилен). В марках проводов и шнуров могут быть и другие буквы, например: О — оплетка, Т — прокладка в трубах, П — плоский элемент с разделительным основанием, Ф — металлическая фальцованная оболочка, Г — гибкость и др.
Провода и кабели различают по числу и сечениям жил, а также номинальному напряжению. Число жил может быть от одной до четырех (контрольные кабели имеют от четырех до тридцати семи жил); а сечения от 0,75 до 600 мм². Провода изготавливают на напряжения 380, 660 и 3000 В переменного тока кабели — на все стандартные напряжения до 110 кВ.
-
Металл и трубы
Прокат черных металлов в виде угловой, полосовой, листовой и круглой стали рационально применяется в мастерских электромонтажных организаций для изготовления различных монтажных изделий, деталей и конструкций, которые не выпускаются йодами, а также для заземления элементов электроустановок. Для производства электромонтажных работ чаще всего используют угловую равнобокую сталь малых и средних размеров (сечений), полосовую сталь, листовую сталь и стальную проволоку. Реже применяют швеллерную и круглую стали.
Стальные водогазопроводные обыкновенные трубы применяются для электропроводки только в тех случаях, когда по условиям окружающей среды недопустим другой вид проводки, например на химических предприятиях с взрывоопасной или химически активной средой, ряде металлургических производств и др. В сухих, влажных, жарких и пыльных помещениях преимущественно используются стальные тонкостенные электросварные и неметаллические трубы.
Гибкие металлорукава служат для защиты проводов на вводах и электрооборудование и в местах пересечений трубных проводок с другими коммуникациями. Рукава выпускают трех типов: из стальной оцинкованной ленты с хлопчатобумажным уплотнением марки РЗ-Ц-Х, из стальной оцинкованной ленты с асбестовым уплотнением марки РЗ-Ц-А и из алюминиевой ленты с хлопчатобумажным уплотнением и медной луженой оплеткой марки РЗ-АД-Х-Л. Для электропроводки вместо стальных труб часто используют полимерные грубы — винипластовые, полиэтиленовые, полипропиленовые.
Винипластовые трубы изготавливают четырех видов: легкие (Л), сред нелегкие (Сл), средние (С) и тяжелые (Т). В зависимости от толщины стенок полиэтиленовые трубы подразделяют на легкие , среднелегкие, средние и тяжелые , они могут быть также низкой и высокой плотности (последние с меньшей толщиной стенок).
Полипропиленовые трубы различают двух видов — легкие и средние. Метизы — это винты, шайбы, шурупы, болты, гайки. Винты могут быть с полукруглой и потайной головками. Шайбы выпускаются под болты всех стандартных диаметров. Кроме нормальных применяют также пружинные шайбы для усиления контактных соединений. В качестве шин при производстве электромонтажных работ применяются в основном прямоугольные алюминиевые полосы, а в специальных случаях, обоснованных в проекте, — медные. При переменном токе до 200 А и постоянном токе используется плоская, круглая или трубчатая сталь. Монтаж ошиновки аккумуляторных помещений выполняется круглыми медными шинами.
Алюминиевые прямоугольные шины применяют для токопроводов, распределительных устройств, сборок и других электротехнических устройств. Припой — сплав из цветных металлов, служащий для пайки металлических изделий. Применяемые при производстве электромонтажных работ припои делятся на две группы: оловянно-свинцовые марки ПОС с температурой плавления до 400 °С и безоловянистые марок А, Б и ЦА-15. Различают также мягкие и твердые припои.
К мягким припоям относятся также серебряные припои с содержанием серебра до 3 % (ГОСТ 8190—85). К твердым припоям относятся серебряные припои с содержанием серебра 10…70 % марок ПСр-25, ПСр-45, ПСр-70, ПСр-71.
1.3 Монтажные и электроустановочные изделия и детали
При производстве электромонтажных работ используют типовые детали и изделия, выпускаемые специализированными предприятиями. Эти изделия и детали применяются при подготовке трасс для прокладки проводов, кабелей и шин, при их прокладке, закреплении, соединении и присоединении к приборам и аппаратам для защиты от воздействия окружающей среды и механических повреждений, для установки аппаратов, приборов, светильников и т. д.
Монтажные изделия и детали изготовляются для всех видов электрических установок и для всех видов электромонтажных работ и операций.
Выпускаемые заводами изделия из перфорированной стали: полосы, ленты, швеллеры, рейки, монтажные профили с перфорацией — удобны для изготовления опорных и крепежных конструкций с минимальными трудовыми затратами на монтажно-заготовительных участках и при монтаже.
Из типовых профилей изготовляют рамы и каркасы для сборки щитков и пусковых устройств, для подвески собранных в блоки светильников и для крепления труб, проводов и кабелей. Применение монтажного профиля с закладной гайкой создает весьма удобный вид крепления труб, кабелей, аппаратов без подготовки отверстий при изменении мест крепления. Из перфорированной полосы легко изготовить планки, скобы, траверсы. Полосы с пряжками облегчают закрепление труб или кабелей привязкой. Эти пряжки имеют вырезы для закрепления в перфорации полосы и прямоугольные отверстия для полосок, крепящих кабели или трубы.
Рис.1.3.1 Изделия из перфорированной стали
а) полоса монтажная; б) профиль U — образный; в) профиль С — образный; г) угольник неравнобокий; д) профиль Z — образный: е) рейка; ж) пряжка к перфорированным полоскам.
Распорные дюбеля и дюбеля, забиваемые ручной или пиротехнической оправкой и встреливаемые пистолетом, позволяют крепить детали с минимальной затратой времени. Помимо распорных металлических дюбелей с волокнистым заполнителем и с конической гайкой, используют капроновые дюбеля. Преимущество капроновых дюбелей устойчивость к динамическим нагрузкам и вибрации, высокая устойчивость против коррозии, возможность применения во влажных и химически активных средах.
Изделиями из полимерных материалов для крепления открыто прокладываемых проводов и небронированных кабелей по основаниям являются полиэтиленовые эластичные скобы и полиэтиленовые закрепы с зубчатыми полосками, пряжками. Эластичность скобки позволяет закладывать под неё провод или кабель как до, так и после её установки на дюбеле.
Рис.1.3.3. Пластмассовые закрепы и скобы, зубчатые полоски и их применение
а) закреп; б) зубчатая полоска; в) установка закрепа; г) бандажирование пучка проводов зубчатой полоской; д) крепление пучка проводов на закрепе зубчатой полоской; е) полиэтиленовая скоба и её применение.
Кабель закладывают под отогнутую скобку, предварительно закреплённую дюбелем к основанию. Скобка при этом защелкивает кабель и прижимает его к основанию благодаря своим пружинящим свойствам. Полиэтиленовый закреп к основанию закрепляют забиваемым оправкой дюбель-гвоздем, а на закрепе в свою очередь с помощью монтажных лент и полосок с пряжками бандажируют и закрепляют провода и небронированные кабели.
Эти бандажные полоски и ленты создают удобный и производительный способ крепления проводов и небронированных кабелей к предварительно заготовленным и закрепленным непосредственно к основанию металлическим полосам, струнам, лентам.
Рис.1.3.4 Крепление кабелей на металлических полосках и лентах.1 — полоса; 2 — дюбель-гвоздь; 3 — кабель; 4 — полоска с пряжкой.
С помощью бандажных лент и полосок производится также крепление проводов и небронированных кабелей к специальным полимерным деталям-держателям, приклеиваемым к строительному основанию клеящим составом на основе акриловой смолы с наполнителем из каолина — БМК-5к. Плоские провода закрепляют путем насаживания на держатель с кнопкой.
Рис.1.3.5 Крепление электроустановочных изделий приклеиванием и детали для приклеивания.
а) металлическая или пластмассовая деталь; б) деталь с перфорированной пластмассовой лентой; в) скобка с полоской; г) скобка с перфорированной лентой; д) пластмассовая штампованная деталь; е) крепление коробки приклеивания;
ж) крепление выключателя приклеиванием.
Лотки и короба в виде легких металлических конструкций для прокладки проводов и кабелей обладают преимуществами по сравнению со стальными трубами. Они удобны в монтаже, обеспечивают возможность прокладки по сложным трассам, свободный доступ и легкую замену проводов и кабелей.
Лотки комплектуются разделительными уголками, прижимами для крепления их к кабельным полкам, подвесками с пряжками для укладки кабелей и проводов на лотках и крепления их пучками бандажной лентой. Сборные кабельные конструкции стойки, полки и профили с закладными подвесками — предназначены для прокладки на них горизонтальных рядов кабелей и в вертикальной плоскости.
2. Электромонтажные приспособления и механизмы
2.1 Механизмы инструменты для пробивных и крепежных работ
При производстве электромонтажных работ в мастерских и непосредственно на объектах монтажа используют механизмы, инструменты и приспособления как общестроительного применения, так и специализированные электромонтажные.
Все машины, механизмы и средства механизации, применяемые в электромонтажном производстве, можно разделить на пять групп: механизированный и ручной инструмент, приспособления и другие средства малой механизации (электрифицированные, пневматические и пиротехнические инструменты, слесарномонтажный и режущий инструмент, монтажные инвентарные приспособления); сварочное оборудование (сварочные трансформаторы и генераторы постоянного тока, полуавтоматы для дуговой сварки в среде защитных газов, оборудование для газовой сварки и резки); специализированные автомашины и автоприцепы и передвижные мастерские; металлообрабатывающие станки и механизмы, сосредоточенные главным образом в мастерских на поточных технологических линиях и в ремонтных цехах (ножницы, прессы, шинотрубогибы, пальцы, листогибочные, сверлильные, обдирочные, заточные, токарные, фрезерные и строгальные станки); монтажные механизмы для разгрузочно-погрузочных и монтажных работ (автомобильные краны, краны на пневмоколесном ходу, трубоукладчики и тракторные краны, гидроподъемники и телескопические вышки, буровые и бурильно-крановые машины, кранПалки и электротали, аккумуляторные и автомобильные погрузчики, башенные краны и краны-погрузчики, тали и лебедки, блоки и полиспасты), а также общестроительные механизмы (тракторы, бульдозеры и др.).
В качестве средств механизации пробивных работ используют злектромагнитобуры, электросверлильные машины и электромолотки с рабочим инструментом (сверлами, буриками, шлямбурами, коронками), оснащенным пластинами из твердых сплавов, а также перфораторы, пневматический и пороховой инструмент.
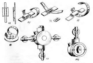
2.2 Инструменты и механизмы для соединения и оконцовки кабелей
Клещи КСИ-1, предназначенные для снятия изоляции с концов проводов сечением 0,75…4 мм² и их перекусывания, состоят из трех частей, связанных между собой шарнирно: рычага для зажатия проводов, рычага с ножами для надреза изоляции и рычага с ползунком-эксцентриком, перемещающим прижим и фасонный нож в губках клещей.
Модернизированные клещи КСИ-2 с двумя ручками более производительны и удобны в работе. Перекусывание проводов производится ножами кусачек. Ножи сменяются по мере необходимости.
Инструмент МБ-2 предназначенный для снятия изоляции с двужильных плоских проводов с одновременным разрезанием перемычки между ними, выполняется в виде клещей с двумя ручками.
Пресс-клещи ПК-3 предназначены для опрессовки жил алюминиевых проводов с суммарным сечением 7,5; 13 и 20 мм² в гильзах марок ГАО-4, ГАО-5, ГАО-6 и медных жил сечением 4… 6 мм² в наконечниках типа Т и гильзах типа ГМ, а также для оконцовки медных многопроволочных жил сечением 1,5 и 2,5 мм² в кабельных кольцевых наконечниках П.
Пресс-клещи ПК-4 предназначены для опрессовки алюминиевых наконечников и соединительных гильз на проводах и кабелях сечением 16…35 мм² и гильз марок ГАО-5, ГАО-6, ГАО-8. Эти пресс-клещи имеют блокирующее устройство, которое не позволяет раскрывать их во время работы и снимать наконечник или гильзу до окончания опрессовки на требуемую глубину.
Пресс-клещи ПК-1 состоят из удлиненных рукояток с вилками, двух рычагов и блокирующего устройства. На рычагах закрепляются сменные пуансоны и матрицы. Блокирующее устройство не позволяет раскрывать клещи во время опрессовки и снимать наконечник или гильзу до ее окончания.
Пресс-клещи ПК-2М состоят из рычага, двух рукояток, головки, штока , двух тяг и блокирующего устройства. На штоке закрепляется пуансон, а на головке клещей устанавливается матрица.
Ручные механические прессы типов РМП-7 и РМП-22 предназначены для опрессовки алюминиевых и медных наконечников и соединительных гильз на проводах и кабелях, а также скругления секторных однопроволочных алюминиевых жил. Работают с использованием наборов инструментов НИСО и НИОМ.
Пресс гидравлический ручной типа ПГР-20М1 предназначен для опрессовки алюминиевых и медных наконечников и соединительных гильз на проводах и кабелях, а также скругления секторных однопроволочных и комбинированных алюминиевых жил с использованием набора инструментов типа НИСО и НИОМ.
Пресс пороховой типа ППО предназначен для выполнения оконцевания однопроволочных алюминиевых жил проводов и кабелей путем выштамповки контактной площадки с одновременной пробивкой отверстия.
Ножницы кабельные (секторные) типов НУСК-50, НУСК-ЗООм, НС-2, НС-3 предназначены для перерезания проводов и кабелей с медными и алюминиевыми жилами.
Наборы инструментов типов НИОМ и НИСО предназначены для выполнения оконцеваний и соединений алюминиевых и медных жил способом опрессовки в комплекте с прессами типа ПГР-20М1, РМП-7, РМП-22. Наборы состоят из комплектов матриц и пуансонов.
3. Линии заготовки и технологической обработки элементов осветительных электроустановок
Большую роль в индустриализации электромонтажных работ играют мастерские электромонтажных заготовок (МЭЗ) — производственная база электромонтажных организаций. В мастерских выполняют сборку укрупненных монтажных блоков, заготовку трубных трасс и шин, сборку ошиновки, заготовку электропроводок, комплектных линий и элементов заземляющих устройств, ревизию и зарядку светильников, сборку их в блоки, а также изготавливают нестандартные изделия и конструкции.
Предварительная сборка оборудования, конструкций и изделий в укрупненные блоки и увеличение выпуска электромонтажных заготовок определяют получение значительного экономического эффекта. Работы выполняются в мастерских с применением механизмов и приспособлений заблаговременно, еще до готовности к монтажу строительных сооружений. Для монтажа электрических конструкций, оборудования и сетей, предварительно скомплектованных в укрупненные блоки, требуется меньшее число рабочих и более короткие сроки.
Заготовительные сварочные работы в МЭЗ выполняются на механизированных поточных технологических линиях, оснащенных высокопроизводительными инструментами и приспособлениями. Кроме обработки проводов и кабелей и маркировки заготовок бирками на технологических линиях или стендах (при малом объеме работ) производится комплектация узлов электропроводок и целых линий в контейнеры вместе с крепежными деталями, конструкциями и изделиями, которые затем транспортируются к месту производства работ.
Основным направлением в индустриализации монтажа электросетей является централизованная стендовая заготовка элементов электропроводок и кабельных линий. Заготовленные линии электропроводок вместе с установочными изделиями и приборами, крепежными деталями и конструкциями заводского изготовления укладывают в контейнеры и доставляют к месту монтажа.
Предварительная заготовка труб и сборка трубных блоков производится в мастерских отдельных монтажных организаций централизованно для всех монтажных объектов по замерам или чертежам рабочего проекта и журналам заготовки труб.
Блоки значительной протяженности для удобства транспортировки на машинах собирают из разборных секций. Отдельные трубные участки изготавливают и собирают в комплекте с соединительными ответвительными коробками и затянутыми проводами.
Одиночные шины, элементы ошиновки и комплектные шинные устройства заготавливаются и собираются в мастерских по чертежам проекта или по снятым с натуры замерам. Элементы ошиновки собираются вместе с опорными конструкциями, изоляторами, шинодержателями и другими деталями. Комплектные шинные устройства, например ошиновки трансформаторов, состоят из смонтированных на каркасе разъединителей с приводом, самой ошиновки на опорных изоляторах и проходной плиты.
Открытые шинные магистрали для канализации электроэнергии от внутрицеховых подстанций до распределительных пунктов цехов заготавливаются в мастерских, наматываются на кассеты и транспортируются на монтаж в комплекте с натяжными устройствами, компенсаторами и другими деталями.
Многопанельные щиты собираются укрупненными блоками по несколько панелей в блоке, исходя из условий транспортировки и монтажа на месте (размеров щитовых помещений, монтажных проемов, необходимости использования подъемных механизмов), с полностью законченной ошиновкой, вторичными проводками и предварительной наладкой.
В местах разъема блоков все стыки шин и связи вторичных цепей на время перевозки маркируются и разъединяются. Монтаж блоков и сборка их в щиты производятся на закладных металлоконструкциях, заранее установленных при строительстве помещения, и сводятся только к установке, восстановлению межблочных связей по маркировке и присоединению проводов и кабелей внешней связи.
Панели магнитных станций собираются на конструкциях, укомплектованных необходимыми скобами, бирками и оконцевателями для отходящих фидеров. Ящики сопротивлений устанавливаются на конструкциях, и по монтажным рейкам прокладываются провода связи между ними и панелями магнитных станций.
В мастерских выполняются и другие заготовки: блоки для силовых и осветительных электроустановок (например, блоки магнитных пускателей, собираемые вместе с пусковыми кнопками на конструкциях из перфорированного профиля, с выполненными внутри соединениями, маркировкой и надписями); элементы заземления с опорными и закладными деталями; кабельные заготовки в виде пакетов контрольных и специальных кабелей; блоки цеховых троллеев, в состав которых входят опорные конструкции с установленными на них золяторами, троллеедержателями и компенсаторами; окрашенные токопроводы длиною 6 м; вспомогательные уголки для сварки соседних участков троллеев встык и планки для подсоединения питания к троллеям и др.
Централизованная заготовка и обработка электропроводок и комплектных осветительных линий производится на стендах и технологических линиях в монтажных мастерских. Заводами также выпускаются специальные механизмы, которыми комплектуются эти линии.
4. Правила пользования электромонтажными механизмами и инструментами
Правильная эксплуатация механизированного инструмента и средств малой механизации заключается в регулярном уходе за ними, соблюдении установленных режимов работы и смазывании.
Электрические машины и электрифицированный инструмент. Перед выдачей электрических машин для производства работ проверяются специальными приборами на стенде или мегомметром исправность их электрической (сопротивление изоляции, наличие и исправность заземления, целость изоляции кабеля и др.), а также механической частей (надежность крепления резьбовых соединений, исправность редуктора, наличие смазки в подшипниках и зубчатых передачах, правильность заточки и установки рабочего инструмента). Перед началом работы необходимо убедиться в соответствии напряжения машины напряжению сети, исправности заземления и проверить работу машины на холостом ходу.
Правильная эксплуатация электрифицированного инструмента обеспечивается также соблюдением установленной продолжительности его включения и чистотой содержания, т. е. своевременным удалением стружки, пыли, строительной мелочи. В процессе эксплуатации необходимо следить за состоянием смазки всех узлов машин и при необходимости заменять ее. Смазку электросверлильных машин обычно меняют через каждые 200 ч работы. Постоянное смазывание шарикоподшипников и шестерен обеспечивается запасом среднеплавкой смазки УС-3, находящейся в гнездах подшипников и редукторе и добавляющейся один раз в два месяца.
Использование электрифицированного инструмента, в частности, электросверлильных машин с напряжением питания 220 В, увеличивает опасность травматизма (при пробое изоляции обмоток корпус такого инструмента оказывается под напряжением 220 В). Правилами техники безопасности в строительстве запрещается пользоваться ручным электроинструментом с напряжением питания 127 и 220 В в помещениях опасных и с повышенной опасностью (допускается использования электроинструментов с напряжением питания 42 В).
Однофазные электросверлильные машины с металлическим корпусом разрешается включать непосредственно в сеть 220 В только трехжильным гибким медным проводом сечением не менее 1,5 мм² в общей оболочке, причем третья жила должна служить исключительно для заземления корпуса машины. Нельзя использовать для заземления нулевую рабочую жилу провода. Нулевая и заземляющая жилы подключаются к заземляющей сети раздельно. Заземляющая жила присоединяется к корпусу винтом.
Перед включением электросверлильной машины следует проверить наличие и исправность заземления, состояние изоляции питающего провода, соответствие напряжения и частоты питающей сети, работу выключателя (несколькими пробными включениями). Во время работы не допускается сильный нагрев сверлильной машины (при котором нельзя держать ладонь на ее корпусе). При сильном искрении коллектора машину надо отключить для устранения его причин.
В настоящее время применяются главным образом электрифицированные механизмы для пробивных работ с напряжением питания 220 В и двойной изоляцией, которая состоит из двух независимых друг от друга ступеней — рабочей и дополнительной. Рабочей называют основную изоляцию, необходимую для работы машины и защиты оператора от поражения электрическим током. Это оплетка или эмаль обмоточных проводов, пазовая изоляция обмоток машин, пропиточные лаки и компаунды, изоляция жил кабеля, проводов и внутренних соединений. Дополнительной изоляцией служат пластмассовые корпуса машин, изолирующие втулки и др. Выпускаются также электросверлильные машины с напряжением питания 42 В и повышенной частотой (200 Гц), безопасные в работе, но для питания которых требуются крупногабаритные переносные преобразователи частоты, поэтому применение их ограничено.
Для повышения безопасности электросверлильных машин на 220 В с одной ступенью изоляции их питание осуществляют от сети через специальный разделительный трансформатор (с коэффициентом трансформации 1:1), имеющий обмотки с усиленной изоляцией, выполненные так, что повреждение первичной обмотки не приводит к образованию потенциала сети во вторичной обмотке. Следовательно, исключается появление потенциала сети и на металлических частях сверлильной машины даже в случае пробоя изоляции.
Выполнение работ в установках, находящихся под напряжением или с частично снятым напряжением, разрешается в исключительных случаях и только электромонтажникам, прошедшим специальные обучение и инструктаж, после получения наряда-допуска и обязательно под надзором эксплуатационного персонала. Пневматический инструмент и сварочные трансформаторы. Основное требование при эксплуатации пневматического инструмента заключается в смазывании его турбинным или соляровым маслом через каждые 4 —5 ч работы, а нового инструмента через каждые 2-3 ч.
Перед выдачей рабочий-инструментальщик проверяет в машине или перфораторе затяжку всех резьбовых соединений, заполняет масляную полость чистым минеральным маслом, набивает масленки солидолом для смазывания редуктора и подшипников, опробывает работу на холостом ходу, проверяет давление сжатого воздуха и исправность шланга. Падение давления сжатого воздуха резко снижает производительность машины.
В зимнее время пневмоинструмент покрывается влагой от конденсации паров, содержащихся в сжатом воздухе, которую надо своевременно удалять. Кроме того, перед началом работы пневмоинструмент подогревают.
Сварочные трансформаторы требуют постоянного надзора и своевременного устранения всех неисправностей. Уход за трансформаторами заключается в содержании всех их контактов исправными и обеспечении надежного заземления корпуса, поэтому периодически необходимо проверять состояние изоляции, особенно при работе установки на открытом воздухе.
Твердосплавный рабочий инструмент. Основными эксплуатационными показателями, определяющими эффективность такого инструмента, являются его производительность и надежность. Нормальная эксплуатация сводится к правильному выбору инструмента, своевременной заточке, соблюдению режима сверления или пробивки. О затуплении рабочего инструмента и необходимости его заточки судят по значительному снижению скорости проходки, заметному в этом случае увеличению требуемого усилия нажатия на него, а также по падению производительности. Чрезмерное затупление может привести к разрушению рабочих пластин. При нормальной эксплуатации инструмент выдерживает по три-четыре заточки и обеспечивает скорость бурения в бетонных основаниях порядка 1 …2 мм/с.
Хранением, эксплуатацией и ремонтом инструментов занимается центральное инструментальное хозяйство, которое состоит из двух служб: стационарной инструментальной мастерской с ремонтной группой и передвижной (на машине) инструментальной мастерской.
В стационарной инструментальной мастерской производятся ремонт (восстановление), заправка, клеймение инструмента, наладка и испытание его вхолостую и под нагрузкой, а также контроль за эксплуатацией, комплектацией и количеством.
Планово-предупредительный ремонт машин и механизмов проводят в соответствии с инструкцией. Обычно планируют два вида ремонта — текущий и капитальный. Техническое обслуживание машин подразделяется на ежедневное, выполняемое в течение рабочей смены, и периодическое, выполняемое после отработки машиной определенного количества часов. Для новых машин, не проходивших капитальный ремонт, установлен межремонтный цикл. Для машин, прошедших капитальный ремонт, межремонтный цикл принимается с коэффициентом 0,8.
5. Охрана труда
5.1 Требования безопасности перед началом работы
Электромонтажник должен проверить:
рабочую одежду, привести ее в порядок, застегнуть обшлага рукавов. Рабочая одежда должна быть исправной и заправлена так, чтобы не было свисающих концов. Подобрать волосы под плотно облегающий головной убор; достаточно ли освещено рабочее место и подходы к нему. Свет не должен слепить глаза. Смену электроламп производить при снятом напряжении; исправность и крепление тисков и отрегулировать их высоту в соответствии со своим ростом путем укладки перед верстаком (под ноги) специальной деревянной решетки или подставки необходимой высоты с таким расчетом, чтобы поверхность тисков находилась а уровне локтевого сустава. Верстачные тиски и струбцины не должны иметь люфта, прочно захватывать зажимаемые изделия и иметь на губках несработанную насечку; необходимый для работы ручной инструмент и приспособления, средства индивидуальной защиты разложить в удобных и легкодоступных местах, чтобы исключалась возможность случайного перемещения или падения их во время работы.
Осмотреть и привести в порядок рабочее место, убрать все, что может мешать работе; если пол скользкий (облит маслом, краской, водой) потребовать, чтобы его вытерли или сделать это самому.
При работе пользоваться только исправными, сухими и чистыми инструментами и приспособлениями; лезвие отвертки должно быть оттянуто и расплющено до такой толщины, чтобы оно входило без зазора в прорезь головки винта; гаечные ключи должны соответствовать размерам гаек и головок болтов и не должны иметь трещин, выбоин, заусениц. Губки ключей должны быть строго параллельными и не закатанными. Раздвижные ключи не должны иметь слабину (люфт) в подвижных частях; острогубцы и плоскогубцы, не должны иметь выщербленных, сломанных губок, рукояток. Губки острогубцев должны быть острыми, а плоскогубцы — с исправной насечкой; поддержки, применяемые при ручной клепке, обжимке, чеканке и прочих работах, должны быть прочными и безопасными; съемники должны иметь жесткую конструкцию и не иметь трещин, погнутых стержней, сорванной или смятой резьбы и обеспечивать сносность упорного (натяжного) устройства с осью снимаемой детали. Захваты съемников должны обеспечивать плотное и надежное захватывание детали в месте приложения усилия. Электромонтажники обязаны соблюдать требования обращения с инструментами, установленные заводскими инструкциями.
При обнаружении неисправности оборудования, инструмента, приспособлений для рабочего места как перед началом работы, так и во время работы сообщить мастеру и до устранения неполадок к работе не приступать.
5.2 Требование безопасности во время работы
В процессе работы электромонтажник обязан:
содержать в чистоте и порядке в течение всего рабочего времени свое рабочее место, под ногами не должно быть масла, деталей, заготовок, обрезков и других отходов; во время работы быть внимательным, не отвлекаться и не отвлекать других; не допускать на рабочее место лиц, на имеющих отношения к данной работе.
Перед снятием электрооборудования для ремонта снять напряжение в сети не менее чем в двух местах, а также удалить предохранители. Приступить к снятию электрооборудования только после проверки отсутствия напряжения и вывешивания плаката «Не включать. Работают люди» на рубильник или ключ управления.
Для подъема, снятия, установки и транспортирования тяжелых (массой более 16 кг) агрегатов, узлов и деталей нужно пользоваться исправным подъемно-транспортным оборудованием соответствующей грузоподъемности.
При работе с грузоподъемными механизмами выполнять требования инструкции по охране труда для лиц, пользующихся грузоподъемными механизмами, управляемыми с пола.
Разборку и сборку мелких узлов электрооборудования производить на верстаках, а крупногабаритных — на специальных рабочих столах или стендах, кассетах, обеспечивающих устойчивое их положение.
Гаечные ключи применять только по размеру гаек или болтов. При затягивании или откручивании гаек или болтов нельзя устанавливать подкладка между гранями ключа и гайки, а также пользоваться рычагами .
При снятии, прессовке и запрессовке вставных узлов и деталей, пользоваться съемниками, прессами и другими приспособлениями, обеспечивающими безопасность работы.
Работая у верстака, следить за тем, чтобы его поверхность была чистой, гладкой и не имела заусениц.
Обрабатываемую деталь надежно зажимать в тисках. При установке в тиски осторожно обращаться с тяжелыми деталями, чтобы избежать ушибов при их падении.
При рубке, клепке, чеканке и других подобных работах, при которых возможно облетание частиц металла, пользоваться очками или маской с небьющимися стеклами.
При разборке электродвигателей щиты, статоры, роторы и якоря следует укладывать на специальные стеллажи и подставки.
Сварку или пайку концов обмоток производить только в защитных очках.
Перед испытанием электрооборудования после ремонта оно должно быть прочно закреплено, заземлено, а вращающиеся и движущиеся части закрыты предохранительными кожухами.
5.3 Требования безопасности в аварийных ситуациях
При любой аварии или возникновении аварийной ситуации, которая может привести к аварии и несчастному случаю, электромонтажник обязан немедленно принять все зависящие от него меры, предупреждающие возможность повреждений (разрушений) объекта и устраняющие опасность для жизни людей. Одновременно сообщить о случившемся мастеру или непосредственному руководителю работ.
Во избежание аварийных ситуаций пользоваться только исправными грузоподъемными механизмами.
Ремонт электрооборудования производить только при снятом напряжении.
Каждый электромонтажник должен уметь оказывать доврачебную помощь. Такая помощь оказывается немедленно, непосредственно на месте происшествия и в следующей последовательности:
сначала нужно устранить источник травмирования. Оказание помощи надо начинать с самого существенного, что угрожает здоровью или жизни: при сильном кровотечении наложить жгут, а зятем перевязать рану, при подозрении закрытого перелома наложить шину;
при открытых переломах сначала следует перевязать рану, а затем наложить шину; при ожогах наложить сухую повязку, при обморожении пораженный участок осторожно растереть, используя мягкие или пушистые ткани;
при поражении электрическим током необходимо немедленно освободить пострадавшего от действия тока, а именно: выключить рубильник, перерубить провод, оттянуть или отбросать его сухой палкой, шестом. Не прикасаться к пострадавшему, пока он находится под действием тока. Если у пострадавшего отсутствует дыхание, то немедленно приступить к массажу сердца и искусственному дыханию до прибытия врача.
5.4 Требования безопасности по окончании работы
Отключить (отсоединить) электрооборудование, электроинструмент, грузоподъемные машины от сети.
Сложить инструмент и приспособления в отведенное для хранения место.
Слить остатки лаков и растворителей в специальную плотно закрывающуюся тару.
Привести в порядок рабочее место, убрать в металлический ящик с крышкой или уничтожить используемую при работе ветошь.
Вымыть руки теплой водой с мылом.
Обо всех неполадках, обнаруженных во время работы, доложить мастеру.
Список литературы
-
Брендихин А.Н., Ландесман Э.И. Охрана труда. – М.: Высш. шк., 1990.
-
Воронина А.А., Шибенко Н.Ф. Безопасность труда в электроустановках. – М.: Высш. шк. 1994.
-
Голыгин А.Ф., Ильяшенко Л.А. Устройство и обслуживание электрооборудования промышленных предприятий. – М.: Высш. шк., 2000.
-
Корнилов Ю.В., Бредихин А.Н. Слесарь-электромонтажник: учебное пособие для СПТУ,2- е издание переработанное и дополненное — М.: Высшаяшкола1988.
-
Корнилов Ю.В., Крюков В.И. Обслуживание и ремонт электрооборудования промышленных предприятий. – М.: Высш. шк. 2000.
-
Нестеренко В.М.,Мысьянов А.М. Технология электромонтажных работ. — М:Академия, 2002.
-
Павлович С.Н., Фираго Б.И. Ремонт и обслуживание электрооборудования. – Ростов-на-Дону: «Феникс» 2002.
-
Синдеев Ю.Г. Электротехника с основами электроники. – Ростов-на-Дону: «Феникс» 2006.
-
Федорченко А.А., Синдеев Ю.Г. Электротехника с основами электроники. – М.: Издательско-торговая корпорация «Дашков и К°» 2006.
Преподаватель: Насырова Айгуль Ириковна
Дата:
07.02.2020
Группа: ЭЛ-16-д
Дисциплина:
ПМ.01 Организация технического обслуживания и ремонта
электрического и электромеханического оборудования
Продолжительность:
6 часов
Тема
раздела: Диагностика и технический контроль при
эксплуатации электрического и электромеханического оборудования
Тема
практики: Организация
порядка подготовки объектов и состава работ во время проведения диагностики и
технического контроля при эксплуатации электрического и электромеханического
оборудования
Цели
и задачи учебной практики – требования к результатам освоения программы учебной
практики.
С целью овладения
указанными видами профессиональной деятельности и профессиональными
компетенциями студентов в ходе освоения учебной практики должен:
иметь практический опыт:
—
выполнения
работ по технической эксплуатации, обслуживанию и ремонту электрического и
электромеханического оборудования;
—
использования
основных измерительных приборов;
уметь:
—
определять электроэнергетические параметры электрических
машин и аппаратов, электротехнических устройств и систем;
—
подбирать технологическое оборудование для
ремонта и эксплуатации электрических машин и аппаратов, электротехнических устройств и систем, определять
оптимальные варианты его использования;
—
организовывать и выполнять наладку,
регулировку и проверку электрического и
электромеханического оборудования;
—
проводить анализ неисправностей электрооборудования;
—
эффективно использовать материалы и оборудование;
—
заполнять маршрутно-технологическую документацию на эксплуатацию и обслуживание отраслевого электрического и электромеханического оборудования;
—
оценивать эффективность работы
электрического и электромеханического оборудования;
—
осуществлять технический контроль при эксплуатации электрического и электромеханического оборудования;
—
осуществлять метрологическую поверку
изделий;
—
производить диагностику оборудования и определение
его ресурсов;
—
прогнозировать отказы и обнаруживать дефекты
электрического и электромеханического оборудования.
РЕЗУЛЬТАТЫ
ОСВОЕНИЯ УЧЕБНОЙ ПРАКТИКИ
Результатом
освоения учебной практики является овладение студентами ВПД Организация
технического обслуживания и ремонта электрического и электромеханического
оборудования, в том числе ПК и ОК:
|
Код |
Наименование результата |
|
ПК1.1 |
Выполнять |
|
ПК1.2 |
Организовывать |
|
ПК1.3 |
Осуществлять |
|
ПК1.4 |
Составлять |
|
ОК 1 |
Понимать сущность и социальную значимость своей будущей |
|
ОК 2 |
Организовывать |
|
ОК 3 |
Принимать решения в |
|
ОК 4 |
Осуществлять поиск и |
|
ОК 5 |
Использовать |
|
ОК 6 |
Работать в коллективе и |
|
ОК 7 |
Брать на себя |
|
ОК 8 |
Самостоятельно определять |
|
ОК 9 |
Ориентироваться в условиях |
Требования
к минимальному материально-техническому обеспечению
Реализация
учебной практики в условиях РММ колледжа по профилю профессионального модуля
предполагает наличие мастерских: слесарно-механической, электромонтажной.
Оборудование мастерских и
рабочих мест мастерских:
— блоки,
полиспаст, таль, электротельфер, домкрат винтовой, домкрат гидравлический,
лебедка;
— электродвигатель
переменного тока, электродвигатель постоянного тока; генератор;
— асинхронный
электродвигатель с короткозамкнутым ротором;
— однофазный
трансформатор, трехфазный трансформатор, трансформатор тока, трансформатор
напряжения, силовой трансформатор;
— люминесцентные
лампы ЛПР, УСП, лампы накаливания 60 Вт, 100 Вт, однофазный счетчик
электрической энергии, трехфазный счетчик электрической энергии;
— комплект
инструментов электромонтера.
Ход
занятия
1.Орг.момент:
- Проверка
готовности аудитории
- Приветствие
студентов - Отметить
присутствующих - Соблюдение
порядка
2.Мотивация:
Студент вашей специальности, а в дальнейшем
работник, должен не только хорошо ориентироваться в специальных технических
областях, но и предвидеть влияние принимаемых решений на окружающую среду и на
социально-экономические условия. У него должен быть сформирован навык
самостоятельного технического действия и системный подход к
технико-экономическим проблемам. Этим требованиям будущий специалист сможет
удовлетворять при условии ясного понимания на всех этих этапах обучения,
начиная с начального, целей своей подготовки и дальнейшего своего роста.
Большинство дисциплин Вашей специальности опирается
на знания, приобретенные из курсов физики, математики, химии, электротехники,
информатики, вычислительной техники, экономики, и развивает их применительно к
специальности.
Я думаю, не нужно объяснять, что для правильной и
стабильной работы производственного предприятия необходима бесперебойная работа
оборудования: станков, механизмов и других электроприборов. Для того чтобы это
было так, монтаж производственного оборудования необходимо осуществлять в
соответствии с проектом
работы.
На этом занятии мы изучим основные принципы и
современные
тенденции работы промышленных
предприятий, порядок
разработки и состав проектной документации, применяемые при проектировании, методы расчета
электрических сетей, электрических нагрузок и компенсации реактивной мощности. Рассмотрим влияние условий окружающей среды на
проектные решения, взаимосвязи
между потребителями электроэнергии и энергосистемой, пути рационального использования
электроэнергии на предприятиях, вопросы автоматизации проектирования.
3.Теоретическое изучение:
Инструменты для сварочных работ
Аппарат ВКЗ-1 предназначен для автоматической
сварки одножильных алюминиевых проводов сечением до 6 мм2 без
применения флюса. Он состоит из сварочного пистолета и корпуса, в котором
установлен сварочный трансформатор 220/10,5 В, понижающий трансформатор 220/36В
и реле МКУ-48, катушки с проводом ШРПС и штепсельного разъема. Принцип работы
аппарата заключается в оплавлении концов скрученных проводов в монолит при
прохождении электрической дуги между электродом и алюминиевыми проводами.
Прекращение сварки в момент оплавления — автоматическое. Масса аппарата — 24,2
кг, количество сварок в минуту 23, сварочный ток 280 А.
Установка УСПА предназначена для соединения и
оконцевания алюминиевых проводов и кабелей сваркой контактным разогревом.
Установка состоит из сварочного трансформатора,
электродержателя с угольным электродом, сварочных двухэлектродных клещей и двух
охладителей со сменными вкладышами. Сварка производится в формах из графита,
керамики или стали. Разогрев проводов до температуры плавления осуществляется
за счет выделения тепла в контакте угольного электрода с алюминиевой жилой.
Угольный электрод в начале сварки плотно прижимается к жилам, а затем, при
расплавлении алюминия, остается погруженным в жидкую ванночку до конца
процесса. Сварка производится с применением флюса ВАМИ.
Пистолет ПТЛ-2 предназначен для электрической
точечной контактной приварки монтажных полосок толщиной до 0,5 мм к металлоконструкциям
электротехнических установок. Пистолет состоит из пластмассовой рукоятки,
электрода и пусковой кнопки. Соединение пистолета с трансформатором
производится проводом.
Питание производится от сварочного трансформатора
СТЭ-34. Пистолет поставляется комплектно со щитком управления.
Для сварки монтажную полоску прикладывают к
зачищенному месту металлоконструкции и прижимают электродом, после чего
нажимают пусковую кнопку пистолета, включающую сварочный ток.
Газовоздушные горелки ГПВМ-1, ГПВМ-0,5 1 ГПВМ-0,1
предназначены для сварки алюминиевых проводов разных сечений, пайки и других
работ, связанных с нагревом. Каждая из горелок состоит из корпуса, держателя,
запирающей иглы с маховиком, рукоятки и рукава.
Присоединение горелки ГПВМ-1 к газовому баллону
емкостью 55 л производится через газовый редуктор, установленный на баллоне.
Присоединение шланга горелки ГПВМ-0,5 к газовому
баллону емкостью 4 л производится с помощью гайки. Присоединение шланга горелки
ГПВМ-0,1 к газовому баллону емкостью 1 л производится через кран шланга, а к
газовому баллону емкостью 4 л — с помощью переходника, ввинчиваемого в гайку
при снятом шланге.
Правила пользования электромонтажными механизмами и
инструментами
Правильная эксплуатация механизированного
инструмента и средств малой механизации заключается в регулярном уходе за ними,
соблюдении установленных режимов работы и смазывании.
Электрические машины и электрифицированный
инструмент. Перед выдачей электрических машин для производства работ
проверяются специальными приборами на стенде или мегомметром исправность их электрической
(сопротивление изоляции, наличие и исправность заземления, целость изоляции
кабеля и др.), а также механической частей (надежность крепления резьбовых
соединений, исправность редуктора, наличие смазки в подшипниках и зубчатых
передачах, правильность заточки и установки рабочего инструмента). Перед
началом работы необходимо убедиться в соответствии напряжения машины напряжению
сети, исправности заземления и проверить работу машины на холостом ходу.
Правильная эксплуатация электрифицированного инструмента
обеспечивается также соблюдением установленной продолжительности его включения
и чистотой содержания, т. е. своевременным удалением стружки, пыли,
строительной мелочи. В процессе эксплуатации необходимо следить за состоянием
смазки всех узлов машин и при необходимости заменять ее.
Смазку электросверлильных машин обычно меняют через
каждые 200 ч работы. Постоянное смазывание шарикоподшипников и шестерен
обеспечивается запасом среднеплавкой смазки УС-3, находящейся в гнездах
подшипников и редукторе и добавляющейся один раз в два месяца.
Использование электрифицированного инструмента, в
частности, электросверлильных машин с напряжением питания 220 В, увеличивает
опасность травматизма (при пробое изоляции обмоток корпус такого инструмента
оказывается под напряжением 220 В). Правилами техники безопасности в
строительстве запрещается пользоваться ручным электроинструментом с напряжением
питания 127 и 220 В в помещениях опасных и с повышенной опасностью (допускается
использования электроинструментов с напряжением питания 42 В).
Однофазные электросверлильные машины с
металлическим корпусом разрешается включать непосредственно в сеть 220 В только
трехжильным гибким медным проводом сечением не менее 1,5 мм в общей оболочке,
причем третья жила должна служить исключительно для заземления корпуса машины.
Нельзя использовать для заземления нулевую рабочую жилу провода. Нулевая и
заземляющая жилы подключаются к заземляющей сети раздельно. Заземляющая жила
присоединяется к корпусу винтом.
Перед включением электросверлильной машины следует
проверить наличие и исправность заземления, состояние изоляции питающего
провода, соответствие напряжения и частоты питающей сети, работу выключателя
(несколькими пробными включениями). Во время работы не допускается сильный
нагрев сверлильной машины (при котором нельзя держать ладонь на ее корпусе).
При сильном искрении коллектора машину надо отключить для устранения его
причин.
В настоящее время применяются главным образом
электрифицированные механизмы для пробивных работ с напряжением питания 220 В и
двойной изоляцией, которая состоит из двух независимых друг от друга ступеней
— рабочей и дополнительной. Рабочей называют основную изоляцию, необходимую
для работы машины и защиты оператора от поражения электрическим током.
Это оплетка или эмаль обмоточных проводов, пазовая
изоляция обмоток машин, пропиточные лаки и компаунды, изоляция жил кабеля,
проводов и внутренних соединений.
Дополнительной изоляцией служат пластмассовые
корпуса машин, изолирующие втулки и др. Выпускаются также электросверлильные
машины с напряжением питания 42 В и повышенной частотой (200 Гц), безопасные в
работе, но для питания которых требуются крупногабаритные переносные
преобразователи частоты, поэтому применение их ограничено.
Для повышения безопасности электросверлильных машин
на 220 В с одной ступенью изоляции их питание осуществляют от сети через
специальный разделительный трансформатор (с коэффициентом трансформации 1:1),
имеющий обмотки с усиленной изоляцией, выполненные так, что повреждение
первичной обмотки не приводит к образованию потенциала сети во вторичной
обмотке. Следовательно, исключается появление потенциала сети и на
металлических частях сверлильной машины даже в случае пробоя изоляции.
Выполнение работ в установках, находящихся под
напряжением или с частично снятым напряжением, разрешается в исключительных
случаях и только электромонтерам, прошедшим специальные обучение и инструктаж,
после получения наряда-допуска и обязательно под надзором эксплуатационного
персонала. Пневматический инструмент и сварочные трансформаторы. Основное
требование при эксплуатации пневматического инструмента заключается в
смазывании его турбинным или соляровым маслом через каждые 4 —5 ч работы, а
нового инструмента через каждые 2-3 ч.
Перед выдачей рабочий-инструментальщик проверяет в
машине или перфораторе затяжку всех резьбовых соединений, заполняет масляную
полость чистым минеральным маслом, набивает масленки солидолом для смазывания
редуктора и подшипников, опробывает работу на холостом ходу, проверяет давление
сжатого воздуха и исправность шланга. Падение давления сжатого воздуха резко
снижает производительность машины. В зимнее время пневмоинструмент покрывается
влагой от конденсации паров, содержащихся в сжатом воздухе, которую надо
своевременно удалять. Кроме того, перед началом работы пневмоинструмент
подогревают.
Сварочные трансформаторы требуют постоянного
надзора и своевременного устранения всех неисправностей. Уход за
трансформаторами заключается в содержании всех их контактов исправными и
обеспечении надежного заземления корпуса, поэтому периодически необходимо
проверять состояние изоляции, особенно при работе установки на открытом
воздухе.
Твердосплавный рабочий инструмент. Основными
эксплуатационными показателями, определяющими эффективность такого инструмента,
являются его производительность и надежность. Нормальная эксплуатация сводится
к правильному выбору инструмента, своевременной заточке, соблюдению режима
сверления или пробивки.
О затуплении рабочего инструмента и необходимости
его заточки судят по значительному снижению скорости проходки, заметному в этом
случае увеличению требуемого усилия нажатия на него, а также по падению
производительности. Чрезмерное затупление может привести к разрушению рабочих
пластин. При нормальной эксплуатации инструмент выдерживает по три-четыре
заточки и обеспечивает скорость бурения в бетонных основаниях порядка 1 …2
мм/с.
Хранением, эксплуатацией и ремонтом инструментов
занимается центральное инструментальное хозяйство, которое состоит из двух
служб: стационарной инструментальной мастерской с ремонтной группой и
передвижной (на машине) инструментальной мастерской.
В стационарной инструментальной мастерской
производятся ремонт (восстановление), заправка, клеймение инструмента, наладка
и испытание его вхолостую и под нагрузкой, а также контроль за эксплуатацией,
комплектацией и количеством.
Планово-предупредительный ремонт машин и механизмов
проводят в соответствии с инструкцией. Обычно планируют два вида ремонта —
текущий и капитальный. Техническое обслуживание машин подразделяется на
ежедневное, выполняемое в течение рабочей смены, и периодическое, выполняемое
после отработки машиной определенного количества часов.
Для новых машин, не проходивших капитальный ремонт,
установлен межремонтный цикл. Для машин, прошедших капитальный ремонт,
межремонтный цикл принимается с коэффициентом 0,8.
Общие сведения об освещении
Рациональное освещение рабочих мест,
производственных помещений и территорий предприятий и установок способствует
повышению производительности труда, качеству работ, снижает вероятность
производственных травм и имеет весьма важное гигиеническое значение.
Существуют три вида освещения: естественное,
искусственное и совмещенное. Искусственное подразделяется на рабочее,
аварийное, эвакуационное и охранное. Рабочее освещение — это основной вид
освещения, обеспечивающий необходимую освещенность рабочих поверхностей и может
быть общим, местным или комбинированным. Аварийное освещение предусматривают во
всех случаях, если действия людей в темноте могут явиться причиной взрыва,
пожара, отравления, массового травматизма или привести к длительному нарушению
технологического процесса, нарушению работы таких объектов, как электростанции,
узлы радиопередачи и связи, диспетчерские пункты, насосные установки
водоснабжения, установки вентиляции и других, в которых недопустимо прекращение
работ. Эвакуационное освещение следует предусматривать: в местах, опасных для
прохода людей; в проходах и на лестницах, служащих для эвакуации людей при
числе эвакуируемых более 50; в производственных помещениях с постоянно
работающими в них людьми, где выход людей из помещения при аварийном отключении
рабочего освещения связан с опасностью травматизма. Выходы из производственных
помещений без естественного света, где могут одновременно находиться более 50
чел., и из помещений, имеющих площадь более 150 м2, должны быть
отмечены световыми указателями, присоединенными к сети аварийного освещения.
Основные светотехнические величины
Световой поток характеризует мощность видимого
излучения по её воздействию на глаз человека в специальных единицах — люменах
[Лм]. Световой поток является важнейшей характеристикой ламп. Обычная лампа
накаливания мощностью 100 Вт имеет световой поток 1300 Лм, а металлогалогенная
лампа мощностью 70 Вт — 6000 Лм.
Освещённость — это поверхностная плотность
светового потока, падающего на площадку заданной величины.
Единица освещённости — люкс [Лк]. Одна из самых
главных величин в нормах освещения. Чаще всего нормируется горизонтальная
освещённость (в горизонтальной плоскости). Диапазон уровней освещённости
составляет при искусственном освещении от 1 до 20 Лк на улице и от 20 до 5000
Лк в помещении.
Сила света — это пространственная плотность
светового потока, ограниченная телесным углом. Единица измерения силы света —
кандела [кд] — воспроизводится эталоном и входит в Международную систему
основных единиц (СИ).
Распределение силы света в пространстве (кривая
силы света, КСС) — одна из важнейших характеристик осветительных приборов,
необходимых для расчёта освещения. КСС светильников обычно приводится в
полярных координатах для условной лампы со световым потоком 1000 лм, т.е. в
кд/кЛм.
Яркость. Для матовых (диффузных или равноярких)
поверхностей эта величина пропорциональна поверхностной плотности отраженного
или излучаемого этой поверхностью светового потока. В более общем виде она
равна отношению силы света в направлении точки наблюдения к видимой из этой
точки площади светящей поверхности (проекции). Единица яркости — кд/м2.
Яркость непосредственно связана с уровнем
зрительного ощущения, а распределение яркости в поле зрения (например, в
интерьере) характеризует качество освещения.
Коэффициенты отражения [с] и пропускания [ф].
Определяются как отношение отраженного [с] или пропущенного [ф] материалом
светового потока к упавшему световому потоку. При светлой отделке помещений
(особенно при малых по отношению к высоте размерах) очень заметно возрастают
уровни освещенности.
Коэффициент отражения фона, на котором рассматривается
объект, входит в число показателей, характеризующих условия зрительной работы
на рабочем месте.
Световая отдача — это главная характеристика
энергоэкономичности ламп и она равна отношению светового потока лампы к её
мощности. Применение ламп с высокой световой отдачей — основной путь экономии
электроэнергии в осветительных установках. Например, путём замены ламп
накаливания, световая отдача которых 7-22 лм/Вт, компактными люминесцентными
лампами (50-90 лм/Вт) можно снизить расход электроэнергии в среднем в 5-6 раз,
не уменьшая уровня освещённости.
Цилиндрическая освещенность [Ец]. Характеризует
насыщенность помещения светом и определяется (в люксах) как средняя
вертикальная освещенность, создаваемая в заданной точке наблюдения. В России
эта величина нормируется в таких помещениях как холлы, парадные вестибюли,
зрительные, выставочные, читальные и торговые залы, залы заседания и приёмов и
т.п. Повышенная насыщенность светом создаётся при уровнях Ец не менее 100 лк.
Цвет и цветность. Понятие цвета определяется, как
свойство видимого излучения вызывать зрительное ощущение цветности (цветовой
тон + насыщенность) и яркости предметов.
Цветовой тон (красный, оранжевый и т.д.)
характеризуется длиной волны видимого излучения, а насыщенность — чистотой
цвета, связанной со степенью приближения к спектрально чистому цвету от точки
белого.
Цветовая температура [Тц]. Очень важная
характеристика источников света, определяющая цветность ламп и цветовую
тональность (тёплую, нейтральную или холодную) освещаемого этими лампами
пространства. Она примерно равна температуре нагретого тела одинакового по
цвету с заданным источником света. Выражается в температурной шкале Кельвина: Т
= (градусы Цельсия +273) К.
Индекс цветопередачи [Ra]. Одна из основных
цветовых характеристик качества разрядных ламп. Характеризует степень
воспроизведения цветов различных материалов при их освещении лампой при
сравнении с эталонным источником света. Наивысшее значение Ra=100.
Коэффициент пульсации освещенности [Кп].
Характеризует относительную глубину пульсации освещенности (в %) в заданной
точке помещения при питании ламп от сети переменного тока.
Неконтролируемая пульсация освещенности приводит к
повышенной опасности травматизма при работе с движущимися и, в особенности, с
вращающимися объектами, а также к зрительному утомлению.
Осветительные электроустановочные устройства (ОЭУ)
служат для присоединения источников света к электрической сети, управления
этими источниками и обеспечения требуемых режимов работы освещения,
определяемых окружающими условиями, например характером производства.
К наиболее распространенным ОЭУ относятся патроны,
выключатели и переключатели, штепсельные розетки с вилками и стартерные
устройства для пуска люминесцентных ламп.
По конструкции, назначению и способу установки
различают патроны подвесные арматурные с ниппелем или ниппельной шейкой,
подвесные полугерметические с металлическим ушком, потолочные и стенные. В
соответствии с размерами цоколей ламп они бывают с резьбой 14, 27 и 40 мм.
Часто электрические лампы накаливания припекаются к
патрону, и при их вывертывании колба отламывается от цоколя. Поэтому, прежде
чем ввернуть лампу в патрон, рекомендуется натереть резьбу цоколя графитом
(можно использовать стержень карандаша). Выключатели и переключатели
однополюсные на напряжение до 250 В и токи до 10 А частотой 50 Гц
предназначаются для коммутации электрических цепей осветительных
электроустановок. Выключатели и переключатели однополюсные защищенного и
герметического исполнений для открытой и скрытой установки должны выдерживать
не менее 20 тысяч отключений. Для повышения коммутирующей способности и
износоустойчивости контактные части современных выключателей и переключателей
выполняются из металлокерамики, что позволяет им выдерживать свыше 200 тысяч
отключений. Металлокерамические материалы получают прессованием из
металлических порошков с последующим спеканием их при высоких температурах.
Исходные порошкообразные массы состоят из двух или более порошком различных
металлов, из которых один должен обладать более высокой температурой плавления,
чем другие. При высокотемпературном спекании более легкоплавкие порошки
плавятся и заполняют поры между частицами тугоплавкого металла.
В результате получают монолитные
металлокерамические изделия, которые применяются для изготовления электрических
контактов, обладающих большой износостойкостью и стойкостью к эрозии —
разрушению поверхности контактов под действием электрических искр. Для
однофазных и трехфазных электроприемников с номинальными токами до 10 и 25 А на
напряжения соответственно до 250 и 380 В используются штепсельные соединения с
электрической сетью, которые состоят из двух основных элементов — розетки и
вилки.
Штепсельные розетки выпускают с круглыми и плоскими
контактами. Применение плоских контактов обеспечивает более надежное
соединение, позволяет сократить расход меди и почти вдвое по сравнению с
круглыми контактами увеличить срок службы розетки. Для подключения переносных
электроприемников к электрической сети с напряжением выше 36 В в помещениях с
повышенной опасностью и особо опасных применяются двухполюсные и трехполюсные
штепсельные розетки с заземляющим контактом, к которому присоединяется
проводник местной сети заземления.
К контактным зажимам двухполюсных розеток,
рассчитанных на ток 10 А, могут присоединяться электрические провода с сечением
до 2,5 мм2, а к трехполюсным розеткам, рассчитанным на токи до 25 А, — провода
с сечением до 16 мм2.
Нормативные документы при выполнении
электромонтажных работ
Нормативные документы устанавливают правила, обязательные
при проектировании, инженерных изысканиях, выполнении строительных и монтажных
работ при строительстве новых, реконструкции, расширении и техническом
перевооружении действующих предприятий, зданий и сооружений, а также при
производстве строительных конструкций, изделий и материалов. Соблюдение
требований правил и норм обеспечивает технический уровень, качество,
экономичность, надежность, долговечность и удобство в эксплуатации сооружений и
способствует сокращению сроков строительства.
Нарушение правил и норм может привести к поражению
электрическим током людей, авариям, пожарам, взрывам. Документация на
строительство предприятий, зданий и сооружений разрабатывается в соответствии с
требованиями СНиП 11-01—95 и СП 11-101-95. Электромонтеры особенно хорошо
должны знать и соблюдать правила организации и производства работ по монтажу и
наладке электротехнических устройств СНиП 3.05.06—85 «Электротехнические
устройства», правила устройства электроустановок (ПУЭ).
Нормативные документы СН и ПУЭ являются
общероссийскими. Они обязательны для исполнения всеми министерствами и
ведомствами, а также организациями, учреждениями и предприятиями независимо от
их ведомственной принадлежности и форм собственности.
Обозначение СНиП 3.05.06—85 расшифровывается так:
СНиП — строительные нормы и правила;
цифра 3- часть 3 СНиП «Организация, производство и
приемка работ»;
цифра 05 — группа 5 части 3 СНиП;
цифра 06-порядковый номер данного документа в
группе 5 части 3 СНиП;
цифры 85, последние цифры года утверждения
документа-1985.
При производстве работ электромонтеры должны также
соблюдать требования ведомственных (отраслевых) строительных норм по монтажу
отдельных видов электроустановок и требования, приведенные в технической
документации предприятий — изготовителей электрооборудования. Безопасность
труда электромонтера во многом зависит от соблюдения им требований, изложенных
в «Правилах техники безопасности при эксплуатации электроустановок
потребителей» и ГОСТ 12.3.032—84 «Работы электромонтажные. Общие требования
безопасности». В данном случае 12—шифр системы стандартов безопасности труда
(ССБТ); 3—шифр подсистемы; 032—порядковый номер в подсистеме; 84 — год
утверждения стандарта.
ЭЛЕКТРОМОНТАЖНЫЕ РАБОТЫ
Классификация электропроводок
Электропроводка — это все кабели и провода, по
которым осуществляется подвод и распределение электроэнергии в доме, а также
детали крепления, защитные и поддерживающие конструкции. По расположению
различают наружную и внутреннюю электропроводку. Наружная электропроводка — обеспечивает
подвод электричества от воздушной линии к дому. В зависимости от расстояния до
опоры, проводка производится изолированными или неизолированными проводами. А
также может быть гибкой — из проводов, или жесткой — из шин. Внутренняя
электропроводка- прокладывается внутри помещения.
Для установки используются изолированные провода,
шины, кабели и шнуры. В свою очередь бывает открытой и скрытой. Скрытая
электропроводка — проводится в бороздах под штукатуркой или вмонтирована в
строительные конструкции при их изготовлении. Применяется в современном
строительстве для жилых помещений, так как является наиболее безопасной для
эксплуатации. Основной недостаток — затруднен доступ к проводам для подключения
дополнительных токоприемников.
Провода прокладываются в асбестоцементные трубы,
гибкие металлические рукава, короба. Скрытая электропроводка может
закладываться в стены, полы, фундамент и потолок. Последняя не отвечает
требованиям пожарной безопасности, поэтому используется только в качестве
временной. Открытая электропроводка — изолированные и неизолированные провода
поддерживаются изоляторами на опорных конструкциях. Прокладывается по стенам,
потолкам, фермам потолочных перекрытий. Устанавливается в садовых домиках или
хозяйственных постройках. Удобна тем, что любой её участок легкодоступен для
ремонта и подключения новых токоприемников, а монтаж производится достаточно
быстро, так как нет необходимости в долблении стен и перегородок.
Может быть стационарной, передвижной и переносной.
Комбинированная электропроводка — проводка прокладывается в кабель-каналах.
Сочетает в себе доступность открытой и безопасность скрытой, а также считается
более изящной и менее трудоемкой. Применяется в коридорах, подсобных
помещениях. Является традиционным способом для прокладки компьютерных сетей,
пожарной и охранной сигнализации.
Электропроводки по способу выполнения
подразделяются на открытые и скрытые. Открытой называется электропроводка,
проложенная по поверхности стен, потолков, ферм, станин машин, а скрытой —
электропроводка, проложенная в конструктивных элементах зданий (стенах, потолках,
полах, фундаментах и т.д.). Открытая электропроводка может быть стационарной,
передвижной и переносной.
Наружными являются электропроводки, проложенные по
наружным стенам зданий и сооружений, под навесами, а также между зданиями на
опорах (не более четырех пролетов до 25 м каждый) вне улиц, дорог.
Наружная электропроводка может быть открытой и
скрытой, иметь различные конструктивные формы, определяющие методы ее монтажа с
учетом условий окружающей среды, правил техники безопасности, пожарной
безопасности и других факторов.
Открытые электропроводки выполняются на изолирующих
опорах, непосредственно на строительных основаниях, лотках, тросах, а скрытые —
в металлических и неметаллических трубах, под штукатуркой, в замкнутых каналах
строительных конструкций зданий, замоноличенными в строительные конструкции при
их изготовлении, в глухих коробах. Внутрицеховые осветительные сети напряжением
до 1000 В могут иметь и открытые, и скрытые электропроводки, но
предпочтительнее открытые беструбные проводки как менее трудоемкие, более
экономичные и отвечающие требованиям индустриального монтажа (предварительная
заготовка и комплектация узлов и деталей проводок на технологических линиях в
мастерских монтажных организаций). Так как промышленные здания сооружают
главным образом из сборных железобетонных конструкций, к которым крепление
затруднено, чаще используются электропроводки, требующие меньшего числа
креплений к строительным частям.
Предварительная стендовая заготовка открытых
электропроводок, наличие большой номенклатуры монтажных изделий и деталей,
позволяющей комплектовать крупноразмерные узлы и целые линии из заранее
заготовленных элементов сети, а также возможность применения ряда механизмов и
приспособлений на монтажной площадке обеспечивают высокую степень
индустриализации монтажа открытых беструбных электросетей цехов промышленных
предприятий.
Инструменты и механизмы для соединения и оконцовки
кабелей
Клещи КСИ-1, предназначенные для снятия изоляции с
концов проводов сечением 0,75…4 мм и их перекусывания, состоят из трех
частей, связанных между собой шарнирно: рычага для зажатия проводов, рычага с
ножами для надреза изоляции и рычага с ползунком-эксцентриком, перемещающим прижим
и фасонный нож в губках клещей.
Модернизированные клещи КСИ-2 с двумя ручками более
производительны и удобны в работе. Перекусывание проводов производится ножами
кусачек. Ножи сменяются по мере необходимости.
Инструмент МБ-2 предназначенный для снятия изоляции
с двужильных плоских проводов с одновременным разрезанием перемычки между ними,
выполняется в виде клещей с двумя ручками.
Пресс-клещи ПК-3 предназначены для опрессовки жил
алюминиевых проводов с суммарным сечением 7,5; 13 и 20 мм в гильзах марок ГАО-4,
ГАО-5, ГАО-6 и медных жил сечением 4… 6 мм в наконечниках типа Т и гильзах
типа ГМ, а также для оконцовки медных многопроволочных жил сечением 1,5 и 2,5
мм в кабельных кольцевых наконечниках П.
Пресс-клещи ПК-4 предназначены для опрессовки
алюминиевых наконечников и соединительных гильз на проводах и кабелях сечением
16…35 мм и гильз марок ГАО-5, ГАО-6, ГАО-8. Эти пресс-клещи имеют блокирующее
устройство, которое не позволяет раскрывать их во время работы и снимать
наконечник или гильзу до окончания опрессовки на требуемую глубину.
Пресс-клещи ПК-1 состоят из удлиненных рукояток с
вилками, двух рычагов и блокирующего устройства. На рычагах закрепляются
сменные пуансоны и матрицы. Блокирующее устройство не позволяет раскрывать
клещи во время опрессовки и снимать наконечник или гильзу до ее окончания.
Пресс-клещи ПК-2М состоят из рычага, двух рукояток,
головки, штока , двух тяг и блокирующего устройства. На штоке закрепляется пуансон,
а на головке клещей устанавливается матрица.
Ручные механические прессы типов РМП-7 и РМП-22
предназначены для опрессовки алюминиевых и медных наконечников и соединительных
гильз на проводах и кабелях, а также скругления секторных однопроволочных алюминиевых
жил. Работают с использованием наборов инструментов НИСО и НИОМ.
Пресс гидравлический ручной типа ПГР-20М1
предназначен для опрессовки алюминиевых и медных наконечников и соединительных
гильз на проводах и кабелях, а также скругления секторных однопроволочных и
комбинированных алюминиевых жил с использованием набора инструментов типа НИСО
и НИОМ.
Пресс пороховой типа ППО предназначен для
выполнения оконцевания однопроволочных алюминиевых жил проводов и кабелей путем
выштамповки контактной площадки с одновременной пробивкой отверстия.
Ножницы кабельные (секторные) типов НУСК-50,
НУСК-ЗООм, НС-2, НС-3 предназначены для перерезания проводов и кабелей с
медными и алюминиевыми жилами.
Наборы инструментов типов НИОМ и НИСО предназначены
для выполнения оконцеваний и соединений алюминиевых и медных жил способом
опрессовки в комплекте с прессами типа ПГР-20М1, РМП-7, РМП-22. Наборы состоят
из комплектов матриц и пуансонов.
Монтажные и электроустановочные изделия и детали
При производстве электромонтажных работ используют
типовые детали и изделия, выпускаемые специализированными предприятиями. Эти
изделия и детали применяются при подготовке трасс для прокладки проводов,
кабелей и шин, при их прокладке, закреплении, соединении и присоединении к
приборам и аппаратам для защиты от воздействия окружающей среды и механических
повреждений, для установки аппаратов, приборов, светильников и т. д.
Монтажные изделия и детали изготовляются для всех
видов электрических установок и для всех видов электромонтажных работ и операций.
Выпускаемые заводами изделия из перфорированной
стали: полосы, ленты, швеллеры, рейки, монтажные профили с перфорацией — удобны
для изготовления опорных и крепежных конструкций с минимальными трудовыми
затратами на монтажно-заготовительных участках и при монтаже.
Из типовых профилей изготовляют рамы и каркасы для
сборки щитков и пусковых устройств, для подвески собранных в блоки светильников
и для крепления труб, проводов и кабелей. Применение монтажного профиля с
закладной гайкой создает весьма удобный вид крепления труб, кабелей, аппаратов
без подготовки отверстий при изменении мест крепления. Из перфорированной
полосы легко изготовить планки, скобы, траверсы. Полосы с пряжками облегчают
закрепление труб или кабелей привязкой.
Эти пряжки имеют вырезы для закрепления в
перфорации полосы и прямоугольные отверстия для полосок, крепящих кабели или
трубы.
Распорные дюбеля и дюбеля, забиваемые ручной или
пиротехнической оправкой и встреливаемые пистолетом, позволяют крепить детали с
минимальной затратой времени. Помимо распорных металлических дюбелей с
волокнистым заполнителем и с конической гайкой, используют капроновые дюбеля.
Изделиями из полимерных материалов для крепления
открыто прокладываемых проводов и небронированных кабелей по основаниям
являются полиэтиленовые эластичные скобы и полиэтиленовые закрепы с зубчатыми
полосками, пряжками.
Кабель закладывают под отогнутую скобку,
предварительно закреплённую дюбелем к основанию. Скобка при этом защелкивает
кабель и прижимает его к основанию благодаря своим пружинящим свойствам.
Полиэтиленовый закреп к основанию закрепляют забиваемым оправкой
дюбель-гвоздем, а на закрепе в свою очередь с помощью монтажных лент и полосок
с пряжками бандажируют и закрепляют провода и небронированные кабели.
Эти бандажные полоски и ленты создают удобный и
производительный способ крепления проводов и небронированных кабелей к
предварительно заготовленным и закрепленным непосредственно к основанию
металлическим полосам, струнам, лентам.
С помощью бандажных лент и полосок производится
также крепление проводов и небронированных кабелей к специальным полимерным
деталям-держателям, приклеиваемым к строительному основанию клеящим составом на
основе акриловой смолы с наполнителем из каолина — БМК-5к. Плоские провода
закрепляют путем насаживания на держатель с кнопкой.
Лотки и короба в виде легких металлических
конструкций для прокладки проводов и кабелей обладают преимуществами по
сравнению со стальными трубами. Они удобны в монтаже, обеспечивают возможность
прокладки по сложным трассам, свободный доступ и легкую замену проводов и
кабелей.
Лотки комплектуются разделительными уголками,
прижимами для крепления их к кабельным полкам, подвесками с пряжками для
укладки кабелей и проводов на лотках и крепления их пучками бандажной лентой.
Сборные кабельные конструкции стойки, полки и профили с закладными подвесками —
предназначены для прокладки на них горизонтальных рядов кабелей и в
вертикальной плоскости.
Электромонтажные механизмы, инструменты и
приспособления
При производстве электромонтажных работ в
мастерских и непосредственно на объектах монтажа используют механизмы,
инструменты и приспособления как общестроительного применения, так и
специализированные электромонтажные.
Все машины, механизмы и средства механизации,
применяемые в электромонтажном производстве, можно разделить на пять групп:
механизированный и ручной инструмент, приспособления и другие средства малой
механизации (электрифицированные, пневматические и пиротехнические инструменты,
слесарномонтажный и режущий инструмент, монтажные инвентарные приспособления); сварочное
оборудование (сварочные трансформаторы и генераторы постоянного тока,
полуавтоматы для дуговой сварки в среде защитных газов, оборудование для
газовой сварки и резки); специализированные автомашины и автоприцепы и
передвижные мастерские; металлообрабатывающие станки и механизмы,
сосредоточенные главным образом в мастерских на поточных технологических линиях
и в ремонтных цехах (ножницы, прессы, шинотрубогибы, пальцы, листогибочные,
сверлильные, обдирочные, заточные, токарные, фрезерные и строгальные станки);
монтажные механизмы для разгрузочно-погрузочных и монтажных работ
(автомобильные краны, краны на пневмоколесном ходу, трубоукладчики и тракторные
краны, гидроподъемники и телескопические вышки, буровые и бурильно-крановые
машины, кран Палки и электротали, аккумуляторные и автомобильные погрузчики,
башенные краны и краны-погрузчики, тали и лебедки, блоки и полиспасты), а также
общестроительные механизмы (тракторы, бульдозеры и др.).
В качестве средств механизации пробивных работ
используют электромагнитобуры, электросверлильные машины и электромолотки с
рабочим инструментом (сверлами, буриками, шлямбурами, коронками), оснащенным
пластинами из твердых сплавов, а также перфораторы, пневматический и пороховой
инструмент.
4.Подведение
итогов.
- Выставление
оценок:
v
За
участие на занятии
v
Ответить
(проконсультировать) по интересующим вопросам
5.Перечень рекомендуемых учебных изданий,
Интернет-ресурсов, дополнительной литературы
Основные источники:
1 Акимова, Н.А.
Монтаж, техническая эксплуатация и ремонт электрического и электромеханического
оборудования: Учеб. пособие для СПО/Н.А.Акимова. — М.: Академия, 2013. -304с.
2 Сибикин,
Ю.Д. Электробезопасность при эксплуатации электроустановок промышленных
предприятий: учеб. пособие для учреждений начального профессионального
образования / Ю.Д. Сибикин — 7-е изд. – М.: Академия, 2012. – 240 с.
3 Соколова,
Е.М. Электрическое и электромеханическое оборудование. Общепромышленные
механизмы и бытовая техника: Учеб. пособие для студ. учреждений среднего проф.
образования / Е.М.Соколова. — М.: Мастерство, 2013. -113с.
Дополнительные источники:
1 Кисаримов,
Р. А. Справочник электрика/Р.А.Кисаримов. -М: РадиоСофт, 2005. -512с.
2 Куценко,Г.Ф.
Монтаж, эксплуатация и ремонт электроустановок/Г.Ф.Куценко. — Минск:
Издательство «Дизайн ПРО», 2006. -272с.
3 Москаленко,
В.В. Электрический привод Учеб. пособие для студентов учреждений
СПО/В.В.Москаленко. — М.: Мастерство, 2005. -368с.
4 Павлович,
С.Н. Ремонт и обслуживание электрооборудования Учебник: для учащихся начального
профессионального образования/ С.Н. Павлович.- Ростов на Дону: «Феникс», 2009.
-245с.
5 ПУЭ.
Правила устройства электроустановок.
Интернет-ресурсы:
1 Монтаж и
эксплуатация осветительных установок. Основные сведения. [Электронный ресурс]:
Режим доступа: www.pavelvldnarod.ru.
2 Монтаж
осветительных электроустановок. Основные сведения. [Электронный ресурс]: Режим
доступа: sam-storoy.info.
3 Монтаж
силовых трансформаторов и электротехнического оборудования. Основные сведения.
[Электронный ресурс]: Режим доступа: www.тransform.ru.
4 Монтаж
силовых трансформаторов. Основные сведения. [Электронный ресурс]: Режим
доступа:forsa.ru/.
5 Монтаж,
эксплуатация и ремонт осветительных установок. Основные сведения. [Электронный
ресурс]: Режим доступа: www.StudFiles.ru/.
6 Неисправности
электрооборудования и способы их устранения. Основные сведения. [Электронный
ресурс]: Режим доступа:www.ielektro.ru.
7 Ремонт
электрооборудования распределительных устройств. Основные сведения.
[Электронный ресурс]: Режим доступа: 1от8а.ги» Книги» Оборудование» …
elektrooborudovaniya.
8 Школа для
электрика. Основные сведения. [Электронный ресурс]: Режим
доступа:www.ElectrikalScool.info.
Типовые монтажные изделия.
При производстве электромонтажных работ используют типовые детали и изделия, выпускаемые специализированными предприятиями. Эти изделия и детали применяются при подготовке трасс для прокладки проводов, кабелей и шин, при их прокладке, закреплении, соединении и присоединении к приборам и аппаратам для защиты от воздействия окружающей среды и механических повреждений, для установки аппаратов, приборов, светильников и т. д.
а) полоса монтажная; б) профиль U — образный; в) профиль С — образный; г) угольник неравнобокий; д) профиль Z — образный: е) рейка; ж) пряжка к перфорированным полоскам;
Рисунок 6.1 — Изделия из перфорированной стали
Монтажные изделия и детали изготовляются для всех видов электрических установок и для всех видов электромонтажных работ и операций. Номенклатура этих изделий непрерывно пополняется за счет выпуска новых и модернизации уже освоенных серий и типов. Типовые изделия и детали заводского изготовления дают значительную экономию трудовых затрат, ускоряют монтаж, улучшают условия труда.
Выпускаемые заводами изделия из перфорированной стали: полосы, ленты, швеллеры, рейки, монтажные профили с перфорацией (рисунок 6.1) — удобны для изготовления опорных и крепежных конструкций с минимальными трудовыми затратами на монтажно-заготовительных участках и при монтаже.
Из типовых профилей изготовляют рамы и каркасы для сборки щитков и пусковых устройств, для подвески собранных в блоки светильников и для крепления труб, проводов и кабелей. Применение монтажного профиля с закладной гайкой создает весьма удобный вид крепления труб, кабелей, аппаратов без подготовки отверстий при изменении мест крепления. Из перфорированной полосы легко изготовить планки, скобы, траверсы. Полосы с пряжками облегчают закрепление труб или кабелей привязкой. Эти пряжки имеют вырезы для закрепления в перфорации полосы и прямоугольные отверстия для полосок, крепящих кабели или трубы.
Распорные дюбеля и дюбеля, забиваемые ручной или пиротехнической оправкой и встреливаемые пистолетом (рисунок 6.2), позволяют крепить детали с минимальной затратой времени. Помимо распорных металлических дюбелей с волокнистым заполнителем и с конической гайкой, используют капроновые дюбеля.
Преимущество капроновых дюбелей устойчивость к динамическим нагрузкам и вибрации, высокая устойчивость против коррозии, возможность применения во влажных и химически активных средах.
Рисунок 6.2 — Пластмассовый распорный дюбель
Изделиями из полимерных материалов для крепления открыто прокладываемых проводов и небронированных кабелей по основаниям являются полиэтиленовые эластичные скобы и полиэтиленовые закрепы с зубчатыми полосками, пряжками (рисунок 6.3). Эластичность скобки позволяет закладывать под неё провод или кабель как до, так и после её установки на дюбеле. Кабель закладывают под отогнутую скобку, предварительно закреплённую дюбелем к основанию. Скобка при этом защелкивает кабель и прижимает его к основанию благодаря своим пружинящим свойствам. Полиэтиленовый закреп к основанию закрепляют забиваемым оправкой дюбель-гвоздем, а на закрепе в свою очередь с помощью монтажных лент и полосок с пряжками бандажируют и закрепляют провода и небронированные кабели.
а) закреп; б) зубчатая полоска; в) установка закрепа; г) бандажирование пучка проводов зубчатой полоской; д) крепление пучка проводов на закрепе зубчатой полоской;
е) полиэтиленовая скоба и её применение
Рисунок 6.3 — Пластмассовые закрепы и скобы, зубчатые полоски и их применение
Эти бандажные полоски и ленты создают удобный и производительный способ крепления проводов и небронированных кабелей к предварительно заготовленным и закрепленным непосредственно к основанию металлическим полосам, струнам, лентам (рисунок 6.4).
1 — полоса; 2 — дюбель-гвоздь; 3 — кабель; 4 — полоска с пряжкой
Рисунок 6.4 — Крепление кабелей на металлических полосках и лентах.
С помощью бандажных лент и полосок производится также крепление проводов и небронированных кабелей к специальным полимерным деталям-держателям, приклеиваемым к строительному основанию клеящим составом на основе акриловой смолы с наполнителем из каолина — БМК-5к. Плоские провода закрепляют путем насаживания на держатель с кнопкой.
Лотки и короба в виде легких металлических конструкций для прокладки проводов и кабелей обладают преимуществами по сравнению со стальными трубами. Они удобны в монтаже, обеспечивают возможность прокладки по сложным трассам, свободный доступ и легкую замену проводов и кабелей.
а) металлическая или пластмассовая деталь; б) деталь с перфорированной пластмассовой лентой; в) скобка с полоской; г) скобка с перфорированной лентой; д) пластмассовая штампованная деталь; е) крепление коробки приклеивания; ж) крепление выключателя приклеиванием
Рисунок 6.5 — Крепление электроустановочных изделий приклеиванием и детали для приклеивания
Лотки комплектуются разделительными уголками, прижимами для крепления их к кабельным полкам, подвесками с пряжками для укладки кабелей и проводов на лотках и крепления их пучками бандажной лентой (рисунок 6.6). Сборные кабельные конструкции стойки, полки и профили с закладными подвесками — предназначены для прокладки на них горизонтальных рядов кабелей и в вертикальной плоскости.
а) перфорированный лоток; б) крепление металлической полоской с пряжкой; в) крепление перфорированной лентой с кнопкой
Рисунок 6.6 — Крепление кабелей на перфорированном лотке.
Электроустановочные изделия — общее название группы устройств, необходимых для комплектации электропроводки. Без них невозможен монтаж электрических проводок. В состав этой группы входят: защитные устройства, выключатели, розетки, патроны для электрических ламп накаливания, патроны для люминесцентных ламп, электрические соединители (удлинительные шнуры, люстровые соединители, штепсельные вилки и т.д.), бытовые светорегуляторы, ответвительные и монтажные коробки.
Электроустановочные изделия обладают довольно простой конструкцией. В каждом из таких устройств выделяют три основные части: суппорт (плата, на которой крепится механизм), сам механизм, лицевая часть. Главное функциональное отличие подобных изделий заключается в механизме. Отличие же в суппортах и лицевых панелях являются скорее эстетическими.
Разные страны обладают различными стандартами для электроустановоч-ных изделий, в связи с чем однотипные устройства могут не совпадать по размерам и формам. На данный момент существуют американский, европейский и азиатский стандарты электроустановочных изделий. В нашей стране долгое время применялся немецкий стандарт.
Все электроустановочные изделия классифицируют по:
Способу установки:
- изделия скрытого монтажа,
- изделия открытого монтажа.
Изделия скрытого монтажа обладают дополнительной деталью – пластиковой либо стальной коробкой, которая вмуровывается в стену, после чего в нее монтируют выключатель либо розетку.
Изделия открытого монтажа применяют при прокладке открытого типа электрической проводки. Такие изделия монтируют к поверхности стены при помощи пластины на задней стороне корпуса.
Месту использования электроустановочных изделий:
- устройства для сухих помещений,
- устройства для помещений с повышенным уровнем влажности (сауны, бассейны, ванные комнаты).
Второй тип устройств оснащен специальным резиновым кожухом, который защищает их от влияния влаги.
Выпускается огромное разнообразие такого типа электроустановочных устройств, как розетки. В зависимости от страны, в которой была изготовлена розетка, выделяют 13 типов розеток, которые используются наиболее часто. Их обозначают буквами от М до А. С проблемой несовпадения конструкций розеток из разных стран справляются при помощи таких электроустановочных устройств, как адаптеры и переходники. Также выпускают и универсальные розетки, которые позволяют подсоединять электрические приборы с разного типа вилками.
Еще одним наиболее широко используемым в быту электроустановочным устройством является выключатель. При выборе качественного выключателя необходимо руководствоваться такими критериями, как гарантированное число включений, а также максимальная мощность, способная коммутироваться выключателем. Если выключатель маломощный, то его нельзя использовать для включения прожекторов и мощных осветительных приборов – он моментально выйдет из строя.
Также весьма полезными в быту электроустановочными устройствами являются датчики движения. Благодаря тому, что они автоматически включают/выключают свет там, где длительное время не находится человек (на лестницах, в коридорах и т.д.), экономится электроэнергия и сберегаются все находящиеся в доме электроустановочные изделия.
Ход работы
- Изучить инструкцию.
- Рассмотрите несколько различных видов монтажных и электроустановочных изделий (по указанию преподавателя).
- Составьте классификацию типовых монтажных и электроустановочных изделий.
- Ответить на контрольные вопросы.
Контрольные вопросы
- Где применяются монтажные изделия и детали?
- Что изготавливают из типовых профилей?
- Преимущества распорных и капроновых дюбелей.
- Что крепится с помощью бандажных лент и полосок?
- Как классифицируются электроустановочные изделия по способу установки?
Содержание отчета
- Номер, тема и цель работы.
- Основные определения и классификация монтажных и электроустановочных изделий
- Ответы на контрольные вопросы.
Литература
- Сибикин, Ю.Д. Технология электромонтажных работ [Текст]: учеб. пособие для проф. учеб. заведений/ Ю.Д. Сибикин, М.Ю. Сибикин. – М.: Высшая школа, 2002. — 301 с.
ПРАКТИЧЕСКАЯ РАБОТА № 7
Тема: Правила пользования электромонтажными механизмами и инструментами.Цель: Изучить назначения, виды и применение электромонтажных механизмов и инструментов.
Студент должен знать:
- виды и назначение электромонтажных механизмов и инструмента;
уметь:
- подбирать электромонтажные механизмы и инструменты, определять оптимальные варианты его использования.
Теоретическое обоснование
1. Механизмы инструменты для пробивных и крепежных работ.
При производстве электромонтажных работ в мастерских и непосредственно на объектах монтажа используют механизмы, инструменты и приспособления как общестроительного применения, так и специализированные электромонтажные.
Все машины, механизмы и средства механизации, применяемые в электромонтажном производстве, можно разделить на пять групп:
- механизированный и ручной инструмент, приспособления и другие средства малой механизации (электрифицированные, пневматические и пиротехнические инструменты, слесарномонтажный и режущий инструмент, монтажные инвентарные приспособления);
- сварочное оборудование (сварочные трансформаторы и генераторы постоянного тока, полуавтоматы для дуговой сварки в среде защитных газов, оборудование для газовой сварки и резки);
- автомашины и автоприцепы и передвижные мастерские;
- металлообрабатывающие станки и механизмы, сосредоточенные главным образом в мастерских на поточных технологических линиях и в ремонтных цехах (ножницы, прессы, шинотрубогибы, пальцы, листогибочные, сверлильные, обдирочные, заточные, токарные, фрезерные и строгальные станки);
- монтажные механизмы для разгрузочно-погрузочных и монтажных работ (автомобильные краны, краны на пневмоколесном ходу, трубоукладчики и тракторные краны, гидроподъемники и телескопические вышки, буровые и бурильно-крановые машины, кран-балки и электротали, аккумуляторные и автомобильные погрузчики, башенные краны и краны-погрузчики, тали и лебедки, блоки и полиспасты), а также общестроительные механизмы (тракторы, бульдозеры и др.).
В качестве средств механизации пробивных работ используют злектромагнитобуры, электросверлильные машины и электромолотки с рабочим инструментом (сверлами, буриками, шлямбурами, коронками), оснащенным пластинами из твердых сплавов, а также перфораторы, пневматический и пороховой инструмент.
2. Инструменты и механизмы для соединения и оконцовки кабелей.
Клещи КСИ-1, предназначенные для снятия изоляции с концов проводов сечением 0,75…4 мм² и их перекусывания, состоят из трех частей, связанных между собой шарнирно: рычага для зажатия проводов, рычага с ножами для надреза изоляции и рычага с ползунком-эксцентриком, перемещающим прижим и фасонный нож в губках клещей.
Модернизированные клещи КСИ-2 с двумя ручками более производительны и удобны в работе. Перекусывание проводов производится ножами кусачек. Ножи сменяются по мере необходимости.
Инструмент МБ-2 предназначенный для снятия изоляции с двужильных плоских проводов с одновременным разрезанием перемычки между ними, выполняется в виде клещей с двумя ручками.
Пресс-клещи ПК-3 предназначены для опрессовки жил алюминиевых проводов с суммарным сечением 7,5; 13 и 20 мм² в гильзах марок ГАО-4, ГАО-5, ГАО-6 и медных жил сечением 4… 6 мм² в наконечниках типа Т и гильзах типа ГМ, а также для оконцовки медных многопроволочных жил сечением 1,5 и 2,5 мм² в кабельных кольцевых наконечниках П.
Пресс-клещи ПК-4 предназначены для опрессовки алюминиевых наконечников и соединительных гильз на проводах и кабелях сечением 16…35 мм² и гильз марок ГАО-5, ГАО-6, ГАО-8. Эти пресс-клещи имеют блокирующее устройство, которое не позволяет раскрывать их во время работы и снимать наконечник или гильзу до окончания опрессовки на требуемую глубину.
Пресс-клещи ПК-1 состоят из удлиненных рукояток с вилками, двух рычагов и блокирующего устройства. На рычагах закрепляются сменные пуансоны и матрицы. Блокирующее устройство не позволяет раскрывать клещи во время опрессовки и снимать наконечник или гильзу до ее окончания.
Пресс-клещи ПК-2М состоят из рычага, двух рукояток, головки, штока , двух тяг и блокирующего устройства. На штоке закрепляется пуансон, а на головке клещей устанавливается матрица.
Ручные механические прессы типов РМП-7 и РМП-22 предназначены для опрессовки алюминиевых и медных наконечников и соединительных гильз на проводах и кабелях, а также скругления секторных однопроволочных алюминиевых жил. Работают с использованием наборов инструментов НИСО и НИОМ.
Пресс гидравлический ручной типа ПГР-20М1 предназначен для опрессовки алюминиевых и медных наконечников и соединительных гильз на проводах и кабелях, а также скругления секторных однопроволочных и комбинированных алюминиевых жил с использованием набора инструментов типа НИСО и НИОМ.
Пресс пороховой типа ППО предназначен для выполнения оконцевания однопроволочных алюминиевых жил проводов и кабелей путем выштамповки контактной площадки с одновременной пробивкой отверстия.
Ножницы кабельные (секторные) типов НУСК-50, НУСК-ЗООм, НС-2, НС-3 предназначены для перерезания проводов и кабелей с медными и алюминиевыми жилами.
Наборы инструментов типов НИОМ и НИСО предназначены для выполнения оконцеваний и соединений алюминиевых и медных жил способом опрессовки в комплекте с прессами типа ПГР-20М1, РМП-7, РМП-22. Наборы состоят из комплектов матриц и пуансонов.
3. Правила пользования электромонтажными механизмами и инструментами.
Правильная эксплуатация механизированного инструмента и средств малой механизации заключается в регулярном уходе за ними, соблюдении установленных режимов работы и смазывании.
Электрические машины и электрифицированный инструмент. Перед выдачей электрических машин для производства работ проверяются специальными приборами на стенде или мегомметром исправность их электрической (сопротивление изоляции, наличие и исправность заземления, целость изоляции кабеля и др.), а также механической частей (надежность крепления резьбовых соединений, исправность редуктора, наличие смазки в подшипниках и зубчатых передачах, правильность заточки и установки рабочего инструмента). Перед началом работы необходимо убедиться в соответствии напряжения машины напряжению сети, исправности заземления и проверить работу машины на холостом ходу.
Правильная эксплуатация электрифицированного инструмента обеспечива-ется также соблюдением установленной продолжительности его включения и чистотой содержания, т. е. своевременным удалением стружки, пыли, строительной мелочи. В процессе эксплуатации необходимо следить за состоянием смазки всех узлов машин и при необходимости заменять ее. Смазку электросверлильных машин обычно меняют через каждые 200 ч работы. Постоянное смазывание шарикоподшипников и шестерен обеспечивается запасом среднеплавкой смазки УС-3, находящейся в гнездах подшипников и редукторе и добавляющейся один раз в два месяца.
Использование электрифицированного инструмента, в частности, электросверлильных машин с напряжением питания 220 В, увеличивает опасность травматизма (при пробое изоляции обмоток корпус такого инструмента оказывается под напряжением 220 В). Правилами техники безопасности в строительстве запрещается пользоваться ручным электроинструментом с напряжением питания 127 и 220 В в помещениях опасных и с повышенной опасностью (допускается использования электроинструментов с напряжением питания 42 В).
Однофазные электросверлильные машины с металлическим корпусом разрешается включать непосредственно в сеть 220 В только трехжильным гибким медным проводом сечением не менее 1,5 мм² в общей оболочке, причем третья жила должна служить исключительно для заземления корпуса машины. Нельзя использовать для заземления нулевую рабочую жилу провода. Нулевая и заземляющая жилы подключаются к заземляющей сети раздельно. Заземляющая жила присоединяется к корпусу винтом.
Перед включением электросверлильной машины следует проверить наличие и исправность заземления, состояние изоляции питающего провода, соответствие напряжения и частоты питающей сети, работу выключателя (несколькими пробными включениями). Во время работы не допускается сильный нагрев сверлильной машины (при котором нельзя держать ладонь на ее корпусе). При сильном искрении коллектора машину надо отключить для устранения его причин.
В настоящее время применяются главным образом электрифицированные механизмы для пробивных работ с напряжением питания 220 В и двойной изоляцией, которая состоит из двух независимых друг от друга ступеней — рабочей и дополнительной. Рабочей называют основную изоляцию, необходимую для работы машины и защиты оператора от поражения электрическим током. Это оплетка или эмаль обмоточных проводов, пазовая изоляция обмоток машин, пропиточные лаки и компаунды, изоляция жил кабеля, проводов и внутренних соединений. Дополнительной изоляцией служат пластмассовые корпуса машин, изолирующие втулки и др. Выпускаются также электросверлильные машины с напряжением питания 42 В и повышенной частотой (200 Гц), безопасные в работе, но для питания которых требуются крупногабаритные переносные преобразователи частоты, поэтому применение их ограничено.
Для повышения безопасности электросверлильных машин на 220 В с одной ступенью изоляции их питание осуществляют от сети через специальный разделительный трансформатор (с коэффициентом трансформации 1:1), имеющий обмотки с усиленной изоляцией, выполненные так, что повреждение первичной обмотки не приводит к образованию потенциала сети во вторичной обмотке. Следовательно, исключается появление потенциала сети и на металлических частях сверлильной машины даже в случае пробоя изоляции.
Выполнение работ в установках, находящихся под напряжением или с частично снятым напряжением, разрешается в исключительных случаях и только электромонтажникам, прошедшим специальные обучение и инструктаж, после получения наряда-допуска и обязательно под надзором эксплуатационного персонала. Пневматический инструмент и сварочные трансформаторы. Основное требование при эксплуатации пневматического инструмента заключается в смазывании его турбинным или соляровым маслом через каждые 4…5 ч работы, а нового инструмента через каждые 2…3 ч.
Перед выдачей рабочий-инструментальщик проверяет в машине или перфораторе затяжку всех резьбовых соединений, заполняет масляную полость чистым минеральным маслом, набивает масленки солидолом для смазывания редуктора и подшипников, опробывает работу на холостом ходу, проверяет давление сжатого воздуха и исправность шланга. Падение давления сжатого воздуха резко снижает производительность машины.
В зимнее время пневмоинструмент покрывается влагой от конденсации паров, содержащихся в сжатом воздухе, которую надо своевременно удалять. Кроме того, перед началом работы пневмоинструмент подогревают.
Сварочные трансформаторы требуют постоянного надзора и своевременного устранения всех неисправностей. Уход за трансформаторами заключается в содержании всех их контактов исправными и обеспечении надежного заземления корпуса, поэтому периодически необходимо проверять состояние изоляции, особенно при работе установки на открытом воздухе.
Твердосплавный рабочий инструмент. Основными эксплуатационными показателями, определяющими эффективность такого инструмента, являются его производительность и надежность. Нормальная эксплуатация сводится к правильному выбору инструмента, своевременной заточке, соблюдению режима сверления или пробивки. О затуплении рабочего инструмента и необходимости его заточки судят по значительному снижению скорости проходки, заметному в этом случае увеличению требуемого усилия нажатия на него, а также по падению производительности. Чрезмерное затупление может привести к разрушению рабочих пластин. При нормальной эксплуатации инструмент выдерживает по три-четыре заточки и обеспечивает скорость бурения в бетонных основаниях порядка 1 …2 мм/с.
Хранением, эксплуатацией и ремонтом инструментов занимается центральное инструментальное хозяйство, которое состоит из двух служб: стационарной инструментальной мастерской с ремонтной группой и передвижной (на машине) инструментальной мастерской.
В стационарной инструментальной мастерской производятся ремонт (восстановление), заправка, клеймение инструмента, наладка и испытание его вхолостую и под нагрузкой, а также контроль за эксплуатацией, комплектацией и количеством.
Ход работы
- Изучить инструкцию.
- Составьте классификацию электромонтажных механизмов и инструмента.
- Запишите основные правила пользования электромонтажными механизмами и инструментами.
- Ответить на контрольные вопросы.
Контрольные вопросы
- Какие инструменты и механизмы широко используются в электромонтажном производстве?
- Что называется уровнем механизации электромонтажного производства?
- На какие группы подразделяются средства механизации работ, связанные с монтажом?
- Какие приспособления относятся к средствам малой механизации?
- Перечислите инструменты и механизмы для соединения и оконцовки кабелей.
Содержание отчета
- Номер, тема и цель работы.
- Классификация электромонтажных механизмов и инструмента.
- Основные правила пользования электромонтажными механизмами и инструментами.
- Ответы на контрольные вопросы.
Литература
1) Сибикин, Ю.Д. Технология электромонтажных работ [Текст]: учеб. пособие для проф. учеб. заведений/ Ю.Д. Сибикин, М.Ю. Сибикин. – М.: Высшая школа, 2002. — 301 с.
ПРАКТИЧЕСКАЯ РАБОТА № 8
Тема: Расшифровка условных обозначений кабелей и проводов с определением области их применения.Цель: Научиться расшифровывать условные обозначения проводов и кабелей.
Студент должен знать:
- принцип формирования маркировки проводов и кабелей;
уметь:
- расшифровывать и подбирать провода и кабели для электромонтажных работ, определять оптимальные варианты его использования.
Теоретическое обоснование
1) Расшифровка (маркировка) сокращений, применяемых для обозначений силовых кабелей с ПВХ (виниловой) и резиновой изоляцией (по ГОСТ 16442-80, ТУ16.71-277-98, ТУ 16.К71-335-2004):
- А — (первая буква) алюминиевая жила, если буквы нет — жила медная.
- АС — Алюминиевая жила и свинцовая оболочка.
- АА — Алюминиевая жила и алюминиевая оболочка.
- Б — Броня из двух стальных лент с антикоррозийным покрытием.
- Бн — То же, но с негорючим защитным слоем (не поддерживающим горение).
- б — Без подушки.
- В — (первая (при отсутствии А) буква) ПВХ изоляция.
- В — (вторая (при отсутствии А) буква) ПВХ оболочка.
- Г — В начале обозначения — это кабель для горных выработок, в конце обозначения — нет защитного слоя поверх брони или оболочки («голый»).
- г — Водозащитные ленты герметизации металлического экрана (в конце обозначения).
- 2г — Алюмополимерная лента поверх герметизированного экрана.
- Шв — Защитный слой в виде выпрессованного шланга (оболочки) из ПВХ.
- Шп — Защитный слой в виде выпрессованного шланга (оболочки) из полиэтилена.
- Шпс — Защитный слой из выпрессованного шланга из самозатухающего полиэтилена.
- К — Броня из круглых оцинкованных стальных проволок, поверх которых наложен защитный слой. Если стоит в начале обозначения – контрольный кабель.
- С — Свинцовая оболочка.
- О — Отдельные оболочки поверх каждой фазы.
- Р — Резиновая изоляция.
- НР — Резиновая изоляция и оболочка из резины, не поддерживающей горение.
- П — Изоляция или оболочка из термопластичного полиэтилена.
- Пс — Изоляция или оболочка из самозатухающего не поддерживающего горение полиэтилена.
- Пв — Изоляция из вулканизированного полиэтилена.
- БбГ — Броня профилированной стальной ленты.
- нг — Не поддерживающий горение.
- LS — Low Smoke — низкое дымо- и газовыделение.
- КГ — Кабель гибкий.
2) Кабель с БПИ — бумажной пропитанной изоляцией (по ГОСТ 18410-73):
А — (первая буква) алюминиевая жила, при ее отсутствии — жила медная по умолчанию. Если в середине обозначения после символа материала жилы, то алюминиевая оболочка.
- Б — Броня из плоских стальных лент (после символа материала оболочки).
- АБ — Алюминиевая броня.
- СБ — (первая или вторая (после А) буква) свинцовая броня.
- С — Материал оболочки свинец.
- О — Отдельно освинцованная жила.
- П — Броня из плоских стальных оцинкованных проволок.
- К — Броня из круглых стальных оцинкованных проволок.
- В — Изоляция бумажная с обедненной пропиткой (в конце обозначения) через тире.
- б — Без подушки.
- л — В составе подушки дополнительная 1 лавсановая лента.
- 2л — В составе подушки дополнительная двойная лавсановая лента.
- Г — Отсутствие защитного слоя («голый»).
- н — Негорючий наружный слой. Ставится после символа брони.
- Шв — Наружный слой в виде выпрессованного шланга (оболочки) из поливинилхлорида.
- Шп — Наружный слой в виде выпрессованного шланга (оболочки) из полиэтилена.
- Швпг — Наружный слой из выпрессованного шланга из поливинилхлорида пониженной горючести.
- (ож) — Кабели с однопроволочными жилами (в конце обозначения).
- У — Изоляция бумажная с повышенной температурой нагрева (в конце обозначения).
- Ц — Бумажная изоляция, пропитанная нестекающим составом. Ставится впереди обозначения.
3) Контрольный кабель (по ГОСТ 1508-78):
- А — (первая буква) алюминиевая жила, при ее отсутствии — жила медная по умолчанию.
- В — (вторая (при отсутствии А) буква) ПВХ изоляция.
- В — (третья (при отсутствии А) буква) ПВХ оболочка.
- П — Изоляция из полиэтилена.
- Пс — Изоляция из самозатухающего полиэтилена.
- Г — Отсутствие защитного слоя («голый»).
- Р — Резиновая изоляция.
- К — (первая или вторая (после А) буква) — кабель контрольный.
- Kроме КГ — кабель гибкий.
- Ф — Изоляция из фторопласта.
- Э — В начале обозначения – кабель силовой для особо шахтных условий, в середине или в конце обозначения — кабель экранированный.
4) Подвесные провода:
- А — Алюминиевый голый провод.
- АС — Алюминиево-Стальной (чаще употребляется слово «сталеалюминевый») голый провод.
- СИП — Самонесущий Изолированный Провод.
- нг — Не поддерживающий горения.
5) Силовые, установочные провода и шнуры соединительные:
Марку провода и шнура записывают в виде сочетания букв и цифр:
- А — Алюминий, отсутствие в марке провода буквы А означает, что токоведущая жила из меди.
- П (или Ш) — вторая буква, обозначает провод (или шнур).
- Р — Резиновая изоляция.
- В — Изоляция из ПВХ.
- П — Полиэтиленовая изоляция.
- Н — Изоляция из наиритовой резины.
Число жил и сечение указывают следующим образом: ставят черточку; записывают число жил; ставят знак умножение; записывают сечение жилы.
В марках проводов и шнуров могут быть и другие буквы, характеризующие другие элементы конструкции:
- Д — Двойной провод.
- О — Оплетка.
- Т — Для прокладки в трубах.
- П — Плоский с разделительным основанием.
- Г — Гибкий.
6) Монтажные провода:
- М — Монтажный провод (ставится в начале обозначения).
- Г — Многопроволочная жила (отсутствие буквы указывает на то, что жила однопроволочная).
- Ш — Изоляция из полиамидного шелка.
- Ц — Изоляция пленочная.
- В — Поливинилхлоридная изоляция.
- К — Капроновая изоляция.
- Л — Лакированный.
- С — Обмотка и оплетка из стекловолокна.
- Д — Двойная оплетка.
- О — Оплетка из полиамидного шелка.
- Э — Экранированный.
- МЭ — Эмалированный.
Расшифровка (маркировка) некоторых особых аббревиатур:
- КСПВ — Кабели для Систем Передачи в Виниловой оболочке.
- КПСВВ — Кабели Пожарной Сигнализации, с Виниловой изоляцией, в Виниловой оболочке.
- КПСВЭВ — Кабели Пожарной Сигнализации, с Виниловой изоляцией, с Экраном, в Виниловой оболочке.
- ПНСВ — Провод Нагревательный, Стальная жила, Виниловая оболочка.
- ПВ-1, ПВ-3 — Провод с Виниловой изоляцией. 1, 3 — класс гибкости жилы.
- ПВС — Провод в Виниловой оболочке Соединительный.
- ШВВП — Шнур с Виниловой изоляцией, в Виниловой оболочке, Плоский.
- ПУНП — Провод Универсальный Плоский.
- ПУГНП — Провод Универсальный Плоский Гибкий.
Как расшифровать марку кабеля?
Возьмем для примера очень распространенный кабель: АВВГ(ож)-0,66 кВ 4×35 и разберем его маркировку.
4×35 — данный кабель имеет 4 жилы, по 35 кв.мм. каждая. Количество жил у большинства групп кабелей от 1 до 5. Но у контрольных, к примеру, от 4 до 37. Каждая жила имеет сечение. У кабеля диапазон сечений от 1,5 до 800 кв. мм. для низковольтного кабеля.
0,66 кВ — напряжение. У данного кабеля оно составляет 660 В. Кабели бывают низковольтными (0,38-1 кВ), на среднее (6-35кВ) и высокое (110-500кВ) напряжение.
(ож) — исполнение – одножильное. Это значит, что жила монолитная, цельнотянутая. В случае если в марке «ож» отсутствует, то это значит, по умолчанию, что исполнение многопроволочное (мп) или многожильное (мн).
Г – гибкий или небронированный.
В – винил. Оболочка из поливинилхлоридного (ПВХ) пластиката.
В – винил. Изоляция из поливинилхлоридного (ПВХ) пластиката.
А – алюминий. Алюминиевая токопроводящая жила.
Все буквенные маркировки начинаются от жилы. Если стоит буква А, то токопроводящая жила – алюминиевая. Если буква А отсутствует, то токопроводящая жила изготовлена из меди.
В зависимости от группы использования в маркировке кабелей могут встречаться следующие символы:
- АВВГ- П. Плоский, изолированные жилы уложены параллельно в одной плоскости.
- АВВГз. С заполнением, заполнение из резиновой смеси.
- АВВГнг-LS. Нг — негорючий, ПВХ пластикат пониженной горючести. LS — «лоу смокинг» (пониженное дымовыделение), ПВХ пониженной пожароопасности.
- АВБбШв. Б – броня из стальных лент.
- Ш- шланг защитный из ПВХ пластиката.
- в — винил. Изоляция из поливинилхлоридного (ПВХ) пластиката.
Расшифровка маркировки проводов.
Теперь рассмотрим вопрос, как расшифровать маркировку проводов. Провода также, как и кабели маркируют буквами, после которых цифрами записывают число и площадь сечения токопроводящих жил. При обозначении провода принята следующая структура. В центре ставится буква П, обозначающая провод. Перед буквами П может стоять буква А, обозначающая, что провод изготовлен из алюминиевых токопроводящих жил; если буквы А нет, то токопроводящие жилы изготовлены из меди.
Вслед за буквой П стоит буква, характеризующая материал, из которого выполнена изоляция провода:
Р — резиновая изоляция,
В — ПВХ (поливинилхлоридная) изоляция
П — изоляция из полиэтилена
Если провод имеет оплетку из хлопчатобумажной пряжи, покрытой лаком, то это обозначается буквой Л, а если пряжа пропитана противогнилостным составом, то буква в марке провода опускается. Букву Л ставят на последнем месте в обозначении марки провода.
Провода для электрических установок марки ПВ имеют цифровые индексы 1; 2; 3 и 4. Данные цифры обозначают степень гибкости проводов. Чем выше, тем провод более гибкий.
Провода для воздушных ЛЭП расшифровываются следующим образом:
СИП — самонесущий изолированный провод. Изоляция из светостабилизированного сшитого полиэтилена.
СИП-1 — с неизолированной нейтралью.
СИП-2 — с изолированной нейтралью.
СИП-4 — с равными по сечению изолированными жилами.
А – неизолированный провод, скрученный из алюминиевых проволок
АС – неизолированный провод, состоящий из стального сердечника и алюминиевых проволок
Ход работы
- Изучить инструкцию.
- Выполнить задание № 1.
- Ответить на контрольные вопросы.
Задание № 1
Расшифровать марки, привести рисунки (схематично), поясняющие конструкцию проводов (кабелей, шинопроводов). В тексте или таблице привести примеры технических данных для проводов (напряжение изоляции, число и сечение жил, способ прокладки, длительно допустимы ток, вес, строительная длина и т.д.). Данные в таблице 8.1.
Таблица 8.1 – Данные для задания № 1
| № варианта | марка провода | марка кабеля | № варианта | марка провода | марка кабеля |
| 1 | АПВ | АСГТ | 11 | ППВ | ААБ |
| 2 | АПРВ | СГТ | 12 | ПВС | АБ |
| 3 | АПРФ | АСБ | 13 | ШВВП | ААБГ |
| 4 | АПР | СБ | 14 | СИП-4 | АБГ |
| 5 | ПВ | АСБГ | 15 | АППВ | ААП |
| 6 | АПРТО | СБГ | 16 | АПН | ВРГ |
| 7 | ПРГ | АСП | 17 | АППВС | АВРГ |
| 8 | АРТ | СП | 18 | ППВС | ВРБ |
| 9 | СИП-1 | АСПГ | 19 | ПРТО | АВВГ |
| 10 | МКШ | АСК | 20 | РРФ | АВВБГ |
Контрольные вопросы
- Чем отличаются кабель и провод, провод и шнур?
- Что такое кабель?
- Что такое провод?
- Как расшифровать маркировку кабеля, шнура, провода?
- Какую марку провода выбрать для монтажа электропроводки?
Содержание отчета
- Номер, тема и цель работы.
- Расшифровка марки провода и кабеля, рисунок (схематично), поясняющий конструкцию провода и кабеля, технические данные (напряжение изоляции, число и сечение жил, способ прокладки, длительно допустимы ток, вес, строительная длина и т.д.)
- Ответы на контрольные вопросы.
Литература
- Сибикин, Ю.Д. Технология электромонтажных работ [Текст]: учеб. пособие для проф. учеб. заведений/ Ю.Д. Сибикин, М.Ю. Сибикин. – М.: Высшая школа, 2002. — 301 с.
ПРАКТИЧЕСКАЯ РАБОТА № 9Тема: Конструкция и применение самонесущих изолированных проводов.Цель: Изучить конструкцию и применение самонесущих изолированных проводов.
Студент должен знать:
- конструкцию самонесущих изолированных проводов и область их применения;
уметь:
- использовать полученные знания о марках проводов и кабелей в практических целях.
Теоретическое обоснование
Основным назначением провода СИП (самонесущий изолированный провод) является передача и распределение электроэнергии переменного тока в сетях освещения и силовых сетях напряжением 0,4…1 кВ.
Провод СИП получил широкое применение при строительстве магистральных воздушных линий электропередач и различных ответвлений к вводам во всевозможные жилые помещения и хозяйские постройки.
Он представляет собой жгут скрученный из изолированных фазных жил, сделанных из алюминия и нулевой несущей жилы. Фазные жилы оснащены изоляцией, сделанной из светостабилизированного полиэтилена повышенного давления окрашенного в черный цвет, который обладает устойчивостью к ультрафиолетовым излучениям. В центре нулевой жилы находится стальной сердечник, скрученный вокруг алюминиевыми проволоками.
Федеральный комплект учебников Учебное пособие Профессиональное образование Электротехника В. М. Нестеренко А. М. Мысьянов Технология электро- монтажных работ /CADEMA
ПРОФЕССИОНАЛЬНОЕ ОБРАЗОВАНИЕ В.М. НЕСТЕРЕНКО, А.М.МЫСЬЯНОВ ТЕХНОЛОГИЯ ЭЛЕКТРОМОНТАЖНЫХ РАБОТ Допущено Экспертным советом по начальному профессиональному образованию Минобразования России в качестве учебного пособия для учреждений начального профессионального образования Москва ACADEMA 2004 ; Ь .> • t
УДК 621.3 ББК 31.29-5-08 И 56 Рецензент — д-р техн, наук, профессор Самарской государственной архитектурно-строительной Академии телекоммуникаций и информатики В. О. Кринке Нестеренко В. М. Н 56 Технология электромонтажных работ: Учеб, пособие для нач. проф. образования / В. М. Нестеренко, А. М. Мысьянов. — М.: Издательский центр «Академия», 2004. — 592 с. ISBN 5-7695-1078-1 Приведены материалы по курсу «Технология электромонтажных ра- бот» для подготовки рабочих по специальностям электротехнического про- филя. Особое внимание уделено межпредметным связям и теоретическо- му объяснению наиболее сложных вопросов и тем. Для учащихся учреждений начального профессионального образова- ния электротехнического профиля, а также слушателей курсов перепод- готовки незанятого населения, преподавателей и мастеров производствен- ного обучения. УДК 621.3 ББК 31.29-5-08 ©Нестеренко В.М., Мысьянов А.М., 2002 ISBN 5-7695-1078-1 ©Издательский центр «Академия», 2002
Введение На современном этапе развития общества интересы эко- номики и самого человека как главной производительной силы и высшей ценности общества требуют нового подхода к обучению и воспитанию подрастающего поколения. В этой связи особую актуальность и практическую значимость при- обретает повышение качества профессиональной подготов- ки молодого рабочего. Качественные изменения, происходящие в настоящее вре- мя в отраслях народного хозяйства, являются объективной предпосылкой для подготовки рабочих широкого профиля. Все чаще требуются рабочие, способные к быстрой смене характера и вида труда, например рабочие, которые могут выполнять монтаж, ремонт и обслуживание оборудования. Та- кие качества рабочего, как способность к творчеству, уме- ние планировать, организовывать и контролировать свой труд, находить оптимальные решения, самостоятельно по- полнять свои знания и применять их в постоянно изменяю- щихся внешних условиях, становятся главным залогом его успешной трудовой деятельности. Рабочий широкого профиля должен проявлять в услови- ях постоянного изменения технологического базиса произ- водства высокую профессиональную гибкость и мобильность. Узкий профиль профессиональной подготовки не может обеспечить быстрое приспособление к изменению условий производства, а современный квалифицированный рабочий должен быть готов не только к настоящим, но и к будущим условиям производства. Для этого ему необходимо получить общее среднее образование и широкую общетехническую и общеотраслевую подготовку, переходящую в последний пе- риод обучения в специальную подготовку. Расширение про- изводственного профиля рабочих — одно из условий наибо- лее полного использования достижений науки и техники, повышения эффективности использования рабочей силы. Современный рабочий должен обладать совокупностью общеобразовательных, общетехнических и общепроизвод- ственных знаний и умений, т. е. его подготовка должна ос- новываться на политехническом обучении. Это обеспечит ему хорошую ориентацию во всей системе данного производства, позволит выполнять широкий круг взаимосвязанных по тех- 3
нологии сложных видов работ, постоянно повышать квали- фикацию, совершенствовать профессиональное мастерство, высокопроизводительно и творчески работать в условиях ди- намично развивающегося производства с различными фор- мами организации труда. Данное учебное пособие предназначено для подготов- ки рабочих по следующим специальностям электротехни- ческого профиля: • электромонтажник по распределительным устройствам; • электромонтажник по кабельным сетям; • электромонтажник по освещению и осветительным сетям; • электромонтажник по силовым сетям и электрообору- дованию; • электромонтажник по вторичным цепям; • электромонтажник-наладчик; • электромонтажник по сигнализации и блокировке на железнодорожном транспорте и наземных линиях метропо- литена. Учебное пособие состоит из унифицированного учебно- го материала для всех учащихся и дифференцированного материала по каждой специальности. Базовыми для всех специальностей являются сведения об однотипных технических средствах труда, общих основах тех- нологии производства и общих функциях производственной деятельности рабочего. Соотношение общего и дифференци- рованного материала учебного пособия определяется уров- нем технической общности данных специальностей и пла- нируемым уровнем расширения профессиональной подго- товки учащихся. Общими для указанной ранее группы специальностей яв- ляются: сведения об основах электромонтажных работ; вопросы монтажа, обслуживания и ремонта осветитель- ных и силовых электроустановок; вопросы монтажа, обслуживания и ремонта кабельных и воздушных линий; сведения по стандартизации и контролю качества продук- ции; вопросы производства, передачи и распределения элек- троэнергии; вопросы устройства и монтажа защитного заземления. К специальным для каждой отдельной специальности от- носятся следующие вопросы: монтаж измерительных транс- форматоров, вторичных цепей, комплектных трансформа- 4
торных подстанций, комплектных распределительных уст- ройств и др. В учебном пособии последовательно отражены структура отрасли и схема ее управления, техника и технология электро- монтажа, сведения о применяемых материалах и технических средствах, вопросы охраны и безопасности труда, что должно обеспечить формирование у учащихся целостного представ- ления о выбранной профессии. Содержание и объем учебного материала в учебном по- собии соответствуют действующей программе, профессио- нально-квалификационным характеристикам соответствую- щих специальностей и учебному плану профессии. Трехуровневая система вопросов для самоконтроля (I, II, III) обеспечивает возможность оценки качества подготовки учащихся на всех этапах обучения.
Глава 1. ПРОИЗВОДСТВО, ПЕРЕДАЧА И РАСПРЕДЕЛЕНИЕ ЭЛЕКТРОЭНЕРГИИ 1.1. Основные сведения об электрической энергии Одним из важнейших показателей уровня технического разви- тия любой страны является уровень развития ее энергетики. Со- временная энергетика — это в основном электричество, т. е. про- изводство и потребление электрической энергии определяют уро- вень развития государства. Электрическая энергия используется во всех отраслях промыш- ленности, строительства, транспорта и сельского хозяйства вслед- ствие ряда присущих только ей свойств: ее можно передавать на большие расстояния, а также преобразовывать в другие виды энер- гии — механическую, тепловую, химическую. Возможность передачи электрической энергии на расстояния, достигающие нескольких сотен и даже тысяч километров, обус- ловливает строительство электростанций вблизи мест нахождения топлива или на многоводных реках, что оказывается более эконо- мичным, чем подвозить большое количество топлива к электро- станциям, расположенным вблизи потребителей электроэнергии. Возможность преобразования электрической энергии в механи- ческую с помощью электроприводов, т.е. применение для получе- ния энергии конструктивно простых и удобных для эксплуатации электродвигателей вместо громоздких и сложных паровых машин и двигателей внутреннего сгорания, позволяет более рационально ис- пользовать производственные площади предприятий, снижать эксп- луатационные расходы, осуществлять автоматизацию производствен- ных процессов. Вот почему современные промышленные предпри- ятия насыщаются электрод вигателями мощностью от нескольких ватт до нескольких сотен и даже тысяч киловатт. О масштабах примене- ния электродвигателей свидетельствует тот факт, что в настоящее вре- мя они потребляют более 50 % всей электроэнергии, производимой в России. Широкое применение находит электричество не только в промышленности, но и на транспорте: с его помощью приводятся в движение поезда, трамваи, троллейбусы и даже автомобили. Однако роль, возможности и масштабы применения электри- ческой энергии не будут полностью охарактеризованы, если не ска- зать о ее использовании в технологиях различных производств: с ее помощью варят сталь, сваривают и режут металлы, наносят на по- верхность металлов стойкие антикоррозийные покрытия и т.д. 6
Незаменима роль электричества в автоматизации и телеуправ- лении производственных процессов. Здесь ни один вид энергии, известный современной науке, не может полностью заменить элек- трическую энергию. 1.2. Типы и основные характеристики электрических станций Электрическая энергия вырабатывается на электрических стан- циях, которые в зависимости от используемых в них энергоноси- телей подразделяются на тепловые (паротурбинные), атомные (ре- акторные) и гидроэлектрические (гидротурбинные). Существуют также электростанции, использующие энергию ветра и тепла сол- нечных лучей, но они представляют собой маломощные источни- ки электроэнергии, предназначенные только для электроснабже- ния отдельных мелких потребителей, отдаленных от мощных элек- тростанций и системных сетей. На тепловых электростанциях (ТЭС) используют тепловую энер- гию, получаемую при сжигании в топках котлов угля, торфа, го- рючих сланцев, мазута или природного газа. В тепловой электростанции (рис. 1.1, а) вода в котлах превраща- ется в пар, который по паропроводу поступает в паровую турбину Рис. 1.1. Схемы тепловых электростанций: а — конденсационной; б — теплоэлектроцентрали; ТПВ — трубопровод питательной воды; ПК — паровой котел; Т — турбина; Г — генератор; К — конденсатор; Э — эжектор; ТЦВ — трубопровод циркуляционной воды; ЦН — циркулярный насос; КН — конденсатный насос; В — водоподогре- ватель; ПН, ПН1, ПН2 — питательные насосы; ВБ — водяная батарея; ПБ — паровая батарея 7
и приводит в движение ее ротор, а также механически соединен- ный с ним ротор генератора. В генераторе механическая энергия преобразуется в электрическую, и генератор становится источни- ком электрического тока. Таким образом, тепловая энергия пара превращается в механическую энергию вращения турбины, а пос- ледняя, в свою очередь, преобразуется в электрическую энергию. Превращение энергии из одного вида в другой неизбежно со- провождается потерями, которые зависят главным образом от спо- соба преобразования, а также от совершенства и состояния пре- образующих устройств. Отработавший пар, пройдя все ступени турбины, поступает в конденсатор, где, охлаждаясь, превращается в конденсат, кото- рый вновь подается насосом в котел. Возврат чистого конденсата уменьшает образование накипи в котлах и тем самым увеличивает срок их службы. Так, по замкнутому циклу работает тепловая кон- денсационная электростанция (КЭС), снабжающая потребителей только электрической энергией. Тепловые конденсационные электростанции имеют невысокий КПД (30...40 %), так как большая часть энергии теряется с отхо- дящими топочными газами и охлаждающей водой конденсатора. Сооружать КЭС выгодно в непосредственной близости от мест добычи топлива. При этом потребители электроэнергии могут на- ходиться на значительном расстоянии от станции. Снабжение потребителей не только электрической, но и тепло- вой энергией осуществляется тепловой электростанцией (рис. 1.1, б), называемой теплоэлектроцентралью (ТЭЦ). В ней происходит опи- санный выше цикл преобразования тепловой энергии в механи- ческую, а затем и в электрическую, но значительная часть тепло- вой энергии в этом случае поступает в виде горячей воды и пара потребителям, расположенным в непосредственной близости от электростанции. Коэффициент полезного действия ТЭЦ достигает 60... 70 %. Та- кие станции строят обычно вблизи потребителей — промышлен- ных предприятий или жилых массивов. Чаще всего они работают на привозном топливе. Рассмотренные тепловые электростанции по виду основного теплового агрегата (паротурбинной установки — ПТУ) относятся к паротурбинным станциям. Значительно меньшее распростране- ние получили тепловые станции с газотурбинными (ГТУ), паро- газовыми (ПГУ) и дизельными (ДУ) установками. Атомная электростанция (АЭС) по своей сущности является тепловой электростанцией, отличаясь от последней лишь тем, что на ней вместо котельного агрегата используется атомный реактор с теплообменником и для получения пара используется тепло, по- лучаемое в процессе деления ядер атомов урана или плутония. АЭС 8
получают широкое распространение в России, поскольку их можно сооружать в районах, отдаленных от источников природного топ- лива или не располагающих гидроэнергетическими ресурсами. Од- ним из основных преимуществ АЭС является малый расход потреб- ляемого топлива, а следовательно, и резкое снижение затрат на его перевозку. Первая в мире атомная электростанция, преобразующая энер- гию расщепления ядер атомов тяжелых элементов в электричес- кую, была построена в 1954 г. в Советском Союзе в городе Обнинск. Основным тепловым агрегатом АЭС, как и ТЭС, является паро- турбинная установка. Водяной пар также служит средой, преобра- зующей тепловую энергию в механическую. Принципиальное от- личие АЭС от ТЭС состоит в том, что теплота, необходимая для выработки пара, получается не при сгорании топлива, а при рас- щеплении ядер тяжелых элементов в ядерных реакторах. Такими элементами являются природный изотоп урана-235 или получае- мые искусственным путем изотопы урана-233 и плутония-239. Из 1 кг урана можно получить столько же теплоты, сколько и при сжигании примерно 3000 т каменного угля. За годы, прошедшие со времени пуска в эксплуатацию пер- вой АЭС, было создано несколько конструкций ядерных реакто- ров, на основе которых началось широкое развитие атомной энергетики в нашей стране. Атомные электростанции классифи- цируются по типу реактора и числу контуров, по которым выде- ляющаяся теплота может передаваться рабочему телу (пару) па- ровой турбины. Тепловая схема АЭС может быть двух- и трехкон- турной (рис. 1.2). В трехконтурной схеме в первом контуре нагретый Рис. 1.2. Тепловые схемы атомных двухконтурной (а) и трехконтурной (б) электростанций: 7 — реактор; 2 — турбина; 3 — генератор; 4 — конденсатор; 5 — циркуляцион- ный насос; 6 — парогенератор; 7, 9 — топливный насос; 8 — теплообменник 9
в реакторе 1 радиоактивный теплоноситель поступает в пароге- нератор 6, где отдает теплоту рабочему телу (пару), и с помощью циркуляционного насоса 5 возвращается в реактор. Во втором кон- туре пар через промежуточный теплообменник 8 и турбину 2 вра- щает генератор 3, а затем через конденсатор 4 с помощью насоса 9 возвращается в теплообменник (третий контур). Таким образом, в трехконтурной АЭС контуры первичного теплоносителя, которым могут быть вода и пароводяная смесь, и рабочего тела (пара) раз- делены. В этой схеме радиоактивный контур включает в себя не все оборудование, а лишь его часть, что упрощает эксплуатацию. Обеспечение радиационной безопасности персонала и населе- ния, являющееся важнейшей задачей при эксплуатации атомной электростанции, достигается созданием специальных конструкций и устройств защиты, очисткой воды и воздуха, извлечением и на- дежной локализацией радиоактивных загрязнений. Гидроэлектростанции (ГЭС) сооружают на реках, используя на- пор потока воды, искусственно создаваемый за счет разности ее уровней с двух сторон плотины (рис. 1.3). Вода, подаваемая под определенным напором в гидротурбину, вращает ее рабочее колесо (ротор) и соединенный с ним ротор Верхний уровень воды Нижний уровень воды Рис. 1.3. Схематичный разрез гидротехнических сооружений и зданий гидроэлектростанции: 7 — кран для подъема водозапорных щитов; 2 — плотина; 3 — генератор; 4 — повышающий трансформатор; 5 — отсасывающая труба; 6 — спиральная камера; 7 — рабочее колесо гидротурбины; 8 — водозапорный щит 10
электрического генератора. При этом энергия потока воды преоб- разуется генератором в электрическую энергию. Разновидностью ГЭС являются гидроаккумулирующие электро- станции (ГАЭС), предназначенные для покрытия «пиковых» на- грузок и заполнения «провалов» в графиках потребления электро- энергии. Работа ГАЭС заключается в смене двух разделенных во времени режимов: накопления энергии и отдачи ее потребителям. Такие станции оснащают обратимыми агрегатами, которые могут работать в режимах и двигателя, и генератора. Гидроэлектростанции по сравнению с тепловыми электростан- циями имеют более высокий коэффициент полезного действия, требуют меньших эксплуатационных затрат и позволяют получать электроэнергию, стоимость каждого киловатт-часа которой в не- сколько раз ниже. Однако в нашей стране строятся преимущественно тепловые электростанции, что объясняется: наличием больших запасов низкокалорийного топлива, пригод- ного к использованию только на электростанциях; возможностью быстрого сооружения тепловых электростанций из типовых строительных конструкций; необходимостью меньших капиталовложений. Вопросы для самоконтроля I. 1. Что представляет собой тепловая электростанция? 2. Что представляет собой гидроэлектростанция? 3. Что представляет собой атомная электростанция? П. 1. В чем отличие тепловой электростанции от тепловой электро- централи? 2. Какие разновидности тепловых станций вы знаете? 3. Как обеспечивается безопасность на атомной электростанции? 4. Назовите основные преимущества гидроэлектростанций по срав- нению с тепловыми. III. I. Поясните работу тепловой электростанции. 2 Поясните работу гидроэлектростанции. 3. Поясните работу атомной электростанции. 4. Какие электростанции имеются в вашем городе? 1.3. Организация электроснабжения В нашей стране снабжение потребителей электроэнергией осу- ществляется преимущественно от электрических сетей, объединя- ющих несколько электростанций. Необходимость такого объеди- нения вызвана тем, что электрические станции, находящиеся даже на территории одной области, работают с неодинаковой нагруз- кой, т. е. одни электростанции могут быть перегружены, а в то же 11
время другие могут работать в основном с недогрузкой. Разница в степени загрузки электростанций становится более ощутимой при значительном отдалении районов потребления электроэнергии друг от друга в направлении с востока на запад, что объясняется раз- новременностью утренних и вечерних максимумов нагрузки. Чтобы обеспечить надежность электроснабжения потребителей и возможно полнее использовать мощности электростанций, ра- ботающих в разных режимах, их объединяют в электроэнергети- ческие системы. Представление о системе производства, передачи и распреде- ления электрической энергии дает схема электроснабжения потре- бителей, приведенная на рис. 1.4. Электрическая энергия, выраба- тываемая на электрической станции генераторами, передается при напряжении более высоком, чем генераторное, по линии элект- ропередачи высокого напряжения на подстанцию промышленно- го предприятия. Для изменения напряжения в системе применяют- ся трансформаторы. Со сборных шин подстанции электроэнергия распределяется по различным электроприемникам: электродвига- телям, источникам света, нагревательным приборам и т.д. Производство электрической энергии и ее потребление — про- цессы непрерывные и единые во времени. Электрическую энер- гию нельзя накапливать в больших количествах, не передавая по- требителям, т. е. в каждый момент времени ее выработка должна лэп Рис. 1.4. Схема электроснабжения потребителей: ЭС — электрическая станция; Г — генератор; ЛЭП — линия электропередачи, Тр — трансформатор; ПС — подстанция; М — электродвигатель; Л — источник света; Е — нагрева- тельный прибор 12
соответствовать потреблению. Отдельные электростанции не мо- гут обеспечить бесперебойную подачу электроэнергии потребите- лям, поэтому по мере развития энергетики их объединяют в сис- темы, в которых они работают параллельно на общую нагрузку. Объединение электростанций в электроэнергетические систе- мы имеет большое значение для обеспечения согласованной ра- боты станций различных типов, особенно тепловых и гидростан- ций. Мощность гидроагрегатов ГЭС в период паводка и в зимнее время различна, поэтому весной основную нагрузку в энергосис- теме несут гидростанции, на тепловых же станциях в это время часть агрегатов основного назначения останавливают, что обес- печивает экономию топлива и проведение плановых ремонтных работ. В зимнее время роли тепловых и гидростанций меняются. Таким образом, появляется возможность создания экономически выгодных режимов работы разных типов электростанций. Создание энергосистем повышает надежность энергоснабжения и улучшает качество электроэнергии, обеспечивает постоянство напряжения и частоты вырабатываемого тока, поскольку колеба- ния потребления воспринимаются одновременно многими элект- рическими станциями. Энергетическая система (энергосистема) представляет собой со- вокупность электростанций, линий электропередачи, подстанций и тепловых сетей, связанных в одно целое общностью режима и непрерывностью процессов производства и распределения элект- рической и тепловой энергии. Электрическая система является частью энергосистемы и состо- ит из генераторов, распределительных устройств, электрических сетей (подстанций и линий электропередачи различных напряже- ний) и электроприемников. В состав энергосистем (электросистем) входят также производ- ственные предприятия и мастерские, лаборатории и подъемно- транспортные средства, необходимые для выполнения работ, свя- занных с эксплуатацией всех элементов этих систем. Эксплуатация энергосистемы осуществляется инженерами, тех- никами, мастерами и рабочими соответствующих квалификаций. Оперативное управление энергосистемой (электросистемой) обес- печивают диспетчеры, обслуживают оборудование электростанций и подстанций — дежурным персонал, а линии электропередачи — линейный персонал. Энергетические системы отдельных районов, соединенные меж- ду собой линиями электропередачи, образуют объединенные энер- госистемы (например, Уральскую, Сибирскую, Центральную, Севе- ро-западную и др.). Объединением ряда энергосистем (Уральской, Южной, Центральной и др.) была создана Единая Европейская энергосистема России. 13
1.4. Основные сведения об установках, передающих, распределяющих и потребляющих электроэнергию Вырабатываемая электрическая энергия поступает к месту по- требления через систему взаимосвязанных передающих, распре- деляющих и преобразующих электроустановок. Передача электро- энергии осуществляется по воздушным линиям электропередачи с напряжением от нескольких сот до сотен тысяч вольт. Электри- ческая энергия передается по системным воздушным сетям с на- пряжениями 35, ПО, 150, 220 кВ и выше по шкале номинальных напряжений, установленной ГОСТом. Распределение электроэнер- гии осуществляется при помощи центра питания (ЦП), распреде- лительных пунктов (РП) и распределительных линий (РЛ). Центром питания называются распределительные устройства (РУ) генераторного напряжения электростанции или вторичного напряжения понижающей подстанции энергосистемы с регулято- ром напряжения, к которому подсоединены распределительные сети данного района. Распределительным пунктом называется подстанция промыш- ленного предприятия или городской электрической сети, предназ- наченная для приема и распределения электроэнергии с одним на- пряжением без ее преобразования. Распределительной линией называется линия, питающая ряд трансформаторных подстанций от ЦП или РП или вводы к элек- троустановкам потребителей. Подстанцией называется электрическая установка, служащая для преобразования и распределения электроэнергии и состоящая из Трансформаторов или других преобразователей электроэнергии, распределительных устройств напряжением до 1000 В и выше, ак- кумуляторных батарей, аппаратов управления и вспомогательных сооружений. Электроснабжение промышленных, городских и сельских по- требителей электроэнергией осуществляется от трансформаторных подстанций, основным элементом которых является трансформа- тор, преобразующий (трансформирующий) электроэнергию од- ного напряжения в электрическую энергию другого (более высо- кого или более низкого напряжения). Принципиальная схема пере- дачи и распределения электрической энергии показана на рис. 1.5. Электрическая энергия, вырабатываемая генераторами с номи- нальным напряжением 10... 15 кВ, поступает в трансформаторы электростанции А, где ее напряжение повышается до 220 кВ, пос- ле чего она подается на сборные шины открытой подстанции этой электростанции, а затем при помощи ЛЭП 220 кВ передается на шины 220 кВ понижающей подстанции, связанной также ЛЭП 220 кВ с электростанцией Б. 14
35 кВ ЛЭП 220 кВ Электростанция А ЛЭП 220 кВ Рис. 1.5. Принципиальная схема передачи и распре- деления электроэнергии: Г1, Г2 — генераторы; ПС, ПС1, ПС2, ПСЗ — подстанции;. РП — распределительный пункт На понижающей подстанции напряжение электрической энер- гии с 220 кВ понижается трансформаторами до 10 (или 6) кВ и с этим напряжением она подается к распределительному пункту, а от него к подстанциям ПС1, ПС2, ПСЗ с силовыми трансформа- торами, понижающими в свою очередь напряжение до 380 (или 220) В, т.е. до значений, с которыми электроэнергия поступает потребителям. Электрическая энергия используется: в электродвигателях на дви- гательные цели; в лампах накаливания и люминесцентных лампах для освещения; в электрических печах, гальванических ваннах и различных аппаратах для обеспечения технологических процессов; в электросварочных агрегатах для сварки металлов и для других целей. 15
При потреблении электрической энергии происходит процесс се обратного преобразования: в электродвигателях электроэнергия преобразуется в механическую; в лампах накаливания — сначала в 1 силовую, а затем в энергию светового потока; в электронагрева- тельных печах — в тепловую и т.д. Эти преобразования также со- провождаются потерями, преимущественно в виде тепла, излуча- емого в окружающую среду. Производство, передача и потребление электрической энергии осуществляются при определенных напряжениях, установленных ГОСТами. Для электродвигателей и различных электрических ап- паратов номинальными являются напряжения, на которые рассчи- тана их изоляция и при которых обеспечивается их нормальная ра- бота, гарантированная заводом-изготовителем. Номинальное на- пряжение электрооборудования обязательно указывается в его паспорте (для электродвигателей, аппаратов) или клейме (для реле, приборов и др.). Подсоединение приборов и аппаратов к пи- тающей сети с напряжением, соответствующим их номинальным напряжениям, является обязательным требованием, гарантирую- щим сохранность изоляции и нормальную длительность работы этого электрооборудования. Номинальное напряжение определяет нормальную работу элек- трической аппаратуры. Так, на баллоне или цоколе лампы нака- ливания указано, что она рассчитана на напряжение 220 В. Это означает, что если ее подключить к сети с напряжением 220 В, она будет создавать нормальный для нее световой поток и рабо- тать длительное время, гарантированное заводом-изготовителем. Если напряжение сети будет меньше номинального напряжения лампы, то срок ее службы несколько увеличится, но световой поток резко сократится, и наоборот, при увеличении напряжения сети сверх номинального лампа будет давать больше света, но при этом срок ее службы станет во много раз меньше. На работу электро- двигателей питающее напряжение влияет следующим образом. При повышении напряжения сверх номинального обмотки двигателя чрезмерно нагреваются, создается опасность повреждения изоля- ции. Если же электродвигатель работает при пониженном напря- жении, то значительно уменьшается его номинальная мощность, что в итоге также приводит к перегреву обмоток. С точки зрения электроснабжения современный промышленный город с многотысячным населением представляет собой огромное число электроприемников. Здесь и станки на промышленных пред- приятиях, и городской электротранспорт, и освещение улиц, до- мов, учебных, торговых, культурных учреждений и т.д. Перерыв в подаче электроэнергии нежелателен для любого потребителя, но если для одних потребителей перерыв в электроснабжении еще до- пустим на непродолжительное время, то для других он должен быть 16
вообще исключен. Например, кратковременный перерыв в подаче электроэнергии на такие объекты, как промышленные предприя- тия с автоматическими линиями, металлургические заводы, шах- ты, химические комбинаты, причиняет большой экономический ущерб, может вызвать массовый брак продукции, выход из строя оборудования и даже создать опасность для здоровья и жизни лю- дей. А отключение электроэнергии в жилом доме создает только оп- ределенные неудобства для его жильцов. По степени требуемой надежности электроснабжения все по- требители электрической энергии подразделяются на три катего- рии, определяющие необходимое число источников электроэнер- гии и схему электроснабжения. К первой категории относятся потребители, перерыв электро- снабжения которых может повлечь за собой опасность для жизни людей, значительный ущерб народному хозяйству, повреждение дорогостоящего основного оборудования, массовый брак продук- ции, нарушение функционирования особо важных элементов ком- мунального хозяйства. Эти потребители должны получать элект- роэнергию не менее чем от двух независимых и взаимно резерви- руемых источников питания. Вторую категорию потребителей образуют электроприемники, перерыв электроснабжения которых приводит к недовыпуску про- дукции, массовым простоям рабочих, механизмов и промыш- ленного транспорта, нарушению нормальной деятельности зна- чительного количества населения. Эти потребители могут обес- печиваться электроэнергией от двух независимых источников. При нарушении электроснабжения от одного из них, допустим пере- рыв электроснабжения на время, необходимое для включения ре- зервного питания дежурным персоналом или выездной оператив- ной бригадой. Все остальные потребители электроэнергии относятся к тре- тьей категории. Электроснабжение этих потребителей допускает- ся от одного источника. Нормальная работа любого потребителя электроэнергии требует не только бесперебойного электроснабжения, но и обеспечения определенного качества электрической энергии, к показателям которого относятся: отклонения напряжения и частоты от задан- ных номинальных значений, колебания напряжения и частоты, не- синусоидальность формы кривой напряжения, несимметричность трехфазной системы напряжения. Под отклонением частоты тока понимают разность между факти- ческим значением его частоты и номинальным в интервале 10 мин. Это отклонение не должно превышать 0,1 Гц. Сверх того допускают- ся колебания частоты тока не более 0,2 Гц/с._ Для поддержания по- стоянной частоты тока используются включение при необходимос- ча 9G о 17
i и в работу дополнительных генераторов или разгрузка электросис- темы путем ограничения использования электроэнергии или отклю- чения от источника потребителей третьей группы. Допустимые отклонения напряжения для разных потребителей различны. Так, например, для ламп они составляют 2,5...5 % от номинального, для электродвигателей — 5... 10 %, а для остальных потребителей — 5 %. Для ограничения колебаний напряжения переключают ступе- ни напряжения силовых трансформаторов на подстанциях, вклю- чают на параллельную работу или отключают резервные трансфор- маторы, линии и генераторы электростанций. На производство, передачу и распределение электрической энергии затрачивается много топлива и различных технических средств, а также труд большого числа людей, занятых эксплуата- цией и ремонтом электрических сетей станций и подстанций, по- этому расходовать ее необходимо экономно. Существует много способов экономии электроэнергии. Так, на- пример, в промышленности это может обеспечиваться сокраще- нием холостого хода станков, нормальной загрузкой электродви- гателей, хорошим уходом за электрооборудованием (своевремен- ной заменой смазки в подшипниках, качественным ремонтом электродвигателей), правильностью технологических процессов и т.д. Значительной экономии электроэнергии при освещении можно достигнуть за счет правильного выбора конструкций све- тильников и мощности устанавливаемых ламп, своевременной очи- стки арматуры и ламп от копоти и пыли. Практически каждый потребитель имеет свои возможности и резервы экономии элек- троэнергии, которые должны быть выявлены и использованы в ин- тересах самого потребителя и народного хозяйства. Классификация помещений по условиям окружающей среды Основные принципы организации и требования к производству монтажа электротехнических установок регламентируются Прави- лами устройства электроустановок (ПУЭ) и Строительными нор- мами и правилами (СНиП), а также монтажными инструкциями, технологическими правилами и инструкциями заводов-изготови- телей. В ПУЭ перечислены требования к электрическим сетям и эле- ментам электроснабжения; указаны правила выбора проводников по нагреву и экономической плотности тока, а также электричес- ких приборов и аппаратов по условиям короткого замыкания; при- ведены общие требования и указания по устройству электротех- нических установок, руководящие положения по обеспечению безопасности при монтаже и эксплуатации электротехнических ус- 18
тройств, объем и нормы приемо-сдаточных испытаний электро- установок. В СНиП приведены нормы и основные технологические пара- метры и правила монтажа всех видов электротехнических устройств; определены общие требования по организации работ, требования к проектной и технической документации, а также к зданиям и сооружениям, принимаемым под монтаж электрооборудования; рассмотрены другие вопросы организационно-технической под- готовки монтажных работ. Кроме того, указаны требования к по- ставке оборудования, порядок и условия его приемки, хранения и сдачи для монтажа. Нормальная работа электроустановок зависит от различных фак- торов окружающей среды. На электрические сети и электрообору- дование влияют температура окружающей среды и резкие ее из- менения, влажность, пыль, пары, газ, солнечная радиация. Эти факторы могут изменять срок службы электрооборудования и ка- белей, ухудшать условия их работы, вызывать аварийность, повреж- дения и даже разрушение всей установки. Особенно зависят от ус- ловий окружающей среды электрические свойства изоляционных материалов, без которых не обходится ни одно электрическое ус- тройство. Эти материалы под влиянием климата и даже измене- ния погоды могут быстро и существенно менять, а при критичес- ких обстоятельствах терять свои электроизоляционные свойства. Влияние неблагоприятных факторов окружающей среды на элек- трооборудование необходимо учитывать при проектировании, мон- таже и эксплуатации электроустановок. Требования по защите элек- трооборудования и кабельных изделий от воздействия неблагоп- риятных факторов в процессе хранения, монтажа и эксплуатации изложены в ПУЭ и СНиП. В зависимости от характера окружающей среды и требований по защите электроустановок от ее воздействия в ПУЭ различают внутренние помещения и наружные установки. В свою очередь, внутренние помещения делятся на сухие, влажные, сырые, особо сырые, жаркие, пыльные, с химически активной средой, пожа- роопасные и взрывоопасные, а наружные (или открытые) уста- новки — на нормальные, пожароопасные и взрывоопасные. Элек- троустановки, защищенные только навесами, относят к наружным. Сухими считают помещения, в которых относительная влажность воздуха не превышает 60 %. Если в таких помещениях температура не превышает 30 °C, нет технологической пыли, активной хими- ческой среды, пожаро- и взрывоопасных веществ, то их называют помещениями с нормальной средой. Влажные помещения характе- ризуются относительной влажностью воздуха 60...75 % и наличи- ем паров или конденсирующейся влаги, выделяющихся временно и в небольших количествах. Большая часть электрооборудования 19
рассчитана на работу при относительной влажности, не превыша- ющей 75 %, поэтому в сухих и влажных помещениях используют электрооборудование в нормальном исполнении. К влажным по- мещениям относят насосные станции, производственные цеха, где относительная влажность поддерживается в пределах 60...75 %, отапливаемые подвалы, кухни в квартирах и т. п. В сырых помещениях относительная влажность длительно пре- вышает 75 % (например, некоторые цеха металлопроката, цемен- тных заводов, очистных сооружений и т.п.). Если относительная влажность воздуха в помещениях близка к 100 %, т. е. потолок, пол, стены, предметы в них покрыты влагой, то эти помещения отно- сят к особо сырым. На отдельных производствах металлургической и других отрас- лей промышленности (например, в литейных, термических, про- катных и доменных цехах) температура воздуха длительное время превышает 30 °C. Такие помещения называют жаркими. Одновре- менно они могут быть влажными или пыльными. Пыльными считают помещения, в которых по условиям произ- водства образуется технологическая пыль в таком количестве, что она оседает на проводах, проникает внутрь машин, аппаратов и т.д. Различают пыльные помещения с токопроводящей и нетокоп- роводящей пылью. Пыль, не проводящая ток, не ухудшает каче- ство изоляции, однако благоприятствует увлажнению ее и токо- ведущих частей электрооборудования вследствие своей гигроско- пичности. В помещениях с химически активной средой по условиям произ- водства постоянно или длительно содержатся пары или образуют- ся отложения, разрушающие изоляцию и токоведущие части элек- трооборудования. Пожароопасными называют помещения, в которых применяют или хранят горючие вещества. По степени пожароопасности их под- разделяют на три класса: П-I, П-П, П-Па. К первому классу от- носятся помещения, в которых используют или хранят пожароо- пасные жидкости, ко второму классу — помещения, по условиям производства в которых выделяется взвешенная горючая пыль, не образующая взрывоопасных концентраций, а к последнему клас- су — помещения, где хранятся и используются твердые или во- локнистые горючие вещества, не образующие взвешенных в воз- духе смесей. Взрывоопасными называют помещения, в которых по условиям производства могут образоваться взрывоопасные смеси горючих газов или паров с воздухом, кислородом или другими газами — окислителями горючих веществ, а также смеси горючих пылей или волокон с воздухом при переходе их во взвешенное состояние. 20
Взрывоопасные установки по степени опасности использова- ния электрооборудования разделяют на шесть классов: В-I, В-1а, В-16, В-1г, В-П и В-Па. В установках класса В-I по условиям про- изводства может происходить недлительное образование взрыво- опасных смесей горючих газов или паров с воздухом либо другим окислителем при нормальных технологических режимах. К классу В-1а относят установки, в которых взрывоопасные смеси паров и газов могут образоваться только при авариях или неисправностях технологического оборудования. Для установок класса В-16 харак- терно лишь местное образование взрывоопасных концентраций па- ров и газов в воздухе в незначительных объемах при надежно дей- ствующей вентиляции. Наружные установки, образующие опасные взрывные концентрации горючих газов или паров, относят к классу В-1г. В установках класса В-П могут создаваться взрывоопасные кон- центрации взвешенных горючих пылей при нормальной работе тех- нологического оборудования, а в установках класса В-Ila — лишь при авариях или неисправностях. Наружные установки, в которых перерабатывают или хранят го- рючие жидкости либо твердые горючие вещества (открытые скла- ды минеральных масел, угля, торфа, дерева и т.п.), относятся к пожароопасным класса П-Ш. Помещения классифицируют по наиболее высокому классу взрывоопасности расположенных в них установок. Агрессивная, сы- рая, пыльная и подобные им среды не только ухудшают условия работы электрооборудования, но и повышают опасность электро- установок для обслуживающих их людей. Поэтому в ПУЭ помеще- ния в зависимости от возможности поражения людей электричес- ким током подразделяют на три группы: с повышенной опаснос- тью, особо опасные и без повышенной опасности. Большинство производственных помещений относятся к поме- щениям с повышенной опасностью, т. е. для них характерны нали- чие сырости (относительная влажность длительное время превышает 75 %) или проводящей пыли, токопроводящих полов (металличес- ких, земляных, железобетонных, кирпичных), высокой темпера- туры (длительное время превышающей 30 °C), а также возможнос- ти одновременного прикосновения человека к соединенным с зем- лей металлоконструкциям зданий, технологическим аппаратам, механизмам, с одной стороны, и к металлическим корпусам элек- трооборудования — с другой. Для особо опасных помещений характерны особая сырость или наличие химически активной среды либо двух и более условий по- вышенной опасности. Если в помещениях отсутствуют условия, создающие повышен- ную или особую опасность, их называют помещениями без повы- шенной опасности. 21
В зависимости от вида технологической деятельности в поме- щениях различных категорий и возможности поражения людей электрическим током в ПУЭ определяются характер исполнения электрооборудования, применяемого для данной среды, виды и способы выполнения электрических сетей. Вопросы для самоконтроля I. 1.Что представляет собой энергосистема? 2. Дайте определение центру питания, распределительному пункту, распределительной линии, распределительной подстанции. II. 1. Назовите основные свойства электроэнергии. 2. Что является основным элементом подстанции? 3. Какие вам известны категории потребителей электроэнергии? 4. Что понимают под качеством электроэнергии? III. 1. Поясните схему передачи и распределения электроэнергии. 2. В каких устройствах происходит обратное преобразование энергии? 3. Какое напряжение для электродвигателей считается номинальным? 4. С каким напряжением осуществляется питание электроприемников? 5. Как увеличить срок службы лампы накаливания? 6. Как влияет напряжение питания на работу электродвигателя?
Глава 2. ОБЩИЕ СВЕДЕНИЯ О ЗДАНИЯХ, СООРУЖЕНИЯХ И ОБЩЕСТРОИТЕЛЬНЫХ РАБОТАХ 2.1. Понятие о строительных нормах и правилах В развитии народного хозяйства России огромную роль играет капитальное строительство, т.е. сооружение заводов, фабрик, электростанций, шахт, больниц, школ, дорог, жилых домов и других объектов. Все требования, правила и нормы, связанные с производством строительных работ, сведены в сборник «Строи- тельные нормы и правила» (СНиП), выполнение которых обяза- тельно для всех строительных, проектных и монтажных органи- заций, а также предприятий выпускающих строительные мате- риалы. СНиП — это сборник нормативных документов Госстроя Рос- сии, который устанавливает порядок разработки новых и пере- смотра действующих документов, представления этих докумен- тов на утверждение, введения их в действие и издания, прави- ла регистрации и хранения информации, а также основные требования при проектировании и строительстве, правила про- изводства и приемки работ, организации строительства и раз- работки сметных норм. Требования СНиП обязательны для всех ведомств. Классификатор, разделяющий СНиП на шесть частей, каж- дая из которых состоит из групп, предназначен для определения состава и соответствующего обозначения (шифра) строительных норм и правил. Шифр включает в себя обозначение СНиП, но- мер части (одна цифра), номер группы (две цифры) и номер до- кумента (две цифры), разделенные точками, и год утверждения документа, отделенный тире. Например, СНиП 2.03.05—82. Номера документам присваиваются при регистрации сквозные в пределах каждой группы или в соответствии с разработанными для данной группы документами. Разделение СНиП на части и группы Часть I. Организация, управление, экономика. 1. Система нормативных документов в строительстве. 2. Организация, методология и экономика проектирования и инженерных изысканий. 3. Организация строительства. Управление строительством. 23
4. Нормы продолжительности проектирования и строительства. 5. Экономика строительства. 6. Положения об организациях и должностных лицах. Часть П. Нормы проектирования. 1. Общие нормы проектирования. 2. Основания и фундаменты. 3. Строительные конструкции. 4. Инженерное оборудование зданий и сооружении. Внешние сети. 5. Сооружения транспорта. 6. Гидротехнические и энергетические сооружения, мелиора- тивные системы и сооружения. 7. Планировка и застройка населенных пунктов. 8. Жилые и общественные здания. 9. Промышленные предприятия, производственные здания и сооружения, вспомогательные здания. Инвентарные здания. 10. Сельскохозяйственные предприятия, здания и сооружения. 11. Склады. 12. Нормы отвода земель. Часть III. Организация, производство и приемка работ. 1. Общие правила строительного производства. 2. Основания и фундаменты. 3. Строительные конструкции. 4. Защитные, изоляционные и отделочные покрытия. 5. Инженерное и технологическое оборудование и сети. 6. Сооружения транспорта. 7. Гидротехнические и энергетические сооружения, мелиора- тивные системы и сооружения. 8. Механизация строительного производства. 9. Производство строительных конструкций, изделий и мате- риалов. Часть IV. Сметные нормы. 1. Состав и обозначение сметных норм и правил, установлен- ных Госстроем России. Часть V. Нормы затрат материальных и трудовых ресурсов. 1. Нормы расхода материалов. 2. Нормы потребности в строительном инвентаре, инструмен- те и механизмах. 3. Нормирование и оплата проектно-изыскательских работ. 4. Нормирование и оплата труда в строительстве. Часть VI. Эксплуатация и ремонт зданий, сооружений и конст- рукций. 1. Общие нормативные документы. 2. Здания, сооружения и конструкции. 3. Коммуникации. 24
Ведомственные нормативные документы Кроме сборника СНиП в строительстве действуют ведомствен- ные нормативные документы. Они устанавливают требования к про- ектированию, инженерным изысканиям, строительству, производ- ству строительных конструкции, изделий и материалов, а также к эксплуатации зданий, сооружений и конструкций с учетом спе- цифики отрасли народного хозяйства, относящейся к данному министерству (ведомству). Ведомственные нормативные документы утверждают министер- ства и ведомства России в соответствии с предоставленными им правами и эти документы обязательны для всех организаций, уч- реждений и предприятий, входящих в министерство (ведомство), утвердившее эти документы. Для организаций, учреждений и пред- приятий других ведомств эти документы могут быть обязательны- ми при условии их утверждения или введения в действие соответ- ствующими министерствами (ведомствами). Ведомственные нор- мативные документы обязательны также для всех организаций, учреждений и предприятий, осуществляющих проектирование и строительство предприятий, зданий и сооружений для отрасли на- родного хозяйства, руководимой данным министерством (ведом- ством). Ведомственные нормативные документы не должны противо- речить основным нормативным документам или дублировать их. К ведомственным нормативным документам относятся ведомствен- ные (отраслевые) строительные нормы (ВСН), ведомственные нормы технологического проектирования (ВНТП), а также отдель- ные сметные нормативы. Ведомственные строительные нормы устанавливают требования к проектированию, инженерным изысканиям и строительству, а также к эксплуатации зданий, сооружений и конструкций с уче- том специфических условий. Эти строительные нормы утверждают соответствующие министерства в рамках предоставленных им прав. 2.2. Классификация и основные части зданий и сооружений Объекты, возводимые для удовлетворения материальных и куль- турных потребностей общества, называются сооружениями. По гео- метрическому признаку все они делятся: на объемные (здания всех видов и назначений), площадочные (спортплощадки, складские территории) и линейные (дороги, воздушные линии электропе- редачи, наружные трубопроводы). Сооружения, расположенные выше планировочной отметки территории, называются надземными (эстакады, путепроводы, башни), ниже планировочной отметки — подземными (подвалы, кабельные линии) и глубинными (колодцы, скважины). 25
Значительную часть сооружений составляют здания, которые, как правило, характеризуются наличием помещений, необходи- мых для деятельности человека. По назначению здания подразде- ляются на жилые, общественные, производственные, сельскохо- зяйственные и складские. К общественным зданиям относятся детские учреждения, учебные, торговые, медицинские, культур- ные, спортивные заведения и др. СНиП предусматривает также классификацию зданий и со- оружений в зависимости от числа этажей: промышленные зда- ния подразделяются на одноэтажные и многоэтажные, граждан- ские — на одноэтажные, малоэтажные (2 или 3 этажа), много- этажные (до 10 этажей) и высотные (более 10 этажей). По роду материала наружных стен различают каменные здания (из естественного или искусственного камня), деревянные и сме- шанные. По виду несущего остова различают здания с несущими наруж- ными и внутренними стенами, каркасные и комбинированные (например, коробчатое с несущими наружными стенами и внут- ренним каркасом). По огнестойкости все здания и сооружения подразделяются на пять степеней, определяемых группой возгораемости используе- мых материалов и пределом огнестойкости основных строитель- ных конструкций. В частности, несгораемые конструкции выпол- няются из кирпича и бетона, трудносгораемые — из трудносгора- емых материалов, а также из сгораемых материалов, защищенных несгораемой облицовкой (например, деревянные оштукатуренные стены). Сгораемыми называются конструкции, изготовленные из сгораемых материалов и не защищенные от огня или высоких тем- ператур. Любое здание или сооружение состоит из конструктивных эле- ментов, выполняющих определенные функции. Основными из них являются фундамент, стены, опоры, перекрытия, крыша, пере- городки, лестницы, окна, фонари и двери. Фундамент — это подземная конструкция, воспринимающая на- грузки от здания и передающая их основанию, т.е. грунту. Плос- кость, которой фундамент опирается на грунт, называется подош- вой, а расстояние от подошвы до поверхности земли — глубиной заложения фундамента. Стены отделяют помещения от внешнего пространства (наруж- ные) или от соседних помещений (внутренние). Они могут быть несущими, воспринимающими кроме собственного веса нагрузку от перекрытий и крыши и передающими ее фундаменту; самоне- сущими, воспринимающими собственный вес и нагрузку от ветра и передающими эту нагрузку на фундамент; ненесущими, опираю- щимися на каркас и воспринимающими собственный вес в пре- 26
делах одного этажа. Огнестойкая и, как правило, глухая стена на- зывается брандмауэром. Опорами называются столбы или колонны, которые поддержи- вают перекрытия и крышу (а иногда и стены) и передают нагруз- ки от них на фундамент. Перекрытиями называются конструкции, разделяющие здание по высоте. Они принимают и передают на стены или опоры при- ходящиеся на них нагрузки и, кроме того, обеспечивают простран- ственную жесткость здания. В зависимости от места установки пере- крытия могут быть подвальными, междуэтажными и чердачными. Крыша служит верхним ограждением здания или сооружения, защищающим его от внешних атмосферных воздействий. Водоне- проницаемую оболочку крыши называют кровлей, а пространство между крышей и чердачным перекрытием — чердаком. В современ- ном строительстве чердачное перекрытие часто объединяют с кры- шей, и тогда такая конструкция носит название бесчердачного покрытия, или совмещенной крыши. Перегородки — это внутренние стены, разделяющие этаж на отдельные помещения. Так же, как и стены, они могут быть не- сущими и ненесущими в зависимости от характера воспринима- емой нагрузки. Лестницы служат для сообщения между этажами и, как прави- ло, располагаются в помещениях, огражденных стенами — лест- ничных клетках. Окна предназначены для естественного освещения помещений и их проветривания. Если для освещения и проветривания поме- щения (картинной галереи или цеха с пыльным производством) окон недостаточно, в перекрытиях устраивают фонари — большие проемы с остекленными подвижными рамами. Двери служат для сообщения между помещениями (внутренние) пли между помещениями и наружным пространством (наружные). В промышленных, складских и других зданиях для доставки обо- рудования и материалов предназначены ворота. В состав здания могут также входить и другие элементы — крыль- цо, балкон и т.д. При проектировании зданий и сооружений предусматривают искусственное освещение и различные санитарно-технические ус- тройства для обеспечения отопления, вентиляции, кондициони- рования воздуха, газоснабжения, горячего и холодного водоснаб- жения, канализации и др.). Вопросы для самоконтроля I. 1. Дайте определения здания и сооружения. 2. Назовите основные части здания и сооружения. II. 1. Как подразделяются сооружения по геометрическому признаку? 27
2. Какие типы зданий вы знаете? 3. Перечислите степени огнестойкости зданий и сооружений. 4. Дайте определения основных частей зданий и сооружений. П1. 1.Чем отличается здание от сооружения? 2. Что общего у здания и сооружения? 3. Какими могут быть стены, в чем их отличие? 2.3. Структура управления и организация строительно- монтажных работ В электромонтажный трест входят управления по производству электромонтажных и наладочных работ, управление производ- ственно-технологической комплектации и механизации, лабора- тория, учебный пункт и некоторые другие подразделения. Элект- ромонтажное управление включает в себя монтажные участки, непосредственно выполняющие работы на объектах строительства, участок подготовки производства, мастерские электромонтажных заготовок (МЭЗ), участок комплектации снабжения и транспорта. Непосредственное руководство электромонтажными работами на строительных объектах осуществляют начальник участка, про- рабы и мастера, причем у начальника участка, как правило, на- ходятся в подчинении не менее двух прорабов, а у прораба — не менее двух мастеров. Организационная структура строительно-монтажных предпри- ятий может отличаться от описанной, но в любом случае она долж- на представлять собой гибкую систему управления. Весь комплекс работ по возведению зданий можно разделить на пять этапов: подготовительные работы; нулевой цикл — все ра- боты по возведению подземных конструкций до нулевой отмет- ки, т. е. до уровня пола первого этажа (рытье котлована и тран- шей, возведение фундамента и подвального этажа, прокладка тру- бопроводов, гидроизоляция и др.); возведение надземной части — строительно-монтажные, санитарно-технические, электромонтаж- ные работы и монтаж оборудования; отделочные работы; благо- устройство территории (озеленение площадки, устройство дорог, тротуаров, наружного освещения и др.). Выполнение всех этих работ может осуществляться различны- ми методами. Последовательный метод заключается в том, что от- дельные здания или части большого здания (так называемые за- хватки) возводят последовательно, т. е. строительство на последу- ющей захватке начинают после полного завершения всех работ на предыдущей. При параллельном методе строительства здание или отдельные его части возводят одновременно. В этом случае значи- тельно сокращаются сроки строительства, но требуется одновре- менно большое число рабочих, соответствующих машин и меха- 28
низмов. Суть наиболее эффективного и широко применяемого поточного метода состоит в том, что технологический процесс возведения объекта разделяется на отдельные виды работ, причем продолжительность каждого из них должна быть одинакова. После выполнения определенного вида работ на одной захватке рабочие переходят на следующую захватку, а на предыдущей начинается следующий вид работ. В этом случае сокращается общая продол- жительность строительства и эффективнее используются рабочая сила, материальные ресурсы, машины и механизмы. Строительство, как правило, ведется по проекту организации строительства (ПОС), включающему в себя: сводный календар- ный план с выделением в нем очередности возведения основных объектов; сетевые графики производства работ; данные об объе- мах основных строительных, монтажных и специальных работ, не- обходимом числе и составе рабочих; строительный генеральный план с указанием положения вспомогательных зданий и сооруже- ний, дорог, складов, монтажных механизмов; пояснительную за- писку с обоснованием принятых методов производства работ и ос- новными технико-экономическими показателями. На основе созданного в проектном институте проекта органи- зации работ строительная или монтажная организация составляет проект производства электромонтажных работ (ППЭР), который является основным документом и должен содержать решение всех основных технических, технологических и организационных воп- росов подготовки и выполнения этих работ. Материалы ППЭР позволяют электромонтажникам, ознакомившись с проектной документацией, своевременно заказать материалы, приспособле- ния и инструмент, а также осуществлять контроль за поставками оборудования, организацией и выполнением работ. ППЭР быва- ют типовые, индивидуальные, а по составу — полные и сокращен- ные. Типовые ППЭР составляют для объектов, строительство ко- торых ведется по привязываемым типовым проектам или докумен- там повторного применения. Сокращенные ППЭР разрабатывают для объектов при технически несложном и небольшом объеме работ. Полный ППЭР разрабатывают для крупных комплексов строитель- ства, возводимых по индивидуальным проектам с применением новых технических решений. ППЭР должен быть минимальным по объему и конкретным по содержанию, в нем не должны повто- ряться материалы проектной документации. Исходными материалами для составления ППЭР служат рабо- чие чертежи, сметная документация и проект организации строи- тельства; данные о заказе и сроках поставки основного оборудо- вания и материалов заказчиком и генеральным подрядчиком; све- дения о наличии необходимых машин, механизмов и возможности их использования; действующие нормативные документы — ПУЭ, 29
( Hull, строительные нормы, технологические инструкции и до- kVMcxibi. а также руководящие материалы по технике безопас- ное) и. Как правило, ППЭР состоит из пяти частей. Первая часть содержит пояснительную записку, в которой приводятся общие сведения по объекту и его характеристика; крат- кое описание и принципиальную схему электроснабжения объек- та с учетом требований технологического процесса строящегося предприятия; таблицы технико-экономических и электротехни- ческих показателей — физических объемов, сметной стоимости, выработки, трудоемкости. В уменьшенном масштабе здесь поме- щают генплан с указанием объектов титульного списка и выде- лением электротехнических помещений и трасс канализации элек- троэнергии, а также приводят перечень изменений, внесенных в рабочие чертежи при разработке ППЭР. В таблице физических объе- мов содержатся сведения о трансформаторах, электродвигателях, комплектных устройствах, электрических щитах, шкафах и пуль- тах, а также сведения о требуемом числе подъемно-транспортных устройств и их грузоподъемности. Здесь же перечисляются мате- риалы и кабельно-проводниковая продукция, необходимые для монтажа сетей; для кабелей и проводов указываются типы, номи- нальные напряжения и их назначение. Отдельно перечисляются тре- буемые магистральные, распределительные и другие виды шиноп- роводов, шины и цветные металлы, трубы стальные и пластмас- совые. Приводятся данные о выпрямляющих устройствах, преобразовательных агрегатах и другом специализированном обо- рудовании. По электромонтажным объектам основные технико- экономические показатели рассчитываются раздельно для мастер- ских электромонтажных заготовок и монтажной зоны; приводится протокол разделения работ со смежными монтажными организа- циями. Материалы первой части определяют планировку, контроль и оперативное управление строительством. Вторая часть охватывает вопросы организации и технологии вы- полнения электромонтажных работ на строительной площадке и содержит исходные данные для составления графика производства этих работ; рекомендации по технологии монтажа; схему грузопо- токов; ведомость необходимых механизмов, приспособлений, спе- циальных инструментов и приборов; специальные указания по технике безопасности и промсанитарии, а также сведения о при- емо-сдаточной документации. Объект при этом разбивают на отдель- ные монтажные зоны (например, общее освещение, электроснаб- жение напряжением выше 1 кВ, магистральные шинопроводы на- пряжением до 1 кВ и др.). Третья часть состоит из лимитно-комплектовочных ведомос- тей на оборудование и материалы, электроконструкции, монтаж- 30
ные изделия, укрупненные узлы и блоки. При этом сводные спе- цификации проекта на электрооборудование уточняются по рабо- чим чертежам проекта и разбиваются по поставщикам (заказчик, генподрядчик, субподрядчик), если это не выполнено в проект- ной документации. Четвертая часть содержит задания мастерским электромонтаж- ных заготовок. В ней приводится ведомость необходимых изделий с указанием их числа, стоимости и сроков изготовления, а также калькуляции трудовых затрат на отдельные изделия и работы, со- ставляемые по чертежам и эскизам. Пятая часть состоит из калькуляций затрат труда и заработной платы для монтажной зоны. При наличии утвержденного ППЭР приступают к подготовке электромонтажных работ, которые начинают, как правило, с при- ема здания или сооружения под монтаж представителем электро- монтажной организации или будущим руководителем производ- ства работ при участии представителя организации, выполнившей строительные работы на данном объекте. При приеме под монтаж проверяют: состояние и соответствие проекту имеющихся в помещениях и на лестничных клетках каналов, борозд, ниш и отверстий, пред- назначенных для канализации электроэнергии; наличие законченных оштукатуренных поверхностей в помеще- ниях, где проектом предусмотрена открытая прокладка проводов или кабелей; возможность безопасного ведения электромонтажных работ од- новременно со строительными, сантехническими и другими ра- ботами или отдельно от них; наличие условий, обеспечивающих сохранность смонтирован- ного электрооборудования и его защиту от атмосферных воздей- ствий и возможных повреждений при строительных или отделоч- ных работах. Прием зданий или сооружений под монтаж оформляют соот- ветствующим актом. При готовности зданий и сооружений под монтаж представи- тели строительной и электромонтажной организаций составля- ют совмещенный график работ таким образом, чтобы выполне- ние электромонтажных работ по срокам почти совпадало со стро- ительными и лишь в отдельных случаях несколько отставало от последних. Совмещенные графики утверждаются руководителя- ми (главными инженерами) строительной и монтажной органи- заций. Обеспечение качества и современных темпов строительства не- возможно без индустриализации, комплексной механизации и ав- томатизации производственных процессов. 31
Одним из главных направлений современной организации элек- тромонтажного производства является его индустриализация — это такой способ ведения работ, при котором основные из них, наи- более массовые и трудоемкие, выполняются вне зоны монтажа на специализированных заводах и базах. Применение индустриальных методов монтажа (ИММ) позволяет в значительной мере устра- нить зависимость электромонтажных работ от выполнения обще- строительных и специальных работ. ИММ позволяют в процессе выполнения строительных работ прокладывать трубы в фундамен- тах, устраивать сквозные проходы и различные каналы для элек- трических коммуникаций, устанавливать закладные части и т.д. Одновременно с этим на заводах производится монтаж соответ- ствующего электрооборудования, комплектуются укрупненные блоки шинных конструкций и электропроводок, собираются си- ловые шкафы, распределительные устройства и др. Совмещение во времени строительных и электромонтажных ра- бот позволяет: сократить продолжительность электромонтажных работ; рационально, с высокой степенью загрузки использовать мон- тажные механизмы, инструменты и приспособления; выполнять трудоемкие монтажные работы в более приспособ- ленных для этого условиях на объекте монтажа; полнее использовать имеющиеся материальные ресурсы элект- ромонтажной организации и ее вспомогательных подразделений; добиться существенного снижения стоимости электромонтаж- ных работ. Основным способом индустриализации электромонтажного производства является изготовление на заводах крупноблочных комплектных устройств, использование которых позволяет достичь большого экономического эффекта. Так, например, монтаж на спе- циализированном заводе комплектного распределительного уст- ройства (КРУ) или комплектной трансформаторной подстанции (КТП) для электроснабжения цеха промышленного предприятия позволяет отказаться от строительства для них специальных поме- щений, а также от ревизии, наладки и испытаний электрообору- дования этих устройств. К месту монтажа доставляются специальным транспортом: комплектное устройство, которое при помощи соответствую- щего грузоподъемного механизма устанавливается в подготовлен- ном месте или на готовом фундаменте; крупные щиты и пульты управления со снятыми приборами, которые монтируют после установки и крепления щита на месте, чем предотвращается их повреждение; шкафы КРУ наружной установки со снятыми или защищенны- ми проходными изоляторами воздушного ввода электропитания. 32
Сборные шины и шины вторичной коммутации обычно демон- тируются на заводе и поступают на монтажный объект упакован- ными в отдельную тару. Все детали, входящие в КРУ, маркируют- ся на заводе согласно комплектационной ведомости. Контактные поверхности сборных шин покрываются на заводе специальным защитным сплавом, предохраняющим их от окисления, поэтому необходимость обработки этих поверхностей на объекте монтажа отпадает. Весь монтаж таких комплектных устройств сводится обычно к распаковке и установке снятых деталей, а также присоединению к устройству питающих и отходящих линий. Индустриальными методами ведутся работы и по монтажу це- ховых электрических сетей, в частности шинных магистралей. Го- товые замаркированные секции шин соответствующих конструк- ций и сечений доставляются в цех, где их крепят на опорных кон- струкциях и соединяют между собой либо присоединяют к ним секции шин отходящих линий. Индустриальным методом электромонтажного производства яв- ляется также комплектование крупноблочных конструкций, сбо- рочных единиц, электропроводок и изделий в мастерских элект- ромонтажных заготовок (МЭЗ). Высокая степень готовности про- дукции МЭЗ позволяет монтировать ее без дополнительных затрат труда на сборку, окраску, маркировку и т.д. Комплексная механизация — это механизированное выполне- ние ряда смежных строительных работ. Для обеспечения непрерыв- ности технологического процесса используются машины и меха- низмы с одинаковой производительностью. Автоматизация строительных работ предполагает широкое ис- пользование автоматизированных технологических линий для из- готовления сборных элементов зданий. Самой современной фор- мой автоматизации является автоматизированная система управ- ления (АСУ) с применением электронно-вычислительных машин для решения сложных организационно-технических задач и дис- петчеризации. Вопросы для самоконтроля I. 1. Перечислите методы выполнения строительно-монтажных работ и дайте их определения. 2. Что такое ППЭР и каковы основные его части? 3. На основе чего разрабатывается ППЭР? 4. Как классифицируются ППЭР? II. 1. Назовите этапы комплекса работ по возведению здания. 2. Что включает в себя ПОС? 3. В чем заключается проверка здания при приеме его под монтаж? 2 Нестеренко 33
4. Назовите главное направление современной организации электро- монтажного производства. 5. Назовите основной способ индустриализации электромонтажного производства. III. 1. Охарактеризуйте все части ППЭР. 2. Назовите преимущества совмещения во времени ведения строи- тельных и электромонтажных работ. 3. Охарактеризуйте основные этапы электромонтажных работ. 4. Какие электромонтажные работы проводились при строительстве здания, в котором вы находитесь?
Глава 3. ОСНОВЫ ЭЛЕКТРОМОНТАЖНЫХ РАБОТ 3.1. Электромонтажные материалы и изделия Материалы и изделия, применяемые для монтажа электроус- тановок, можно разделить на четыре основные группы: электрические кабели, провода и шнуры; электроизоляционные материалы и изделия; металл и трубы; монтажные и электроустановочные изделия и детали. Электрические кабели, провода, шнуры, электроизоляционные материалы и изделия Кабели и провода служат для канализации (передачи и распре- деления) электрической энергии, а также для соединения различ- ных элементов электроустановок. Кабели разделяются на силовые и контрольные. Последние предназначены для создания цепей кон- троля, сигнализации, дистанционного управления и автоматики. Кроме того, выпускаются кабели специального назначения, напри- мер для горных разработок, судовые, для подвижного состава и др. Кабель состоит из одной или более изолированных токопрово- дящих жил, заключенных в герметичную (металлическую или не- металлическую) оболочку, поверх которой в зависимости от ус- ловий прокладки и эксплуатации могут быть броня и защитные покровы. Основными элементами кабелей являются токопроводящие жилы, изоляция, оболочка, броня и наружные покровы. В зависи- мости от назначения и условий эксплуатации кабелей отдельные элементы в их конструкции могут отсутствовать. Токопроводящие жилы изготавливаются из алюминия и меди. Проводниковая медь представляет собой очищенный от различ- ных примесей металл красновато-оранжевого цвета с температу- рой плавления 1083 °C и температурным коэффициентом линей- ного расширения, равным 17 106 1/°С. Медь обладает хорошими механическими свойствами и пластичностью, что позволяет по- лучать из нее проволоку диаметром 0,03...0,01 мм, а также тонкие ленты. Проводниковая медь очень устойчива к атмосферной кор- розии, чему способствует тонкий слой оксида, которым она по- крывается на воздухе и который препятствует дальнейшему про- никновению в нее кислорода. 35
Отечественная промышленность выпускает проводниковую медь шести марок с различной степенью чистоты. Примесями в меди являются висмут, сурьма, железо, свинец, олово, цинк, никель, фосфор, сера и кислород. Для изготовления проводниковых изде- лий (обмоточных и монтажных проводов и кабелей) применяют сорта проводниковой меди с содержанием примесей 0,05...0,1 %. Проволока из меди маленького диаметра обладает большим раз- рушающим напряжением при растяжении и большим удельным электрическим сопротивлением. Для проводов очень малого диа- метра (0,01 мм), предназначенных для работы при повышенных температурах (выше 300 °C) применяют проволоку, изготовлен- ную из бескислородной меди, отличающейся наибольшей чис- тотой. Температурный коэффициент удельного сопротивления ТК=0,0043 1/°С для всех марок меди. Алюминий является вторым после меди проводниковым мате- риалом благодаря его сравнительно большой проводимости и стой- кости к атмосферной коррозии. На воздухе алюминий очень быс- тро покрывается тонкой пленкой оксида, которая надежно защи- щает его от проникновения кислорода. В то же время эта пленка обладает значительным электрическим сопротивлением, поэтому в плохо зачищенных местах соединений алюминиевых проводов могут быть большие переходные сопротивления. При попадании влаги в места соединения алюминиевых прово- дов с проводами из других металлов могут образоваться гальвани- ческие пары. При этом алюминиевый провод будет разрушаться воз- никающими местными гальваническими токами. Чтобы избежать образования гальванических пар, места соединений необходимо тщательно защищать от влаги (например, лакированием). Алюми- ниевые провода и токоведущие детали можно соединять друг с другом горячей или холодной сваркой, а также пайкой, но с при- менением специальных припоев и флюсов. Для электрической изоляции жил кабеля применяют пропитан- ную кабельную бумагу, резину, пластмассу (поливинилхлорид, по- лиэтилен и др.). Кабельная бумага является основным изоляционным материа- лом, применяемым в кабелях высокого напряжения. После намотки на кабель ее пропитывают электроизоляционным маслом. При на- мотке на кабельную жилу ленты из бумаги подвергают механичес- кому натяжению. Поэтому кабельная бумага должна обладать дос- таточно высокой механической прочностью при растяжении и пе- регибах. Кабельную бумагу вырабатывают из сульфатной целлюлозы пре- имущественно жирного помола в целях обеспечения высокой ме- ханической прочности, а также большой плотности и малой по- ристости. Жидкое вещество (масло или маслоканифольный состав) 36
разбивается бумагой при пропитке на тонкие пленки и каналы, повышая ее электрическую прочность. Кабельная бумага выпускает- ся для изоляции жил силовых кабелей, рассчитанных на напря- жения 35, 110 и 220 кВ. Характерным свойством всех резин является их большая элас- тичность, т. е. способность сильно удлиняться при растяжении без остаточного удлинения после снятия растягивающей нагрузки. Следует также отметить высокую водостойкость и газонепроница- емость резин и их хорошие электроизоляционные характеристики. Основным компонентом всех резин является натуральный или синтетический каучук. Сырая резина обладает пластичностью, легко накладывается и обволакивает голую жилу провода, образуя его основную изоля- цию. Для повышения эластичности сырой резины, увеличения ме- ханической прочности и уровня электрических характеристик ее подвергают вулканизации, т. е. тепловой обработке при темпера- туре 140... 200 °C. Для этого провода, покрытые слоем сырой рези- ны, наматывают на металлические барабаны и загружают в вулка- низационные котлы. В паровую рубашку котла и его внутреннее про- странство впускают насыщенный водяной пар под давлением или нагретый воздух. Процесс вулканизации длится 30 ...70 мин и бо- лее. В результате получают резину с хорошими механическими и изоляционными свойствами. Полиэтилен — твердый непрозрачный материал белого или свет- ло-серого цвета, несколько жирный на ощупь. Это термопластич- ный материал, поступающий на заводы в виде гранул. Изделия из полиэтилена получают методами литья под давлением, горячего прессования и экструзии (при нанесении полиэтиленовой изоля- ции на провод, а также при изготовлении изоляционных шлангов и трубок). Для улучшения термомеханических свойств полиэтиле- на на него воздействуют ионизирующим облучением, например потоком электронов, получаемых из ускорителя. Изоляция прово- дов и кабелей из облученного полиэтилена отличается повышен- ными нагревостойкостью (до 100 °C) и механической прочностью. Поливинилхлорид представляет собой порошок белого цвета, из которого получают горячим прессованием или горячим выдавли- ванием механически прочные изделия (платы, трубы и др.), стой- кие к воздействию минеральных масел, многих растворителей, щелочей и кислот. Горячим прессованием порошкообразного по- ливинилхлорида получают твердый, жесткий материал — винип- ласт в виде листов, пластин, труб и стержней, обладающих высо- кой механической прочностью и имеющих хорошие электроизо- ляционные свойства. Бумажная пропитанная изоляция кабелей постепенно вытесня- ется пластмассовой изоляцией, которая также обладает высоки- 37
ми диэлектрическими свойствами, но ее влагостойкость и влаго- непроницаемость, химическая стойкость и механическая прочность позволяют обходиться без металлических герметичных оболочек, благодаря чему уменьшаются масса кабеля и его наружные разме- ры, а также упрощаются технологии изготовления и монтажа. От- сутствие жидкого пропитывающего состава позволяет проклады- вать кабели с пластмассовой изоляцией на вертикальных и круто- наклонных трассах. Оболочки кабелей могут быть свинцовыми, алюминиевыми, ре- зиновыми, пластмассовыми. Они защищают изоляцию токопро- водящих жил от воздействия света, влаги, химических веществ и других факторов окружающей среды, а также от механических по- вреждений. Защитные покровы кабелей обеспечивают их надежность и долговечность при эксплуатации в различных условиях прокладки. В зависимости от этих условий кабели могут быть небронирован- ными или бронированными стальными лентами, а также прямо- угольными либо круглыми оцинкованными проволоками с наруж- ными защитными покровами из волокнистых материалов, пласт- масс и др. Нормальный наружный покров поверх брони кабеля состоит из бумаги, слоя битумного состава или битума, пропитанной кабель- ной пряжи, второго битумного слоя и мелового покрытия, пре- дохраняющего витки кабеля от слипания. Силовой четырехжильный кабель с бумажной изоляцией по- казан на рис. 3.1. В марках кабелей применяются следующие обозначения: обо- лочка — С (свинцовая), А (алюминиевая), Н (негорючая резина), В (поливинилхлоридная); защитное покрытие — Б (броня из лент), Рис. 3.1. Четырехжильный кабель: 1,4— покровная и внутренняя оболочки; 2 — броня; 3 — подушка; 5 — поясная бумажная изоляция; 6 — жильная изоляция; 7 — нуле- вая жила; 8 — токопроводящая жила 38
П (броня из плоских проволок); отсутствие наружного покрова — Г (голый), а также в них могут быть буквы, указывающие на на- личие других элементов конструкций. Например, если марка на- чинается с буквы О, это указывает на наличие в кабеле отдельно освинцованных жил. Кабели с медными (алюминиевыми) жилами: ВВГ (АВВГ) — с поливинилхлоридной изоляцией и оболочкой; ПВГ (АПВГ) — с полиэтиленовой изоляцией и поливинилх- лоридной оболочкой; ВВБ (АВВБ) — с поливинилхлоридными изоляцией и оболоч- кой, бронированный стальными лентами с наружным покровом; ПВБ (АПВБ) — с полиэтиленовой изоляцией и поливинилх- лоридной оболочкой, бронированный стальными лентами с на- ружным покровом. Широко применяются для магистральных сетей силовые кабе- ли марки ААШв (АШв) с алюминиевыми (медными) жилами, бумажной пропитанной изоляцией, в алюминиевой гладкой обо- лочке, в поливинилхлоридном шланге, которые рассчитаны на на- пряжение 1... 10 кВ и прокладываются в помещениях, каналах, туннелях и земле (траншеях). Поверх алюминиевой оболочки этих кабелей под поливинилхлоридным шлангом имеются концентри- ческие слои битумного состава и ленты поливинилхлоридного пластиката. Поливинилхлоридный пластикат — это гибкий рулонный мате- риал, получаемый из порошка поливинилхлорида, смешанного с пластификаторами — густыми маслообразными жидкостями. Этот материал широко применяется в качестве основной изоляции монтажных проводов, а также для изготовления защитных оболо- чек — шлангов кабелей. Поливинилхлоридный пластикат обычно бывает окрашен в черный, синий, желтый, красный и другие цвета. Из него изготавливают гибкие изоляционные трубки и липкую изоляционную ленту. Характерным свойством поливинилхлорид- ных материалов является то, что, будучи вынесены из пламени, они прекращают свое горение. Провод представляет собой одну неизолированную жилу или одну и более изолированных жил, поверх которых в зависимости от условий прокладки и эксплуатации могут иметься неметалли- ческая оболочка и металлические или неметаллические защитные покровы. Провода разделяются на изолированные и неизолированные, за- щищенные и незащищенные. Неизолированные (голые) провода, применяемые в основном для прокладки воздушных линий, могут быть алюминиевыми, сталеалюминиевыми, медными, бронзовы- ми и стальными. Изолированные провода могут иметь только алю- миниевые и медные токопроводящие жилы. В качестве электричес- кой изоляции жил проводов применяют резину и пластмассу. 39
Для защиты от механических воздействий, света и влаги про- вода покрывают оболочкой из резины, пластмассы или металли- ческих лент с фальцованным швом. Провода, имеющие внешнюю защитную оболочку, называют защищенными, провода, не име- ющие защитной оболочки, — незащищенными. Провода имеют также легкий защитный покров в виде ленты из хлопчатобумаж- ной пряжи, пропитанной противогнилостным составом. Шнур состоит из двух или более изолированных гибких или особо гибких жил, скрученных или уложенных параллельно, по- верх которых в зависимости от условий эксплуатации могут иметься неметаллическая оболочка и защитные покровы. Шнуры отлича- ются от проводов гибкостью многопроволочных жил. В маркировке проводов и шнуров первая буква А указывает ма- териал токопроводящей жилы — алюминий (отсутствие буквы А означает, что токопроводящая жила из меди). Вторая буква П обо- значает провод, а третья — материал изоляции (Р — резина, В — поливинилхлорид, П — полиэтилен). В марках проводов и шнуров могут быть и другие буквы, например: О — оплетка, Т — проклад- ка в трубах, П — плоский элемент с разделительным основанием, Ф — металлическая фальцованная оболочка, Г — гибкость и др. Провода и кабели различают по числу и сечениям жил, а так- же номинальному напряжению. Число жил может быть от одной до четырех (контрольные кабели имеют от четырех до тридцати семи жил); а сечения от 0,75 до 600 мм2. Стандартными являются следующие сечения жил: 0,5; 0,75; 1; 1,5, 2,5; 4; 6; 10; 16; 25; 35; 50; 70; 95; 120; 150; 185; 240; 300; 400; 500; 625 и 800 мм2. Провода изготавливают на напряжения 380, 660 и 3000 В пере- менного тока, кабели — на все стандартные напряжения до 110 кВ. Для монтажа электропроводок кроме проводов применяются также кабели с небольшими сечениями резиновой или пластмас- совой изоляцией и защитной оболочкой (марок АНРГ, АВРГ, АСРГ и др.) Вопросы для самоконтроля I. 1.Для чего служит кабель? 2. Какие марки кабелей вы знаете? 3. Что представляют собой провод и шнур? II. 1. Какие бывают кабели? 2. Что применяют в качестве изоляции кабеля? 3. Какие бывают оболочки у кабеля? 4. Чем отличается провод от кабеля? 5. Какие вам известны провода? 6. В чем отличие шнура от провода? III. 1. Из чего состоит кабель? 2. В чем преимущества бумажной изоляции перед пластмассовой? 3. Как расшифровывается маркировка кабеля? 40
4. Где применяется кабель марки АНРГ и как расшифровывается его маркировка? 5. Расшифруйте маркировку провода ППР, назовите область его применения. Металл и трубы Прокат черных металлов в виде угловой, полосовой, листо- вой и круглой стали рационально применяется в мастерских элек- тромонтажных организаций для изготовления различных монтаж- ных изделий, деталей и конструкций, которые не выпускаются заводами, а также для заземления элементов электроустановок. Для производства электромонтажных работ чаще всего использу- ют угловую равнобокую сталь малых и средних размеров (сечений) от 20 х 20 х 30 до 70 х 70 х 6 мм, полосовую сталь толщиной от 4 до 8 мм и шириной от 20 до 80 мм, листовую сталь толщиной от 0,8 до 4 мм и длиной листа до 2000 мм и стальную проволоку диамет- ром от 2,5 до 8 мм. Реже применяют швеллерную и круглую стали. Стальные водогазопроводные обыкновенные трубы применяют- ся для электропроводки только в тех случаях, когда по условиям окружающей среды недопустим другой вид проводки, например на химических предприятиях с взрывоопасной или химически ак- тивной средой, ряде металлургических производств и др. В сухих, влажных, жарких и пыльных помещениях преимущественно ис- пользуются стальные тонкостенные электросварные и неметалли- ческие трубы. Гибкие металлорукава служат для защиты проводов на вводах в электрооборудование и в местах пересечений трубных прово- док с другими коммуникациями. Рукава выпускают трех типов: из стальной оцинкованной ленты с хлопчатобумажным уплотне- нием марки РЗ-Ц-Х, из стальной оцинкованной ленты с асбес- товым уплотнением марки РЗ-Ц-А и из алюминиевой ленты с хлопчатобумажным уплотнением и медной луженой оплеткой марки РЗ-АД-Х-Л. Первые могут быть с диаметром 15, 18, 20, 22, 25, 29, 32, 38, 50 мм и массой 1 м от 0,26 до 1,3 кг; вторые — с диаметром 12, 15, 18, 22 мм и массой 1 м от 0,14 до 0,45 кг; третьи — с диаметром 25, 27, 29, 34, 38, 42 мм и массой 1 м от 0,47 до 0,91 кг. Для электропроводки вместо стальных труб часто используют полимерные трубы — винипластовые, полиэтиленовые, полипро- пиленовые. Винипластовые трубы изготавливают четырех видов: легкие (Л), среднелегкие (Сл), средние (С) и тяжелые (Т). В качестве защитных оболочек используются трубы шести диаметров от 16 до 63 мм, с толщиной стенок от 1,8 до 2,2 мм и длиной 5... 8 м. Наряду с тру- бами отечественного производства применяются трубы румын- 41
ского производства с наружными диаметрами от 16 до 63 мм: лег- кие с толщиной стенок 1; 1,1; 1,3; 1,6 и 1,8 мм; средние с толщи- ной стенок 1,1...3 мм; тяжелые с толщиной стенок 1,2...4,7 мм. В зависимости от толщины стенок полиэтиленовые трубы под- разделяют на легкие (толщина стенок от 2 до 3 мм), среднелег- кис (от 2 до 4,7 мм), средние (от 2 до 6,7 мм) и тяжелые (от 2 до 10,5 мм), они могут быть также низкой и высокой плотности (пос- тсдние с меньшей толщиной стенок). Их изготавливают с наруж- ным диаметром от 16 до 63 мм и поставляют в бухтах до 25 м. Полипропиленовые трубы различают двух видов — легкие (с тол- щиной стенок 2; 2,4 и 2,8 мм) и средние (2; 2,3; 2,8 и 3,6 мм) с наружным диаметром от 16 до 63 мм. Метизы — зго винты, шайбы, шурупы, болты, гайки. Чаще всего используются винты длиной от 10 до 50 мм при диаметре резьбы от 3 до 10 мм. Винты могут быть с полукруглой и потайной голов- ками. Шайбы выпускаются под болты всех стандартных диаметров. Кроме нормальных применяют также пружинные шайбы для уси- ления контактных соединений. Шурупы с полукруглой головкой выпускаются диаметром 3 мм и длиной от 12 до 30 мм; диаметром 4 мм и длиной от 22 до 60 мм; диаметром 5 мм и длиной от 25 до 70 мм. В качестве шин при производстве электромонтажных работ применяются в основном прямоугольные алюминиевые поло- сы, а в специальных случаях, обоснованных в проекте, — мед- ные. При переменном токе до 200 А и постоянном токе исполь- зуется плоская, круглая или трубчатая сталь. Монтаж ошинов- ки аккумуляторных помещений выполняется круглыми медными шинами. Алюминиевые прямоугольные шины применяют для токопро- водов, распределительных устройств, сборок и других электротех- нических устройств. Выпускают их шириной от 10 до 120 мм и тол- щиной от 3 до 12 мм. Медные шины выпускают шириной от 16 до 120 мм и толщиной от 4 до 30 мм. Припой — сплав из цветных металлов, служащий для пайки ме- таллических изделий. Применяемые при производстве электромон- тажных работ припои делятся на две группы: оловянно-свинцовые марки ПОС с температурой плавления до 400 °C и безоловянистые марок А, Б и ЦА-15. Различают также мягкие и твердые припои. Мягкий припой — это сплав свинца с оловом с температурой плав- ления 230... 250 °C. К мягким припоям относятся также серебряные припои с содержанием серебра до 3 % (ГОСТ 8190—85). К твердым припоям относятся серебряные припои с содержанием серебра 10... 70 % марок ПСр-25, ПСр-45, ПСр-70, ПСр-71. В качестве при- месей в них добавляют медь, цинк, олово. Температура плавления этих припоев 700... 800 °C. 42
В последнее время вместо твердых серебряных используются мед- но-фосфористые припои. Для пайки алюминия применяют специ- альные припои марок АВИА-1, ВПТ-4 и др. При пайке применяются флюсы — материалы, предназначен- ные для очистки спаиваемых поверхностей. Для мягких оловянис- тых припоев в качестве флюса используется канифоль или паста со следующим составом: канифоль — 2,5 %, сало — 5 %, хлорис- тый цинк — 20 %, хлористый аммоний — 2 %, вазелин техничес- кий — 65,5 %, вода дистиллированная — 5 %. Для медно-фосфори- стых и серебряных припоев в качестве флюса применяют буру в виде порошка или в смеси с поваренной солью. Поскольку алюминий и его сплавы, соприкасаясь с воздухом, быстро окисляются, пайка их обычными способами не дает удов- летворительных результатов. Поэтому рекомендуется следующий способ. На алюминий в месте пайки наносится жидкое минераль- ное масло, и его поверхность под слоем масла зачищают скреб- ком или лезвием, удаляя пленку окиси. Припой наносится хоро- шо нагретым паяльником. Для пайки тонкого алюминия достаточ- но паяльника мощностью 50 Вт, а для пайки алюминия толщиной 1 мм и более желательно использовать паяльник мощностью 90 Вт. Масло лучше применять оружейное, но хорошее и удовлетвори- тельное качество пайки достигается и при использовании мине- рального масла для швейных машин, вазелинового масла и масла «Универсал». Припой должен содержать не менее 50 % олова (на- пример, легкоплавкий припой ПОС-61). При пайке алюминия тол- щиной более 2 мм место пайки перед нанесением масла желательно прогреть паяльником. Вопросы для самоконтроля I. 1. Где применяется прокат черных металлов? 2. Какие виды труб вы знаете? 3. Что такое метизы? 4. Что представляют собой шины? 5. Дайте определение припоя. II. 1. Какие трубы применяются для различных проводок? 2. Для чего служат гибкие металлорукава? 3. Как подразделяются трубы в зависимости от толщины стенок? 4. Какие вы знаете припои? III. 1. Назовите область применения алюминиевых шин. 2. Как производится пайка алюминия? Монтажные и электроустановочные изделия и детали Монтажные изделия и детали используются во всех электри- ческих установках и при всех видах электромонтажных работ и опе- 43
раций. Они применяются при подготовке трасс для прокладки про- водов, кабелей, шин и при их прокладке, закреплении, соедине- нии и присоединении к машинам, приборам и аппаратам, ис- пользуются для защиты их от воздействий окружающей среды и механических повреждений, а также для установки приборов, ап- паратов, светильников и др. Изделия и детали для прокладки проводов и кабелей. Лоток пред- ставляет собой сварную металлическую решетчатую конструкцию, состоящую из двух параллельных профилей или пластин (полос). Для прокладки проводов и кабелей применяют сварные и перфо- рированные лотки, которые комплектуются различными деталя- ми: уголочками, уголками для разделения прокладываемых про- водов и кабелей различных цепей, подвесками и пряжками для крепления кабелей на сварных лотках, прижимами для крепления лотков к кабельным полкам. Короба представляют собой профили прямоугольной формы из листовой стали со съемными крышками. Изготавливают короба сле- дующих размеров: 60 х 30, 220 х 117 мм и др. Сечение типового короба эквивалентно сечению стальной трубы с диаметром 2" Короба комплектуют из прямых секций, крестовин, тройников, угольников для поворота трассы в горизонтальной плоскости, по вертикали вверх и вниз, торцовых крышек и соединительных скоб, Рис. 3.2. Кабельные конструкции: а — стойка; б — полка; в — скоба; г — подвеска; д — основание; 1 — язычок; 2 — хвостовик; 3 — овальное отверстие в хвостовике а также вспомогательных деталей для крепления к строительным конструкциям — скоб и подвесов. Длина прямой секции короба 3 м. Стальные короба КЛ-1 и КЛ-2 служат для прокладки в них пи- тающих проводов и подвески к ним люминесцентных светиль- ников в один и два ряда. Кабельные конструкции пред- назначенные для прокладки ка- белей в производственных поме- щениях, тоннелях, каналах и других кабельных сооружениях, собираются из стандартных эле- ментов — стоек и полок (рис. 3.2). Стойки, укомплектованные пол- ками, закрепляются в строитель- ных основаниях, на полках про- кладывают кабели горизонталь- ными рядами. При сборке ка- бельных конструкций хвосто- вик 2 полки вставляется в отвер- 44
стие стойки так, чтобы язычок 7, имеющийся на стойке, вошел в овальное отверстие 3 хвостови- ка полки. Затем специальным ключом 2 (рис. 3.3) язычок по- ворачивается на 90°, в результа- те чего образуется неразъемное соединение полки со стойкой, а также необходимый элект- рический контакт. Стойки могут быть высотой 400, 600, 800, 1200 и 1800 мм с числом оваль- ных отверстий для установки по- лок соответственно 8, 12, 16, 24 и 36. Длина полок 160, 250, 350 и 450 мм. Кабели укладывают не- посредственно на полках либо в лотках, устанавливаемых на них (рис. 3.4). Новые серии кабельных ^ис‘ Крепление полки к стойке: конструкций (К1100ц... К1167ц) 1 ~ стойка; 2 - ключ; 3 - полка изготавливается из оцинкован- ной стали. Разновидностью сборных кабельных конструкций являются стойки с закладными подвесками для прокладки кабелей рядами в вертикальной плоскости. Дополнительно к этим основным изде- лиям для прокладки кабелей выпускаются некоторые комплекту- ющие детали: скобы для крепления кабельных стоек пристрелкой; лотки для укладки соединительных муфт на сборных кабельных конструкциях; основания для установки одной полки и для укладки и соединения асбоцементных разделительных перегородок; под- вески и соединители. Соединения и ответвления проводов выполняются в стальных и пластмассовых коробках разных размеров для различных видов электропроводок. Коробки для тросовой электропроводки и для проводки в трубах рассматриваются далее. Монтажные профили и полосы из перфорированной стали. Выпус- каемые заводами изделия из перфорированной стали — полосы, пинты, швеллеры, рейки и другие монтажные профили с перфо- рацией обеспечивают изготовление различных опорных и крепеж- ных конструкций с минимальными трудовыми затратами в мас- терских и при монтаже. Из них получают рамы и каркасы для сборки блоков щитков и пусковых устройств, их используют для подвес- ки собранных в блоки светильников и крепления труб, проводов и кабелей. Применение монтажного профиля с закладной гайкой позволяет крепить трубы, кабели, аппараты без подготовки но- 45
Рис. 3.4. Прокладка кабелей на полках (а) и в лотках (б): 1 — кабель; 2 — соединитель перегородок; 3 — перего- родка из асбоцементной плиты; 4 — прижим вых отверстий при изменении мест крепления. Из перфорирован- ной полосы легко изготовить планки, скобы, траверсы. Полосы с пряжками облегчают закрепление труб или кабелей привязкой. Эти пряжки имеют вырезы для закрепления в перфорации полосы и пря- моугольные отверстия для подосок, крепящих кабели или трубы. Наконечники и гильзы. Для оконцовки и соединения жил про- водов и кабелей выпускаются: медные наконечники серий Т и П; медноалюминиевые наконечники серии ТАМ и штифтовые серии ШП; алюминиевые наконечники серии ТА и медные гильзы серии ГМ; алюминиевые гильзы серии ГА и гильзы для однопроволочных жил серии ГАО; ответвительные сжимы в пластмассовом корпусе. Наконечники и гильзы используются для жил проводов и ка- белей с сечениями до 240 мм2 включительно. Соединения и ответ- 46
вления однопроволочных алюминиевых проводов с сечениями 2,5... 10 мм2 выполняются в гильзах серии ГАО с односторонним и двусторонним заполнением их жилами. При этом максимальное суммарное сечение всех жил — 32,5 мм2. Выпускают также алюми- ниевые наконечники, формируемые из прутка, с продольными ребрами на внутренней трубчатой части. Новым способом в настоящее время является объемная штам- повка оконцевателя из секторной монолитной жилы. На специаль- ном пороховом прессе за один выстрел штампуется оконцеватель с отверстием, получающий необходимую контактную поверхность в форме наконечника. В перечень монтажных изделий заводов входят изделия для мон- тажа ошиновок и вторичных устройств, разные крепежные дета- ли, элементы для подвески светильников, конструкции для осна- стки деревянных опор ЛЭП и многие другие. Типы и индексы этих изделий, их технические характеристики и области применения приводятся в номенклатурных справочниках соответствующих за- водов-изготовителей. Изделиями для монтажа шин являются шинодержатели, пере- ходные пластины, шинные компенсаторы, междушинные проклад- ки, изоляционные вставки, шайбы и др. Шинодержатели серий ШП и Ш Р для крепления плоских шин (одиночных и по 2—3 штуки в пакете с разными сечениями, шириной от 40 до 120 мм и тол- щиной от 4 до 12 мм) на плоскость и ребро, а также шинодержа- тели для крепления профильных шин (с коробчатым сечением) показаны на рис. 3.5. Для присоединения алюминиевых шин к мед- ным плоским или стержневым выводам электрических аппара- тов и машин применяют переходные медно-алюминиевые плас- тины серии МА и пластины серии АЛ из сплава марки АД31Т1. При размерах шин от 4 х 40 до 10 х 120 мм длина пластин должна быть от 100 до 190 мм, соединение их сварное. Для компенсации температурных удлинений протяженных участ- ков алюминиевой ошиновки используют шинные компенсаторы Рис. 3.5. Шинодержатели для крепления плоских шин на плоскость (а) и ребро (б) и для крепления профильных шин (в) 47
шириной 50... 120 мм и толщиной 6... 10 мм. Соединение их с ши- нами сварное. Для фиксации зазоров в пакете плоских медных и алюминие- вых шин служат междушинные прокладки размером 110 х 28 х 8 и 150x22x10 мм, для секционирования шинных магистралей из плоских шин — изоляционные вставки. Для болтовых соединений алюминиевых шин применяют специальные стальные шайбы серий А8, А10 и А12 толщиной 3 ...4 мм и диаметром 18, 22, 28 мм, а так- же серий АС-12 и АС-16 толщиной 4 и 6 мм и диаметром 34, 38 мм. Наборные зажимы (рис. 3.6) служат для соединения проводов вторичных цепей, проложенных по панелям, с контрольными ка- белями. По конструкции различают: на нормальные зажимы серии КНБ, служащие для безкольце- вого (втычного) соединения жил проводов и кабелей сечением 1,5...6 мм2; нормальные зажимы серии КН, предназначенные для соедине- ния двух проводов различных участков цепи сечением 1,5... 6 мм2. Концы проводов и жил кабелей в этом случае изогнуты в кольцо; специальные зажимы серии КС-ЗМ, служащие для подключе- ния двух проводов и соединения их с соседними аналогичными зажимами, а также для подключения жил проводов, изогнутых в кольцо. Их разновидностью является специальный концевой зажим серии КСК-ЗМ, предназначенный для установки перемычки с на- борными зажимами КС-ЗМ при отсутствии приборов в цепи транс- форматора тока (в концевом зажиме перемычка устанавливается только с одной стороны; конструкция такого зажима предусмат- ривает подключение жилы провода сечением 1,5...6 мм2, изогну- той в кольцо); щитовые испытательные зажимы серии ЗЩИ, предназначен- ные для проверки и испытания вторичных цепей. Конструкция зажима позволяет соединять несколько проводов одного назначе- ния (под каждый контактный винт — один провод). Испытательный зажим представляет собой пластмассовое ос- нование с укрепленной на нем латунной контактной частью, со- стоящей из двух изогнутых контактных планок, соединенных мо- стиком. Эти зажимы закрепляют на рейках серии К109 с помощью хвостовика пластмассового основания и пружинки. Такая конст- рукция позволяет устанавливать и заменять зажимы в любом мес- те рейки — с торца и в середине. Фиксация и маркировка групп наборных зажимов выполняется с помощью маркировочных ко- лодок серии КМ-5. Для монтажа проводки вторичных цепей выпускают и другие изделия: шайбы-звездочки для присоединения алюминиевых жил контрольных кабелей, бирки-оконцеватели и пластмассовые мар- кировочные бирки, втулки, наконечники, трубки и др. 48
Рис. 3.6. Наборные зажимы: а — нормальный серии КНБ; б — нормальный серии КН; в — специальный серии КСК-ЗМ; г — специальный концевой серии КС-ЗМ; д — испытательный серии ЗЩИ; I — корпус; 2, 6 — соответственно пружинная и ограничивающая шайбы; 3 - контактная пружина; 4 — вкладыш для безкольцевого (торцового) подклю- чения проводов; 5 — провод вторичных цепей; 7 — винт 49
Вопросы для самоконтроля I. 1. Что представляет собой лоток? 2. Что такое кабельная конструкция? 3. Какие вы знаете изделия, изготовленные из перфорированной стали? 4. Какие изделия применяются для оконцовки жил кабеля? 5. Какие вам известны изделия для монтажа шин? 6. Что такое наборный зажим? 11. 1. Где применяются монтажные и установочные изделия? 2. Какие короба вам известны? 3. Для чего служат монтажные полосы и профили из перфорированной стали? 4. Какие вам известны наконечники? 5. Как подразделяются наборные зажимы по конструкции? III. 1. Из чего состоят кабельные конструкции? 2. Где применяются изделия для монтажа шин? 3. Как производится соединение медных и алюминиевых шин? 4. Поясните устройство наборного зажима. 3.2. Электромонтажные механизмы, инструменты и приспособления Механизмы и инструменты для пробивных и крепежных работ При производстве электромонтажных работ в мастерских и не- посредственно на объектах монтажа используют механизмы, ин- струменты и приспособления как общестроительного применения, так и специализированные электромонтажные. В мастерских созда- ются поточные технологические линии по индустриальной об- работке и заготовке труб, листовой и сортовой стали, шин, ком- плектов электропроводов, кабелей и др. Для выполнения работ непосредственно на объектах комплектуют специализированные автомашины или автоприцепы и передвижные мастерские. Все машины, механизмы и средства механизации, применяе- мые в электромонтажном производстве, можно разделить на пять групп: механизированный и ручной инструмент, приспособления и другие средства малой механизации (электрифицированные, пнев- матические и пиротехнические инструменты, слесарно-монтаж- ный и режущий инструмент, монтажные инвентарные приспособ- ления); сварочное оборудование (сварочные трансформаторы и генера- торы постоянного тока, полуавтоматы для дуговой сварки в среде защитных газов, оборудование для газовой сварки и резки); специализированные автомашины и автоприцепы и передвиж- ные мастерские; 50
металлообрабатывающие станки и механизмы, сосредоточен- ные главным образом в мастерских на поточных технологических линиях и в ремонтных цехах (ножницы, прессы, шинотрубогибы, вальцы, листогибочные, сверлильные, обдирочные, заточные, то- карные, фрезерные и строгальные станки); монтажные механизмы для разгрузочно-погрузочных и монтаж- ных работ (автомобильные краны, краны на пневмоколесном ходу, трубоукладчики и тракторные краны, гидроподъемники и телеско- пические вышки, буровые и бурильно-крановые машины, кран- балки и элекгротали, аккумуляторные и автомобильные погруз- чики, башенные краны и краны-погрузчики, тали и лебедки, блоки и полиспасты), а также общестроительные механизмы (трак- торы, бульдозеры и др.). Крупные общестроительные, монтажные механизмы и метал- лообрабатывающие станки описаны в каталогах заводов-изготови- телей и специальных справочниках и здесь не рассматриваются. В качестве средств механизации пробивных работ используют электромагнитобуры, электросверлилъные машины и электро- молотки с рабочим инструментом (сверлами, буриками, шлямбу- рами, коронками), оснащенным пластинами из твердых сплавов, а также перфораторы, пневматический и пороховой инструмент. Электромагнитобур СЦ-2 (рис. 3.7), предназначенный для бу- рения отверстий, состоит из двух независимых двигателей, смон- тированных в дюралевом корпусе: однофазного синхронного элек- тромагнитного двигателя ударного действия и однофазного кол- лекторного двигателя вращательного действия. Оба двигателя сблокированы между собой. Рис. 3.7. Электромагнитобур СЦ-2: 7 — синхронный электромагнитный двигатель ударного действия; 2 — коллекторный двигатель вращательного действия 51
Двигатель ударного действия состоит из двух катушек — прямо- го и обратного хода, внешнего магнитопровода, диамагнитной на- правляющей втулки и бойка с буферной пружиной. Боек при ра- боте двигателя совершает внутри направляющей втулки непрерыв- ное челночное движение и наносит по хвостовику шпинделя 3000 ударов в минуту. Пружина служит для накопления энергии обрат- ного хода бойка. Включение двигателя осуществляется с помощью микровыключателя, расположенного на боковой рукоятке, а пи- тание — выпрямленным пульсирующим током с напряжение 44 В от кремниевых силовых вентилей. Двигатель вращательного действия через трехступенчатый редук- тор и фрикционную муфту соединен со шпинделем, которому со- общает крутящий момент. Рабочий инструмент соединен со шкин- делем с помощью конуса. Питается двигатель переменным током с напряжением 44 В и частотой 50 Гц. Микровыключатель распо- ложен на задней рукоятке. Преобразовательное устройство состо- ит из понижающего трансформатора 220/44 В и двух кремниевых выпрямителей. Все оборудование смонтировано в металлическом футляре, на боковой стенке которого расположена четырехполюс- ная штепсельная розетка для присоединения кабеля. Охлаждение электромагнитобура — принудительное, от вентилятора коллектор- ного двигателя. В качестве рабочего инструмента электромагнитобура СЦ-2 при- меняют обычные спиральные сверла по металлу, оснащенные пла- стинками из твердого сплава. Затачивают сверла с отрицательным углом 90... 100° Приведем основные технические характеристики электромагнитобура: Максимальный диаметр бурения по бетону, мм..............26 Частота вращения, об/мин 420 Число ударов в минуту 3000 Энергия удара, Н 4,5 Масса (без кабеля), кг 8 Мощность двигателя, Вт: электромагнитного 500 коллекторного 220 Мощность понижающего трансформатора, В • А 900 Напряжение двигателей, В 44 Частота тока двигателей, Гц 50 Масса преобразовательного устройства, кг................19 При работе электромагнитобура сначала включается электро- двигатель вращения шпинделя, а после внедрения сверла на не- большую глубину в основание (3—4 оборота инструмента) — удар- ный двигатель. После достижения необходимой глубины бурения отключают ударный двигатель, вынимают из пробуренного отвер- стия рабочий инструмент и затем отключают двигатель вращения. 52
При подключении электромагнитобура необходимо одновремен- но заземлять его корпус. Электросверлильные машины бывают трех исполнений: пистолетного типа для сверления отверстий диаметром до 10 мм; с одной верхней закрытой рукояткой для отверстий диаметром до 15 мм; с двумя боковыми рукоятками и грудным или винтовым упо- ром для сверления отверстий диаметром более 15 мм. Электросверлильные машины имеют три основные части: элек- тродвигатель, зубчатую передачу и шпиндель. Они выпускаются на напряжение 220 В и ток промышленной частоты с одинарной и двойной изоляцией и на напряжение 36 В и ток повышенной ча- стоты 200 Гц. При питании электросверлильных машин током с повышенной частотой применяются преобразователи частоты. Та- кие машины, имеющие меньшую массу и двигатель с короткозам- кнутым ротором (а не коллекторный со щеточным механизмом), безопасны в работе. Однако необходимость использования при про- изводстве работ специальных переносных преобразователей час- тоты сравнительно большой массы ограничивает их применение. Электросверлильные машины с двойной изоляцией также безо- пасны в работе, так как две независимые ступени их изоляции вы- полнены так, что повреждение одной из них не приводит к появ- лению потенциала на доступных металлических частях. Электросверлильная машина с ударно-поворотной насадкой (рис. 3.8) предназначена для бурения отверстий в железобетонных б) Рис. 3.8. Электросверлильная машина (а) и устройство ее ударно-пово- ротной насадки (б): I — корпус; 2 — ударный механизм (боек); 3 — головка; 4 — шпиндель 53
основаниях. На корпусе редуктора такой машины закрепляют на- садку, которая преобразует вращательное движение рабочего ин- струмента в ударно-поворотное. Насадка состоит из трех основных частей: вала со шпинделем 4, ударного механизма 2 (бойка) и кор- пуса 1. Вращение от шпинделя электросверлильной машины пе- редается через вал на шпиндель насадки и рабочий инструмент. Вал соединяет оба механизма: один его конец вставляют в шпиндель машины, а другой — соединяют со шпинделем насадки двумя ци- линдрическими шпонками. Сама насадка крепится двумя стяжны- ми полухомутами. Ударный механизм состоит из трех кулачковых полумуфт и пру- жины. Передняя полумуфта является частью шпинделя насадки, а задняя — частью бойка. При вращении шпинделя насадки боек под действием пружины ударяет по шпинделю. Так как удар осу- ществляется энергией сжатой пружины, работающему не требу- ется прилагать значительных усилий. Когда нажатие на рабочий инструмент прекращается, пружина отводит шпиндель насадки в начальное положение, и он продолжает вращаться без удара. Насадка имеет сферический резиновый пылесборник. Для креп- ления рабочего инструмента шпиндель насадки имеет внутрен- ний конус Морзе № 2. Приведем основные технические характе- ристики электросверлильной машины с ударно-поворотной на- садкой: Максимальный диаметр бурения, мм 15 Частота вращения шпинделя, об/мин....................650 Число ударов в минуту (три удара за один оборот шпинделя) 1950 Энергия удара, кН 2,0 Масса насадки, кг....................................2,5 Масса насадки вместе с электросверлильной машиной, кг 5,3 Потребляемая мощность, Вт 270 Электрические молотки представляют собой ручные машины ударного действия, в которых рабочий инструмент совершает воз- вратно-поступательное перемещение от двигателя, а поворот ин- струмента производится вращением рукоятки. Для образования отверстий под дюбели, пробивки сквозных от- верстий в бетоне и железобетоне применяются электрические пер- фораторы ударно-вращательного действия. Электрические молотки и перфораторы выпускаются с комп- лектом инструментов. Пневматический инструмент с массой 4... 10 кг, что в 2,5—3 раза меньше массы электроинструмента той же мощности, имеет низ- кий уровень шума при работе и прост в обслуживании, но требует наличия источника сжатого воздуха. 54
С помощью пневматических ручных машин, а также электри- ческих молотков и перфораторов производят выборку (прореза- ние) борозд в бетонных строительных основаниях с любым на- полнителем глубиной до 60 мм и шириной более 7 мм. Для выборки борозд (штроб) глубиной 20 мм и шириной 8 мм в легких стеновых материалах (кирпичных стенках и гипсолитовых перегородках) для скрытой электропроводки выпускают механизм МВБ-3 (заменивший механизм МВБ-2М). Производительность это- го механизма по гипсолиту 3,5 м/мин, а по кирпичу 2 м/мин, масса 5 кг. Приводом служит электросверлилка ИЭ1023 с двойной изо- ляцией, рабочий инструмент которой — дисковая фреза с впаян- ными по окружности пластинами из твердых сплавов. Механизм снабжен пылесборником в виде емкости из брезента, ручками для удобства пользования, роликами для передвижения его по обра- батываемой плоскости, а также для фиксации заданной глубины борозды. В пиротехнических инструментах и механизмах используется энергия взрыва порохового заряда. К ним относятся строительно- монтажные пистолеты, служащие для крепления изделий и дета- лей с помощью дюбелей, колонки, предназначенные для пробивки отверстий в железобетонных плитах и прессы, применяющиеся для опрессования кабельных наконечников. Кроме того, прессами осу- ществляют соединение стальных труб, пробивку отверстий в стен- ках металлических коробок, ящиков и шкафов. Основными деталями строительно-монтажного пистолета ПЦ52-1 (рис. 3.9), однозарядного, самовзводного, косвенного дей- ствия, являются прижим 1, наконечник 2, муфта 3, коробка с ру- кояткой 4 и спусковой рычаг 5. Дюбель забивается с помощью пор- шня, перемещающегося под действием пороховых газов, без пред- варительного разгона из состояния покоя. При этом дюбель не приобретает опасного потенциала энергии, т. е. при ударе бойка по патрону порох воспламеняется, пороховые газы передвигают Рис. 3.9. Строительно-монтажный пистолет ПЦ52-1: 1 — прижим: 2 — наконечник; 3 — муфта; 4 — коробка с руко- яткой; 5 — спусковой рычаг 55
поршень по каналу, и он, ударяя по дюбелю, забивает его. Для пробивания отверстии в железобетонных плитах поршень заменя- ют на пробойник. Благодаря большой массе поршня скорость забиваемого дюбе- ля невелика — 60...80 м/с. При работе с пистолетом косвенного действия значительно повышается безопасность, исключаются ри- кошет дюбеля и сквозной прострел основания, значительно сни- жается уровень шума. При выстреле в малопрочное основание или при ошибочном использовании слишком мощного патрона пор- шень останавливается специальным упором-амортизатором, ис- ключающим его опасный вылет. Производительность пистолета составляет 50 выстрелов в час, масса — не более 3,6 кг. В качестве источника энергии используют- ся монтажные малогабаритные снаряды (патроны) двух групп: более мощные А (длинные) и менее мощные К (короткие), заря- женные бездымным порохом. В комплекте пистолета соответственно имеется два ствола: № 1 (основной) с патронником длиной 22 мм и № 2 с патронником длиной 15 мм. Кроме того, в комплект пис- толета входят магнитный прижим для удержания мелких стальных деталей (до 100 г) и пружинный прижим для уменьшения раскра- шивания бетонной поверхности в месте забивания дюбелей. Выбор патрона производится по мощности заряда, который дол- жен соответствовать материалу строительного основания, а также материалу и толщине закрепляемого изделия. Патроны обеих групп различаются по номерам (1; 2; 3 и 4), массе, энергии используе- мого порохового заряда, соответствующего условной мощности (слабая, средняя, сильная и сверхсильная), и цвету окраски уку- порки (белый, желтый, синий, красный). При работе с пистолетом обычно используют дюбеля-гвозди (рис. 3.10) длиной от 27 до 100 мм с диаметром стержня 3,7; 4,5; 6,8 мм, реже используются дюбеля-винты длиной от 35 до 70 мм с диаметром резьбовой головки М4, Мб, М8 и М10. Рис. 3.10. Дюбеля к строительно-монтажному пистолету7 ПЦ52-1 56
Рис. 3.11. Устройство пиротехнической оправки ОДП-4м: 7 — зарядный шток; 2 — запорная гайка; 3 — корпус; 4 — поршень; 5 — выхлопное отверстие корпуса; 6 — фланец; 7 — тормозная шайба Пиротехническая оправка ОДП-4м (или ОДП-6 более совершен- ной конструкции) служит для забивания дюбелей в бетонные и кирпичные основания с целью закрепления электропроводки, электроустановочных и других изделий небольшой массы. Дюбель- ная пиротехническая оправка ОДП-4м более производительна, чем ручная оправка ОД-6, так как забивает дюбель за один удар. Устройство пиротехнической оправки показано на рис. 3.11. В сталь- ном корпусе 3 оправки расположены камера для патрона (патрон- ник) и поршень 4, воздействующий на дюбель. В полости корпуса свободно перемещается зарядный шток 1 с головкой, с помощью которого осуществляется накал капсюля пат- рона. Сам корпус оправки представляет со- бой полую втулку с наружной резьбой для навинчивания фланца 6 с отверстием для дюбеля на одном конце и крышки — на дру- гом. На корпус надет кожух, представляю- щий собой стальную втулку, обрезиненную снаружи. Работа оправки, как и строительно-мон- тажного пистолета, основана на использо- вании энергии расширяющихся пороховых газов, воздействующих через поршень на дюбель. Поэтому оправка также относится к пиротехническому инструменту косвенно- го действия. В качестве источника энергии в ней используются беспыжевые патроны от В4 до В9. Удар молотком по штоку оп- равки (рис. 3.12) вызывает воспламенение капсюля патрона, и под действием порохо- вых газов через поршень дюбель вдавливает- ся в основание. Рис. 3.12. Применение оправки ОДП 57
Рис. 3.13. Устрой- ство ударной ко- лонки УК-2М: 1— пиротехничес- кая головка; 2 — узел поворота и амортизация го- ловки; 3 — штан- га; 4— муфта; 5 — подпятник Пиротехнической оправкой забивают дюбеля- гвозди диаметром 3,5 мм и длиной 25 и 35 мм при несъемном креплении деталей и дюбеля-винты тех же размеров при креплении съемных деталей и из- делий гайками. Для фиксирования дюбеля в оправ- ке и его центровки используются металлические шайбы диаметром 8 мм. Подбор группы и номера патронов для оправок производится по определен- ной таблице в зависимости от материала основа- ния, марки и размера дюбеля. При забивании оп- равкой дюбелей-гвоздей на последние должны быть предварительно насажены центрирующие шайбы. Дюбеля рекомендуется забивать в ряд по прямой линии с расстоянием между ними в 40 мм. Масса оправки 2 кг, размер 280x55 мм, произ- водительность 250...300 выстрелов в смену, дол- говечность 5000 выстрелов (с использованием за- пасных частей). Для пробивки отверстий в многопустотных же- лезобетонных междуэтажных перекрытиях приме- няется ударная пиротехническая колонка УК-2М (рис. 3.13). Отверстие пробивается пробойником, который перемещается в стволе колонки под дей- ствием пороховых газов (рис. 3.14). В качестве ис- точника энергии в ней используются беспыжевые патроны от В7 до В9 и Г1, Г2. Ствол колонки со- единен с корпусом, в котором смонтирован удар- но-спусковой механизм. Под воздействием пружи- ны ударник накалывает капсюль патрона, проис- ходит выстрел, и под давлением пороховых газов пробойник устремляется вперед, пробивая отвер- стие в плите перекрытия. В колонке УК-2М применяется пробойник ко- нической формы, которая обеспечивает его са- моторможение в пробитом отверстии. Пробойник выталкивается находящимся в стволе колошей поршнем, которому при выстреле сообщается энергия пороховых газов. Разгон пробойника до строительного основания составляет 30 мм, а за пределами направляющего цилиндра — 60 мм. Дальнейшее движение пробойника ограничивается амортизатором. Колонка УК-2М имеет простой и надежный ударно-спусковой механизм и блокировку, исклю- чающую возможность случайного выстрела. В кон- 58
струкции пробойника предусмотрена ра- циональная схема амортизации, а также гасительное устройство, снижающее силу звука при выстреле. Рабочий, использую- щий колонку, испытывает незначитель- ную отдачу. Масса колонки не более 8 кг, длина 1800 мм, максимальный диаметр проби- ваемого отверстия 40 мм в бетоне толщи- ной 15...50 мм марок 200...400, макси- мальная производительность 250...300 выстрелов в смену, долговечность с ис- пользованием запчастей 5000 выстрелов. Первый выстрел производят патроном В8, но если отверстие не пробилось, его повторяют патроном с большим зарядом В9, а если и этот заряд оказался недоста- точным, в третий раз используют патрон Г2. Применять патроны с более высоким зарядом ГЗ и Г4 запрещено. Если после спуска ударного механизма выстрела не происходит, это можно объяснить одной из следующих причин: осечкой из-за не- удовлетворительного качества патрона, ос- лаблением или поломкой пружины удар- ника, затуплением конца ударника, заг- рязнением ударного механизма. Для опре- деления причины неисправности необхо- димо повторно взвести ударный механизм и произвести спуск ударника. При повтор- Рис. 3.14. Пробивка отвер- стия в плите перекрытия помещения при помощи колонки УК-2М ном отсутствии выстрела следует заменить патрон и произвести 2—3-кратный спуск ударника, если выстрел опять не происходит, колонку сдают в ремонт. Пиротехнические колонки отличаются простотой конструкции, удобством в работе, высокой производительностью, не требуют применения противошумных наушников, безопасны и обладают достаточной мощностью. Вопросы для самоконтроля I. 1. Перечислите инструменты, предназначенные для пробивных и крепежных работ. 2. Для чего служат электромагнитобур и электросверлильные ма- шины? 3. Какого исполнения могут быть электросверлильные машины? 4. Какие пневматические инструменты вы знаете? 59
5. Какие пиротехнические инструменты вы знаете? II. 1. Из чего состоит электромагнитобур СЦ-2? 2. Из каких частей состоят электросверлильные машины? 3. В чем преимущество пневматического инструмента перед электри- ческим? 4. Каково устройство строительно-монтажного пистолета? 5. Поясните устройство пиротехнической оправки. 6. Как устроена ударная пиротехническая колонка? III. 1. Поясните принцип действия электромагнитобура. 2. Как работает электросверлильная машина? 3. Поясните принцип действия строительно-монтажного пистолета. 4. Как работает пиротехническая оправка? 5. Поясните принцип действия ударной пиротехнической колонки. Инструменты и механизмы для соединения и оконцовки кабелей Клещи КСИ-1 (рис. 3.15, а), предназначенные для снятия изо- ляции с концов проводов сечением 0,75 ...4 мм1 2 и их перекусыва- ния, состоят из трех частей, связанных между собой шарнирно: рычага для зажатия проводов, рычага с ножами для надреза изо- ляции и рычага с ползунком-эксцентриком, перемещающим при- жим и фасонный нож в губках клещей. Работают они следующим образом. Провод вставляют в отверстие при сомкнутом положении губок; сжав рукоятки верхнего и среднего рычагов 3, его зажима- ют и надрезают изоляцию. Затем, не разжимая сжатых рукоя- ток, подхватывают той же рукой рукоятку нижнего рычага и на- жимают на нее, при этом губки клещей раздвигаются и снимают Рис. 3.15. Клещи КСИ-1 (а) и КСИ-2 (б): 1 — нож для подрезания изоляции; 2, 6, 7 — ножи для откусывания провода; 3, 9, 10, 16 — рычаги; 4 — прижим; 5, 17 — эксцентрики; 8 — ползун; 11 - штифт; 12 — пластмассовый чехол; 13 — пружина; 14 — упор; 15 — пластина 60
изоляцию с проводника на установленной длине. Откусывание про- водов производится специальными ножами при сжиме нижнего и среднего рычагов клещей. Модернизированные клещи КСИ-2 (рис. 3.15, б) с двумя руч- ками более производительны и удобны в работе. Они работают сле- дующим образом: конец провода вставляют в прорезь между при- жимами в отверстие ножей и сжимают рычаги. Происходит зажим проводов и перекусывание изоляции в месте смыкания ножей. При дальнейшем сжатии концы рычагов раздвигаются и надрезанный конец изоляции сбрасывается. Перекусывание проводов произво- дится ножами кусачек. Ход рычагов ограничивается упорами. Ножи сменяются по мере необходимости. Инструмент МБ-2 (рис. 3.16), предназначенный для снятия изо- ляции с двужильных плоских проводов сечением 0,5 ...4 мм2 с од- новременным разрезанием перемычки между ними, выполняется в виде клещей с двумя ручками 1 и 3. В губках 4 и 5 клещей разме- щены неподвижный 6 и подвижный 7 ножи и прижим 8, изго- товленный как единое целое с одной из рабочих губок. Масса ин- струмента 0,6 кг. Модернизированный инструмент МБ-1М имеет дополнитель- но введенные ножи для перекусывания проводов и жил кабелей сечением от 0,75 до 6 мм2. Его масса 0,25 кг, длина участка захвата для снятия изоляции от 5 до 30 мм. Также выпускают кле- щи М-1 для снятия изоля- ции с проводов малых сече- ний (0,25; 0,35; 0,5; 0,75; 1 мм2) и их перекусывания. Длина их участка захвата для снятия изоляции составляет от 5 до 30 мм, а масса 0,1 кг. Пресс-клещи ПК-3 пред- назначены для опрессовки жил алюминиевых прово- дов с суммарным сечением 7,5; 13 и 20 мм2 в гильзах ма- рок ГАО-4, ГАО-5, ГАО-6 и медных жил сечением 4... 6 мм2 в наконечниках ти- па Т и гильзах типа ГМ, а также для оконцовки мед- ных многопроволочных жил сечением 1,5 и 2,5 мм2 в ка- бельных кольцевых наконеч- никах П. Эти пресс-клещи Рис. 3.16. Инструмент МБ-2 для снятия изоляции: 7, 3 — ручки; 2 — пружина; 4, 5 — губки; 6, 7 — соответственно неподвижный и подвиж- ный ножи; 8 — прижим 61
не требуют наличия набора сменных матриц и пуансонов. Рабочий инструмент размещается в цилиндрической обойме головки пресса, секторы которой соответствуют определенному сечению жил. Мак- симальное рабочее усилие на пуансоне 12,5 кН при усилии сжима рукоятки 300 Н. Масса клещей 1 кг. Пресс-клещи ПК-4 предназначены для опрессовки алюминие- вых наконечников и соединительных гильз на проводах и кабелях сечением 16...35 мм2 и гильз марок ГАО-5, ГАО-6, ГАО-8. Эти пресс-клещи имеют блокирующее устройство, которое не позво- ляет раскрывать их во время работы и снимать наконечник или гильзу до окончания опрессовки на требуемую глубину. Возврат рычагов в начальное (открытое) положение производится после срабатывания блокирующего устройства в момент полного завер- шения опрессовки, т. е. в момент соприкосновения плечиков матри- цы и пуансона. Максимальное рабочее усилие на пуансоне 14 кН при усилии сжима рукоятки 300 Н, масса клещей 2,5 кг. Пресс-клещи ПК-1М (рис. 3.17, а) состоят из удлиненных ру- кояток 3 с вилками, двух рычагов 1 и блокирующего устройства 2. На рычагах закрепляются сменные пуансоны и матрицы. Бло- кирующее устройство не позволяет раскрывать клещи во время Рис. 3.17 Пресс-клещи ПК-1М (а) и ПК-2М (о): 1 — рычаги; 2 - блокирующее устройство; 3 — рукоятка; 4 — шток с пуан- соном; 5 — головка для установки матрицы; 6 — матрица; 7 — тяга 62
Рис. 3.18. Гидравлические монтажные клещи ГКМ: 1 — бугель; 2 — корпус; 3 — масляный резервуар; 4 — рукоятка насоса; 5 — матрица на штоке поршня; 6 — блок с пуансоном опрессовки и снимать наконечник или гильзу до ее окончания. Воз- врат рычагов в начальное (открытое) положение производится после срабатывания блокирующего устройства. Пресс-клещи ПК-2М состоят из рычага 7, двух рукояток 3, го- ловки 5, штока 4, двух тяг 7 и блокирующего устройства 2. На штоке закрепляется пуансон, а на головке клещей устанавливается мат- рица 6. Гидравлические монтажные клещи ГКМ (рис. 3.18) предназна- чены для опрессовки гильз типа ГАО с диаметром до 6 мм, гильз типа ГА и наконечников типа ТА для жил с сечениями до 25 мм2. Клещи действуют на принципе перетекания и давления масла в замкнутом сосуде. Для опрессовки наконечник или гильзу закладывают в матри- цу 5, перемещение которой осуществляется нажатием рукоятки 4. Матрица прижимает наконечник к блоку 6 с пуансоном, устанав- ливаемому в бугель 1. Окончание опрессовки происходит при сра- батывании перепускного клапана. Для возвращения поршня с мат- рицей в начальное положение открывается вентиль на корпусе 2, и масло возвращается в масляный резервуар 3. Ручные и приводные шиногибы и трубогибы предназначены для изгибания шин на плоскость и ребро, а также для изгибания труб. Ручным шиногибом (рис. 3.19) изгибают медные и алюминие- вые шины с сечениями до 50 х 6 мм как на плоскость, так и на ребро. Для изгибания на плоскость шину закладывают в щель 6 ко- робки 5 и прижимают винтами к стенке коробки; для изгибания на ребро шину устанавливают в зазоре 8 между шаблоном-проклад- кой 3 и плитой 10 и прижимают ребром к шаблону-прокладке. При повороте рьгчага 12 вокруг оси подвижные ролики 7 или 9 давят 63
Рис. 3.19. Ручной шиногиб: 1 — опорные швеллеры; 2 — нижняя опорная плита; 3 — шаблон- прокладка; 4, 11 — прижимные приспособления; 5 — коробка; 6 - щель; 7, 9 — подвижные ролики; 8 — зазор; 10 — верхняя плита; 12 — рычаг на шину и изгибают ее. Изогнув шину на заданный угол, отводят рычаг, отвертывают винты прижимных приспособлений 4 или 11 и снимают ее с шиногиба. Приводные шиногибы и трубогибы позволяют изгибать шины и трубы соответственно с большими сечениями и диаметрами. С по- мощью универсального шинотрубогиба УШТМ-2 можно изгибать на плоскость и ребро медные и алюминиевые шины с сечениями до 100x10 мм, а также водогазопроводные трубы с внутренним диаметром до 50 мм и тонкостенные трубы диаметром до 60 мм на угол до 90°. Шинотрубогиб комплектуется съемными приспособле- ниями для шин и труб с разными сечениями и диаметрами. Вальцы предназначены для правки шин с прямоугольным се- чением. Например, на вальцах ВПШ-140 можно править шины ши- риной от 30 до 140 мм и толщиной от 3 до 12 мм. Места контакт- ных соединений обрабатываются на станке ЗШ-120 и других ме- ханизмах. Резка шин производится маятниковой пилой, зачистка — 64
металлическими щетками, вращающимися с большой частотой, а смазывание за- чищенных контактов — ва- лом для смазки. Подача шин под щетки и на вал для смазки — ручная. Мак- симальное сечение обраба- тываемой шины 120 х 12 мм. Секторные ручные нож- ницы (рис. 3.20) предназна- чены для перерезания кабе- лей различных марок, сече- ний и диаметров. Ножницы НС-1 приме- няются для перерезания ка- белей с медными жилами с сечениями 3... 10 мм2 и с алюминиевыми жилами с сечениями 3... 25 мм2, алю- миниевых однопроволочных проводов с сечением 50 мм2 и многопроволочных про- водов с сечением 70 мм2, а также медных многопрово- лочных проводов с сечени- ем 50 мм2. Максимальный диаметр перерезаемого ка- беля 25 мм. Ножницы НС-2 исполь- Рис. 3.20. Секторные ручные ножницы НС-1 (а); НС-2 (б); НС-3 (в): 1 — подвижный секторный нож с зубьями; 2, 5 — соответственно подающая и фикси- рующая собачки; 3, 4 — соответственно не- подвижная и подвижная рукоятки; 6 — не- подвижный секторный нож зуются для перерезания ка- белей с медными жилами с сечениями 3...25 мм2 и с алюминие- выми жилами с сечениями 3...70 мм2, алюминиевых однопрово- лочных проводов с сечением 120 мм2 и многопроволочных проводов с сечением 240 мм2, а также медных многопроволочных проводов с сечением 150 мм2. Максимальный диаметр перерезаемого кабе- ля 40 мм. Ножницы НС-3 применяются для перерезания бронированно- го кабеля с медными жилами с сечениями 3... 150 мм2 и с алюми- ниевыми жилами с сечениями 3... 240 мм2. Максимальный диаметр перерезаемого кабеля 70 мм. Ручной гидравлический пресс ПГЭ-20 с электроприводом пред- назначен для опрессовки многогранным обжатием соединений и оконцовки жил алюминиевых изолированных проводов и кабелей с сечениями 16...240 мм2, а также округления секторных одно- 3 Нестеренко 65
проволочных алюминиевых жил с сечениями 25...240 мм2 и сек- торных комбинированных жил с сечениями 120... 185 мм2. Он со- стоит из трех основных частей: головки, являющейся рабочим ци- линдром, в котором сосредоточена гидравлическая часть с рабо- чим поршнем; электропривода с вмонтированными в его ручку аварийным переключателем и реле; соединительного переходни- ка, связывающего пресс с приводом. Пресс снабжен автоматичес- ким блокировочным устройством, обеспечивающим мгновенное отключение привода в момент окончания опрессовки. В качестве привода в нем используется электросверлильная машина с двой- ной изоляцией ИЭ1032-1 мощностью 0,21 кВт. Масса пресса 7 кг, рабочее усилие 200 кН. Электроприводом называется электромеханическая система, преоб- разующая электрическую энергию в механическую энергию одного или нескольких рабочих механизмов. Электропривод включает в себя систе- мы преобразования, передачи, распределения энергии и управления эти- ми процессами и может быть групповым, индивидуальным и взаимосвя- занным. В групповом приводе один электродвигатель приводит в движение с помощью разветвленной системы передачи группу механизмов или группу рабочих органов одного механизма, например несколько станков или различные рабочие органы одного станка. Кинематическая схема такого привода сложная и громоздкая, а сам привод неэкономичный, поэтому в настоящее время он находит лишь ограниченное применение. Привод, в котором электродвигатель приводит в движение только один рабочий орган, получил название индивидуального. В этом случае суще- ственно упрощается кинематическая схема механизма, повышается его экономичность и появляется возможность в ряде случаев встраивать элек- тродвигатель непосредственно в механизм, что уменьшает его металло- емкость. Примером такого совмещения электродвигателя с рабочим ор- ганом может служить различный электроинструмент: электродрель, элек- троточило, электрошпиндель и др. Взаимосвязанным называют привод, в котором рабочие органы од- ного механизма приводятся в движение несколькими электродвигателя- ми. Такой электропривод может состоять из нескольких индивидуальных электроприводов, участвующих в общем технологическом процессе и установленных на одном производственном объекте. Например, в метал- лорежущих станках устанавливаются отдельные приводы главного дви- жения заготовки режущего инструмента и приводы подач. Промышлен- ные роботы снабжаются несколькими отдельными приводами. Во взаи- мосвязанном приводе возможна работа нескольких электродвигателей на один рабочий орган, что позволяет снизить усилия в самом рабочем органе и передаче, распределить их в производственном механизме более рав- номерно, избежать предельных перекосов и т. д. Основная функция электропривода — приводить в движение рабочий механизм и изменять его режим работы в соответствии с требованиями технологического процесса. 66
Ручной гидравлический пресс ПГР-20М1 предназначен для со- единения и оконцовки алюминиевых и медных жил изолирован- ных проводов и кабелей с сечениями 16...240 мм2 способом оп- рессовки многогранным обжатием (шестигранное обжатие и местное вдавливание), а также для округления секторных однопро- волочных алюминиевых жил с сечениями 25... 240 мм2 и секторных комбинированных жил с сечениями 120... 185 мм2. Пресс (рис. 3.21) состоит из корпуса 2 с рабочим цилиндром и поршнем, скобы-бугеля 7 для закрепления матрицы и пуансонов, запорного и нагнетательного клапанов, подвижной 6 и неподвиж- ной 7 рукояток насоса, стакана 3, соединяющего корпус с руко- яткой, рычага 4 насоса, установленного шарнирно на стакане, и масляного баллона. При завернутом до упора запорном клапане поршень переме- щается под давлением, которое создается в рабочем цилиндре при качании рукоятки насоса. Чтобы поршень занял исходное поло- жение, следует отвернуть запорный клапан на два-три оборота. Для выполнения опрессовки в прессе устанавливаются пуансон и мат- рица, соответствующие сечению и конструкции жилы кабеля или провода. В матрицу укладывается наконечник (или гильза), наса- женный на жилу, и клапан закрывается. После этого рукоятку насоса качают до тех пор, пока пуансон не войдет в соприкосно- вение с матрицей. Затем открывают клапан, при этом поршень с пуансоном возвращается в исходное положение, и снимают оп- рессованный наконечник. Таким же образом производят округ- ление секторных алюминиевых однопроволочных жил кабелей Рис. 3.21. Ручной гидравлический пресс ПГР-20М1 (а), пуансоны и матрицы (б), опрессованные наконечники (в): / — скоба-бугель для установки матриц и пуансонов; 2 — корпус; 3 — стакан, соединяющий корпус с ручкой; 4 — рычаг; 5 - ремень; 6, 7 — рукоятки насоса 67
Рис. 3.22. Ручной гидравлический пресс РГП-7: ] — поршень; 2 — корпус; 3 — насос; 4 — рычаг; 5 — резервуар с маслом; 6 — вилка с матрицей и проводов. Максимальное усилие, развиваемое рабочим поршнем, 200 кН, масса пресса 5,3 кг. При выполнении оконцовки и соединений жил комбинирован- ным способом получают более равномерную деформацию по дли- не трубчатой части наконечника по сравнению с опрессовкой ме- стным вдавливанием. Ручной гидравлический пресс РГП-7 (рис. 3.22) состоит из кор- пуса 2, насоса 3 с клапанами, поршня 1 с пуансоном, резервуара 5 с маслом, вилки 6 с матрицей и рычага 4 насоса. При качании рычага насоса под действием давления масла перемещается пор- шень с пуансоном и происходит опрессовка наконечника. Ножной гидравлический пресс с электроприводом ПГЭП-2 слу- жит для опрессовки жил в наконечниках и гильзах двойным вдав- ливанием двузубого пуансона. Пресс состоит из насоса и рабочей головки, соединенных рукавом высокого давления длиной 2 м. Под действием давления масла перемещается рабочий поршень с пу- ансоном и происходит опрессовка путем вдавливания пуансона в наконечник или гильзу. Ножной гидравлический пресс ПГЭП-2М с электроприводом, как и ручной пресс ПГР-20М1, предназначен для соединения и оконцовки медных и алюминиевых жил проводов и кабелей с се- чениями 16...240 мм2 методом опрессовки, а также для опрессо- вки овальных соединителей на проводах воздушных линий. Он со- стоит из двух узлов — насоса, приводимого в действие электро- двигателем, и цилиндрической головки, соединенной с насосом шлангом высокого давления. Разделение на два отдельных узла об- легчает работу электромонтажника, так как головка пресса, кото- рую ему приходится держать в руках, значительно легче ручного гидравлического пресса ПГР-20М1. В качестве привода пресса ис- пользуется электросверлильная машина; его масса с головкой 23 кг. 68
Рис. 3.23. Ручной механический пресс РМП-7М: 1 — матрица; 2 — пуансонодержателъ; 3, 5 — кольца; 4 — барабан правого ры- чага; 6, 7 — соответственно подвижная и неподвижная ручки; 8 — трос; 9 — рычаги; 10 — корпус; 11 — откидная скоба Ручной механический пресс РМП-7М (рис. 3.23) предназначен для опрессовки кабельных наконечников на жилах проводов и ка- белей с сечениями 16... 240 мм2 однозубым вдавливанием. На кор- пусе пресса, имеющего форму клещей, шарнирно закреплена от- кидная запирающаяся скоба 11, служащая для установки сменных матриц 1. В корпусе 10 установлен свободно перемещающийся пу- ансонодержатель 2, рабочее и возвратное движения которого осу- ществляются рычагами 9. Для уменьшения усилий рычаги сжима- ются с помощью стального троса 8, намотанного на барабан 4 пра- вого рычага. Опрессовка происходит качанием ручки, при этом на барабан наматывается трос, рычаги 9 сближаются, и плечики пу- ансона соприкасаются с матрицей, вдавливая пуансон в трубча- тую часть наконечника и образуя зубья. Максимальное усилие, раз- виваемое прессом, 70 кН, его масса 5,3 кг. Термоклещи ТК-1 (рис. 3.24) предназначены для снятия пластмас- совой изоляции с жил проводов и кабелей с сечениями 1,5...6 мм2 на любом их участке. Клещи являются термомеханическими, т. е. они работают с использованием механического воздействия и рас- плавления изоляции. Благодаря электропрогреву ножей изоляция снимается с минимальным усилием. Рабочая температура ножа 170...200°C, мощность клещей 65 Вт, напряжение питания 36 В, масса 1 кг. Пиротехническими прессами ППО-95М, ППО-240, а также но- вым прессом ППОО выполняется оконцовка жил силовых одно- проволочных кабелей с сечениями 2,5... 240 мм2. Опрессовка про- изводится объемной штамповкой конца жилы с образованием кон- тактной лапки с отверстием под соединительный болт. Пиротехнические прессы применяются также и для других элек- тромонтажных работ, например для пробивки отверстий в изделиях из стального листа толщиной до 2 мм (ящиках, коробках, кожухах). 69
1 2 Рис. 3.24. Термоклещи ТК-Г. 1 — нагревательные элементы; 2 — рукоятка; 3 — головка с ножами Пиротехнический пресс ППО-95 (рис. 3.25) предназначен для оконцовки однопроволочных алюминиевых жил с сечениями 25...95 мм2. Пуансон, перемещаясь под действием пороховых га- зов патрона вдоль оси пресса, производит формовку конца жилы кабеля за один выстрел. В качестве источника энергии пресса при- меняются патроны Д4 и МПУ-3 с пороховым зарядом в 1 г и уку- поркой желтого цвета. Производительность пресса 40 выстрелов в час, масса 8,5 кг. Универсальный набор инструментов соединения и оконцовки НИСО предназначен для алюминиевых жил проводов и кабелей с сече- ниями 16...240 мм2, а также для скругления секторных однопро- волочных жил кабелей с сечениями 25... 240 мм2 и секторных ком- Рис. 3.25. Пиротехнический пресс ППО-95: 1 — возвратная пружина; 2 — корпус; 3 — ствол; 4 — замковая гайка; 5 — амортизатор; б — кожух; 7 — пуансон; 8 — патрон; 9 — боевая пружина; 10 - ударите 70
бинированных жил с сечениями 120... 185 мм2. Набор состоит из матриц и пуансонов, уложенных в ячейки панели футляра, на котором указана их маркировка, и используется он при работе с прессами ПГЭ-20 и ПГР-20М1. Масса набора 7 кг. Набор инструментов НИОМ с унифицированным посадочным местом и стандартными медными наконечниками и гильзами пред- назначен для опрессовки медных жил всех конструкций, в том числе сегментной и секторной формы. При использовании этого набора номенклатура используемых наконечников и гильз для жил с сечениями 16...240 мм2 сокращается до 10 типоразмеров, при этом упрощается их маркировка (цифровые обозначения сечений опрессовываемых жил наносят выштамповкой) и не требуется спе- циальный инструмент для скругления. Масса набора 4 кг. Инструменты 1УСА и УСА используются для опрессовки алю- миниевых наконечников и жил соответственно однозубым и дву- зубым вдавливанием; в их комплект входят матрица с пуансоном одного типоразмера. Вопросы для самоконтроля 1. 1. Перечислите инструменты, служащие для соединения и оконцов- ки кабеля. 2. Для чего применяются клещи КСИ-1? З. Для чего предназначены инструменты МБ-1М и МБ-2? 4. Для чего служат пресс-клещи? 5. Для чего предназначены трубогибы и шиногибы? 6. Для чего служат ручные гидравлические прессы? 7. Для чего предназначен ручной механический пресс? 8. Для чего служат термоклещи? 9. Для чего применяются пиротехнические прессы? II. 1. Из каких частей состоят клещи КСИ-1? 2. Как устроены инструменты МБ-1М и МБ-2? 3. Из чего состоят пресс-клещи ПК-1М и ПК-2М? 4. Как устроены трубогибы и шиногибы? 5. Из чего состоит ручной гидравлический пресс ПГР-20М1? 6. Как устроен ручной механический пресс РМП-7М? 7. Из чего состоят термоклещи ТК-1? 8. Как устроен пиротехнический пресс ППО-95? III. 1. Как действуют клещи КСИ-1? 2. Как работает инструмент МБ-2? 3. Поясните принцип действия пресс-клещей и гидравлических мон- тажных клещей. 4. Как действуют трубогибы и шиногибы? 5. Как работает ручной гидравлический пресс ПГР-20М1? 6. Поясните принцип действия ручного механического пресса РПМ-7М. 7. Как работают термоклещи ТК-1? 8. Поясните принцип действия пиротехнического пресса ППО-95. 71
Инструменты для сварочных работ Сваркой называют способ получения неразъемного соединения деталей с обеспечением сплошности материала. Различают дуго- вую, контактную, плазменно-дуговую и электронно-лучевую сварки. При дуговой сварке детали нагреваются с помощью электри- ческой дуги. При этом они служат одним из электродов этой дуги. Черные металлы свариваются стальным электродом с обмазкой. В процессе такой сварки электрод расплавляется и образует шов. Детали из цветных металлов чаще свариваются с помощью уголь- ного или графитового электрода — катода. Присадку в этом случае вводят в зону сварки в виде отдельного прутка. Дуговая сварка отличается повышенной электроопасностью, по- этому напряжение холостого хода источников питания сварочных аппаратов не превышает 90 В, рабочее напряжение составляет 35...70 В, а напряжение дуги находится в пределах 35...50 В. В зависимости от толщины деталей сварочный ток может быть 100... 1200 А. Аппарат ВКЗ-1 предназначен для автоматической сварки без флюса одножильных алюминиевых проводов с сечениями до 6 мм2. Он состоит из сварочного пистолета и корпуса, в котором уста- новлены сварочный трансформатор 220/10,5 В, понижающий транс- форматор 220/42 В, реле МКУ-48, катушки с проводом марки ШРПС и штепсельным разъемом. Принцип действия аппарата за- ключается в оплавлении концов скрученных проводов в монолит при прохождении электрической дуги между ними и электродом. Прекращение сварки в момент оплавления автоматическое. Масса аппарата 44,2 кг. Установка УСАП предназначена для соединения и оконцовки алюминиевых проводов и кабелей сваркой способом контактного разогрева и состоит из сварочного трансформатора, электродер- жателя с угольным электродом, сварочных двухэлектродных кле- щей и двух охладителей со сменными вкладышами. Сварку выпол- няют в формах из графита, керамики или стали. Разогрев прово- дов до температуры плавления осуществляется за счет выделения теплоты при контакте угольного электрода с алюминиевой жилой. Угольный электрод в начале сварки плотно прижимается к жи- лам, а затем, при расплавлении алюминия, остается погружен- ным в жидкую ванночку до конца процесса. Сварка выполняется с применением флюса марки ВАМИ. Контактная электросварка может быть стыковой точечной и ролико- вой. Точечная и роликовая (шовная) сварки производятся на контакт- ных машинах мощными однополярными импульсами тока. При точечной сварке детали устанавливаются между электродами контактной машины и плотно сжимаются, после чего включается ток. В месте контакта дета- 72
лей металл расплавляется и образуется свар- ная точка. При роликовой сварке заготовки устанавливаются между роликами. При вра- щении роликов к ним импульсно подклю- чается ток. Рис. 3.26. Электрическая схема процесса сварки УУ — управляющее устрой- ство; Тр — трансформатор; Tl, Т2 — тиристорные ключи Высококачественная точечная сварка до- стигается при определенных амплитуде и длительности импульса тока. Коммутация тока производится в цепи первичной обмот- ки сварочного трансформатора (рис. 3.26). Напряжение и ток вторичной обмотки транс- форматора регулируются тиристорными ключами (контакторами), управ- ляемыми специальным управляющим устройством посредством измене- ния фазы угла их открывания. Пистолет ПТЛ-2 предназначен для электрической точечной контактной приварки монтажных полосок толщиной до 0,5 мм к металлоконструкциям электротехнических установок. Он состоит из пластмассовой рукоятки, электрода и пусковой кнопки. Для сварки монтажную полоску прикладывают к зачищенному месту металлоконструкции и прижимают электродом, после чего нажи- мают пусковую кнопку пистолета, включающую сварочный ток. Газовоздушная горелка ГПВМ-0,1 предназначена для сварки алю- миниевых проводов разных сечений, пайки и других работ, свя- занных с нагревом. Она состоит из корпуса, держателя, запираю- щей иглы с маховиком, рукоятки и рукава. В комплект горелки входят паяльник и ванночка для пайки и лужения при кабельных работах. Максимальное сечение обрабатываемых проводов 35 мм2; применяемый газ — пропан-бутан (жидкий); емкость газовых бал- лонов 1 и 4 л. Горелка ГПВМ-0,1 входит в состав набора НСП-1 для пропа- новоздушной пайки, в котором могут находиться два газовых балло- на емкостью по 1 л каждый или один баллон емкостью 4 л и 2 м резинового шланга с краном. Соединение горелки с газовым бал- лоном емкостью 1 л производится через кран шланга, а с балло- ном емкостью 4 л — с помощью переходника, ввинчиваемого в гайку при снятом шланге. Наборы НСПК-1 предназначены для пропанокислородной свар- ки, которая широко внедряется для соединения и оконцовки алю- миниевых жил проводов и кабелей с сечениями 16...240 мм2, а НСПК-2 для жил с сечениями более 300 мм2. В настоящее время разработан и внедряется унифицированный набор НСПУ, состоящий из инструментов и приспособлений для сварки и пайки жил проводов и кабелей с сечениями 16... 1500 мм2. Кроме того, для соединения алюминиевых жил сетей освещения применяется набор НПГ-2. 73
Ранцевый монтажный полуавтомат ПРМ-4 предназначен для сварки плавящимся электродом в среде защитных газов конструк- ций из углеродистых и коррозионно-стойких сталей, меди, алюми- ния и его сплавов. Толщина свариваемых материалов от 1 до 50 мм. Применяется в стационарных и монтажных условиях. Комплект ПРМ-4 состоит из самого ранцевого полуавтомата, электрообо- рудования к нему и выпрямительной приставки ПВ-400. Полуавтомат представляет собой ранец, на панели которого монтируются механизм подачи проволоки, съемная кассета (ка- тушка) и горелка со шлангом. В зависимости от свариваемого ме- талла применяется большая (300 А) или малая (200 А) горелки. Электрооборудование, предназначенное для питания механичес- кой части полуавтомата и управления сварочным процессом, со- стоит из аппаратного шкафа, источника сварочного тока и элект- ромагнитного газового клапана. Электрическая схема полуавтомата обеспечивает плавное регулирование и стабилизацию скорости по- дачи электродной проволоки, его кнопочный пуск и дистанцион- ное управление, а также включение подачи в зону сварки защит- ного газа и перемещение электродной проволоки вперед и назад. В качестве источника питания электрической дуги постоянным током используется выпрямительная приставка ПВ-400 (в комплекте со сварочным трансформатором). Приставка, состоящая из восьми кремниевых силовых вентилей, дросселя, передней и задней пане- лей, монтируется на тележке и закрывается защитным кожухом. На- пряжение питающей сети 200 В, выпрямленного тока 65 В. Работы по пробивке ниш, отверстий, гнезд, выборке борозд, закреплению конструкций и деталей с помощью пистолета, со- единению и оконцовке жил проводов и кабелей с применением электрифицированного, пневматического и другого инструмента должны выполнять рабочие, прошедшие специальное обучение и имеющие удостоверение на право производства данных работ. Вопросы для самоконтроля I. 1. Какой инструмент применяется для сварочных работ? 2. Для чего служит аппарат ВКЗ-1? З. Для чего предназначена газовоздушная горелка ГПВМ-0,1? 4. Где и для чего применяется ранцевый монтажный полуавтомат ПРМ-4? II. 1. Из чего состоит аппарат ВКЗ-1? 2. Что входит в состав газовоздушной горелки ГПВМ-0,1? З. Что входит в комплект ранцевого монтажного автомата ПРМ-4? III. 1. В чем заключается принцип действия аппарата ВКЗ-1? 2. Каково назначение защитного газа в горелке ГПВМ-0,1? 3. Объясните принцип управления напряжением и током точечной сварки. 74
Электромонтажные инвентарные приспособления При электромонтажных работах используются различные ин- вентарные приспособления. К ним относятся приспособления для работы на высоте и для такелажных работ, контейнеры для комп- лектования и перевозки материалов, приспособления для испы- тания трубопроводов на герметичность и ввертывания электродов заземления и др. Рассмотрим некоторые из них. Для организации рабочих мест электромонтажников на высоте с учетом правил техники безопасности применяются инвентарные лестницы и подмости. Лестница-стремянка монтажная — ЛСМ (см. рис. 3.27, а), сва- ренная из профильного алюминиевого сплава и алюминиевого листа, состоит из двух шарнирно соединенных звеньев и применя- ется в качестве приставной лестницы и стремянки. Ее масса 12,5 кг, размер до верхней ступеньки в рабочем положении в качестве при- ставной лестницы 3180 мм, в качестве стремянки — 2120 мм. Лестница с площадкой Л-312 (рис. 3.27, б) используется для про- изводства работ на высоте до 4,5 м и состоит из двух опор-стоек, сваренных из дюралюминиевого листа, и горизонтальной площад- ки размером 500 х 600 мм с ограждением. Стойки снабжены опор- ными изолирующими оконцевателями с рифленой поверхностью и соединены стяжками. В транспортном положении лестницы стяж- ки снимаются, а стойки складываются. Масса лестницы 28 кг, высота до рабочей площадки 3 м. □ Рис. 3.27. Приспособления для работы на высоте: а — лестница-стремянка монтажная; б — лестница с площадкой Л-312; в — сборно-разборные подмости ПСР-7 75
Сборно-разборные подмости ПСР-7 (рис. 3.27, в), снабженные I рузоподъемной поворотной стрелкой для грузов до 100 кг, пред- назначены для работы двух монтажников на высоте от 2,2 до 7 м. Комплектуют их из опорной рамы и плоских трубчатых секций, которые позволяют собирать различные по высоте подмости с ша- гом высоты рабочей площадки 0,9 м. Площадь рабочего настила 1500x800 мм. Гидравлическая подъемная платформа ГМПП-5Д(у>мс. 3.28) пред- назначена для производства электромонтажных работ на высоте до 6,5 м. Подъем рабочей площадки осуществляется гидродомкра- том, вручную рукояткой или электроприводом; перемещается она вручную с помощью тележки с колесами. Масса платформы 390 кг, максимальная высота подъема рабочей площадки 5 м, грузоподъ- емность 250 кг. Скорость подъема вручную 1,2 м/мин, электропри- водом — 5 м/мин. Роликовая ручная тележка ТРР предназначена для перевозки бухт провода и других грузов по твердому основанию и состоит из рамы, двух колес, двух концевых роликов (вспомогательные Рис. 3.28. Гидравлическая подъемная платформа с электроприводом ГМПП-5Д: а — устройство; б — прокладка шинопровода с платформы; 1 - электродви- гатель; 2 — рукоятка управления гидродомкратом; 3 — гидродомкрат; 4 - тележка 76
колеса) и съемных трубчатых бортов. Масса тележки 72 кг, грузо- подъемность 300 кг. Телескопический монтажный подъемник «Темп» (рис. 3.29) пред- назначен для подъема одного рабочего с инструментом и монтаж- ными материалами на высоту до 9 м. Размер рабочей площадки 540x610 мм, скорость подъема и опускания 5 м/мин, грузоподъ- емность 100 кг, масса 125 кг. Минимальная высота от пола до ра- бочей площадки 3,9 м, максимальная — 7 м. Подъемник состоит из тележки, неподвижной и подвижной сек- ций и ручной лебедки, установленной на рабочей площадке. Тележка 7 служит опорой подъемника и представляет собой раз- борную объемную конструкцию, изготовленную из дюралюмини- евых труб. Четыре ходовых колеса могут свободно поворачиваться вокруг вертикальных осей. В рабочем положении подъемника ко- леса стопорятся; для его большей устойчивости откидные аутри- геры, установленные на тележке, довых колес обеспечивает уста- новку подъемника по отвесу на неровном полу. Неподвижная секция 2 пред- ставляет собой сварную объем- ную конструкцию из дюралюми- ниевых уголков, шарнирно со- единенную с тележкой. В рабочем вертикальном положении ниж- няя часть телескопического уст- ройства прижимается к попере- чинам тележки при помощи двух эксцентриков. В транспортном го- ризонтальном положении непод- вижное телескопическое устрой- ство удерживается двумя гибки- ми растяжками, связывающими его с тележкой. Подвижная сек- ция 3, в верхней части которой крепится рабочая площадка 4 с лебедкой 5, также представляет собой сварную дюралюминиевую конструкцию. Подвижная секция перемещается внутри неподвиж- ной по текстолитовым роликам. Подъем и опускание рабочей площадки осуществляется с по- мощью ручной лебедки, подъ- емный канат которой проходит закрепляются. Конструкция хо- Рис. 3.29. Телескопический монтажный подъемник «Темп»: 7 — тележка; 2, 3 — соответственно не- подвижная и подвижная секции; 4 — рабочая площадка; 5-лебедка; I- ра- бочее положение; II — транспортное положение
через блоки подвижного телескопического устройства и одним кон- ном закрепляется на неподвижной секции. При вращении рукоят- ки лебедки по часовой стрелке рабочая площадка вместе с мон- тажником поднимается, а при вращении ее против часовой стрел- ки — опускается. На случай обрыва каната предусмотрены ловители, которые стопорят подвижную секцию относительно неподвижной во время свободного падения. Подъемник транспортируется на колесах одним рабочим. Малогабаритный передвижной подъемник (МПП) имеет гидрав- лический привод для подъема, а перемещается вручную. Грузоподъ- емность подъемника 300 кг, высота подъема груза 1600 мм, ско- рость подъема 50 м/мин, масса 100 кг. Для механизации транспортировки грузов в монтажной зоне вы- пускаются тележки нескольких типов. Тележку типа ТПБ (рис. 3.30, а), передвигаемую вручную, при- меняют для перевозки к месту установки отдельных или сблоки- рованных между собой шкафов, камер, щитов и других электро- технических изделий. Она состоит из двух одноосных полутележек, соединенных между собой двумя стальными канатами, и рассчи- тана для перевозки изделий массой до 2 т. Для погрузки площадки полутележек с двух противоположных сторон подводятся под ос- нования изделия, установленного на подкладках высотой около 50 мм, стальные канаты сматываются с барабанов на необходи- мую длину, а петли, имеющиеся на их концах, накидываются на крюки натяжных устройств. После доставки изделия к месту уста- новки канаты ослабляются и изделие саморазгружается. Грузоподъ- емность тележки 2000 кг, масса 200 кг. Рис. 3.30. Тележки типа ТПБ (а) для транспортировки комплектных электрических устройств и типа ТГБ (б) для транспортировки кабельных барабанов 78
Специальная тележка типа ТГБ (рис. 3.30, б), предназначенная для погрузки, транспортировки, разгрузки и раскатки тяжелых барабанов с кабелем, а также для транспортировки электрообо- рудования, состоит из рамы, гидравлического домкрата, зажима, колес, системы тяг и рычагов и складывающейся грузовой пло- щадки. С помощью гидравлического домкрата с системой тяг и рычагов осуществляется подъем рамы для погрузки и ее опускание при разгрузке. В комплект тележки входит складная площадка, ко- торая крепится к раме тележки при транспортировке малогабарит- ного электрооборудования. Грузоподъемность тележки 600 кг, мас- са 80 кг, а максимальная высота подъема рамы 100 мм. Канаты и стропы, широко применяющиеся при такелажных ра- ботах (погрузке, разгрузке, горизонтальном перемещении и подъе- ме), могут быть пеньковые и стальные проволочные (тросы). Пеньковые канаты используются обычно для оснастки механиз- мов малой грузоподъемности (не более 200 кг), а стальные как более прочные — для подъема и перемещения грузов более 200 кг. Стропы (рис. 3.31) служат для подвешивания (подвязывания) гру- за на крюк подъемного механизма. Они могут быть универсаль- ные, облегченные с кольцами и облегченные с крюками. При та- келажных работах применяются также различные механизмы и приспособления: блоки, лебедки, полиспасты, тали, домкраты и др. Блоки служат для изменения направления каната и уменьше- ния тягового усилия при подъеме и перемещении грузов. По чис- лу роликов блоки делятся на однороликовые, двухроликовые, трех- роликовые и т. д. а) б) Рис. 3.31. Стропы универсальные (а), облегченные с кольцами (б), облегченные с крюками (в), общий вид замка со стропами (г), подъем шкафа станции управления (д) 79
Рис. 3.32. Схемы полиспастов Однороликовые блоки, служащие для изменения направления каната, называются отводными. Ролики в этих блоках привязыва- ются неподвижно у места изменения направления каната. Чтобы избежать протаскивания длинного конца каната через блоки, их выполняют с откидными деталями (щеками). Отводные блоки вме- сто крюка для подвешивания груза снабжаются серьгой. Диаметр ролика блока должен быть не меньше 10-кратного диаметра пень- кового каната или 18-кратного диаметра троса. Полиспасты состоят из верхнего неподвижного и нижнего под- вижного однороликовых или многороликовых грузовых блоков. Тя- говое усилие на канате при одинаковом грузе определяется чис- лом ниток каната в полиспасте. На рис. 3.32 приведены схемы по- лиспастов; цифры указывают, во сколько раз может быть увеличен вес Р груза, поднимаемого полиспастом, по сравнению с весом груза, поднимаемого однороликовым блоком, при одинаковом тя- говом усилии на канате. Полиспасты обычно применяются в соче- тании с лебедками в грузоподъемных кранах, оснащенных тормоз- ными устройствами. Тали бывают ручные и электрические. Ручная таль представляет собой переносный грузоподъемный механизм, состоящий из цеп- ного полиспаста и приводного механизма с тормозным устрой- ством. По конструкции тали могут быть двух типов: с червячной и шестеренчатой передачами. Наибольшее распространение получили тали с червячной передачей (рис. 3.33). Тали неподвижно подвешивают у места работ и приводят в дей- ствие снизу ручным натяжением тяговой цепи 5, вращающей при этом тяговое колесо 2, осью которого служит червяк. Последний приводит во вращение червячное колесо 7 со звездочкой для за- хвата грузовой цепи 5. Грузовая цепь, один конец которой закреп- ляется на неподвижной верхней части тали, вращает ролик 4 ниж- него грузового блока, приводя его в поступательное движение, в результате чего груз поднимается или опускается. Тормозное уст- ройство тали действует автоматически под давлением поднятого 80
груза. Тормоз обеспечивает плавное опускание груза, которое происхо- дит только при воздействии на тя- говую цепь. Электрические тали (тельферы) в отличие от ручных оборудуются двумя электродвигателями, один из которых служит для подъема груза, а другой — для горизонтального передвижения тали по монорельсу. При подъеме груза соответствую- щий электродвигатель через систе- му зубчатой передачи приводит во вращение барабан, на который на- матывается стальной канат полиспа- ста. Механизм подъема груза имеет электромагнитный тормоз. Другой электродвигатель через систему зуб- чатой передачи приводит во враще- ние ведущие колеса тали, которые катятся по монорельсу. Домкраты представляют собой переносные механизмы, применя- емые для подъема, перемещения на небольшие расстояния или для раз- Рис. 3.33. Таль с червячной передачей: 1 — червячное колесо; 2 — тяговое колесо; 3 — тяговая цепь; 4 — ро- лик нижнего блока; 5 — грузовая цепь ворота в горизонтальной плоскости тяжелого оборудования и дру- гих грузов. По конструкции домкраты делятся на реечные, винто- вые (или бутылочные) и гидравлические. Реечный домкрат (рис. 3.34, а) состоит из деревянного или стального корпуса 3, внутри которого перемещается стальная зуб- чатая рейка 2, заканчивающаяся сверху поворотной головкой 1 для опоры груза, а снизу лапой 5 для подхвата и подъема низко рас- положенного груза. Рейка находится в зацеплении с зубьями шес- терни, приводимой во вращение рукояткой 4. Для подъема и опус- кания груза рукоятку вращают в ту или другую сторону, в резуль- тате чего рейка перемещается в нужном направлении. Храповой механизм предотвращает опускание рейки под действием массы поднимаемого груза. Винтовой домкрат (рис. 3.34, б) состоит из стального корпуса 3 в верхней части которого имеется отверстие с прямоугольной или трапецеидальной резьбой, винта 7со свободно поворачиваю- щейся на нем головкой 1 для упора груза и рычага 6 с храповиком. Для подъема или опускания груза качают рычаг с храповиком, а в некоторых домкратах поворачивают в нужную сторону винт с по- мощью стержня, вставляемого в отверстия винта. Винтовые домк- 81
Рис. 3.34. Реечный (а) и винтовой (б) домкраты: 7 — головка; 2 — зубчатая рейка; 3 — корпус; 4 — рукоятка; 5 — лапа; 6 — рычаг с храповиком; 7 — винт раты обладают свойством самоторможения, вследствие чего ис- ключается самоопускание винта под действием массы поднимае- мого груза, что повышает их надежность. Гидравлические домкраты применяются для подъема тяжелого и крупногабаритного оборудования на небольшую высоту. Они при- водятся в действие или собственным ручным насосом, составля- ющим единое целое с домкратом, или отдельно стоящим насосом. Принцип работы гидравлического домкрата основывается на пе- ремещении поршня в цилиндре под действием созданного насо- сом высокого давления рабочей жидкости (обычно масла). Массу поднимаемого груза воспринимает на себя поршень. Электромонтажные работы на высоте можно производить с ле- сов или подмостей с настилами шириной не менее 1 м, имеющих надежное ограждение в виде перил высотой не менее 1 м, с ис- правных стремянок и приставных лестниц. При необходимости можно работать на высоте с неогражденных поверхностей или с постоянно укрепленных лестниц, но с наличием проверенных и испытанных предохранительных поясов. Запрещается прикрепляться предохранительными поясами к приставным лестницам и стремянкам во время работ на них (до- пустимо, если лестницы крепятся к строительным конструкциям). Запрещается работать с лестниц и стремянок около работающих машин и над ними, вблизи токоведущих частей, находящихся под напряжением и незащищенных от случайного прикосновения к 82
ним. При необходимости работающие машины должны быть оста- новлены, а токоведущие части отключены и заземлены. Для переноски и хранения инструментов, болтов и установоч- ных деталей лица, работающие на высоте, должны быть снабже- ны индивидуальными ящиками или сумками. При выполнении работ на высоте запрещается подниматься и опускаться по тросам и канатам, пользоваться для этой цели подъем- ными монтажными механизмами, переходить по незакрепленным конструкциям и работать на них, а также перелезать через ограж- дения и садиться на них. При производстве электромонтажных работ с высоко располо- женных подмостей и приставных лестниц должны быть приняты меры, исключающие возможность наезда на них мостовых кранов или перемещаемых кранами грузов. Работать разрешается только исправным ручным инструментом. Ручные инструменты ударного действия (зубила, пробойники) не должен иметь повреждений (сколов, выбоин) рабочих кромок, за- усенцев и зазубрин в месте захвата инструмента рукой, а также трещин и заусенцев на затылочной его части. Рабочие места, на которых имеются открытые проемы в наруж- ных стенах, отверстия в перекрытиях, опасные зоны, оборудуются защитными ограждениями с надписями, предупреждающими об опасности. Вопросы для самоконтроля I. 1. Какие приспособления для работы на высоте вы знаете? 2. Для чего предназначена роликовая ручная тележка? З. Для чего служат канаты, стропы и блоки? II. 1. Что представляет собой монтажный подъемник «Темп»? 2. Какие типы тележек вы знаете? 3. Из чего состоят полиспасты? Ш. 1. Что представляют собой тали? 2. Какие домкраты вы знаете и как они устроены? 3.3. Специализированные машины и передвижные мастерские Новой формой организации монтажа является создание специ- ализированных по отдельным видам электромонтажных работ ма- шин и передвижных мастерских. Спецмашины и мастерские уком- плектовываются средствами механизации, приспособлениями, ин- струментом, крепежными деталями и установочными изделиями. Для транспортировки крупных средств механизации, а также ком- плектов электромонтажных заготовок и материалов используются автоприцепы. 83
Специализированные машины и передвижные мастерские по- зволяют использовать двигатель автомобиля для привода механиз- мов, а автономные источники электроэнергии для питания элек- трифицированного инструмента. Наличие автономных источников электроэнергии в машинах и мастерских повышает их мобильность, позволяя широко применять их при отсутствии постоянного ис- точника электроэнергии. При наличии внешних источников электроэнергии имеющее- ся оборудование позволяет подключать мастерскую к электросети для обеспечения освещения рабочих мест и работы электрифици- рованных инструмента и приспособлений. Передвижные мастерские со спецмашинами, оборудованные ра- диосвязью, позволяют осуществлять более полную и оперативную связь технического руководства с бригадами. Специализированные передвижные мастерские, оборудованные ящиками-сиденьями, шкафами с отделениями для рабочей и чис- той одежды, столами, умывальниками, обеспечивают при отсут- ствии на строительной площадке бытовых помещений нормальные производственные и санитарно-гигиенические условия для рабочих. В мастерских хранятся техническая документация, необходимая для производства работ, инструкции и плакаты по технике безо- пасности, а также комплекты средств индивидуальной защиты, испытанные в соответствии с действующими правилами. Специализированные автомашины с прицепами для монтажа электроосвещения жилых домов и гражданских зданий оснащаются генератором мощностью 12 кВт, преобразователем частоты, ра- диостанцией двухсторонней связи, сварочным трансформатором и слесарным верстаком; на прицепе устанавливают контейнеры для монтажных инструментов и материалов. Специализированные автомашины с прицепами для монтажа силового электрооборудования должны иметь средства малой ме- ханизации, генератор мощностью 12 кВт, подъемное приспособ- ление грузоподъемностью около 1000 кг и радиостанцию двухсто- ронней связи; на одноосном прицепе устанавливаются сварочное оборудование и преобразователь частоты. На машине имеются также ящики с механизмами, инструментом и различными приспособ- лениями, лестницы и стремянки. Специализированная автомашина для выполнения дыропробив- ных, сварочных работ и монтажа контуров заземления укомплек- товывается слесарным верстаком, генераторами переменного и по- стоянного тока, радиостанцией двухсторонней связи. В кузове по- мещаются контейнеры с монтажным инструментом и материалами, кабельные барабаны и электроды заземления, компрессор, элек- тродрели, электро- и пневмомолотки с набором пробивного ин- струмента, проводов и шлангов. 84
На специализированном автоприцепе для монтажа трансфор- маторных подстанций и закрытых распределительных устройств ус- танавливаются слесарный верстак, сварочный трансформатор, ле- бедка, домкрат и контейнер с инструментами и материалами. Аналогично комплектуются и другие спецмашины и прицепы. Вопросы для самоконтроля I. 1. Для чего создают специализированные машины и мастерские? 2. Каково назначение автоприцепа к специализированным машинам? II. 1. Каким оборудованием оснащены специализированные машины? 2. Как повышается мобильность специализированных машин? III. 1. Каковы возможности специализированных машин и мастерских? 2. Каким оборудованием снабжена специализированная машина, если она предназначена для дыропробивных и сварочных работ? 3.4. Линии заготовки и технологической обработки элементов осветительных электроустановок Большую роль в индустриализации электромонтажных работ иг- рают мастерские электромонтажных заготовок (МЭЗ) — производ- ственная база электромонтажных организаций. В мастерских выпол- няют сборку укрупненных монтажных блоков, заготовку трубных трасс и шин, сборку ошиновки, заготовку электропроводок, ком- плектных линий и элементов заземляющих устройств, ревизию и зарядку светильников, сборку их в блоки, а также изготавливают нестандартные изделия и конструкции. Современные мастерские — это участок электромонтажных заготовок и сборки укрупненных блоков. Предварительная сборка оборудования, конструкций и изделий в укрупненные блоки и увеличение выпуска электромонтажных за- готовок определяют получение значительного экономического эф- фекта. Работы выполняются в мастерских с применением механиз- мов и приспособлений заблаговременно, еще до готовности к монтажу строительных сооружений. Для монтажа электрических кон- струкций, оборудования и сетей, предварительно скомплектован- ных в укрупненные блоки, требуется меньшее число рабочих и более короткие сроки. Заготовительные сварочные работы в МЭЗ выполняются на ме- ханизированных поточных технологических линиях, оснащенных высокопроизводительными инструментами и приспособлениями. Кроме обработки проводов и кабелей и маркировки заготовок бирками на технологических линиях или стендах (при малом объеме работ) производится комплектация узлов электропроводок и це- лых линий в контейнеры вместе с крепежными деталями, конст- рукциями и изделиями, которые затем транспортируются к месту 85
производства работ. Размеры заготовок принимаются по замерам или чертежам с выборочной проверкой по месту до передачи за- каза в мастерскую. Номенклатура блоков и монтажных заготовок весьма разнообразна для всех видов электроустановок. Основным направлением в индустриализации монтажа элект- росетей является централизованная стендовая заготовка элемен- тов электропроводок и кабельных линий. Метод предварительной заготовки электрических сетей на технологических линиях МЭЗ впервые был разработан и широко внедрен в нашей стране. Заго- товленные линии электропроводок вместе с установочными из- делиями и приборами, крепежными деталями и конструкциями заводского изготовления укладывают в контейнеры и доставляют к месту монтажа. Предварительная заготовка труб и сборка трубных блоков про- изводится в мастерских отдельных монтажных организаций цент- рализованно для всех монтажных объектов по замерам или черте- жам рабочего проекта и журналам заготовки труб. Блоки значительной протяженности для удобства транспорти- ровки на машинах собирают из разборных секций. Отдельные труб- ные участки изготавливают и собирают в комплекте с соедини- тельными ответвительными коробками и затянутыми проводами. Индустриальная заготовка стальных труб в мастерских сокращает трудозатраты примерно на 30 % по сравнению с заготовкой труб на месте монтажа. Одиночные шины, элементы ошиновки и комплектные шин- ные устройства заготавливаются и собираются в мастерских по чертежам проекта или по снятым с натуры замерам. Элементы оши- новки собираются вместе с опорными конструкциями, изолятора- ми, шинодержателями и другими деталями. Комплектные шинные устройства, например ошиновки трансформаторов, состоят из смонтированных на каркасе разъединителей с приводом, самой ошиновки на опорных изоляторах и проходной плиты. Открытые шинные магистрали для канализации электроэнер- гии от внутрицеховых подстанций до распределительных пунктов цехов заготавливаются в мастерских, наматываются на кассеты и транспортируются на монтаж в комплекте с натяжными устрой- ствами, компенсаторами и другими деталями. Многопанельные щиты собираются укрупненными блоками по несколько панелей в блоке, исходя из условий транспортировки и монтажа на месте (размеров щитовых помещений, монтажных проемов, необходимости использования подъемных механизмов), с полностью законченной ошиновкой, вторичными проводками и предварительной наладкой. В местах разъема блоков все стыки шин и связи вторичных це- пей на время перевозки маркируются и разъединяются. Монтаж 86
блоков и сборка их в щиты производятся на закладных металло- конструкциях, заранее установленных при строительстве помеще- ния, и сводятся только к установке, восстановлению межблочных связей по маркировке и присоединению проводов и кабелей внеш- ней связи. Панели магнитных станций собираются на конструкциях, уком- плектованных необходимыми скобами, бирками и оконцевателя- ми для отходящих фидеров. Ящики сопротивлений устанавлива- ются на конструкциях, и по монтажным рейкам прокладываются провода связи между ними и панелями магнитных станций. Пол- ностью смонтированные панели магнитных станций собираются по три-четыре в блоки длиной до 5 м и массой до 3 т и комплек- туются приспособлением для транспортировки в виде инвентар- ных раскосов. В мастерских выполняются и другие заготовки: блоки для сило- вых и осветительных электроустановок (например, блоки магнит- ных пускателей, собираемые вместе с пусковыми кнопками на кон- струкциях из перфорированного профиля, с выполненными внутри соединениями, маркировкой и надписями); элементы заземления с опорными и закладными деталями; кабельные заготовки в виде пакетов контрольных и специальных кабелей; блоки цеховых трол- леев, в состав которых входят опорные конструкции с установ- ленными на них изоляторами, троллеедержателями и компенса- торами; окрашенные токопроводы длиною 6 м; вспомогательные уголки для сварки соседних участков троллеев встык и планки для подсоединения питания к троллеям и др. Централизованная заготовка и обработка электропроводок и комплектных осветительных линий производится на стендах и тех- нологических линиях в монтажных мастерских. Заводами также вы- пускаются специальные механизмы, которыми комплектуются эти линии. Технологическая линия КМО-3 по обработке и заготовке прово- дов осветительных линий состоит из комплекта механизмов, но каждый из них может быть использован и отдельно. Механизм для резки и отсчета заготовок проводов (рис. 3.35) представляет собой металлический шкаф 5, внутри которого разме- щаются барабан и привод. На панели механизма устанавливаются рихтовочное устройство, мерное устройство 7 со счетчиком отмера длины и отсчета заготовок, а также головка 2 для резки проводов. Требуемые длина и число отрезаемых проводов программи- руются. Длина отрезанного провода определяется частотой враще- ния счетчика (один оборот соответствует 10 мм), а число отреза- емых проводов задается набором соответствующего числа на нем. Отрезаемый провод с размоточного барабана пропускается между рихтовочными роликами, роликами мерного и тянущего устройства. 87
Рис. 3.35. Механизм для резки и отсчета заготовок проводов: 1 — мерное устройство; 2 — головка с электродвигателем для резки про- водов; 3 — шкаф с электроприводом и размоточным барабаном Рис. 3.36. Механизм для снятия изоляции с проводов и закручи- вания контактных колец: / — головка механизма с режущими ножами и оправкой для образования колец; 2 — шкаф с электроприводом; 3 — педальный привод После включения механизма резка и отсчет заготовок про- изводятся автоматически. Сечения жил обрабатываемых прово- дов могут быть от 1,5 до 6,0 мм2, скорость протягивания прово- да 16,3 м/мин, минимальная длина отрезаемой заготовки 100 мм. Механизм для снятия изоляции с проводов и закручивания контактных колец (рис. 3.36) представляет собой металлический шкаф 2, внутри которого размещен привод. На верхней панели раз- мещается головка 7 механизма с режущими ножами для снятия изоляции и оправкой для образования колец. Педальный привод 3 состоит из электродвигателя, редуктора, рычажно-кулачкового ме- ханизма и пусковой аппаратуры. Изоляция с обрабатываемого провода снимается в головке режущими ножами; одновременно разрезается перемычка двужильных проводов. После выполнения одного цикла операции механизм автоматически отключается. Сечения жил проводов, с которых снимается изоляция, могут быть 2,5... 10 мм2, а при закручивании контактных колец 2,5... 4 мм2, длина снимаемой изоляции до 50 мм, длина разрезаемой пленки 88
Рис. 3.37. Механизм для скручивания проводов, подрезки, сварки и кон- троля заготовок: 1 — педальный привод; 2 — шкаф с электроприводом; 3 — щиток управления; 4 — головка для скручивания про- водов и подрезки торцов; 5 — клещи для сварки; 6 — стенд для контроля изоляции 42 мм, внутренний диаметр закручивае- мых контактных колец 3,2; 4,2; 5,2; 6,2 мм. Сменный инструмент механизма (но- жи, вкладыши) и запчасти хранятся в специальном выдвижном ящике. Механизм (рис. 3.37) для скручивания проводов, подрезки, сварки и контроля заготовок проводов представляет собой механический шкаф 2, внутри которого размещаются привод и сварочный транс- форматор. На верхней панели установле- ны головка 4 для скручивания концов жил проводов и подрезки торцов, приспособ- ления для сварки и стенд 6 для контроля изоляции. В состав приспособлений для сварки входят ручные клещи 5 и элект- род одержатель с угольным электродом. Педальный привод 1 состоит из электро- двигателя и редуктора с приводной кулач- ковой муфтой. Жилы обрабатываемых проводов за- кладываются в квадратный зев головки до упора, и нажатием на педальный при- вод приводится в движение шпиндель головки, в результате чего происходит скручивание проводов. Подрезка скру- ченного пучка проводов, вставленного в отверстие диска соответствующего диа- метра, осуществляется ножом при нажа- тии на педальный привод, после чего свариваемый пучок жил зажимается кле- щами и сваривается угольным электродом. При подключении заготовки к зажимам стенда для контроля изоляции и отсутствии нарушений в ней загорается сигнальная лампа. Сечения обрабатываемых проводов могут быть от 1,5 до 6,0 мм2, а число жил с максимальным сечением, скручиваемых одновре- менно — 12. Технологическая линия КМО-6 для обработки проводов с сече- ниями до 10 мм2, предназначенных для осветительных сетей, со- стоит из следующего комплекта механизмов и устройств: автома- та АРС, механизмов ЗК и СП, установки УС, размоточной вер- тушки БС и монтажного стола МС. Автомат АРС, состоящий из устройств рихтующего плоские про- вода, подающего их, разрезающего пленку, тянущего и бухтую- 89
щсго, а также устройств для отмера и отсчета проводов, выпол- няет мерную резку, отсчет числа жил, снятие изоляции с прово- дов, а также расцветку заготовки. Число жил в обрабатываемых про- водах может быть до трех, длина снимаемой изоляции 30 мм, вре- мя снятия изоляции и разрезания провода 2,5 с. Механизм ЗК производит одновременное закручивание до трех контактных колец с внутренним диаметром 3,2; 4,2; 5,2 и 6,2 мм. Механизм СП, предназначенный для скручивания и подрезки жил проводов, состоит соответственно из приспособления для скру- чивания оголенных жил и приспособления для подрезки жил про- водов после скрутки. Одновременно такой механизм может скру- чивать 12 жил с сечением 6 мм2. На установке УС сваривают скрученные жилы, очищают их от шлака и изолируют. На монтажном МС столе установки смонти- рованы винтоверт, механическая отвертка, накопители собранных проводов, емкости под арматуру и контрольное устройство для про- верки качества контактных соединений. Технологическая линия КМБ-4 по обработке и заготовке прово- дов с сечениями от 16 до 240 мм2 и небронированных кабелей с диаметрами 16...65 мм служит для размотки проводов и кабелей с бухт или барабанов, правки и резки их на мерные отрезки, сня- тия изоляции с концов жил, опрессовки наконечников и мота- ния в бухты отрезков проводов длиной более 5 м. Комплект линии включает в себя механизмы МРБ для мерной резки проводов и МСБ для снятия изоляции с них, кабельный домкрат ДК-3, универсальную вертушку для сматывания прово- дов с бухт, тележку для накопления и транспортировки отрезков проводов в бухтах, стол комплектования проводов с приспособ- лением для изготовления маркировочных бирок, стойку, гидро- пресс ПГЭП-2 и стол-накопитель для отрезков проводов. Механизм МРБ для мерной резки проводов с большими сече- ниями и небронированных кабелей представляет собой металли- ческий шкаф, на верхней панели которого установлены ролики, мерное устройство со счетчиком и механизм с ножами для резки провода. Приводы подачи провода с намоточного барабана и ме- ханизма резки размещаются внутри МРБ. Конец провода, предва- рительно заведенный вручную в направляющие ролики, после включения МРБ подается протяжными роликами, вращающими- ся от привода подачи провода. Скорость протягивания провода составляет 20 м/мин. Перемещаясь, провод приводит в движение мерный ролик, который через редуктор передает движение валу счетчика. Длина отрезаемого провода определяется числом оборо- тов вала счетчика (один оборот соответствует 10 мм). После отсче- та заданного числа оборотов вала счетчик отключает электродви- гатель привода подачи провода и включает электродвигатель ме- 90
ханизма резки, который после выполнения операции автоматически отключается. Минимальная длина отрезаемой заготовки 100 мм. Для намотки на барабан конец провода прикрепляют к одной из его зажимных лапок барабана. Вращение барабана осуществля- ется через раздаточную коробку и цепную передачу от привода по- дачи. Механизм МСБ представляет собой металлический шкаф, на верхней панели которого установлен блок для снятия изоляции с проводов больших сечений. Привод, состоящий из электродвига- теля, клиноременной передачи и червячного редуктора с кулач- ком, размещается внутри механизма. На линии КМБ-4 механизированы операции размотки, отме- ривания и резки проводов, а также снятия изоляции с концов жил проводов, зачистки жил и опрессовки кабельных наконечников. При отрезке провода или кабеля длиной более 5 м предусмотрено бухтование. Длина и число отрезков провода задается оператором с помощью счетчика. Технологическая линия для заготовки тросовых проводок обычно состоит из двух частей (расположенных раздельно или вместе): ли- нии предварительной обработки стальной проволоки и линии для заготовки и сборки тросовых электропроводок. Первая часть линии состоит из вертушки для размотки прово- дов (проволоки), механизмов для правки, снятия окалины и ок- раски стальной проволоки, электропечи для сушки окрашенной проволоки и тянущего устройства для ее намотки. Для размеще- ния этой части линии требуется площадь в 40 м2, ее годовая про- изводительность составляет примерно 300 км. Вторая часть линии комплектуется механизмом для протягива- ния, отмеривания и резки проволоки, размоточными барабана- ми, столом-верстаком для сборки заготовок и приемной вертуш- кой. В ее состав входит также барабан с обработанной проволокой. Для размещения этой части линии требуется площадь 40...50 м2, ее годовая производительность составляет 120 км. Рихтовка и очистка от окалины выполняются путем перегиба проволоки внутри рихтовочной вращающейся головки и одновре- менном ее протягивании. При этом окалина по лотку ссыпается в ящик. Приспособление для рихтовки приводится во вращение кли- ноременной передачей от электродвигателя. Окраска проволоки осуществляется протягиванием ее через ванночку с лаком, нахо- дящуюся в специальной камере. Диаметр обрабатываемой прово- локи 4 ...6 мм, скорость ее движения 2,5 м/мин. Электропечь для сушки стальной проволоки, покрытой анти- коррозийным лаком, состоит из каркаса, камеры нагрева, охлаж- дающей установки и термопары. Камера нагрева имеет шесть на- гревательных элементов, расположенных на ее боковых стенках. 91
Регулирование температуры нагрева камеры осуществляется потен- циометром, установленным в шкафу управления и соединенным с термопарой специальным проводом. Охлаждающая установка за- полняется водой, поступающей из общей магистрали, а исполь- зованная вода отводится в общую канализацию. Рабочая темпера- тура камеры нагрева 400...450 °C, время разогрева до ее рабочей температуры 50 мин. Если в проводнике выделяется теплота, которая затем передается объекту нагрева, то происходит косвенный нагрев; проводник в этом случае называют электронагревателем или нагревательным элементом. Простейшая печь косвенного нагрева (рис. 3.38) имеет кожух 7, воспри- нимающий механические нагрузки, который обложен огнеупорным 2 и теплоизоляционным 3 слоями материалов, образующих стены, свод 8 и под 6 печи. На поверхности свода, стен и на части пода с помощью спе- циальной огнеупорной арматуры укреплены нагревательные элементы 5, излучающие теплоту на изделие 4. Материал нагревательных элементов имеет большое удельное электрическое сопротивление, устойчив к вы- соким температурам и химическому воздействию окружающей его сре- ды. Этим требованиям удовлетворяют сплавы никеля, хрома, железа и нихрома. В печи имеется отверстие, служащее для загрузки и выгрузки изделий, которое закрывается футерованной дверцей 7. Печи косвенного нагрева подключаются непосредственно к трехфаз- ной сети тока напряжением 380, 660 В или к понижающим электропеч- ным трансформаторам. Коммутационная аппаратура управления и авто- матического регулирования устанавливается в специальных щитах. При большом числе печей в цехе устраивается один контрольно-распредели- тельный пункт, в котором размещается вся аппаратура. Для поддержа- ния температурного режима печей их мощность регулируется переклю- чением ступеней напряжения питающих трансформаторов либо специ- альным регулятором напряжения, например тиристорным. Рис. 3.38. Печь косвенного нагрева: 1 — кожух; 2 — огнеупорный слой; 3 — теплоизоляционный слой; 4 — изделие; 5 — нагревательный элемент; 6 — под печи; 7 — дверца; 8 — свод печи Тянущее устройство для про- тягивания и намотки стальной проволоки состоит из инвентар- ного барабана, ось которого че- рез червячный редуктор соеди- нена с шарнирным валом при- вода, осуществляющим его вращение. Скорость движения проволоки 2,2 м/мин. Механизм для протягивания, отмеривания и резки стальной горячекатаной проволоки (ка- танки) состоит из корпуса, мер- ных и тянущих роликов, ножей для резки с редуктором, направ- ляющих роликов и электропри- 92
вода. Тянущие ролики имеют резиновые бандажи и пружину, обес- печивающие необходимое их сцепление с катанкой. Катанка с инвентарного барабана пропускается между направ- ляющими и мерными роликами и зажимается в тянущих роликах, которые приводятся во вращение от электродвигателя. Требуемые длина и число отрезаемых концов катанки устанавливаются на счет- чиках. После включения механизма второй части линии протягивае- мая катанка начинает вращать мерный ролик, который через ко- нический редуктор, цилиндрическую передачу и муфты передает вращение счетчикам. После достижения заданных длины катанки и числа отрезаемых заготовок счетчики через микропереключате- ли подают команду на остановку тянущих роликов. Во время этой остановки к катанке прикрепляются провода, подключаются от- ветвительные коробки и сжимы. Время, необходимое для этого, регулируется реле времени. Для повторного включения тянущих роликов надо сбросить прежние показания счетчиков, что произ- водится с помощью педали или вручную. Ножи для резки катанки включаются специальной рукояткой. Диаметр протягиваемой про- волоки 4...8 мм, скорость ее протягивания 9 м/мин, длина отме- ривания не менее 100 мм, шаг остановок для крепления проводов от 0,4 до 180 с. Стол-верстак для обработки проводов (снятия изоляции, скрут- ки жил, сварки), сборки и контроля тросовых электропроводок состоит из корпуса, на котором смонтированы головка для скрут- ки концов жил проводов, клещи КУ-1, стенд для контроля заго- товок проводов, приспособление для образования петель из ка- танки, электропривод головки с гибким валом, и шкафа с выд- вижными ящиками для хранения инструмента. На столе-верстаке размещается также магазин для одновремен- ной установки на нем четырех бухт проводов, состоящий из свар- ной рамы и четырех размоточных барабанов. Конструкция размо- точного барабана позволяет устанавливать бухты проводов с раз- личным внутренним диаметром. Для надевания бухты провода на барабан один из его дисков снимают. Барабаны с проходом уста- навливают на раме магазина. Вращение вала головки для скрутки проводов производится от электродвигателя через червячный редуктор и гибкий вал. Скру- чивание жил осуществляется до тех пор, пока нажат рычаг голов- ки. После скрутки и подрезки провода свариваются. Заготовки про- водов проверяются на стенде. При отсутствии нарушений в заго- товке на стенде загорается сигнальная лампа. Приемная вертушка для приемки и укладки в бухты собранной тросовой электропроводки состоит из основания, вала вертушки, вращающегося на подшипниках, педали, троса и тормозного ус- 93
тройства. При нажатии на педаль трос через храповик, насажен- ный на вал вертушки, приводит ее во вращение. Для закрепления тросовой электропроводки петлю троса надевают на штырь вер- тушки. Специальная ручная лебедка для предварительного натяжения тросовой проводки с тяговым усилием 3 кН состоит из корпуса, в котором находятся барабан со стальным канатом и храповой ме- ханизм, тросового зажима, рукоятки и ручки. При выполнении работ лебедка крюком крепится к неподвижной конструкции со- оружения, а зажим закрепляется на тросе кабельной проводки. Установив в рабочее положение подающую собачку, качанием рукоятки осуществляют привод лебедки. Технологическая линия для заготовки кабелей включает в себя ме- ханизм для отмеривания и резки кабелей с тележкой, привод на- тяжения и тянущие барабаны. Механизм для отмеривания, резки кабеля и укладки его на ин- вентарный барабан (рис. 3.39) состоит из корпуса 9, основания 7 для передвижения тележки 6 цепью 8, блоков включения и пода- чи пилы, плиты 10, на которой смонтированы пила 5, мерное ус- тройство 2 со счетчиком 1, удерживающие 3 и направляющие 4 ролики, зажим для кабеля и электроприводы. Рис. 3.39. Механизм для отмеривания, резки и укладки кабеля на инвентарный барабан: 1 — счетчик; 2 — мерное устройство; 3, 4 — соответственно удер- живающие и направляющие ролики; 5 — пила; 6 — тележка; 7 — основание; 8 — цепь; 9 — корпус; 10 — плита 94
Протягиваемый кабель пропускают между направляющими и удерживающими роликами через мерное устройство, пилу и за- жим. Требуемая длина кабеля устанавливается на счетчике, кото- рый после ее отмера через микропереключатель подает команду на остановку протяжки, в это время зажим губками захватывает кабель, и включаются блоки включения и подачи пилы. Для укладки витков кабеля на инвентарном барабане использу- ется тележка, которая с помощью электродвигателя, редуктора и цепи перемещает весь механизм по основанию. Сечения жил обра- батываемых кабелей от 16 до 240 мм2, минимальная длина отреза- емых заготовок 3000 мм, кратность отмеривания 100 мм, программ- ным устройством является счетчик СК-1, время резки кабеля 3 с. Привод для натяжения кабеля и намотки его на инвентарный барабан состоит из сварного каркаса, электродвигателя с редук- тором, шарнирного вала и тормозного устройства. Его электричес- кая схема сблокирована с механизмом резки кабеля; отключение и остановка осуществляются по сигналу микропереключателя, свя- занного со счетчиком. Шарнирный вал привода через полумуфту соединен с осью инвентарного барабана. Скорость натяжения ка- беля регулируется реостатом. Тянущие барабаны, вращающиеся внутри сварных каркасов, служат для намотки и последующей размотки кабеля на месте мон- тажа без применения кабельных домкратов. Конструкция позво- ляет перекатывать их по ровной поверхности. Барабаны типа БТК-1 предназначены для кабеля сечением до 150 мм2, рассчитанного на напряжение до 10 кВ, а барабаны типа БТК-2 — для кабеля сече- нием 185...240 мм2, а также кабелей любых сечений с соедини- тельными муфтами, для размещения которых на барабане преду- смотрено специальное место. Вопросы для самоконтроля I. 1. Какую роль выполняют мастерские электромонтажных заготовок? 2. Какие технологические линии вы знаете? 3. В чем заключается обработка и заготовка проводов осветительных линий? 4. Для чего предназначена технологическая линия КМО-6? 5. Для чего служит технологическая линия КМБ-4? 6. Из каких частей состоит технологическая линия тросовых проводок? П. 1. Какие операции производятся на технологических линиях? 2. Для чего предназначены МЭЗ? 3. Из каких механизмов состоит технологическая линия КМО-3? 4. Из чего состоит технологическая линия КМО-6? 5. Что включает в себя комплект технологической линии КМБ-4? 6. Как устроена технологическая линия для заготовки тросовой проводки? 95
7 Из чего состоит технологическая линия для заготовки кабелей? 111. I. Как работает механизм МС? 2. Поясните принцип действия механизма СЗ. 3. Какие операции выполняет автомат АРС? 4. Для чего служит механизм ЗК? 5. Что представляет собой механизм МРБ? 3.5. Правила пользования электромонтажными механизмами и инструментами Правильная эксплуатация механизированного инструмента и средств малой механизации заключается в регулярном уходе за ними, соблюдении установленных режимов работы и смазывании. Электрические машины и электрифицированный инструмент. Перед выдачей электрических машин для производства работ про- веряются специальными приборами на стенде или мегомметром исправность их электрической (сопротивление изоляции, нали- чие и исправность заземления, целость изоляции кабеля и др.), а также механической частей (надежность крепления резьбовых соединений, исправность редуктора, наличие смазки в подшип- никах и зубчатых передачах, правильность заточки и установки рабочего инструмента). Перед началом работы необходимо убе- диться в соответствии напряжения машины напряжению сети, ис- правности заземления и проверить работу машины на холостом ходу. Правильная эксплуатация электрифицированного инструмен- та обеспечивается также соблюдением установленной продолжи- тельности его включения и чистотой содержания, т. е. своевремен- ным удалением стружки, пыли, строительной мелочи. В процессе эксплуатации необходимо следить за состоянием смазки всех узлов машин и при необходимости заменять ее. Смаз- ку электросверлильных машин обычно меняют через каждые 200 ч работы. Постоянное смазывание шарикоподшипников и шестерен обеспечивается запасом среднеплавкой смазки УС-3, находящей- ся в гнездах подшипников и редукторе и добавляющейся один раз в два месяца. Использование электрифицированного инструмента, в частно- сти, электросверлильных машин с напряжением питания 220 В, увеличивает опасность травматизма (при пробое изоляции обмо- ток корпус такого инструмента оказывается под напряжением 220 В). Правилами техники безопасности в строительстве запре- щается пользоваться ручным электроинструментом с напряжени- ем питания 127 и 220 В в помещениях опасных и с повышенной опасностью (допускается использования электроинструментов с на- пряжением питания 42 В). 96
Однофазные электросверлильные машины с металлическим корпусом разрешается включать непосредственно в сеть 220 В только трехжильным гибким медным проводом сечением не менее 1,5 мм2 в общей оболочке, причем третья жила должна служить исключи- тельно для заземления корпуса машины. Нельзя использовать для заземления нулевую рабочую жилу провода. Нулевая и заземляю- щая жилы подключаются к заземляющей сети раздельно. Заземля- ющая жила присоединяется к корпусу винтом. Перед включением электросверлильной машины следует про- верить наличие и исправность заземления, состояние изоляции пи- тающего провода, соответствие напряжения и частоты питающей сети, работу выключателя (несколькими пробными включениями). Во время работы не допускается сильный нагрев сверлильной ма- шины (при котором нельзя держать ладонь на ее корпусе). При сильном искрении коллектора машину надо отключить для устра- нения его причин. В настоящее время применяются главным образом электрифи- цированные механизмы для пробивных работ с напряжением пи- тания 220 В и двойной изоляцией, которая состоит из двух неза- висимых друг от друга ступеней — рабочей и дополнительной. Ра- бочей называют основную изоляцию, необходимую для работы машины и защиты оператора от поражения электрическим током. Это оплетка или эмаль обмоточных проводов, пазовая изоляция обмоток машин, пропиточные лаки и компаунды, изоляция жил кабеля, проводов и внутренних соединений. Дополнительной изо- ляцией служат пластмассовые корпуса машин, изолирующие втул- ки и др. Выпускаются также электросверлильные машины с напря- жением питания 42 В и повышенной частотой (200 Гц), безопас- ные в работе, но для питания которых требуются крупногабаритные переносные преобразователи частоты, поэтому применение их ограничено. Для повышения безопасности электросверлильных машин на 220 В с одной ступенью изоляции их питание осуществляют от сети через специальный разделительный трансформатор (с коэффици- ентом трансформации 1:1), имеющий обмотки с усиленной изо- ляцией, выполненные так, что повреждение первично!! обмотки не приводит к образованию потенциала сети во вторичной обмот- ке. Следовательно, исключается появление потенциала сети и на металлических частях сверлильной машины даже в случае пробоя изоляции. Выполнение работ в установках, находящихся под напряжением или с частично снятым напряжением, разрешается в исключитель- ных случаях и только электромонтажникам, прошедшим специ- альные обучение и инструктаж, после получения наряда-допуска и обязательно под надзором эксплуатационного персонала. В на- 4 Нестеррн 97
ряде-допуске записываются все монтажные операции, которые должны выполнить монтажники, и меры, принимаемые для обес- печения их безопасности. Пневматический инструмент и сварочные трансформаторы. Ос- новное требование при эксплуатации пневматического инструмента заключается в смазывании его турбинным или соляровым маслом через каждые 4—5 ч работы, а нового инструмента через каждые 2-3 ч. Перед выдачей рабочий-инструментальщик проверяет в маши- не или перфораторе затяжку всех резьбовых соединений, запол- няет масляную полость чистым минеральным маслом, набивает масленки солидолом для смазывания редуктора и подшипников, опробывает работу на холостом ходу, проверяет давление сжатого воздуха и исправность шланга. Падение давления сжатого воздуха резко снижает производительность машины. В зимнее время пнев- моинструмент покрывается влагой от конденсации паров, содер- жащихся в сжатом воздухе, которую надо своевременно удалять. Кроме того, перед началом работы пневмоинструмент подогревают. Сварочные трансформаторы требуют постоянного надзора и сво- евременного устранения всех неисправностей. Уход за трансфор- маторами заключается в содержании всех их контактов исправны- ми и обеспечении надежного заземления корпуса, поэтому пери- одически необходимо проверять состояние изоляции, особенно при работе установки на открытом воздухе. Твердосплавный рабочий инструмент. Основными эксплуатаци- онными показателями, определяющими эффективность такого ин- струмента, являются его производительность и надежность. Нор- мальная эксплуатация сводится к правильному выбору инструмен- та, своевременной заточке, соблюдению режима сверления или пробивки. О затуплении рабочего инструмента и необходимости его за- точки судят по значительному снижению скорости проходки, за- метному в этом случае увеличению требуемого усилия нажатия на него, а также по падению производительности. Чрезмерное за- тупление может привести к разрушению рабочих пластин. При нормальной эксплуатации инструмент выдерживает по три-че- тыре заточки и обеспечивает скорость бурения в бетонных осно- ваниях порядка 1...2 мм/с. Хранением, эксплуатацией и ремонтом инструментов занима- ется центральное инструментальное хозяйство, которое состоит из двух служб: стационарной инструментальной мастерской с ремон- тной группой и передвижной (на машине) инструментальной ма- стерской. В стационарной инструментальной мастерской производятся ре- монт (восстановление), заправка, клеймение инструмента, наладка 98
и испытание его вхолостую и под нагрузкой, а также контроль за эксплуатацией, комплектацией и количеством. Работающий в передвижной мастерской слесарь-инструменталь- щик является и водителем автомашины, в крытом кузове которой установлены ящики-стеллажи для инструмента, верстак с тиска- ми и электрозаточным станком. На стеллажах размещаются сле- сарные и монтажные инструменты в необходимом ассортименте, а также приспособления и средства малой механизации по заяв- кам участков. Машина по графику объезжает монтажные объекты для выдачи и обмена инструмента. Механизированные инструменты и средства малой механизации выдаются бригадам полностью под- готовленными к работе, укомплектованными шланговыми прово- дами, штепсельными соединениями, сверлильными патронами, сверлами, насадками и т. п. Слесарь-инструментальщик не только производит обмен неис- правного инструмента на исправный, но и сам выполняет мелкий ремонт — заточку сверл, зубил, ремонт бокорезов, пассатижей, насадку ручек на молотки. Своевременный ремонт обеспечивает лучшую сохранность инструмента, повышает его долговечность. Планово-предупредительный ремонт машин и механизмов про- водят в соответствии с инструкцией. Обычно планируют два вида ремонта — текущий и капитальный. Техническое обслуживание ма- шин подразделяется на ежедневное, выполняемое в течение ра- бочей смены, и периодическое, выполняемое после отработки машиной определенного количества часов. Для новых машин, не проходивших капитальный ремонт, установлен межремонтный цикл. Для машин, прошедших капитальный ремонт, межремонт- ный цикл принимается с коэффициентом 0,8. Вопросы для самоконтроля I. 1. Как проверяют перед выдачей электрифицированные инструменты? 2. Как обеспечивается правильная эксплуатация электрифициро- ванных инструментов? 3. Где используются электроинструменты с напряжением питания 42 В? II. 1.В каких случаях нельзя использовать для заземления электро- инструментов нулевую рабочую жилу? 2. Что представляет собой двойная изоляция электрифицированных механизмов? 3. Какие вы знаете виды планово-предупредительного ремонта и какова их периодичность? III. 1. Каковы назначение и особенности работы разделительного транс- форматора при подключении электроинструментов? 2. Каковы правила работы на установках, находящихся под напря- жением?
Глава 4. ОСНОВНЫЕ СВЕДЕНИЯ ОБ ЭЛЕКТРИЧЕСКОМ ОСВЕЩЕНИИ 4.1. Осветительные электроустановки Осветительными электроустановками называются специальные электротехнические устройства, предназначенные для освещения территорий, помещений, зданий и сооружений. Осветительные электроустановки являются необходимым эле- ментом современных жилых домов, учреждений, общественных и производственных предприятий и представляют собой сложные комплексы, состоящие из распределительных устройств, магист- ральных и групповых электросетей, различных электроустановоч- ных приборов, осветительной арматуры, источников света, а так- же крепежных, поддерживающих и защитных конструкций. Отличительной особенностью осветительных электроустановок является многообразие применяемых схем и способов исполнения электропроводок, конструкций светильников и других источни- ков света. В современных мощных электроустановках применяются сложные устройства автоматики и телеуправления. В зависимости от назначения источника света различают общее, местное, комбинированное, рабочее и аварийное освещение. Общим называется освещение всего или части помещения. Местным является освещение рабочих мест, предметов или по- верхностей, например специальное освещение обрабатываемой де- тали или инструмента на токарном станке. Комбинированное сочетает в себе общее и местное освещения. Рабочим называют освещение, служащее для обеспечения нор- мальной деятельности производственных и вспомогательных под- разделений предприятия. Аварийным называется освещение, которое при нарушении ра- бочего освещения временно обеспечивает возможность продолже- ния работы или эвакуации людей. Аварийное освещение распола- гается в производственных помещениях, коридорах, лестничных клетках. Светильники аварийного освещения должны отличаться от прочих светильников окраской и конструкцией и присоединя- ться к электросети, не связанной с сетью рабочего освещения. Электропитание светильников общего, местного, рабочего и аварийного освещений в нормальных помещениях осуществляет- ся с напряжением 127 и 220 В, а в помещениях с повышенной опасностью и в особо опасных — с напряжением 12, 24, 36 В. 100
Различают также освещение переносное, охранное, светоогра- лительное. Переносное освещение осуществляется переносными ручными лампами от сетей 127 или 220 В в нормальных помещениях и от сети 12 В в помещениях повышенной опасности и на открытых уча- стках территории предприятия. Охранное освещение устанавливается вдоль ограды охраняемой территории с таким расчетом, чтобы одновременно освещались внешняя и внутренняя зоны, примыкающие непосредственно к ограде. Светооградительное освещение устанавливается на высоких зда- ниях и других сооружениях для обеспечения безопасности поле- тов самолетов в темное время суток. Основным требованием, предъявляемым к освещению, явля- ется обеспечение нормируемых параметров освещенности, кото- рые определяются условиями работы, в том числе: размерами ок- ружающих предметов, возможностью различать их, контрастом их с фоном и коэффициентом отражения фона; наличием доступных, опасных для прикосновения предметов, а также наличием светя- щихся поверхностей большой яркости (при электро- или газосвар- ке, плавке металла). Уровень освещенности отдельных участков помещений или ра- бочих мест увеличивают посредством правильного расположения светильников общего освещения, устройства местного освещения, применения конструктивно более совершенных светильников или повышения мощности ламп. Соблюдение при монтаже осветительных электроустановок нор- мируемых параметров освещенности способствует улучшению ус- ловий, повышению производительности труда и качества изготов- ляемой продукции, снижению утомляемости работников, эконо- мии электроэнергии. Рациональное, экономное использование электрической энергии и снижение затрат на освещение, на ко- торое расходуется 10... 12 % всей вырабатываемой электроэнергии, является большой народнохозяйственной задачей. Монтаж осветительных электроустановок производится по про- екту, в котором приводятся светотехнические расчеты и расчет ос- ветительной сети. Требования к производству монтажа электроус- тановок, его нормы и правила устанавливаются ПУЭ и СНиП, а также монтажными инструкциями заводов — изготовителей элек- трооборудования, электромонтажных устройств и изделий. При монтаже осветительных электроустановок должны учитываться ха- рактер технологического процесса, условия эксплуатации и состо- яние окружающей среды. Расчет потерь напряжения ведется при условии минимальных затрат проводниковых материалов. 101
Рис. 4.1. Схема замещения двухпроводной линии При расчетах требуемых сечений прово- дов в двухпроводной линии обычно извест- ны напряжение 17г источника электроэнер- гии (генератора), расстояние I от него до на- грузки, напряжение UH на зажимах нагруз- ки, необходимое для нормальной работы приемников электроэнергии, и сила тока / или мощность Рн нагрузки. Согласно закону Ома в соответствии со схемой, приведенной на рис. 4.1, Ur~ IRn + + IRH + IRn + Z7H. Сопротивление проводов линии Rn = p2l/s, где p — удельное сопро- тивление материала проводов; 2/ — общая длина линии; s — искомое се- чение проводов. Разность Ur - UH = Д(/ является потерей напряжения в линии. Найденное таким путем значение округляется до ближайшего стан- дартного сечения проводов. В большинстве случаев сила тока нагрузки непостоянна, т. е. возникают соответствующие изменения потери напряжения Д (/; по этой причине не- обходимо рассчитывать отклонение напряжения на зажимах приемника энергии от номинального значения при максимальной и минимальной на- грузках. Согласно ПУЭ в силовых сетях (в том числе сетях переменного тока) допустимые потери напряжения на линии от источника питания до наи- более удаленной точки сети при нормальном режиме не должны превы- шать 5 %, напряжение наиболее удаленных ламп освещения жилых зда- ний не должно снижаться более 5 % (так как при этом световой поток этих ламп уменьшается на 18 %), а ламп промышленных предприятий и общественных зданий — более 2,5 % от их номинального напряжения. Расчетная нагрузка питающей осветительной сети определяет- ся произведением установленной мощности ламп, определяемой светотехническим расчетом, и коэффициента спроса, равного 0,6 для распределительных устройств, подстанций, складских и вспо- могательных помещений предприятий, 0,8 — для лабораторий и лечебных учреждений, 1 — для производственных помещений (приложение 1). Питание осветительных электроустановок осуществляется от от- дельных осветительных трансформаторов или от трансформаторов, к которым одновременно присоединены и силовые потребители (электродвигатели, электросварочные аппараты). 4.2. Основные световые величины Основными световыми величинами являются световой поток, освещенность и сила света. Окружающие нас предметы излучают в пространство лучистую энергию, представляющую собой распро- страняющиеся в пространстве электромагнитные колебания. 102
Мощность излучения, которая оценивается по световому ощу- щению, производимому на глаз человека, называется световым по- током. Единицей измерения светового потока Ф служит люмен (лм). Одной из основных единиц светотехнических величин в систе- ме СИ принята единица силы света — кандела (кд). Для получения двух или трех уровней яркости освещения от люстр с одной лампой в коробку двойного выключателя надо вмон- тировать одну из схем, приведенных на рис. 4.2. Использование схемы, показанной на рис. 4.2, а, позволяет получить два уровня яркости. При замыкании выключателя В2 последовательно с лам- пой включается полупроводниковый диод Д1, который пропус- кает ток только при положительной полуволне. В этом случае средний ток уменьшается почти в два раза, и лампа будет го- реть вполнакала. Для получения трех уровней яркости горения лампы используют схему показанную на рис. 4.2, б. При замкну- том выключателе В1 и разомкнутом В2 положительная волна на- пряжения проходит через диод Д1 и лампу Л1, а отрицательная не проходит, и лампа будет гореть вполнакала. При замкнутом вы- ключателе В2 и разомкнутом В1 переменный ток проходит через конденсатор С1 и лампу Л1. Емкость конденсатора выбирается так, чтобы его сопротивление при частоте тока 50 Гц было в несколь- ко раз больше сопротивления лампы. В этом случае лампа будет го- реть очень слабо и может использоваться в качестве ночника. При разомкнутых выключателях В1 и В2 конденсатор С1 заряжается через диод Д1 до амплитудного значения напряжения U сети, и прохождение тока через лампу прекращается. Она не горит. Если оба выключателя замкнуты, через лампу проходит номинальный ток, и она горит с полным накалом. Понятие сила света служит для характеристики распределения светового потока в заданном направлении. Это понятие необходи- мо, так как некоторые источники света излучают световой поток неравномерно: с различной интенсивностью в разных направле- ниях. а) Рис. 4.2. Схемы включения люстры для обеспечения двух (а) и трех (б) уровней яркости освещения б) 103
Источник света, имеющий размеры, отличные от точки, ха- рактеризуется яркостью L светящейся поверхности в данном на- правлении, которая определяется отношением силы света /с к проекции светящейся поверхности S на плоскость, перпендику- лярную выбранному направлению. Эта проекция зависит от косину- са угла между направлением светового потока и нормалью (перпен- дикуляром) к площади светящейся поверхности: L = /c/(5cos<p). Единицей яркости является кандела на квадратный метр (кд/м2). Световой поток Ф, приходящийся на единицу освещаемой по- верхности 5, называется ее освещенностью: Е = F/S. Об интенсив- ности освещенности судят по плотности, с которой световой по- ток распределяется по освещаемой поверхности. Единицей осве- щенности является люкс (лк). Освещенность поверхности будет равна 1 лк, если на каждый 1 м2 ее площади упадет световой поток, равный 1 лм. Освещен- ность поверхности не зависит от ее свойств. Поверхности, яркость которых одинакова во всех направлениях, называются диффузны- ми. К таким поверхностям можно отнести матовую бумагу, дере- во, ткани и побеленные поверхности. 4.3. Источники света Разнообразные источники света по способу преобразования электроэнергии в световое излучение разделяются на две основ- ные группы: тепловые (лампы накаливания) и газоразрядные (лю- минесцентные, ртутные). Тепловые источники света используют свойство тел излучать при нагревании лучистую энергию. При достаточно большой темпера- туре это излучение переходит в область видимого — тело начинает светиться. Световое излучение увеличивается с увеличением тем- пературы тела. Действие ламп накаливания основано на тепловом излучении. Это наиболее простой и распространенный вид излучения, при котором потери атомами энергии на излучение света компенси- руются за счет энергии теплового движения атомов излучающего тела. Чем выше температура тела, тем быстрее движутся атомы, и световое излучение увеличивается. При столкновении быстрых ато- мов друг с другом часть их кинетической энергии превращается в энергию возбуждения, и эти атомы затем также излучают свет. Лампа накаливания (рис. 4.3) — малоэкономичный источник, так как только 12 % всей энергии, выделяемой в ее нити электри- ческим током, преобразуется в световую энергию. При повышении температуры излучающего тела t изменяется и цветовой состав излучения. Это хорошо видно при нагреве ста- ли: сначала она становится красной, а затем раскаляется добела. 104
Рис. 4.3. Лампа накаливания: 1 — цоколь; 2 — стеклянная нож- ка; 3 — электрод; 4 - держатель; 5 — колба; 6 — нить накала В первых моделях ламп накаливания использовалась угольная нить, в совре- менных лампах применяется нить из вольфрама. Температура плавления вольфрама (около 3400 °C) позволяет раскалить нить до 2500...2700°C при условии предохранения ее от сгорания. Защита от сгорания может быть реше- на или полным удалением воздуха из стеклянной колбы, в которой разме- щена раскаленная нить, или заполне- нием ее инертным газом. В обоих слу- чаях из-за отсутствия кислорода сго- рания нити не происходит. Вольфрам относится к группе ту- гоплавких металлов и широко приме- няется в электротехническом произ- водстве. Вольфрам — металл серого цвета с очень высокой температурой плавления и большой твердостью. По- лучают его методом порошковой ме- таллургии, т. е. в результате спекания спрессованных частиц металла. Прес- сованием частиц вольфрама в стальных пресс-формах получают заготовки — стержни, которые затем подвергают спеканию при t = 1300 °C. Спе- ченные вольфрамовые стержни имеют зернистое строение и яв- ляются хрупкими, поэтому их нагревают до 3000 °C и подвергают ковке и волочению. В результате такой обработки вольфрам при- обретает волокнистое строение, обеспечивающее ему высокую ме- ханическую прочность и пластичность. Скорость испарения вольфрама при t = 3000 °C составляет около 9 -10—9 мг/(с • см2), однако при температуре нагрева нити близкой к температуре плавления она резко повышается. Пары вольфрама оседают на внутренней поверхности стекла колбы и делают ее менее прозрачной. Такое потемнение хорошо видно у перегоревших ламп. При испарении вольфрама нить делается тоньше и перегорает. Для уменьшения тепловых потерь в лампах нить свертывают в плотную спираль, а в некоторых типах ламп эту спираль сверты- вают еще раз в двойную спираль. Такие лампы называют биспи- ральными. Лампы накаливания могут быть типа В127-15, В220-15, В127-25 и т. д. Срок службы ламп накаливания колеблется в широких преде- лах, так как зависит от условий работы, в том числе от стабиль- 105
ности питающего напряжения, наличия механических воздей- ствий, температуры окружающей среды. Средний срок службы ламп накаливания общего назначения 1000... 1200 ч. Основная причина быстрого перегорания ламп накаливания — повышенное напряжение питания. Так при напряжении 230 В срок службы лампы составляет 570 ч, а при напряжении 240 В — 200 ч. В помещениях, где часто перегорают лампы, необходимо пос- ледовательно с группой ламп, управляемых одним выключателем, включить дополнительное сопротивление. Хотя в сопротивлениях и теряется часть мощности, но все же устанавливать их экономи- чески выгодно. Необходимое значение этого сопротивления мож- но определить по формуле „ (иу - U I ’ и л * ном где £7Ном — номинальное напряжение, В; иш — напряжение на ши- нах в производственных помещениях в часы пик, В; Un — напря- жение, которое мы желаем получить на лампах (его принимают на 2 % ниже номинального), В; 7нОМ — номинальный ток группы ламп, управляемых одним выключателем. Номинальный ток, например в группе из 20 ламп по 60 Вт, определяется следующим образом: ZHOM = (60 • 20) / 220 = 5,46 А. В качестве сопротивлений используются высокоомные матери- алы диаметром 0,8... 1,0 мм или обычная стальная проволока диа- метром 1,2 мм. Размещают их в отрезке асбоцементной трубы дли- ной 25...30 см. Трубу устанавливают вертикально. Снизу и сверху ее закрывают крышками, в которых сверлят отверстия для кон- тактных болтов. Основным электрическим параметром ламп накаливания явля- ется напряжение питания. При повышении номинального напря- жения на 10 % срок службы лампы снижается в пять раз, а на каж- дый процент изменения напряжения приходится 4 % изменения светового потока. Напряжение питающих электрических сетей в условиях эксплуатации колеблется. В целях улучшения эксплуата- ционных характеристик ламп ГОСТом допускается колебание на- пряжения питания в пределах ±5 %. Лампы накаливания, из внутреннего объема которых удален воз- дух, называются вакуумными, а лампы с колбами, заполненны- ми инертным газом, — газополными. Газополные лампы при про- чих равных условиях имеют большую светоотдачу, чем вакуумные, так как находящийся под давлением газ препятствует испарению тела накала, что позволяет повысить его рабочую температуру. Материалом для тела накала в газополных лампах служит воль- фрам. Колбы их наполняются ксеноном с добавкой соединения га- 106
логенного элемента с водородом. При высоких температурах тела накала эти добавки образуют химическое соединение с вольфра- мом, препятствуя его испарению. В настоящее время галогенные лампы применяются для светильников общего и киносъемочного освещения, прожекторов, аэродромных огней. В целях снижения тепловых потерь газополные лампы заполня- ются малотеплопроводным газом. Одним из способов сокращения тепловых потерь является также уменьшение размеров и измене- ние конструкции нити накала, например выполнение ее в виде плотной винтообразной или двойной спирали. Более совершенны по сравнению с лампами накаливания лю- минесцентные лампы, широко применяемые для освещения. Люминесцентные лампы (рис. 4.4) представляют собой стеклян- ную герметически закрытую трубку, внутренняя поверхность ко- торой покрыта слоем люминофора — искусственно приготовлен- ного химического вещества, в котором под действием внешних факторов (электрического разряда) возникает свечение (люминес- ценция). Люминофоры под воздействием ультрафиолетовых лучей электрического разряда излучают свет в спектре видимого излу- чения. Внутри трубки 4 в стеклянных ножках 2 укреплены биспираль- ные электроды 3 из вольфрама, соединенные с двухштырьковым цоколем 1, служащим для присоединения лампы к электрической сети посредством специальных патронов. Для обеспечения возможности предварительного подогрева электродов и облегчения начала разряда они выполняются в виде двойной или тройной спирали из вольфрамовой проволоки, по- крытой слоем окиси щелочноземельных металлов (бария, кальция). Из лампы откачивают воздух и заполняют минимальным коли- чеством инертного газа (аргона) с каплей ртути. Давление газа ус- танавливается в пределах нескольких паскалей. При подаче напря- жения или импульса повышенного напряжения на предваритель- но подогретые электроды в лампе начинается разряд в парах ртути, и она начинает излучать потоки света. Напряжение питания к лампе подается через штыревые контакты, расположенные в цоколе. В зависимости от цвета излучаемого лампой светового потока различают лампы дневного (ЛД), белого (ЛБ), холодно-белого Рис. 4.4. Лампа люминесцентная низкого давления: 1 — цоколь; 2 — ножка; 3 — электроды; 4 — стеклянная трубка 107
(ЛХБ) и тепло-белого (ЛТБ) света. В жилых или производствен- ных помещениях при необходимости точного определения цвето- вых оттенков, например в типографии при изготовлении цветных репродукций или в художественной мастерской, применяются лампы дневного света, обеспечивающие правильную цветопере- дачу. Люминесцентные лампы низкого давления являются газораз- рядными электрическими источниками света. Их изготавливают на напряжение 127 В мощностью 15 и 20 Вт и на напряжение 220 В мощностью 30, 40, 80 и 125 Вт. Срок нормальной службы люми- несцентных ламп около 5000 ч при условии нечастых включений, стабильности напряжения питания и обеспечения оптимальной ок- ружающей температуры. Чтобы использовать люминесцентную лампу, у которой пере- горела нить накала, надо включить ее по схеме, предложенной ин- женером В. Хоризаменовым. В этой схеме (рис. 4.5) применяются емкостный балласт и выпрямительные элементы. Устойчивое за- жигание при отсутствии у лампы одной или обеих нитей накала, а также у ламп с изношенным эмиссионным покрытием нитей достигается при подаче повышенного в 4,2 раза напряжения сети в результате возникновения ударной ионизации в газе. Резистор R1 служит для стабилизации режима работы лампы. При включении схемы конденсатор С1 заряжается через диод Д2 до амплитудного значения напряжения сети. В следующий полупериод напряжение сети, складываясь с напряжением конденсатора С1, заряжает конденсатор СЗ, удваивая напряжение. Аналогично дей- ствует и вторая половина схемы (62, С4, ДЗ, Д4). Напряжения кон- денсаторов СЗ и С4 складываются и достигают значения, необхо- димого для зажигания лампы. Когда зажигание произошло, конден- саторы С1 и С2 начинают работать как балластные сопротивления, обеспечивающие устойчивый газовый разряд в лампе. В совре- Рис. 4.5. Бесстартерная схема включе- ния люминесцентной лампы менных осветительных элек- троустановках промышлен- ных предприятий широкое применение находят дуго- вые ртутные лампы (ДРЛ) высокого давления. Эти лампы выпускают- ся с двумя и четырьмя элек- тродами. Основными элементами четырехэлектродной дуго- вой ртутной лампы (рис. 4.6) являются резьбовой цоколь /, колба 3 и кварцевая го- 108
редка 6. Внутри горелки находятся до- зированная капля ртути и газ аргон; в конце горелки впаяны активированные основной 5 и дополнительный 7 элек- троды из вольфрама. Внутренняя по- верхность колбы покрыта люминофо- ром 8. При подаче напряжения к электро- дам лампы происходит электрический разряд в парах ртути высокого давле- ния, сопровождаемый интенсивным излучением света, в спектре которого отсутствуют оранжево-красные лучи. Отсутствие оранжево-красных лучей делает лампу непригодной для освеще- ния, так как искажает естественные цвета всех предметов, поэтому состав люминофора, покрывающего внутрен- нюю поверхность колбы, подбирается так, чтобы под воздействием спектра ультрафиолетовых лучей он излучал оранжево-красный цвет, который, сме- шиваясь с основным световым потоком лампы, будет образовывать свет, вос- принимаемый человеческим глазом как белый с легким зеленоватым от- тенком. Четырехэлектродная ДРЛ отличает- ся от двухэлектродных наличием двух дополнительных электродов, подключенных к основным через до- бавочные сопротивления. Наличие этих электродов облегчает за- жигание лампы, так как при подаче напряжения питания между основным и ближайшим к нему дополнительным электродами возникает тлеющий разряд, под действием которого пары ртути ионизуются, способствуя разряду между основными электрода- ми лампы. ДРЛ с цоколем диаметром 40 мм2 выпускаются мощностью 250... 1000 Вт. Газоразрядные ртутные лампы высокого и сверхвысокого давле- ний используются в качестве мощных источников света. Источни- ком лучистой энергии в этих лампах является электрический раз- ряд между электродами. Их колбы выполняются из кварца, способ- ного выдерживать значительные давления при высоких температурах (300...900 °C). Эти лампы взрывоопасны в рабочем и нерабочем со- стояниях. Рис. 4.6. Дуговая ртутная лам- па высокого давления: I — цоколь; 2 — трубка; 3 колба; 4 — сопротивление; 5 - основной электрод; 6 — квар- цевая горелка; 7 — дополни- тельный электрод; 8— слой лю- минофора 109
ДРЛ в основном применяются для наружного освещения и ос- вещения высоких производственных помещений при отсутствии требования правильной цветопередачи. Они выпускаются типов ДРЛ80, ДРЛ 125 и др. Газоразрядные источники света (люминесцентные лампы и ДРЛ) значительно экономичнее ламп накаливания, так как у них в несколько раз выше светоотдача и срок службы. Более высокую световую отдачу имеют также натриевые лам- пы высокого давления, что достигается за счет ввода в разрядную колбу, кроме ртути и аргона, натрия. Частицы натрия, попадая в зону разряда, разлагаются, что и приводит к дополнительному из- лучению. Натриевые лампы, ввиду некоторого искажения цветопереда- чи, используются в основном для наружного освещения. Процесс совершенствования газоразрядных ламп продолжает- ся, и следует рассчитывать на их более широкое распространение. 4.4. Устройства для присоединения осветительных электроустановок Осветительные электроустановочные устройства (ОЗУ) служат для присоединения источников света к электрической сети, уп- равления этими источниками и обеспечения требуемых режимов работы освещения, определяемых окружающими условиями, на- пример характером производства. К наиболее распространенным ОЗУ относятся патроны, вык- лючатели и переключатели, штепсельные розетки с вилками и стартерные устройства для пуска люминесцентных ламп. По конструкции, назначению и способу установки различают патроны (рис. 4.7) подвесные арматурные с ниппелем или нип- пельной шейкой, подвесные полугерметические с металлическим ушком, потолочные и стенные. В соответствии с размерами цоко- лей ламп они бывают с резьбой 14, 27 и 40 мм. Часто электрические лампы накаливания припекаются к пат- рону, и при их вывертывании колба отламывается от цоколя. По- этому, прежде чем ввернуть лампу в патрон, рекомендуется нате- реть резьбу цоколя графитом (можно использовать стержень ка- рандаша). Выключатели и переключатели (рис. 4.8) однополюсные на на- пряжение до 250 В и токи до 10 А частотой 50 Гц предназначаются для коммутации электрических цепей осветительных электроуста- новок. Выключатели и переключатели однополюсные защищенного и герметического исполнений для открытой и скрытой установки должны выдерживать не менее 20 тысяч отключений. 110
Рис. 4.7. Патроны: а, б, в — подвесные арматурные с корпусами соответственно из пла- стмассы, латуни и фарфора; г — подвесной полугерметический; д — потолочный пластмассовый; е — стенной фарфоровый наклонный Для повышения коммутирующей способности и износоустой- чивости контактные части современных выключателей и переклю- чателей выполняются из металлокерамики, что позволяет им вы- держивать свыше 200 тысяч отключений. Металлокерамические материалы получают прессованием из металли- ческих порошков с последующим спеканием их при высоких температурах. Исходные порошкообразные массы состоят из двух или более порош- ков различных металлов, из которых один должен обладать более высо- Рис. 4.8. Выключатели клавишный для скрытой установки (а), поворотный герметический (б) и переключатель для скрытой установки (в) 111
Рис. 4.9. Элементы штепсель- ных соединений: а, б штепсельные розетки на 6 А соответственно для откры- той и скрытой установки; в надплинтусная розетка; г, д, е — двух- и трехполюсные штепсель- ные розетки с заземляющим кон- тактом; ж — вилка на 6 А; з, и, к — вилки на 10, 20, 25 А с за- земляющим контактом кой температурой плавления, чем дру- гие. При высокотемпературном спека- нии более легкоплавкие порошки пла- вятся и заполняют поры между части- цами тугоплавкого металла. В результате получают монолитные металлокерами- ческие изделия, которые применяются для изготовления электрических кон- тактов, обладающих большой износос- тойкостью и стойкостью к эрозии — раз- рушению поверхности контактов под действием электрических искр. Для однофазных и трехфазных электроприемников с номинальны- ми токами до 10 и 25 А на напря- жения соответственно до 250 и 380 В используются штепсельные соеди- нения с электрической сетью, ко- торые состоят из двух основных эле- ментов — розетки и вилки (рис. 4.9). Штепсельные розетки выпускают с круглыми и плоскими контакта- ми. Применение плоских контактов обеспечивает более надежное соеди- нение, позволяет сократить расход меди и почти вдвое по сравнению с круглыми контактами увеличить срок службы розетки. Для подключения переносных электроприемников к электричес- кой сети с напряжением выше 36 В в помещениях с повышенной опас- ностью и особо опасных применя- ются двухполюсные и трехполюсные штепсельные розетки с заземляю- щим контактом, к которому присо- единяется проводник местной сети заземления. К контактным зажимам двухпо- люсных розеток, рассчитанных на ток 10 А, могут присоединяться элек- трические провода с сечением до 2,5 мм2, а к трехполюсным розеткам, рассчитанным на токи до 25 А, — провода с сечением до 16 мм2. 112
4.5. Светильники Практическое использование источников света требует специ- альных устройств для рационального распределения светового по- тока, защиты глаз от чрезмерной яркости, а также для крепления лампы, подсоединения ее к электрической сети и защиты от ме- ханических и прочих повреждений. С этой целью источники света размещаются в светотехнической арматуре. Совокупность источ- ника света и светотехнической арматуры называется световым при- бором. Световые приборы, предназначенные для освещения, на- зываются осветительными, а приборы, используемые для свето- вой сигнализации — светосигнальными. В осветительных приборах светотехническую арматуру называют осветительной, а сам прибор, если он предназначен для освеще- ния относительно близких объектов, светильником. Световые при- боры дальнего действия с концентрированным светораспределе- нием называют прожекторами (используются при наружном освеще- нии). В зависимости от источника света различают осветительную арматуру для ламп накаливания и ртутных ламп (рис. 4.10, а...д) и осветительную арматуру для люминесцентных ламп (рис. 4.10, е...и). Арматура светильников для ламп накаливания и ртутных ламп состоит из корпуса и укрепленного в нем патрона. К корпусу за- крытых подвесных светильников прикрепляются защитное стекло для предохранения лампы от загрязнений и механических повреж- дений и ушко для подвешивания к опорной конструкции. Горловина корпуса тяжелых светильников, устанавливаемых же- стко на трубе, выполняется в виде патрубка с внутренней резьбой диаметром 3/4 " Некоторые типы светильников снабжаются ввер- тываемым в патрубок корпуса специальным устройством — буге- лем, имеющим два сальника для раздельного уплотненного ввода проводов питающей сети, а также крюк для подвески. Арматура светильников для люминесцентных ламп представляет собой чаще всего металлический корпус, в котором смонтирова- ны пускорегулирующие устройства, ламподержатели и соедини- тельные провода. Светильник присоединяется к питающей элект- рической сети при помощи зажимов, расположенных под одним из колпачков узла подвески. К корпусу арматуры обычно прикреп- ляется отражатель, а на отражателе в зависимости от конструк- ции светильника могут иметься экранирующая решетка, защит- ное стекло или рассеиватель. Светильники по своей конструкции, светотехническим пока- зателям и характеристикам должны соответствовать условиям их работы, отвечать требованиям безопасности и быть удобными для эксплуатационного обслуживания. 113
5 9 Рис. 4.10. Светильники с лампами накаливания, ДРЛ и люминесцент- ными лампами: а — универсальный; б — рудничный; в — пыленепроницаемый; г — глубокого излучения; д — для наружного освещения; е — ОДР; ж — ШЛП; з — ВОД; и — ПВЛ: 7 — отражатель; 2 — корпус; 3 — болт заземления; 4 — скоба (ушко) для подвеса; 5 — провод; 6 — патрон; 7 — лампа; 8 — защитное стекло; 9 — крышка; 10 — защитная сетка; 11 — бугель; 12 — подвес; 13 — колпачок подвеса; 14 — кор- пус; 75 — отражатель; 16 — экранирующая решетка; 77—рассеиватель; 18— опорная рама; 19 — откидная рама; 20 — узел крепления 114
Освещение больших площадей осуществляется с помощью про- жекторов, концентрирующих светораспределение, в результате чего резко возрастает коэффициент усиления, т. е. сила света в направ- лении оси светильника, и обеспечивается освещение удаленных предметов и больших площадей. Для защиты от ослепляющей силы света прожекторы устанавливают достаточно высоко. В настоящее время используются прожекторы ПСМ-50-1, ПЗР-250, ПЗР-400, ПЗС-45, ПЗМ-35, ПКН-100-1 и др. В светильниках применяются лампы накаливания, люминесцент- ные и ДРЛ, в прожекторах — ДРЛ и лампы накаливания. Недостатком люминесцентных ламп и ДРЛ, включенных в сеть, являются периодические изменения их светового потока во вре- мени с частотой, равной удвоенной частоте тока питающей сети. Эти изменения светового потока, не воспринимаемые глазом че- ловека вследствие известной инерции зрения, весьма опасны в случае использования данных ламп для освещения движущихся предметов, поскольку при пульсации светового потока искажает- ся зрительное восприятие их действительной скорости и направ- ления движения в результате возникновения стробоскопического эффекта (явления, вызывающего искажение зрительного воспри- ятия человеком действительного положения наблюдаемых враща- ющихся предметов). Так, например, освещаемые люминесцентны- ми лампами и ДРЛ детали машины или обрабатываемые предме- ты, вращающиеся с определенной частотой, могут показаться неподвижными и даже медленно вращающимися в противополож- ную сторону. Поэтому при освещении помещений, где имеются станки и механизмы с вращающимися доступными для работаю- щих на них частями, должны применяться схемы включения лю- минесцентных ламп и ДРЛ, при которых устраняются нежелатель- ные и опасные пульсации светового потока. 4.6. Схемы включения ламп накаливания Основными техническими документами, в которых должен хо- рошо разбираться каждый электромонтажник, являются чертежи и электрические схемы. Электрической схемой, которая помогает разобраться в управ- лении ламп всех типов, называется упрощенное и наглядное изоб- ражение связи между отдельными элементами электрической цепи, выполненное при помощи условных обозначений и позволяющее понять принцип действия данного электрического устройства, оп- ределить его состав и стоимость. Электрическая схема при аварии помогает найти место повреж- дения в электрической цепи, является руководством при монтаже 115
любых видов электропроводок, а также дает указание о способе и порядке соединений отдельных участков цепи. Чтобы понять схему, необходимо знать использованные в ней условные обозначения. ГОСТ 2.721—84 и ГОСТ 2.758—81 входят в единую систему конструкторской документации (ЕСКД) под на- званием «Обозначения условные графические в схемах». При со- здании условных графических обозначений используют простей- шие геометрические фигуры, не вызывающие затруднения при их изображении. Чтобы облегчить запоминание условных обозначе- ний отдельных элементов электроустановок, их частично изобра- жают наиболее характерными символами. Для успешного чтения электрических схем необходимо знать: принцип действия, устройство и режимы работы изображен- ного электрооборудования; условия согласованности рабочих параметров элементов элек- троустановки, при которых обеспечивается ее работоспособность; типы существующих электрических схем, их назначение и пра- вила составления; основные графические обозначения и используемые правила маркировки элементов, а также правила пользования стандарта- ми на условные графические обозначения. Можно рекомендовать следующий общий порядок чтения и ана- лиза электрических схем: ознакомиться с информацией, содержащейся в надписях на чер- теже, таблицах и диаграммах, помещенных на его полях; определить тип и назначение схемы, состав и назначение всех машин, аппаратов и приборов, входящих в изображенную уста- новку; определить систему схемной маркировки и структуру позици- онных обозначений; выделить части схемы, объединенные общими функциями (цепи главного тока, управления, защиты, сигнализации и др.); определить направления электрических токов (расположение ге- нераторов и приемников электроэнергии); выявить типовые узлы электроустановки (схемы пуска двигате- лей, приводов выключателей, сигнализации положения отключа- ющих аппаратов и др.) и установить их функции; определить последовательность работы аппаратов в основном рабочем режиме установки и при реально возможных отклонени- ях от него (от исходного состояния схемы до конечных устойчи- вых ее состояний в каждом из рассматриваемых режимов); оценить возможность выполнения заданных функций элемен- тами схемы; оценить согласованность рабочих параметров элементов, обес- печивающих работоспособность установки; 116
Рис. 4.11. Электрическая и монтажная схемы присоединения к сети ламп накаливания: а — одним выключателем; б — двумя выключателями проанализировать работу схемы в аварийных ситуациях (корот- кие замыкания, перегрузки, повреждение изоляции); проанализировать последствия возможных отказов элементов схемы и оценить надежность электроустановки; проверить выполнение условий безопасности установки во всех режимах работы. Указанный порядок не претендует ни на полноту, ни на уни- версальность, а является лишь иллюстрацией подхода к анализу электрической схемы. Рассмотрим схемы управления лампами накаливания. Две или более ламп накаливания могут присоединяться к сети одним од- нополюсным выключателем (рис. 4.11, а). Управление пятью лам- пами с помощью двух расположенных рядом однополюсных вык- лючателей (рис. 4.11, б) осуществляется следующим образом. При повороте первого выключателя включаются две лампы, а при по- вороте второго — остальные три. Такая схема включения ламп применяется в больших помещениях с режимом работы, требу- ющим обеспечения освещенности различной степени. Если необходимо попеременное изменение числа включаемых ламп, их присоединяют к сети при помощи люстрового переклю- чателя (рис. 4.12). С первым поворотом такого переключателя вклю- чается одна лампа из трех, со вторым — оставшиеся две, но при этом выключается первая лампа, с третьим — включаются все лам- пы, а с четвертым — все лампы люстры выключа- ются. При необходимости не- зависимого управления од- ной или несколькими лам- пами с двух мест применя- ют схему с двумя переклю- чателями, соединенными двумя перемычками и про- водом (рис. 4.13). Рис. 4.12. Электрическая и монтажная схемы присоединения к сети ламп на- каливания одним люстровым переклю- чателем 117
Рис. 4.13. Электрическая и монтажная схемы присоединения ламп нака- ливания к сети двумя переключателями Лампы осветительных электроустановок, питаемых от трехпро- водной системы трехфазного тока, включаются между двумя фа- зами сети, а установок питаемых от четырехпроводной сети — между фазным и нулевым проводами (рис. 4.14). В осветительных электроустановках промышленных предприя- тий применяются дистанционное и автоматическое управление, если это необходимо по условиям работы или в целях обеспече- ния безопасности людей. Примерная схема дистанционного уп- равления сетью рабочего освещения и автоматического включе- ния сети аварийного освещения электроустановки показана на рис. 4.15. На схеме сети рабочего и аварийного освещения имеют раз- дельное питание от различных источников электроснабжения. В сети рабочего освещения предусмотрены аппараты 2 дистанци- онного управления, позволяющие включать и отключать питание с центрального пульта управления. Аппараты 4, устанавливаемые в сети аварийного освещения, соединяются с аппаратами рабо- чего освещения так, чтобы автоматически включать аварийное освещение при исчезновении напряжения в сети рабочего осве- щения. Рис. 4.14. Схемы присоединения ламп накаливания к сети с линейным (а) и фазным (б) напряжениями 118
Рис. 4.15. Схема присоединения к сети осветительных электроустановок промышленного предприятия: 1 — вводное устройство сети рабочего освещения; 2 — аппараты дистанционного управления сетью рабочего освещения; 3 — цеховой распределительный щит; 4 — аппараты автоматического включения сети аварийного освещения; 5 — вводное устройство сети аварийного освещения; 6 — понижающий трансформатор пита- ния сети местного освещения; 7 — отходящие линии питания осветительной сети 4.7. Схемы включения люминесцентных ламп Люминесцентные лампы могут включаться в электрическую сеть по стартерной или бесстартерной схемам зажигания. При включении ламп по стартерной схеме зажигания (рис. 4.16) в качестве стартера служит газоразрядная неоновая лампа с двумя (подвижным и неподвижным) электродами. Люминесцентная лампа включается в электрическую сеть только последовательно с балластным сопротивлением, ограничивающим рост тока в ней и таким образом предохраняющим ее от разруше- ния. В сетях переменного тока в качестве балластного сопротивле- ния применяют катушку с большим индуктивным сопротивлени- ем — дроссель. Стартер представляет собой колбу, заполненную инертным газом. Один из электродов стартера выполнен в виде крючка из биметаллической пластины. Зажигание люминесцентной лампы происходит следующим об- разом. При включении лампы между электродами стартера возни- кает тлеющий разряд, его теплота нагревает подвижный биметал- лический электрод, и при достижении определенной температу- ры нагрева он, изгибаясь, замыкается с неподвижным, образуя 119
Рис. 4.16. Принципиальная схема включения люминесцентной лампы электрическую цепь, по кото- рой будет протекать ток, необ- ходимый для предварительного подогрева электродов лампы. Этот подогрев облегчает выход электронов из электродов лам- пы и начало электрического раз- ряда в ее колбе. Во время прохождения тока в цепи электродов лампы раз- ряд в стартере прекращается, вследствие чего его подвижный электрод остывает и, разгиба- ясь, возвращается в исходное со стартерным зажиганием: положение, разрывая при этом 1 — дроссель; 2 — лампа; 3 — стартер электрическую Цепь лампы. При этом к напряжению сети до- бавляется ЭДС самоиндукции дросселя, и возникший в дросселе импульс повышенного напряжения вызывает дуговой разряд в лам- пе и ее зажигание. С возникновением дугового разряда напряже- ние на электродах лампы снижается настолько, что оказывается Рис. 4.17. Схема включения бесстартерным ПРА двухлам- пового люминесцентного светильника: Л — лампа; НТр — напольный трансформатор; С — конденсатор; ООДр — основная обмотка дросселя; ДОДр — дополнительная обмотка дросселя 120
недостаточным для возникновения тлеющего разряда между па- раллельно соединенными с ними электродами стартера. Если за- жигания лампы не происходит, на электродах стартера появляет- ся полное напряжение сети и весь процесс повторяется. Для включения люминесцентных ламп применяются спираль- ные стартеры и более надежные бесстартерные пускорегулирую- щие аппараты (ПРА), представляющие собой комплектные уст- ройства, обеспечивающие надежное зажигание и нормальную ра- боту ламп, повышение коэффициента их мощности и снижение пульсаций светового потока. В ПРА устанавливаются также устрой- ства, подавляющие помехи радиоприема. Схема включения бесстартерным ПРА двухлампового люминес- центного светильника показана на рис. 4.17. Схема включения люминесцентной лампы с использованием лампы накаливания вместо дросселя показана на рис. 4.18. В этом случае для обеспечения зажигания люминесцентной лампы на ее поверхности располагают металлический проводник в виде доста- точно широкой полосы фольги и присоединяют его к одному из выводов электродов. Можно также заземлить эту полосу или проло- жить вдоль самой лампы один из монтажных токоведущих про- водов и закрепить его по концам колбы проволочными хомути- ками. Можно включить и две люминесцентные лампы, используя одну лампу накаливания. При этом люминесцентные лампы включают- ся обязательно последовательно. Рис. 4.18. Схемы включения одной (а) и двух (б) люминесцентных ламп без дросселя: 7 — люминесцентная лампа; 2 — лампа накаливания; 3 — стартер; 4 — конденса- тор; 5 — металлический проводник 121
-220 В Рис. 4.19. Схема включения ДРЛ: Л - лампа; СВ — селеновый выпря- митель (диод); R — зарядный рези- стор; Cl, С2, СЗ — конденсаторы; Р — разрядник; ООДр — основная обмотка дросселя; ДОДр — допол- нительная обмотка дросселя 4.8. Схемы включения дуговых ртутных ламп ДРЛ включаются в электрическую сеть напряжением 220 В че- рез поджигающее устройство, подающее импульс высокого на- пряжения (рис. 4.19). Поджигающее устройство состоит из разряд- ника, селенового выпрямителя, зарядного резистора и конденса- торов С1 и С2. Дроссель в схеме служит для зажигания лампы, предотвращения резкого возрастания тока в лампе, а также для стабилизации режима ее горения. Зажигание лампы происходит следующим образом. При включении лампы ток, проходя через выпрямитель и за- рядный резистор, заряжает конденсатор С2. Когда напряжение на конденсаторе достигает примерно 200 В, происходит пробой воздушного промежутка разрядника и конденсатор С2 разряжа- ется на дополнительную обмотку дросселя, в результате чего в его основной обмотке создается повышенное напряжение, им- пульсом которого и зажигается лампа. Чтобы защитить выпрями- тель от импульса высокого напряжения используют конденса- тор С7, а для подавления помех радиоприему, создаваемых под- жигающим устройством при зажигании лампы, — конденсатор СЗ. Четырехэлектродная ДРЛ вклю- чается в сеть по упрощенной схеме, в которой отсутствует поджигающее устройство, но имеются дроссель и конденсатор, которые выполняют те же функции, что и в схеме вклю- чения двухэлектродной ДРЛ. В сеть газоразрядные лампы вклю- чаются через пускорегулирующие аппараты. Применяемые в ПРА индуктив- ные балластные сопротивления или накальные трансформаторы сни- жают коэффициент мощности ламп до 0,5...0,6, при этом потребляе- мая ими мощность увеличивается в 1,7...2 раза. Для снижения реактивной мощ- ности, потребляемой лампами в ос- ветительных сетях частотой 50 Гц, применяются конденсаторные уста- новки напряжением 380 В. В этом случае конденсаторы подключаются непосредственно у каждого светиль- ника или на групповых линиях щит- 122
ков питающей сети для группы светильников. Для повышения ко- эффициента мощности ДРЛ с 0,57 до 0,95 необходимо на каждый киловатт активной мощности ламп устанавливать конденсаторы мощностью 1,1 кВт. 4.9. Схемы управления освещением В производственных зданиях применяются местное, централи- зованное, дистанционное и автоматическое управление освеще- нием. Для отдельных помещений или групп помещений могут при- меняться сочетания этих видов управления. Местное управление освещением осуществляется легкодоступ- ными для пользования выключателями, переключателями или дру- гими простыми аппаратами, устанавливаемыми внутри освещае- мых помещений или у входов в эти помещения. Для протяженных помещений, например туннелей, галерей, ко- ридоров, имеющих два и более входов, бывает необходимо вклю- чать и выключать освещение от каждого из входов. В этих схемах управления (рис. 4.20) используются одно- и двухполюсные пере- ключатели на два направления без нулевого положения. Для большего числа мест управления в схему вводятся допол- нительные переключатели 2, включаемые в разрыв линий, соеди- няющих переключатели 1 и 2. В крупных производственных помещениях устанавливать большое число выключателей сложно и неудобно, поэтому в таких помеще- ниях предусматривают централизованное управление освещением с групповых щитков с использованием аппаратов управления авто- матических выключателей щитков, защищающих групповые линии. В крупных производственных зданиях, где общее освещение производится от нескольких подстанций, по условиям производ- ства бывает нецелесообразно управлять освещением отдельных уча- стков здания из нескольких мест. В этих случаях применяют дистанционное управление общим освещением из одного места, где постоянно дежурит обслуживающий персонал. Дистанционное Рис. 4.20. Схемы управления освещением из двух (а) и трех (6) мест: 1, 2 - переключатели 123
От подстанции щиткам Рис. 4.21. Принципиальная схема дис- танционного управления освещением: О, М, Д — положения избирателя; 1 — главный автомат; 2 — катушка и контакт магнитного пускателя; 3 — избиратель вида управления; 4 — предохранитель; 5 - вык- лючатель дистанционного управления; 6— сигнальная лампа управление освещением осу- ществляется магнитными пус- кателями или контакторами, устанавливаемыми на щитах станций управления (ЩСУ) или в шкафах управления (ЩУ) и включаемыми в цепи линии питающей осветитель- ной сети. Характерная прин- ципиальная схема дистанци- онного управления одной пи- тающей линией приведена на рис. 4.21. Избиратель 3 служит для опробования магнитного пус- кателя с места его установки (положение М) и при необ- ходимости может использо- ваться для местного управле- ния освещением, а в положе- нии О для отключения осве- щения. Для перевода схемы на дистанционное управление избиратель 3 устанавливается в положение Д. Дистанционное включение и от- ключение освещения из пункта управления производится выклю- чателем 5, а о работе освещения в пункте управления свидетель- ствует горение сигнальной лампы 6. В схеме дистанционного управления вместо выключателя 5 мож- но использовать реле фотоэлектрического автомата, которое бу- дет включать или выключать освещение в соответствии с измене- нием естественной освещенности. Автоматическое управление обеспечивает выключение и вклю- чение искусственного освещения без участия человека в зависи- мости от изменения естественного освещения или по заранее за- данному суточному графику. Для автоматического управления ос- вещением применяются фотоэлектрические автоматы, которые работают следующим образом. На установленный в помещении вблизи окна выносной фотодатчик падает естественный свет. Из- менение естественной освещенности вызывает изменение тока в цепи фотодатчика, а следовательно, и в цепи реле фотоэлектри- ческого автомата. При снижении освещенности ниже определен- ного уровня это реле срабатывает, т. е. его контакт замыкается. Для автоматического управления освещением в подъездах, на лестничных клетках, в жилых зданиях выпускаются вводно-рас- пределительные устройства с фотоэлектрическими датчиками. 124
4.10. Схемы питания и распределительные устройства осветительных электроустановок К осветительным электроустановкам предъявляются следующие основные требования: надежность и бесперебойная работа всех эле- ментов, обеспечение требуемого уровня освещенности помеще- ний и рабочих мест, удобство и безопасность обслуживания и ре- монта приборов, светильников и аппаратов. Выполнение этих тре- бований в известной мере зависит от принятой схемы питания освещения. В цехах промышленных предприятий, где питание осветитель- ных электроустановок осуществляется от общего трансформатора встроенной цеховой подстанции, используются несколько схем. Если осветительная электроустановка состоит из небольшого числа ламп рабочего освещения, то применяется схема ее питания по одной магистрали (рис. 4.22), т. е. магистраль рабочего освещения 5 присоединяется непосредственно к ящику 3 с коммутационными и защитными аппаратами. Коммутационными аппаратами ручного управления являются рубильники и пакетные выключатели, а аппаратами дистанцион- ного управления — контакторы и магнитные пускатели. При необходимости питания мощной осветительной электро- установки по нескольким магистралям применяют схему, приве- денную на рис. 4.23, в которой питание от ящика 3 подводится к Рис. 4.22. Схема питания освещения без магистрального распределительного щитка: 7 — трансформатор; 2 — главный автомат; 3 — ящик с коммутирующими и за- щитными аппаратами; 4 — групповой щиток рабочего освещения; 5 — магистраль рабочего освещения; 6 — главная магистраль; 7 — силовой распределительный щит 125
1 Рис. 4.23. Схема питания освещения с магистральным распределительным щитком: 1 — трансформатор; 2 — главный автомат; 3 — ящик с ком- мутационными и защитными аппаратами; 4 — главная ма- гистраль; 5 — силовой распределительный щит; 6 — группо- вой щиток аварийного освещения; 7 — магистраль рабочего освещения; 8 — групповой щиток рабочего освещения; 9 — магистральный щиток магистральному щитку 9, а от него отходят несколько магистраль- ных линий. Магистральной называется линия, предназначенная для пере- дачи электрической энергии к нескольким пунктам ее распре- деления или электроприемникам, присоединенным по всей ее длине. В тех случаях, когда промышленное предприятие получает элек- троэнергию от двух различных источников питания, целесообраз- но применять схему магистрали с двусторонним питанием. Такая магистраль обычно разомкнута. Например, при аварии на одном из головных участков часть магистрали отключается выключате- лем, установленным на распределительном устройстве (РУ) этой ее части; после отыскания и отсоединения разъединителями ава- рийного участка остальная часть магистрали продолжает работать от другого РУ Применение находят также схемы с резервной магистралью, которая включается соответствующим выключателем при выходе из работы одной из основных магистралей. 126
Рис. 4.24. Магистральная схема питания освещения от двух трансформаторов: 1 — секционный разъединитель; 2 — главный автомат; 3 — ящик с коммутацион- ными и защитными аппаратами В крупных цехах промышленных предприятий питание электро- приемников осуществляется, как правило, от нескольких встроен- ных трансформаторных подстанций. Наличие двух трансформаторов позволяет установить между двумя их магистралями секционный выключатель, обеспечивая бесперебойное питание осветительных и силовых агрегатов в случае выхода из строя одного из транс- форматоров. При использовании такой схемы (рис. 4.24) взаимо- резервируется питание рабочего освещения и становится более гибкой работа аварийного освещения. Описанные схемы питания электрических нагрузок широко распространены на промышленных предприятиях вследствие их простоты, высокой надежности, минимального числа применяе- мых коммутационных и защитных аппаратов. Прием и распределение электроэнергии в осветительных элект- роустановках осуществляется при помощи специальных щитков, шкафов и вводно-распределительных устройств, снабженных ап- паратами для коммутирования и защиты отходящих магистраль- ных и групповых линий, а также счетчиками для учета расходуе- мой электроэнергии. Щитки, применяемые в осветительных электроустановках жи- лых домов, устанавливаемые на стене, делятся две группы: квар- тирные (ЩК) и этажные (ЩЭ). Вводно-распределительное устройство ШВУ-5 представляет со- бой закрытый сварной металлический шкаф с верхним и нижним отделениями (рис. 4.25), в которых устанавливаются аппараты за- шиты (автоматы АБ-25), аппараты отключения (автоматы АЗ 163), приборы учета потребляемой электроэнергии (счетчик типа СА-4), устройство автоматического управления освещением подъездов и 127
тройства ШВУ-5 осветительной электроустановки жилого дома лестничных клеток, состоящее из фотовыключателей ФСК-2 и маг- нитного пускателя ПМИ-1. Вводно-распределительное устройство ШВУ-5 служит для приема, распределения и учета осветительных и силовых нагрузок в жилых домах и общественных зданиях, элек- троснабжение которых осуществляется от четырехпроводных элект- рических сетей 380/220 и 220/127 с глухозаземленной нейтралью. Существует множество типов вводно-распределительных уст- ройств, обеспечивающих освещение жилых домов (ВРС-1, ВУД-5, ВУД-6, ВУД-17, ВУШ-10, ШВ-61). Отличаются они друг от друга главным образом числом и компоновкой приборов, номинальным током ввода, а также характеристиками отключающих и защит- ных аппаратов. В электроустановках промышленных предприятий и обществен- ных зданий применяются щитки промышленных серий ОЩВ и ОПВ (рис. 4.26) и конструктивно более сложные вводно-распределитель- ные устройства, рассчитанные на большие номинальные токи ввода. Щиток ОЩВ представляет собой металлический навесной ящик размером 500 х 400 х 150 мм со съемной верхней и нижней крыш- ками, через которые вводятся питающие и выводятся отходящие линии. В ящике на съемном шасси установлены отключающие при- боры, рукоятки которых выступают за пределы лицевой панели. Ящик закрывается дверцей, укрепленной на его фасадной части. 128
Рис. 4.26. Щитки промышленных серий ОЩВ (а) и ОПВ (б) Щиток изготавливается на 6 и 12 однофазных групп, снабженных автоматическими выключателями АЗ 163 с тепловыми расцепите- лями на 15, 20 или 25 А, к которым присоединяются отходящие линии, питающие отдельные группы светильников. К вводным зажимам щитков ОЩВ допускается присоединять провода с сече- нием до 50 мм2, а к зажимам отходящих линий — провода сечени- ем до 10 мм2. Щиток ОПВ представляет собой металлический ящик размером 500 х 260 х 140 мм, укомплектованный автоматическими выключа- телями АБ-25 и пакетным выключателем на вводе, рукоятка ко- торого выведена на фасадную стенку ящика. К вводным зажимам щитков ОВП допускается присоединять провода с сечением до 50 мм2, а к зажимам отходящих линий — провода с сечением до 6 мм2. Такие щитки изготавливаются на 6 и 12 однофазных групп. В качестве вводно-распределительных устройств осветительных электроустановок промышленных предприятий и общественных зданий применяют комбинированные щиты, распределительные блочные пункты и шкафы. Комбинированный щит типа ЩК (рис. 4.27, а) представляет собой сварную металлическую подвесную раму, на которой смон- тированы щитки и аппараты различного назначения. Основное до- стоинство комбинированных щитов состоит в возможности лег- кой замены любого из входящих в него элементов в случае их выхода из строя или изменения схемы электропитания осветитель- ных электроустановок. Блочный распределительный пункт (рис. 4.27, б) комплекту- ется из блоков предохранителей-выключателей (БПВ), выпуска- емых на токи 100, 200, 400, 600, 1000 А. В этих блоках предохра- нители ПН-2 выполняют как коммутационные, так и защитные функции. 5 Нестеренко 129
Рис. 4.27. Комбинированный щит типа ЩК (а) и блочный распределительный пункт БРП-4 (б) Блочные распределительные пункты удобны в эксплуатации, так как не содержат сложных коммутационных и защитных аппа- ратов, а также безопасны в обслуживании благодаря наличию в каждом БПВ блокировки между их дверцей и рукояткой, т. е. двер- ца блока открывается только при отключенной рукоятке. В мощных осветительных электроустановках крупных промыш- ленных предприятий применяются распределительные шкафы се- рий СП и СПУ (рис. 4.28), которые изготавливаются из листовой стали толщиной 1,5 ...2 мм. Внутри корпуса такого шкафа распо- лагается съемная рама, на которой монтируются выключатель, пре- дохранители отходящих линий, а также распределительные и пи- тающие шины. Распределительные шины располагаются на изо- ляторах горизонтально одна над другой и служат для установки на них верхних контактных стоек предохранителей одной фазы. Кон- тактные стойки закрепляются на шинах сдвоенными гайками и спе- циальными прижимными шайбами, что позволяет в процессе экс- плуатации подтягивать их с лицевой стороны шкафа. Нижние контактные стойки предохранителей монтируются на изоляторах, закрепленных на поперечинах рамы. Предохраните- ли одной фазы в этом случае располагаются горизонтально. Съем- ную раму можно вынимать из шкафа при выполнении присое- динений, чем значительно облегчаются их монтаж и эксплуа- тация. Внутри корпуса на боковых стенках имеются скобы для креп- ления кабелей, а на задних — профильные конструкции со специ- альным креплением для проводов линий, отходящих от предо- 130
a) Рис. 4.28. Внешний вид и разрезы распределительных шкафов серий СП (а) и СПУ (5) б) хранителей. Внизу корпуса находятся нулевая шина и перфориро- ванная поперечина для закрепления подходящих к шкафу кабе- лей или труб с проводами. Крышки корпусов шкафов серий СП и СПУ съемные, что по- зволяет в процессе монтажа пробивать в них на прессе отверстия, необходимые для ввода сверху труб с проводами. На лицевой сто- роне нижней части корпуса имеются съемные накладки, которые для удобства на время монтажа удаляются. Съемно-сблокированная рукоятка выключателя, выведенная че- рез отверстие в одной из боковых стенок шкафа, снимается толь- ко при отключенном выключателе. Шкаф серии СП отличается от шкафа серии СПУ наличием на съемной накладке жалюзи для вентиляции, способом крепле- ния крышки, отсутствием уплотнений на дверцах, более высокой допустимой нагрузкой и большими габаритными размерами. Но- минальные токи этих шкафов определяются номинальными тока- ми аппаратов вводных линий, а от них в свою очередь зависят и номинальные токи защитных аппаратов, устанавливаемых на от- ходящих линиях. 131
4.11. Расчет электрических сетей и электрического освещения К осветительным электросетям предъявляются следующие тре- бования: надежность (бесперебойность снабжения потребителей); обеспечение высокого качества электроэнергии (минимальные отклонения подводимых к потребителям напряжений от номиналь- ных значений); пожарная безопасность. Для выполнения этих требований необходимо обеспечить дос- таточную механическую прочность проводов, правильно выбрать плавкие вставки и определить сечения проводов по условию до- пустимой потери напряжения, а также применять провода с изо- ляцией, соответствующей условиям окружающей среды. Выбор проводов производится путем расчета их по току нагрузки и потере напряжения. Механическая прочность проводов, которая определяется материалом и сечением токопроводящих жил, должна соответствовать их назначению и принятому способу прокладки. Например, провода для зарядки светильников внутри и вне зда- ний должны иметь медные жилы с сечениями 0,5... 1 мм2; голые провода в зданиях — медные жилы с сечением 2,5 мм2; а изолиро- ванные провода в трубах — алюминиевые жилы с сечениями 4 и 2,5 мм2 и медные с сечением 1 мм2. Расчет осветительной сети по току нагрузки. Определив токовую нагрузку в сети, по таблицам длительно допустимых токовых на- грузок (приложение 1) подбирают необходимое минимальное се- чение проводника, для которого расчетный ток меньше длитель- но допустимого. Нагрузка на провода должна рассчитываться достаточно точ- но, так как ее завышение приведет к выбору провода большего сечения, а занижение — меньшего, что также экономически не выгодно, так как вызывает лишние потери электроэнергии и на- пряжения в проводах. При определении сечения проводов исполь- зуются следующие величины: номинальная мощность Рн — мощность, указанная в паспорте токоприемника, Вт; установленная мощность Ру — сумма номинальных мощностей всех установленных токоприемников, Вт; потребляемая мощность Рп — фактическая мощность, расходу- емая токоприемниками, Вт; расчетная мощность Рр, по которой производится расчет, т. е. мощность одного или группы одновременно работающих токо- приемников, Вт; соответствующие указанным мощностям токи /н, /у, 7П, 1р, А. 132
Суммируя номинальные мощности подключенных токоприем- ников, определяют установленную мощность Ру. Она всегда боль- ше расчетной мощности Рр, потому что все токоприемники элек- троустановки почти никогда не работают одновременно. Поэтому при расчете используют не установленную мощность, а ту ее часть, которая может одновременно использоваться токоприемниками, т. е. Рр. Для получения расчетной мощности вводится коэффици- ент спроса, который показывает, какая часть установленной мощ- ности фактически расходуется: А^ = Рр/Ру или Кс = 1Р/ 1У, откуда Рр = КсРу или 1р = Кс1у. Коэффициенты спроса для некоторых электроустановок при- веден в приложении 2. Для расчета сечения провода по допустимой длительной токо- вой нагрузке необходимо знать номинальный ток 1Н. Если номи- нальный ток не известен, то его определяют по формуле, которая справедлива для цепей постоянного и однофазного переменного токов с осветительными и нагревательными приборами: 1Н = Рр/ UH. При расчете питающих сетей наружного и аварийного освеще- ния, а также групповых сетей всех видов освещения коэффициент спроса принимается равным единице (А^ =1). При определении расчетных нагрузок осветительных установок необходимо учитывать потери мощности в пускорегулирующих ап- паратах, составляющие около 20 % для люминесцентных ламп и 10 % для ДРЛ. Расчетную мощность определяют по формуле Рр = Кс Ру, а рас- четный ток по формуле /р = KcPy/U = Pp/U. В трехфазной цепи переменного тока расчетный ток для трех- проводной линии /р=^с/>у/Л£/ = Ру/(1,73 U). Пример. Необходимо определить сечения и марки проводов для мон- тажа электропроводки в учебной мастерской, питание которой осуще- ствляется от осветительного щитка. В мастерской необходимо установить 14 ламп накаливания по 150 Вт, 4 лампы по 60 Вт, 8 ламп по 15 Вт и от осветительного щитка. В мастерской необходимо установить электрона- гревательные приборы общей мощностью 2 кВт. Напряжение сети 220 В. 1. Определим установленную электрическую мощность освещения и приборов в учебной мастерской: Ру = Р1н + Р2н + Р3н + Р4н = 150 • 14 + 60 -4 + 8 • 15 + 2000 - 4460 Вт. 2. Найдем коэффициент спроса по приложению 2: Кс = 0,8, так как мастерская является учебным заведением. 3. Вычислим расчетную мощность: Рр = Кс Ру = 0,8 • 4460 = 3668 Вт. 133
4. Найдем номинальный ток, который в данном случае будет равен расчетному току при напряжении сети С7Н = 220 В: 4 = Рр/ = 3668/220 = 16,67 А. 5. По приложению 1 определим сечения жил проводов, соответству- ющие току 16,67 А: сечение медных жил — 1 мм2; сечение алюминиевых жил — 2,5 мм2. 6. По приложению 3 найдем марки проводов, которые можно ис- пользовать для монтажа: для открытой прокладки — ППВ (2x1 мм2), АППВ (2 х 2,5 мм2): для прокладки в одной трубе — ПВ (2 х 1,5 мм2), АПВ (2 х 2,5 мм2), ПРТО (2 х 1,5 мм2), АПРТО (2 х 2,5 мм2); для скрытой прокладки — ППВС (2 х 2,5 мм2), АППВС (2 х 2,5 мм2). Задача. Рассчитать сечение и выбрать марки проводов для монтажа электропроводки в лаборатории специальной технологии, в которой 20 рабочих стендов с установленными щитками. Электрическая мощность одного щитка 2,5 кВт. Напряжение сети 220 В. Расчет осветительной сети по потерям напряжения. Потерей на- зывают разность значений напряжений в начале и конце линии. Сечение провода по допустимой потере напряжения определя- ют, если линия сравнительно длинная и имеет нормальную на- грузку. После чего проверяют соответствие полученного значения условиям нагрева, а для воздушной линии — механической проч- ности. Чем дальше токоприемник расположен от источника питания, тем большими становятся потери напряжения в проводах вслед- ствие возрастания их сопротивления. Потеря напряжения в проводах отрицательно сказывается на ра- боте токоприемников, поэтому при расчете сечения проводов элек- трической сети по потере напряжения необходимо исходить из того, что отклонения напряжения для присоединенных к этой сети токоприемников не должны выходить за пределы допустимых. ПУЭ допускают следующие пределы отклонений напряжения на зажимах токоприемников: для ламп освещения жилых зданий, аварийных и наружных све- тильников ±5 %; для ламп рабочего освещения промышленных предприятий и общественных зданий, а также для прожекторных установок на- ружного освещения +5...-2,5 %. Исходя из обеспечения допустимых значений отклонения на- пряжения на зажимах токоприемников, можно определить допус- тимую потерю напряжения в проводах сети электроустановки. Сечение провода по допустимой потере напряжения в двух- проводной линии однофазного переменного или постоянного тока 134
напряжением до 1000 В можно определить по формулам с 2PPZ с РР1 y&UU Сечение провода по допустимой потере напряжения в трехпро- водной и четырехпроводной линиях трехфазного тока напряжением до 1000 В небольшой протяженности при нагрузке на конце ли- нии можно определить по формуле: с , РР1 ^ии’ а при нагрузках, присоединенных по длине линии, по формуле Y?ьи и ’ где jPp — расчетная мощность на участке, Вт; U — напряжение, В; / — расчетная длина участка, м; S — сечение провода, мм2; у — удельная электропроводимость провода, м/(Ом мм2); &U — по- теря напряжения, В. Из приведенных формул видно, что при одинаковых номиналь- ном напряжении электрической сети и передаваемой мощности, одинаковом сечении и материале токопроводящих жил потери на- пряжения в трехфазной проводке в два раза меньше, чем в одно- фазной. На рис. 4.29 показана линия с нагрузкой, сосредоточенной в ее конце (Р = 16 кВт и / = 200 м). Произведение нагрузки на длину линии называют моментом на- грузки, т.е. М= Р1. При расчете трехфазной проводки с несколь- кими нагрузками, распределенными вдоль линии, в приведенных выше формулах вместо расчетной мощности Рр используют момент нагрузок М = P[l + P2I2 + P3I3 + 5 где Р[, Р2, Рз — нагрузки, кВт; /ь /2, I3 — длины отрезков линии, м. Рис. 4.29. Линия с нагрузкой, сосредоточенной в ее конце 135
Пример. Требуется рассчитать сечение алюминиевых проводов для ма- гистрали с нагрузкой в 16 кВт длиной 200 м от трансформаторной под- станции с номинальным вторичным напряжением 380/220 В до жилого дома, если допустимая потеря напряжения в этой линии составляет 5 %. 1. Определим допустимую потерю напряжения: U-5% 380-5% 100 " 100 2. Расчетная нагрузка: Рр = Рн = 16 кВт. 3. По формуле для четырехпроводной линии трехфазного тока най- дем сечение провода: 2Рр/ чьи и 16 200 -1000 39-19-380 = 14 мм2. 4. Найдем ближайшее стандартное сечение алюминиевого провода: S = 16 мм2. 5. Сечение нулевого провода магистрали принимаем равным 16 мм2, как минимально допустимое по условиям механической прочности алю- миниевых проводов воздушных линий. Задача 1. Определить сечение проводов в осветительной двухпровод- ной линии, расчетная схема которой приведена на рис. 4.30. Номиналь- ное напряжение линии 220 В. Провода алюминиевые. Допустимые поте- ри напряжения в линии 2,5 %. Ответ. 9,5 мм2. Стандартное сечение провода 10 мм2. Задача 2. Определить сечение алюминиевых проводов магистральной линии трехфазного тока с напряжением U = 380/220 В, которая питает групповой осветительный щиток с расчетной нагрузкой 20 кВт. Длина линии 100 м, допустимые потери напряжения в проводах составляют 1,5 %. Ответ. 29 мм2. Стандартные сечения: 35 мм2 для фазных проводов и 16 мм2 для нулевого. Расчет токов плавких вставок предохранителей. При расчете не- обходимо руководствоваться тремя основными условиями. 1. Номинальный ток плавкой вставки должен быть равен или больше расчетного тока для данного участка электропроводки, т. е. Азст — -^р- Например, если расчетный ток в осветительной сети /р = 14 А, а по шкале номинальных токов плавких вставок (приложение 4) Р| = 6 кВт Р2 = 4 кВт Р3 = 2,5 кВт РА = 1 кВт 7—— ——— /1= 20 м /2= 10 м /3= 10 м /4 = 6 м Рис. 4.30. Расчетная схема линии 136
ближайшее большее значение /вст = 15 А, условие выполняется, так как 15 > 14. 2. Номинальный ток плавкой вставки для защиты электроуста- новок с пусковым током I пуск должен определяться соотноше- нием 4cT — /пуск/ 2,5. Например, если пусковой ток 7пуск = 40 А, то /вст= 40/2,5 = 16 А, а по шкале номинальных токов плавких вставок (приложение 5) ближайшее большее значение /всг = 20 А, условие выполняется, так как 20 > 16. Необходимо иметь в виду, что при расчете результаты первого и второго условий могут быть разными. Выбирать следует большее значение. Однако при выборе плавких вставок предохранителей ос- ветительных электроустановок без пусковых токов, ориентировать- ся на второе условие не следует. 3. Обеспечение избирательности защиты линий, т. е. каждый предохранитель должен срабатывать только тогда, когда повреж- дение произойдет на защищаемом им участке электропроводки. Обычно предохранители с плавкими вставками устанавливаются в начале участка и при изменении сечения проводов. Окончательный выбор плавкой вставки предохранителя произ- водится по большему значению тока, полученному при анализе указанных условий. Пример. Для линии электроосвещения, обеспечивающей питание гражданского сооружения с 60 лампами накаливания мощностью до 500 кВт каждая, четырехпроводной, с напряжением сети 380/220 В, про- водами марки АПВ, проложенными в металлической трубе, надо рас- считать ток плавкой вставки и выбрать предохранитель. 1. Определим расчетный ток по формуле для трехфазной четырех- и трехпроводной сети при coscp = 1: _ КСРУ р 1,73 U ’ здесь установленная мощность Ру = Рн 60 = 500 • 60 = 30 000 Вт; коэффи- циент спроса Кс- 1; линейное напряжение U = 380 В, тогда / = 500-60/(1,73- 380) = 45,7 А. 2. Исходя из условия /вст > /р = 45,7, по шкале номинальных токов плав- ких вставок (см. приложение 4) найдем /вст = 60 А. 3. Выберем предохранитель НПН-60. Задача 1. Рассчитать ток плавкой вставки предохранителя для защиты электрической сети, если в жилом доме к групповому этажному щитку освещения с напряжением сети 220 В подключены четыре квартиры, потребляемая мощность осветительных и нагревательных токоприемни- ков которых соответственно 2,4; 1,2; 2,8; 3 кВт. 137
Задача 2. Выбрать плавкие предохранители для защиты осветитель- ной цепи, если мощность всех ламп накаливания Р= 1900 Вт. Определение уставок расцепителей автоматических выключате- лей для защиты электроустановок. Автоматические выключатели — это аппараты, которые предназначены для нечастых включений и отключений электрических цепей и защиты электроустановок от перегрузок, коротких замыканий, повышенного и пониженного напряжения и других аварийных режимов. Наибольшее распрос- транение получили автоматические выключатели серий АЗ 100, АЕ-1000, АЕ-2000, А3700, АК-63. Главной частью автоматического выключателя является расце- питель, обеспечивающий включение и моментальное отключе- ние контактов автомата. Расцепители могут быть электромагнит- ными, тепловыми и комбинированными, а также полупроводни- ковыми. Электромагнитный расцепитель (рис. 4.31, а) представляет собой катушку с сердечником, т. е. якорем, и пружинным устрой- ством. Когда ток в защищаемой цепи превышает определенное значение, сердечник 6 втягивается в катушку 5 и через рычаг 4 освобождает защелку 3. Под действием пружины 1 контакт 2 раз- мыкает главную цепь. Тепловой расцепитель (рис. 4.31, б) представляет собой биме- таллическую пластинку из двух металлов с различными коэффи- циентами удлинения. При прохождении тока через нагреватель пла- стинка нагревается и, изменяясь, при определенном значении тока размыкает цепь. Контакт 2 главной цепи замыкают вручную кнопкой или рукояткой. В замкнутом положении он удерживается защелкой 3. При прохождении по цепи тока, значение которого Рис. 4.31. Схемы электромагнитного (а) и теплового (б) расцепителей автоматических выключателей: 7 — пружина; 2 — контакт; 3 — защелка; 4 — рычаг; 5 — ка- тушка; 6 — сердечник; 7 — пластина; 8 — спираль нагревателя 138
меньше допустимого, пластина 7 нагревается слабо и изгиб ее недостаточен для того, чтобы передать усилие на защелку 3. Если по спирали 8 нагревателя будет проходить ток, значение которо- го превышает допустимое, то через некоторое время правый ко- нец пластины 7 изогнется настолько, что рычаг 4 поднимет за- щелку 3, и под действием пружины 1 контакт 2 разомкнется. Комбинированный расцепитель совмещает в себе электромаг- нитный и тепловой. В нем электромагнитный расцепитель сраба- тывает мгновенно, осуществляя защиту от короткого замыкания, а тепловой защищает от тока перегрузки. В этом случае обмотки электромагнитов и нагревателей расцепителей включаются пос- ледовательно с приемником электрической энергии. При выборе автоматических выключателей, рассчитав номи- нальный ток цепи, необходимо учесть, что для всех видов элект- рических приемников номинальный ток расцепителя должен быть не меньше расчетного длительного тока цепи, т. е. /н расц > /расч дд. При определении уставок расцепителей автоматических вы- ключателей необходимо выполнение следующих условий: 1. Номинальный ток теплового расцепителя должен быть не меньше расчетного длительного тока линии, т. е. /т расц > /расч. дл- 2. Номинальный ток электромагнитного или комбинированного расцепителя автоматических выключателей должен быть не мень- ше расчетного длительного тока линии, т. е. 7ЭЛ расц > /расч. дл- S. Ток срабатывания (отсечки) электромагнитного или комби- нированного расцепителя должен быть не меньше кратковремен- ного максимального тока линии, т. е. /сраб. эл > к!тах, где к — коэф- фициент, учитывающий неточность и разброс характеристик. Для большинства автоматических выключателей к= 1,25, а для авто- матов серий АЗ 100, АЕ-2000, АК-63 к= 1,4. Поскольку пусковой ток /пуск электродвигателя (ЭД) в 3,5—7 раз превышает номинальный /н, выбор автоматического выключате- ля производится с учетом этих токов. Ток срабатывания элек-тро- магнитного расцепителя /сраб эл должен быть не менее 1,25 пус- кового тока ЭД, т. е. /сраб эл > 1,25 /пуск. Следовательно, максималь- ный ток, идущий к одиночному ЭД, должен быть равен его пуско- вому току: /тах = /Пуск- Для Цепей с одиночным ЭД используют ав- томатические выключатели с комбинированными расцепителями, а для цепей с группой ЭД — с электромагнитными. При этом ток срабатывания расцепителя должен превышать максимальный ток, который определяют как сумму номинальных токов максималь- ного числа включенных ЭД при условии пуска их с максималь- ным пусковым током: л-1 ^тах ~ ^одн At i + ^пуск. max > /=1 139
где /тах — максимальный ток, А; п — число ЭД; ЛоДН — коэффи- циент одновременной работы ЭД; /н — номинальный ток ЭД; 4уск. max ~ ПУСКОВОЙ ТОК ЭД. При установке автоматических выключателей в закрытом шка- фу условия охлаждения их ухудшаются, поэтому номинальный ток теплового или комбинированного расцепителей уменьшается до 85 % и определяется по формуле /н.Расц = 4>аб/0>85. Пример. Для защиты осветительных электроустановок общей мощно- стью 6 кВт необходимо выбрать автоматический выключатель. Номиналь- ное напряжение сети UH = 220 В. 1. Определим расчетный ток: = КСРУ = Рр _ 1-6-1000 р " и ~ и„ ~ 220 н 2. Найдем пусковой ток: /пуск = /р = 27,3 А. 3. Рассчитаем ток срабатывания расцепителя: /, > 1,25 I = 1,25 • 27,3 34 А. 4. По приложению 6 выберем автоматический выключатель АЗ 160 на номинальный ток 50 А с тепловым расцепителем на 40 А, уста- навливаемый открыто, вне шкафа. Задача. Выбрать автоматический выключатель для управления и защи- ты группы ламп накаливания общей номинальной мощностью Рн - 3 кВт при номинальном напряжении сети UH - 220 В. Вопросы для самоконтроля I. 1.Что такое осветительные электроустановки? 2. Перечислите устройства для присоединения источников света к электрической сети. 3. Каково основное требование к освещению? II. 1. Какие виды освещения вы знаете? 2. На какие основные группы подразделяются источники света? 3. Как работает лампа накаливания? III. 1. По каким параметрам рассчитываются осветительные сети? 2. Поясните принцип работы ДРЛ. 3. Как работают люминесцентные лампы?
Глава 5. МОНТАЖ УСТРОЙСТВ ЗАЩИТНОГО ЗАЗЕМЛЕНИЯ 5.1. Общие сведения При повреждении изоляции электрооборудования различные его металлические нетокопроводящие части могут случайно ока- заться под напряжением, создавая опасность поражения человека электрическим током. Прикасаясь к оборудованию с поврежденной изоляцией, человек становится проводником для тока в землю. Токи от 0,05 до 0,1 А опасны для человека, а токи выше 0,1 А смертельны. Значение тока, проходящего в землю, зависит от электричес- кого сопротивления тела человека и напряжения поврежденной установки. Сопротивление тела человека колеблется в широких пре- делах: от нескольких сотен до тысяч Ом, поэтому опасность для его жизни и здоровья могут представлять установки и с относи- тельно небольшим напряжением по отношению к земле. Напряжением относительно земли при замыкании на корпус яв- ляется напряжение между этим корпусом и точками земли, нахо- дящимися вне зоны растекания токов в земле (но не ближе 20 м от этой зоны). Одной из основных мер защиты людей от поражения электри- ческим током при прикосновении к установкам, случайно оказав- шимся под напряжением, является устройство защитного зазем- ления. Заземлением называют преднамеренное электрическое соедине- ние какой-либо части установки с землей, выполняемое при по- мощи заземлителей и заземляющих проводников. Заземлителем называют металлический проводник или группу проводников (электродов), заложенных в грунт. Заземляющими проводниками называют металлические провод- ники, соединяющие заземляемые части электроустановки с зазем- лителями. Заземляющим устройством называют совокупность заземлите- лей и заземляющих проводников. Безопасность людей достигается только в том случае, если заземляющее устройство будет иметь во много раз меньшее сопротивление, чем наименьшее сопротивле- ние тела человека. Сопротивлением заземляющего устройства называется сумма со- противлений заземлителя относительно земли и заземляющих про- 141
водников, и оно должно быть в пределах, определенных предва- рительным расчетом. Максимально допустимые сопротивления за- земляющих устройств определяются напряжением установки, зна- чениями токов замыкания на землю, наличием нейтрали и неко- торыми другими условиями и устанавливаются действующими ПУЭ. Ток замыкания на землю — ток, проходящий через землю в месте замыкания. Для защиты людей от поражения электрическим током при по- вреждении изоляции металлические нетокопроводящие части элек- трооборудования заземляют. Комплекс мер и технических уст- ройств, предназначенных для этой цели, называют защитным заземлением, т. е. защитное заземление представляет собой предна- меренное соединение с землей посредством заземляющих провод- ников и заземлителей нетокопроводящих металлических частей электроустановок (рукояток приводов разъединителей, кожухов трансформаторов, фланцев опорных изоляторов, корпусов изме- рительных трансформаторов и др.). Задача защитного заземления заключается в создании между ме- таллическими конструкциями или корпусом защищаемого устрой- ства и землей электрического соединения достаточно малого со- противления; при однофазных замыканиях на землю или на кор- пус токопроводящих поврежденных частей электроустановок такое соединение обеспечивает снижение тока до значения, не угрожаю- щего жизни и здоровью человека, так как электрическое сопро- тивление его тела во много раз больше сопротивления металличес- кого проводника, соединенного с землей. Замыкание на землю — это случайное электрическое соединение находящихся под напря- жением частей электроустановки непосредственно с землей или с ее конструктивными частями, не изолированными от земли. Защитное заземление применяется во всех сетях с изолирован- ной нейтралью и в сетях с напряжением выше 1000 В с заземлен- ной нейтралью. В последних токи однофазного замыкания проте- кают через землю и вызывают отключение аварийного участка. В сети с глухозаземленной нейтралью электроприемники полу- чают питание от обмоток источника тока, соединенных в звезду, нулевая точка которой надежно соединена с землей. Глухозаземлен- ной нейтралью называется нейтраль трансформатора или генера- тора, присоединенная к заземляющему устройству непосредствен- но или через малое сопротивление. Заземление нейтрали. В ПУЭ указывается, что городские элект- рические сети напряжением свыше 1000 В должны выполняться трехфазными с изолированной нейтралью, а распределительные сети в новых городах — трехфазными четырехпроводными с на- глухо заземленной нейтралью при напряжении 380/220 В. Однако распространены также сети с напряжением 220/127 В с изолиро- 142
ванной нетралью, в которых применяются пробивные предохра- нители. Обмотки силовых трансформаторов отечественного производ- ства с напряжением ПО кВ и выше также рассчитываются на ра- боту с заземленной нейтралью, так как они имеют неполную изо- ляцию нулевых выводов. Рассмотрим, зачем в сетях до 1000 В заземляют нейтраль, по каким причинам иногда отдают предпочтение изолированной ней- трали и для чего служат пробивные предохранители. На рис. 5.1, а показаны вторичные обмотки трансформатора Тр, питающего четырехпроводную сеть напряжением 380/220 В, ней- траль которой изолирована. Пусть в рассматриваемый момент изо- ляция совершенно исправна. Тем не менее три сопротивления R, соединенные в звезду, нейтралью которой является земля, условно 380 В 220 В 220 В 380 В 220 В 380 В 220 В а) Рис. 5.1. Схема трехфазной сети с изолированной нейтралью (а) и режи- мы ее работы при прикосновении человека к линейному проводу (б); заземлении одного линейного провода и прикосновении человека к дру- гому (в); прикосновении человека к линейному проводу в системе с за- земленной нейтралью (г) и в системе с заземленными нейтралью и дру- гим линейным проводом (д) У////////////////////, 143
показывают несовершенство изоляции проводов, которая в какой- то степени все же проводит ток. Три конденсатора С, соединен- ные в звезду, нейтралью которой также служит земля, условно изображают электрическую емкость проводов относительно зем- ли, что в электроустановках переменного тока весьма важно, так как емкость проводит переменный ток. Какие же напряжения действуют в рассматриваемой электро- установке? Между линейными проводами напряжение 380 В, а между каждым линейным проводом и нейтралью трансформато- ра — 220 В, так как земля оказалась нейтралью соединений звезд из трех равных сопротивлений Л и трех равных емкостей С. Если же линейный провод относительно нейтрали трансформатора имеет такое же напряжение, как и относительно земли, то между нейт- ралью трансформатора и землей напряжение равно нулю, но, ко- нечно, только если сеть не нагружена либо нагрузка всех фаз со- вершенно одинакова. Прикосновение человека, стоящего на земле, к одному из ли- нейных проводов небезопасно, так как через несовершенную изо- ляцию провода и тело человека прой- дет ток (рис. 5.1, б). Сила этого тока, а следовательно, и степень опаснос- ти определяются значениями сопро- тивлений, емкостей конденсаторов и фазным напряжением. Иными сло- вами, в этом случае человек нахо- дится под напряжением 220 В. Но что произойдет, если один из линейных проводов заземлится, а че- ловек, стоящий на земле, прикос- нется к другому линейному проводу? Из рис. 5.1, в видно, что человек ока- жется теперь не под фазным, а под линейным напряжением 380 В, что значительно опаснее. В сетях с заземленной нейтралью человек, стоящий на земле и при- коснувшийся к линейному прово- ду, попадает под фазное напряже- ние (рис. 5.1, г). Если при этом за- землится другой линейный провод (рис. 5.1, д'), то предохранитель пе- регорит, но повышения напряжения с фазного до линейного (как в сетях с изолированной нейтралью) не про- изойдет. Рис. 5.2. Работа схемы трех- фазной сети с глухозаземлен- ной нейтралью при прикос- новении человека к токоп- роводящему проводу (а), заземлении (б) и занулении (в) электродвигателя 144
Прикосновение к токопроводящему элементу в сети с глухоза- земленной нейтралью очень опасно, так как при этом образуется замкнутая цепь (рис. 5.2, а), по которой под действием напряже- ния с фазы А через тело человека, обувь, пол, землю и заземле- ние нейтрали течет поражающий ток. Опасно также прикоснове- ние к электроприемнику, в котором произошло замыкание на за- земленный корпус. Рассмотрим следующий пример. Пусть сопротивление заземле- ния электродвигателя (рис. 5.2, б) R3 = 3,5 Ом, а сопротивление заземления нейтрали Rq = 0,5 Ом. При замыкании фазы А на кор- пус в замкнутой цепи, образованной обмоткой источника, про- водом фазы А, корпусом и заземлением двигателя, а также зем- лей и заземлением нейтрали, потечет ток. При фазном напряже- нии, равном 220 В, можно пренебречь сопротивлением сети, корпуса и земли и подсчитать силу тока однофазного замыкания на землю: 4.3 = иф/(Ao + R3) = 220 / (0,5 + 3,5) = 55 А. Этот ток создает падение напряжения на заземлении нейтрали Uq = IO'3Rq = 55 • 0,5 = 27,5 В и на заземлении двигателя U3= IO3R3=55-3,5 = 192,5 В. Таким образом, между заземленным корпусом электродвига- теля и землей возникает достаточно опасное напряжение 193 В, и человек, прикоснувшийся к корпусу, может получить сильный удар током. Поэтому в установках напряжением 220/380 В применяется система заземления, при которой все металлические нетокопро- водящие части оборудования электрически соединяются не с зем- лей, а с заземленной нейтралью источника. Это соединение осу- ществляется через нулевой провод сети (нулевой рабочий провод) или специальный нулевой защитный провод (рис. 5.2, в) и называ- ется занулением. Предположим, что в сети с занулением произо- шел пробой изоляции фазы А. Поскольку сеть состоит из металли- ческих частей, в ней нет участков со сколько-нибудь значитель- ным сопротивлением. Поэтому любое замыкание токопроводящих частей на зануленный корпус является коротким замыканием, при котором поврежденный участок немедленно отключается защит- ной аппаратурой (предохранителями или автоматами). В этом и со- стоит защитная роль зануления. Кроме обеспечения минимального сопротивления заземляю- щего устройства, важно также обеспечить равномерное распреде- ление напряжения вокруг защищаемого аппарата и по всей пло- щади электроустановки (например, подстанции). Максимальный 145
потенциал (U3) имеют заземлитель, соединенный с корпусом поврежденного аппарата, и грунт, соприкасающийся с заземли- телем. По мере удаления от заземлителя потенциал на поверхнос- ти земли падает, достигая постепенно нулевого значения (за пре- делами 15 ...20 м). Сопротивление грунта на этом расстоянии на- зывается сопротивлением растеканию. Человек, прикасающийся к корпусу аппарата с поврежденной изоляцией, оказывается под напряжением, значение которого оп- ределяется падением потенциала на участке между точкой прикос- новения его к аппарату и точкой касания земли ногами (участок длиной около 0,8 м). Это напряжение называется напряжением при- косновения ((/прик)- Между ступнями человека, приближающегося к поврежденному аппарату, также будет разность потенциалов, на- зываемая напряжением шага значение которого зависит от ширины шага и расстояния до места повреждения. Рассмотрим это более подробно. Напряжение шага и напряже- ние прикосновения возникают, если в заземленной сети проис- ходит однофазное замыкание на землю. Пусть через вертикальный заземлитель 3 (рис. 5.3), расположенный в точке 0, в землю течет ток однофазного замыкания. По мере удаления от заземлителя плот- ность тока и вызываемое им падение напряжения непрерывно уменьшаются, т.е. если в точке 0 максимальный потенциал (рав- ный падению напряжения на самом заземлителе), то потенциал в точке грунта, расположенной далее 20 м от заземлителя, практи- чески равен нулю. Изменение потенциала грунта в зависимости от расстояния до точки 0 характеризуется кривой AM. Разделив рас- стояние ОМ на отрезки длиной 0,8 м (средняя ширина шага че- ловека), по этой кривой легко узнать, под какое напряжение по- падет человек, находящийся на определенном расстоянии от за- землителя. Например, если ноги идущего человека находятся на расстояниях 1,6 и 2,4 м от за- Рис. 5.3. Схема возникновения шаго- вого напряжения землителя, то потенциалы грунта характеризуются точ- ками В и Г кривой AM, а от- резок ВЖ в определенном масштабе определяет раз- ность потенциалов, т. е. на- пряжение. Напряжение, под кото- рым может оказаться чело- век, идущий в зоне растека- ния по земле тока однофаз- ного замыкания, называют напряжением шага. Это на- пряжение уменьшается по 146
мере удаления от заземлителя (ВЖ < БЕ < АД) и на расстоянии более 20 м от заземлителя оно практически исчезает. Поражения людей из-за появления напряжения шага в случае однофазного замыкания на землю очень редки вследствие малых значений этого напряжения. Но если это напряжение возникает при падении на землю оборвавшегося провода воздушной линии, оно может достигать больших значений. В таких случаях выходить из зоны действия напряжения шага следует, используя сухие дос- ки, листы пластика и другие изоляционные материалы, а при их отсутствии — мелкими шагами. Опасно также напряжение, возникающее при работе защитно- го заземления, в режиме однофазного замыкания на землю. Если через заземлитель в землю течет ток /3, то на сопротивлении за- земляющего устройства R3 он создает падение напряжения I3R3, т. е. напряжение прикосновения. Прикасаясь в этом случае к кор- пусу аппарата с поврежденной изоляцией, человек может попасть либо под полное напряжение I3R3, либо под его часть. Наиболее опасны случаи, когда приемник с поврежденной изоляцией и че- ловек, прикоснувшийся к нему, находятся на расстояниях более 20 м от заземлителя, и если человек стоит непосредственно на земле в сырой или подбитой гвоздями обуви. 5.2. Наружный контур заземления и его монтаж Для обеспечения безопасности людей осуществляют защитное заземление электроустановок. Заземлению подлежат: металлические кожухи и корпуса электроустановок, различных агрегатов и приводов к ним, светильников и т.д.; металлические каркасы распределительных щитов, щитов уп- равления, щитков и шкафов; металлические конструкции и металлические корпуса кабель- ных муфт, металлические оболочки кабелей и проводов, стальные трубы электропроводки; вторичные обмотки измерительных трансформаторов. Заземлению не подлежат: арматура подвесных и штыри опорных изоляторов; оборудование, установленное на заземленных металлических конструкциях, так как на их опорных поверхностях должны быть предусмотрены зачищенные незакрашенные места для обеспече- ния электрического контакта; корпуса электроизмерительных приборов и реле, установлен- ные на щитках, щитах, шкафах, а также на стенах камер распре- делительных устройств; металлические оболочки контрольных кабелей в случаях, ко- торые оговариваются в проекте особо. 147
Защитное заземление состоит из наружного (внешнего) устрой- ства, представляющего собой естественные или искусственные за- землители, проложенные в грунте и соединенные между собой в общий контур, и внутренней сети, состоящей из заземляющих про- водников, прокладываемых по стенам помещения, в котором на- ходится установка, и присоединяемых к наружному контуру. Металлические заземлители, заложенные в грунт, имея боль- шую площадь соприкосновения с землей, обеспечивают малое электрическое сопротивление контура. Для заземления электроустановок в первую очередь должны использоваться естественные заземлители — проложенные в зем- ле металлические трубопроводы (кроме трубопроводов с горючи- ми, легковоспламеняющимися и взрывчатыми жидкостями или га- зами); обсадные трубы; металлические и железобетонные конст- рукции зданий и сооружений, надежно соединенные с землей; свинцовые оболочки кабелей, проложенных в земле, и нулевые с повторными заземлителями рабочие провода воздушных линий на- пряжением до 1000 В. Естественные заземлители (кроме последних) должны присоединяться к заземляющей магистрали электроуста- новки не менее чем в двух местах. Присоединение заземляющих проводников к заземлителям, а также соединение заземляющих проводников между собой произ- водится сваркой, причем длина нахлестки (сварочного шва) дол- жна быть равна двойной ширине проводника при прямоугольном его сечении и шести диаметрам — при круглом. При Т-образном соединении внахлестку двух полос длина нахлестки определяется их шириной. Присоединение заземляющих проводников к трубопроводам выполняется сваркой (рис. 5.4) или, если это невозможно, хо- мутами (рис. 5.5) со стороны ввода трубопроводов в здание (до во- домера, задвижки, фланца). Сварочные швы, расположенные в зем- ле, после монтажа для защиты от коррозии покрываются битумом. Если естественных заземлителей нет или они не удовлетворя- ют расчетным требованиям, монтируют контур наружного зазем- а) б) Рис. 5.4. Присоединение к трубо- проводу сваркой заземляющего проводника с прямоугольным (а) и круглым (б) сечением Рис. 5.5. Присоединение к трубо- проводу заземляющего проводника при помощи хомута 148
ления из искусственных заземлителей, которые могут быть верти- кальными, горизонтальными и углубленными. Вертикальные заземлители — это вбитые в землю стальные трубы (некондиционные) или угловая сталь (с толщиной стенки не ме- нее 4 мм и длиной 2,5... 3 м), а также ввернутые в землю стальные стержни (с диаметром 10... 16 мм и длиной 4,5...5 м). Проложен- ные в земле стальные полосы толщиной не менее 4 мм или круг- лая сталь диаметром не менее 10 мм являются горизонтальными искусственными заземлителями, играющими роль самостоятель- ных элементов заземления или служащие для связи друг с другом вертикальных заземлителей. Разновидностью горизонтальных заземлителей являются углуб- ленные заземлители, закладываемые на дно котлованов при со- оружении фундаментов опор воздушных линий и строящихся зда- ний. Их изготавливают в мастерских монтажной организации после предварительного замера из полосовой стали с сечением 30 х 4 мм или круглой стали диаметром 12 мм. Форма заземлителей, их чис- ло, сечение и размещение определяются проектом. В качестве заземляющих проводников могут использоваться ес- тественные проводники, т. е. металлические конструкции зданий (фермы, колонны и др.); металлические конструкции производ- ственного назначения (подкрановые пути, каркасы распредели- тельных устройств, галереи, площадки, шахты лифтов, подъем- ников и т.п.); стальные трубы электропроводок; металлические оболочки кабелей (но не броня). Для зануления достаточно во всех случаях алюминиевой оболочки кабелей, а свинцовой, как пра- вило, недостаточно. Во взрывоопасных помещениях применяются специально про- ложенные заземляющие проводники, а естественные рассматрива- ются как дополнительная мера защиты. При заземленной нейтра- ли (сетей 380/220 или 220/127 В) зануление электроприемников взрывоопасных установок должно производиться отдельно выде- ленными жилами проводок и кабелей; при изолированной нейт- рали для заземления могут применяться стальные проводники. Использование голых алюминиевых проводников в качестве за- земляющих запрещается из-за быстрого разрушения их вследствие коррозии. Монтаж наружного контура заземления и прокладка внутрен- ней заземляющей сети производятся по рабочим чертежам проек- та электроустановки. Выполнение пробивных работ, установка закладных частей, подготовка свободных отверстий, борозд и других проемов, зак- ладка проходных труб в стены и фундаменты, рытье земляных траншей для прокладки наружного контура заземления осуществ- ляются на первой стадии подготовки к электромонтажным работам. 149
Внешний контур заземления прокладывается в земляных тран- шеях глубиной 0,7 м. Искусственные заземлители в виде отрезков стальных труб, круглых стержней и уголков длиной 3... 5 м заглуб- ляются в грунт свертыванием или вибропогружением так, чтобы головка электрода оказалась на глубине 0,5 м от поверхности зем- ли. Заглубленные заземлители соединяются друг с другом сталь- ными полосами с сечением 40x4 мм с помощью сварки. Места приварки полосы к заземлителям покрываются разогретым биту- мом для защиты от коррозии. Расположенные в земле заземлители и заземляющие проводники не должны быть окрашенными. Тран- шеи с уложенными в них заземляющими проводниками и зазем- лителями засыпают землей, не содержащей камней и строитель- ного мусора. Естественные заземлители связываются с заземляющими ма- гистралями электроустановки не менее чем двумя проводниками, присоединенными в разных местах. Соединение заземляющих про- водников с протяженными заземлителями (например, трубопро- водами) выполняется вблизи от вводов их в здания при помощи сварки или хомутов, контактная поверхность которых облужива- ется. Трубы в местах накладки хомутов зачищаются. Места и спо- собы присоединения приемников тока выбираются с таким рас- четом, чтобы при разъединении трубопровода для ремонтных ра- бот обеспечивалось непрерывное действие заземляющего устройства. У водомеров и задвижек устраивают обходные соединения. Внутренняя заземляющая сеть выполняется открытой проклад- кой внутри помещений по строительным поверхностям голых стальных проводников с прямоугольным и круглым сечениями. На рис. 5.6 показаны примеры прокладки, крепления и соединения проводников защитного заземления. Открыто прокладываемые голые заземляющие проводники рас- полагаются вертикально, горизонтально или параллельно наклон- ным конструкциям зданий. Проводники с прямоугольным сече- нием устанавливаются большой плоскостью к поверхности основа- ния. На прямолинейных участках прокладки проводники не должны иметь заметных на глаз неровностей и изгибов. Заземляющие про- водники, прокладываемые по бетону или кирпичу в сухих поме- щениях, не содержащих едких паров и газов, укрепляются непос- редственно на стенах, а в помещениях сырых, особо сырых, с едкими парами и газами — на опорах на расстоянии не менее 10 мм от поверхностей стен. В каналах заземляющие проводники распола- гаются на расстоянии не менее 50 мм от нижней поверхности съем- ного перекрытия. Расстояние между опорами для крепления зазем- ляющих проводников на прямых участках составляет 600... 1000 мм. Заземляющие проводники в местах перекрещивания их с кабе- лями и трубопроводами, а также в других местах, где возможны 150
Рис. 5.6. Варианты прокладки (а) и крепления плоских и круг- лых шин обоймами (б), электросваркой (в) и встреливае- мыми дюбелями (г), сваркой внахлестку (д) и приваркой к электроду (е) механические повреждения, защищают трубами или иными спо- собами. В помещениях заземляющие проводники должны быть доступ- ны для осмотра, но это требование не относится к нулевым жи- лам и металлическим оболочкам кабелей, трубопроводам скры- той электропроводки и металлоконструкциям, находящимся в земле. Через стены заземляющие проводники прокладываются в открытых проемах, трубах или иных жестких обрамлениях. Каждый заземляемый элемент электроустановки должен при- соединяться к заземляющей магистрали при помощи отдельного ответвления. Последовательное подключение к заземляющему про- воднику нескольких заземляемых элементов запрещается. Нейтрали трансформаторов, заземляемые наглухо или через ап- параты, компенсирующие емкостной ток, присоединяются к за- землителю или сборным заземляющим шинам при помощи отдель- ных заземляющих проводников. Заземляемые выводы вторичных обмоток измерительных трансформаторов присоединяются к их кожухам заземляющими болтами. Гибкие перемычки, служащие для заземления металлических оболочек и брони кабелей, прикрепляются к ним бандажом из про- волоки и припаиваются, а затем соединяются болтовыми контак- 151
тами с кабельной заделкой (муфтой) и заземляющей конструк- цией. Сечения гибких перемычек должны соответствовать сечениям заземляющих проводников, принятых для данной электроустановки. Места соединения заземляющей перемычки с алюминиевой обо- лочкой кабеля после пайки покрываются асфальтовым лаком или горячим битумом. Соединение друг с другом заземляющих проводников и присо- единение их к конструкциям установки выполняются сваркой, а подключение к корпусам аппаратов и машин — сваркой или на- дежным болтовым соединением. Для предотвращения ослабления контакта при сотрясениях и вибрациях устанавливаются контргай- ки, пружинные шайбы и т.д. Контактные поверхности на заземляемом электрооборудовании в местах присоединения заземляющих проводников, а также кон- тактные поверхности между заземляемым оборудованием и кон- струкциями, на которых оно установлено, должны зачищаться до металлического блеска и покрываться тонким слоем вазелина. 5.3. Измерение сопротивлений заземляющих устройств Заземление надежно выполняет свои защитные функции лишь в том случае, если его сопротивление достаточно мало. Например, в сетях с глухозаземленной нейтралью большое сопротивление за- земляющего устройства может привести к тому, что сила тока, воз- никшего при пробое изоляции, окажется недостаточной для сра- батывания отключающей защитной аппаратуры. Поэтому ПУЭ стро- го ограничивают сопротивления заземляющих устройств. При заземлении электроустановок напряжением до 1000 В с глу- хозаземленной нейтралью необходимо нейтрали их источников пи- тания (генераторов, трансформаторов) надежно присоединять к заземлителю, который должен располагаться в непосредственной близости от них. Если трансформаторная подстанция находится внутри цеха, допускается выносить заземлители на внешнюю сто- рону стены здания. Сопротивление заземляющего устройства, к которому присоединяются нейтрали генераторов и трансформа- торов, должно быть не более 4 Ом, если же их мощность 100 кВ • А и ниже, то сопротивление заземляющего устройства не должно превышать 10 Ом; при параллельной работе источников питания сопротивление заземления может достигать 10 Ом только в слу- чае, если их суммарная мощность не превышает 100 кВ - А. После окончания всех монтажных работ (за исключением засыпки траншеи при использовании вертикальных заземлителей) в обяза- тельном порядке измеряют, соответствует ли сопротивление за- земления требованиям ПУЭ. Чаще всего измерения производят с использованием амперметра и вольтметра или прибора МС-08. 152
Электроизмерительные при- боры — амперметры и вольтмет- ры, в которых используется ори- ентационное действие магнит- ного поля на контур с током, устроены следующим образом (рис. 5.7). На легкой алюминие- вой рамке 2 прямоугольной формы с прикрепленной к ней стрелкой 4 намотана катушка. Рамка укреплена на двух полу- осях ОО'. В положении равнове- сия ее удерживают две тонкие спиральные пружины 3, момент сил упругости которых пропор- ционален углу отклонения стрел- ки. Катушка помещается между полюсами постоянного магни- Рис. 5.7. Электроизмерительный прибор: 7 — цилиндр; 2 — алюминиевая рамка; 3 — пружина; 4 — стрелка; 5 — шкала та с наконечниками специальной формы. Внутри нее располагается ци- линдр 1 из мягкого железа. Такая конструкция обеспечивает радиальное направление линий магнитной индукции в области нахождения витков катушки (рис. 5.8), т. е. при любом положении катушки момент сил маг- нитного поля максимален и при неизменной силе тока один и тот же. Векторы F и -F соответствуют силам магнитного поля, которые дей- ствуют на катушку и создают вращающий момент. Катушка с током по- ворачивается до тех пор, пока момент сил упругости пружины не урав- новесит момент сил магнитного поля. При увеличении силы тока в два раза стрелка также поворачивается на угол, вдвое больший, так как мак- симальный момент сил М магнитного поля прямо пропорционален силе тока: М -I. Ус- тановив, какому углу поворота стрелки со- ответствует известное значение силы тока и проградуировав электромагнитный прибор, его можно использовать для измерений в це- пях постоянного и переменного тока. Ампер- метры и вольтметры являются самыми рас- пространенными щитовыми приборами вслед- ствие простоты устройства и сравнительно хо- рошей переносимости перегрузки. Недостат- ками этих приборов являются невысокая точ- ность, большая потребляемая мощность (до 10 Вт), ограниченный частотный диапазон и чувствительность к внешним магнитным полям. Щитовые амперметры выпускают класса 1,0; 1,5; 2,5 на токи до 300 А с прямым вклю- чением и до 15 А с наружными трансформа- торами тока. Щитовые вольтметры тех же клас- сов точности выпускаются на напряжения до Рис. 5.8. Схема действия сил в электроизмеритель- ном приборе 153
Рис. 5.9. Схема измерения сопротивле- ния заземления с помощью ампермет- ра и вольтметра 600 В с прямым включением и до 750 кВ с трансформато- рами напряжения. При прямом включении измерительных приборов (рис. 5.9) между заземлите- лем (3), сопротивление ко- торого относительно земли надо измерить, и вспомога- тельным токовым электро- дом (Т) пропускают одно- фазный переменный ток 1Х и измеряют его ампермет- ром, а, погрузив в землю между электродами 3 и Т вспомогательный потенци- альный стержень (П), изме- ряют вольтметром напряже- ние Ux между ним и зазем- лителем 3. Измерение сопротивления заземлителя с использованием ам- перметра, вольтметра и трансформатора производится в следую- щем порядке. В землю забиваются электроды П и Т (заостренные на концах стальные стержни длиной около 1 м). Отдельными про- водами к заземлителю и этим электродам присоединяются ампер- метр и вольтметр. Вольтметром проверяют отсутствие напряжения между заземлителем и стержнем П. Если прибор показывает ка- кое-то напряжение, изменяя направление разноса стержней или пропорционально увеличивая расстояние между ними, добива- ются его нулевого значения. После этого полностью вводят реос- тат с сопротивлением R и включают в сеть трансформатор Тр. С помощью реостата постепенно увеличивают силу тока и следят за показаниями амперметра и вольтметра (одновременный от- счет по приборам производится в момент, когда их показания можно зафиксировать с наибольшей точностью). По данным измерения рассчитывают сопротивление заземления, используя за- кон Ома: R3= Ux/ 1Х. Производят не менее трех измерений и для расчета принимают среднеарифметическое полученных значений. Преимущества такого измерения состоят в точности и возмож- ности определения очень малых сопротивлений (до сотых долей ома); недостатками являются необходимость наличия двух изме- рительных приборов и трансформатора, влияние колебаний на- пряжения сети на точность измерения, отсутствие непосредствен- ного отсчета и повышенная опасность для людей, производящих 154
измерения. Этот метод в основ- ном используют для измерения сопротивлений заземлителей электростанций и мощных рай- онных трансформаторных под- станций. Сопротивление заземления можно также измерить прибо- ром МС-08 (рис. 5.10), име- ющим три шкалы (10... 1000, 1... 100 и 0,1...10 Ом), работа которого основана на принци- пе одновременного измерения тока и напряжения магнито- электрическим логометром. Логометром называется пока- зывающий прибор, измеряющий отношение двух электрических ве- личин, в большинстве случаев от- ношение двух токов. Его применя- Рис. 5.10. Упрощенная схема прибо ра МС-08: 1 — логометр; 2 — генератор; 3 — преры ватель тока; 4 — выпрямитель ют для измерения электрических и неэлектрических величин, не за- висящих от тока (сопротивления, сдвига фаз, частоты, температуры, давления, перемещения в простран- стве и др.). Отклонение стрелки большинства измерительных механизмов опре- деляется током, который проходит через этот механизм и может зави- сеть от измеряемой величины. Например, в электротермометре ток зави- сит от сопротивления цепи, так как в нее включен резистор, сопротив- ление которого изменяется с изменением измеряемой температуры. Но согласно закону Ома ток также пропорционален напряжению. Следова- тельно, показание прибора будет зависеть не только от измеряемой ве- личины х, а также и от напряжения источника электроэнергии, измене- ния которого будут вызывать соответствующие погрешности в показани- ях прибора. Для устранения влияния напряжения при подобных измерениях широко применяются логометры. Логометр может иметь измерительный механизм почти любой систе- мы, но широкое распространение получили магнитоэлектрические ло- гометры. В логометре любой системы вращающий и противодействующий мо- менты создаются электромеханическими силами и в равной степени за- висят от напряжения, поэтому изменение напряжения не изменяет от- ношения моментов, а следовательно, не влияет и на показания прибора. В качестве примера рассмотрим соотношение моментов в магнито- электрическом логометре с внутрирамочным эллипсовидным магнитом (рис. 5.11).. Магнитная индукция в воздушном зазоре магнитоэлектричес- 155
Рис. 5.11. Устройство магнитоэлектричес- кого логометра с вну- трирамочным эллип- совидным магнитом: 7, 2 — подвижные ка- тушки кого механизма распределяется неравномерно. В это неравномерное магнитное поле помещаются две подвижные катушки, укрепленные на обшей оси под определенным углом. Для подвода тока к ним служат три мягкие серебряные спирали, не создающие механического момента от кручения. При отсутствии тока в цепи хорошо уравновешен- ная подвижная часть будет находиться в состоя- нии безразличного равновесия — стрелка может остановиться у любого деления шкалы. Когда цепи токов обеих катушек замыкаются, то на подвиж- ную часть действуют два вращающих момента, противоположных по направлению, которые со- здаются в результате воздействия магнитного поля на катушки с током. Эти моменты определяются так же, как и для обычного магнитоэлектрического прибора: Mjpi = Msp2 = ^2SB2I2, где o)i, w2 — число витков соответствующих кату- шек; В, В2 — магнитная индукция в воздушных зазорах соответствующих катушек; /ь /2 — токи соответствующих катушек; 5 — площадь поперечного сечения катушек. Перемещение подвижной части в приборе происходит следующим образом. Предположим, что Л/вр1 > Л/вр2, вследствие чего поворот проис- ходит против часовой стрелки. При этом направление токов и создавае- мых ими вращающих моментов определяет перемещение катушки 7, к которой приложен больший момент, в более разреженную часть магнитно- го поля, вследствие чего индукция В убывает. Одновременно катушка 2, на которую воздействует меньший момент, перемещается в более узкую часть воздушного зазора, где индукция В2 возрастает. Следовательно, по мере поворота подвижной части более сильный вращающий момент убы- вает, а более слабый возрастает. В результате в некотором определенном положении, когда создается равенство моментов A/Bpi = Л/вр2, подвижная часть должна остановиться, т. е. СОд iS" В 1[ — U2SB2I2. (5.1) Применение логометра для измерения сопротивления Rx резистора показано на рис. 5.12. Здесь подвижные катушки логометра включены в Рис. 5.12. Схема соединения кату- шек логометра в омметре две ветви, параллельные по отно- шению к общему источнику ЭДС Е. Сопротивление цепи первой ка- тушки постоянно, сопротивление цепи второй катушки складывается из сопротивления добавочного ре- зистора 7?д, помещенного внутри корпуса прибора, и измеряемого сопротивления Rx. 156
На основании закона Ома найдем токи в катушках: I = E/R, I2 = E/(Ra+Rx). Подставив эти значения в (5.1) и исключив Е, получим Rx О)2^2 -Лд. Отношение В2/ Вх определяется конструкцией магнитной цепи при- бора и находится в определенной зависимости от угла а поворота под- вижной катушки относительно неподвижной, т. е. определенному поло- жению подвижной части соответствует определенное измеряемое сопро- тивление Rx, а от ЭДС (либо от напряжения) источника электроэнергии угол а не зависит. Проградуировав шкалу в омах, можно использовать логометр в качестве омметра. Рассмотрим как измеряется сопротивление заземления с по- мощью прибора МС-08 (см. рис. 5.10). Логометр 1 имеет потенциальную и токовую рамки, закреп- ленные под углом и находящиеся в поле постоянного магнита. Сила тока в потенциальной рамке, включенной параллельно заземли- телю 3, пропорциональна падению напряжения Ux на нем, а ток в рамке, включенной последовательно, пропорционален току 1Х, текущему через заземлитель. Угол отклонения обеих рамок лого- метра в постоянном магнитном поле пропорционален отноше- нию Ux/ 1х, равному сопротивлению заземлителя. Прибор имеет генератор 2 постоянного тока с ручным приводом, прерыватель тока 3, выпрямитель 4 и переменный резистор R, служащий для увеличения сопротивления потенциальной цепи до 1000 Ом. На внешней панели прибора размещены клеммы £ь Е2 и 12. При вращении рукоятки генератора вырабатывается постоянный ток, который преобразуется прерывателем в переменный и через клемму /2 и вспомогательный потенциальный стержень П сначала уходит в землю, а затем через испытуемый заземлитель 3 и клеммы /[, соединенные перемычкой, возвращается в прерыватель и да- лее по токовой обмотке логометра — в генератор. Проходя в зем- ле, переменный ток создает между заземлителем и стержнем П пе- ременное падение напряжения, которое через клеммы Е} и Е2 попадает на выпрямитель 4, а затем — на потенциальную рамку логометра. Вспомогательные электроды П забиваются на определенных расстояниях в плотный грунт на глубину не менее 0,5 м прямыми ударами и без раскачки. Схема включения прибора МС-08 опре- деляется предполагаемым значением сопротивления заземлителя. Для измерения больших сопротивлений его устанавливают как можно ближе к заземлителю и включают по схеме, изображенной 157
Рис. 5.13. Схемы измерения прибором МС-08 больших (д) и малых (6) сопротивлений: 1 — переключатель; 2 — переменное сопротивление на рис. 5.13, а. Для измерения малых сопротивлений или в случае, если прибор невозможно установить вблизи заземлителя, снима- ют перемычку между клеммами Ц и £ь и включают прибор по схеме, изображенной на рис. 5.13, б. Далее производят компенса- цию сопротивления потенциальной цепи, для чего переключа- тель 1 устанавливают в положение «Регулировка» и, вращая руко- ятку генератора с частотой 120... 135 об/мин, с помощью перемен- ного сопротивления 2 добиваются совпадения стрелки прибора с красной чертой на его шкале. После этого переключатель перево- дят в положение «х 1» и, продолжая вращать ручку генератора, сни- мают значение со шкалы 10... 1000 Ом. Если отклонение стрелки при этом незначительное, переключатель переводят в положения «х0,1» (шкала 1... 100 Ом) или «*0,01» (шкала 0,1... 10 Ом). При этих переключениях стремятся к тому, чтобы стрелка отклонялась не менее чем на 2/3 шкалы, после чего, не прекращая вращения рукоятки генератора, снимают показание и умножают его на ко- эффициент используемой шкалы. При измерении сопротивления заземления прибором МС-08 от- падает надобность в сети переменного тока, что особенно важно при ремонтных и полевых работах. Кроме того, не требуется вы- 158
। юл нения расчетов, т.е. измеряемое значение отсчитывается не- посредственно по шкале. Недостатками прибора являются значи- гельная масса (около 13 кг) и сравнительно высокая погрешность и 1мерения (до 12,5%). Данные измерения сравниваются с требованиями ПУЭ. Если со- противление меньше или равно значению, приведенному в ПУЭ, тземляющее устройство считается пригодным к эксплуатации. 5.4. Монтаж внутренней заземляющей сети Перед засыпкой траншей к наружному контуру заземления приваривают стальные полосы или круглые стержни, которые затем вводят внутрь здания, где находится оборудование, подлежащее заземлению. Вводов, соединяющих заземлители с внутренней за- $смляющей сетью, должно быть не менее двух и выполняются они стальными проводниками тех же размеров и сечений, что и со- единение заземлителей между собой. Как правило, вводы зазем- ляющих проводников в здание прокладывают в несгораемых не- металлических трубах, выступающих по обе стороны стены при- мерно на 10 мм. В цехах промышленных предприятий и зданиях трансформатор- ных подстанций электрооборудование, подлежащее заземлению, располагается самым различным образом, поэтому для присоеди- нения его к системе заземления в помещении должны быть про- ложены заземляющие и нулевые защитные проводники. В качестве последних используются нулевые рабочие проводники (кроме взры- воопасных установок), а также металлические конструкции зда- ния (колонны, фермы и др.); проводники, специально предназ- наченные для этой цели; металлические конструкции производ- ственного назначения (каркасы распределительных устройств, подкрановые пути, шахты лифтов, обрамленные каналы и др.), стальные трубы электропроводок; алюминиевые оболочки кабе- лей; металлические кожухи шинопроводов, короба и лотки; ме- таллические стационарно проложенные трубопроводы любого на- значения (кроме трубопроводов горючих и взрывоопасных ве- ществ и смесей, канализации и центрального отопления). Запрещается использовать в качестве нулевых защитных про- водников металлические оболочки трубчатых проводов, несущие тросы, металлорукава, броню и свинцовые оболочки кабелей, хотя сами по себе они должны быть заземлены или занулены и иметь надежные соединения на всем протяжении. Если естественные магистрали заземления использовать нельзя, то в качестве заземляющих или нулевых защитных проводников применяют стальные проводники, минимальные размеры которых приведены в табл. 5.1. Заземляющие проводники в помещениях 159
Таблица 5.1 Минимальные размеры заземляющих проводников Вид проводника Место прокладки в здании в наружной установке (НУ) и в земле Круглая сталь Диаметр 5 мм Диаметр 6 мм Прямоугольная сталь Сечение 24 мм2, толщина 3 мм Сечение 48 мм2, толщина 4 мм Угловая сталь Толщина полок 2 мм Толщина полок 2,5 мм в НУ и 4 мм в земле Стальная газопроводная труба Толщина стенок 2 ,5 мм Толщина стенок 2,5 мм в НУ и 3,5 мм в земле Стальная тонкостенная труба Толщина стенок 1,5 мм 2,5 мм в НУ, в земле не допускается должны быть доступны для осмотра, поэтому они (за исключе- нием стальных труб скрытой электропроводки, оболочек кабелей и т.п.) прокладываются открыто. Проход через стены выполняется в открытых проемах, несго- раемых неметаллических трубах, а через перекрытия — в отрезках таких же труб, выступающих над полом на 30... 50 мм. Заземляю- щие проводники должны проводиться свободно, за исключением взрывоопасных установок, где отверстия труб и проемов заделы- ваются легкопробивными несгораемыми материалами. Перед прокладкой стальные шины выправляются, очищаются и окрашиваются со всех сторон. Места соединения после сварки стыков покрываются асфальтовым лаком или масляной краской. В сухих помещениях можно использовать нитроэмали, а в помеще- Рис. 5.14. Крепление заземляю- щих проводников дюбелями не- посредственно к стене (а) и с подкладкой (б) ниях с сырыми и едкими парами нужно применять краски, стойкие к химически активной среде. В помещениях и наружных ус- тановках с неагрессивной средой в местах, доступных для осмотра и ремонта, допускается использо- вание болтовых соединений зазем- ляющих и нулевых защитных про- водников при условии, что будут приняты меры против их ослабле- ния и коррозии контактных поверх- ностей. 160
Рис. 5.15. Крепление плоских (а) и круглых (б) проводников заземления с помощью опор Открыто проложенные заземляющие и нулевые защитные про- водники должны иметь отличительную окраску: на зеленом фоне полоски желтого цвета шириной 15 мм на расстоянии 150 мм друг от друга. Заземляющие проводники прокладываются горизонталь- но или вертикально; под углом их можно прокладывать только па- раллельно наклонным конструкциям здания. Проводники с прямоугольным сечением крепятся широкой плоскостью к кирпичной или бетонной стене (рис. 5.14) с помо- щью строительно-монтажного пистолета или пиротехнической оп- равки. К деревянным стенам заземляющие проводники прикрепля- ют шурупами. Опоры для крепления заземляющих проводников дол- жны устанавливаться с соблюдением следующих расстояний: между опорами на прямых участках — 600... 1000 мм, от вершин углов на поворотах — 100 мм, от уровня пола помещения — 400...600 мм. В сырых, особо сырых и помещениях с едкими парами кре- пить заземляющие проводники непосредственно к стенам не разре- шается, они привариваются к опорам, закрепленным дюбелями (рис. 5.15) или вмазанным в стену. 5.5. Требования ПУЭ к заземлению электроустановок Заземление или зануление следует выполнять во всех электро- установках переменного тока с напряжением от 380 Вив электро- установках постоянного тока с напряжением от 440 В. В помеще- ниях с повышенной опасностью и особо опасных, а также в на- ружных электроустановках заземление и зануление выполняются и в устройствах переменного тока с напряжением выше 42 В и в устройствах постоянного тока с напряжением выше ПО В, а во взрывоопасных установках — при любом напряжении переменно- го и постоянного токов. При напряжении до 1000 В в электроустановках с глухозазем- ленной нейтралью должно быть выполнено зануление. В этих слу- 6 Нестеренко 161
чаях заземление корпусов электроприемников без их зануления зап- рещается. Подлежат заземлению или занулению: корпуса электрических машин, трансформаторов, аппаратов, светильников и т.д.; приводы электрических аппаратов; вторичные обмотки измерительных трансформаторов (если в проекте отсутствуют особые указания); каркасы распределительных щитов, щитков и шкафов (если на них установлено электрооборудование напряжением переменного тока выше 42 В или постоянного тока выше НОВ); металлические конструкции распределительных устройств, ка- бельные конструкции и соединительные муфты, оболочки и бро- ня контрольных и силовых кабелей, металлические оболочки про- водов, стальные трубы электропроводки, корпуса шинопроводов, лотки, короба, тросы и стальные полосы с укрепленными на них кабелями и проводами; металлические оболочки и броня силовых, а также контрольных кабелей и проводов на напряжение переменного тока до 42 В и по- стоянного тока до 110 В, проложенных на общих металлоконст- рукциях; электрооборудование, установленное на опорах воздушных линий; металлические корпуса передвижных и переносных электропри- емников; электрооборудование, размещенное на движущихся частях стан- ков и машин; металлические корпуса силовых стационарно установленных электроприемников (электрических плит, кипятильников и др.), а также металлические трубы электропроводки к ним; корпуса и части электропроводок на лестничных клетках жи- лых и общественных зданий, в домовых, доковых и общественных санитарных узлах, банях и других подобных помещениях. В ванных комнатах металлические корпуса ванн должны быть соединены с трубами водопровода. Допускается не выполнять специальное заземление или зану- ление: корпусов электрооборудования, установленного на заземлен- ных или зануленных металлоконструкциях щитов или шкафов, ста- нинах станков и других основаниях (при условии надежного элек- трического контакта их с этими основаниями или с установлен- ным на них заземленным и зануленным оборудованием); металлических деталей на деревянных опорах воздушных линий (если заземления не требуется по условиям защиты от атмосфер- ных перенапряжений). 162
Рис. 5.16. Присоединение приемников к магистрали заземления Существуют определенные требования к заземлению и зануле- нию электроприемников различного типа. 1. Каждая заземляемая часть электроустановки должна быть присоединена к заземляющей магистрали отдельным ответвлением (рис. 5.16). Последовательное подключение к заземляющему про- воднику нескольких частей запрещается. 2. Сечения медных и алюминиевых проводников для заземле- ния различных частей электроустановки должны соответствовать значениям указанным в табл. 5.2. 3. Заземляющие ответвления к однофазным элекгроприемни- кам должны выполняться отдельным (третьим) проводником; ис- пользовать для этой цели нулевой рабочий провод запрещается. 4. Присоединение заземляющих ответвлений к металлоконст- рукциям следует выполнять сваркой, а к корпусам аппаратов и ма- шин — болтами. Контактные поверхности при этом должны быть зачищены до металлического блеска и смазаны тонким слоем ва- зелина. 5. Металлические корпуса передвижных и переносных электро- приемников заземляются специальной жилой гибкого провода, ко- торая не должна одновременно служить проводником рабочего тока. Использовать для этой цели нулевой рабочий провод электроус- тановки запрещается. Таблица 5.2 Минимально допустимые сечения заземляющих проводников, мм2 Тип проводника Медный Алюминиевый Неизолированный проводник при открытой прокладке 4 6 Изолированный провод 1,5 2,5 Заземляющая и нулевая жила кабеля и многожильного провода в общей защитной оболочке с фазными жилами 1 1,5 163
6. Присоединение заземляющего проводника к заземляющему или нулевому контакту штепсельной розетки следует выполнять отдельным проводником. Вилка для включения переносного элек- троприемника должна иметь удлиненный заземляющий штырь, который вступает в соединение с заземляющим контактом розет- ки до того, как соединятся токопроводящие контакты. 7. Жилы проводов и кабелей для заземления переносных и пе- редвижных установок должны иметь сечения, равные сечениям фазных проводов, и находиться в общей с ними оболочке. Заземлению не подлежат: рельсовые пути, выходящие за территорию электрических стан- ций, подстанций и промышленных предприятий; корпуса электрооборудования, установленного на заземленных металлических конструкциях, если на опорных поверхностях пре- дусмотрены зачищенные и неокрашенные места для обеспечения плотного электрического контакта; корпуса электроизмерительных приборов, реле и других уст- ройств, установленных на щитках, щитах, шкафах и стенах камер распределительных устройств; корпуса электроприемников, имеющих двойную изоляцию от- носительно токоведущих частей. У приборов с двойной изоляцией корпус выполняется из изолирующего материала, а токоведущие части имеют собственную изоляцию. Таким образом, если проис- ходит повреждение изоляции токоведущих частей приемника, то опасность поражения током не возникает, так как изоляционный корпус или изоляционные прокладки между корпусом и внутрен- ними изолированными токоведущими частями надежно защища- ют человека от электрического удара; съемные или открывающиеся части металлических заземленных каркасов и камер распределительных устройств, ограждений, шка- фов и др. Запрещается заземлять металлические корпуса стационарно ус- тановленного осветительного электрооборудования и переносные приемники (утюги, плитки, бытовые холодильники, пылесосы, стиральные и швейные машины и др.) в помещениях без повы- шенной опасности жилых и общественных зданий (кухнях, ван- ных и туалетных комнатах квартир и номеров гостиниц). Примечание. В заземляющей сети наиболее часто повреждаются сварные швы, соединяющие ее отдельные участки друг с другом. Целость сварных швов проверяется ударами молотка по сварным стыкам. Дефект- ный шов вырубают зубилом и вновь заваривают дуговой автогенной или термитной сваркой. До начала ремонта заземляющей сети проверяют сопротивле- ние заземлителя растеканию тока. Если оно выше нормы, то прини- 164
мают меры к его снижению. Для этого увеличивают число электро- дов заземлителя или вокруг них укладывают в радиусе 250... 300 мм поочередно слои соли и земли толщиной 10... 15 мм. Каждый укла- дываемый слой поливают водой. Таким способом обрабатывают зем- лю вокруг верхней части электрода заземлителя каждые 3 — 4 года. Вопросы для самоконтроля I. 1.Что такое защитное заземление? 2. Каковы основные требования к устройству заземлений? 3. Какие существуют способы измерения сопротивления заземления? II. 1. Каковы особенности устройства и монтажа заземления внутри и вне зданий? 2. В чем состоят особенности и требования к естественным и искус- ственным заземлителям? 3. Назовите основные требования ПУЭ к заземлению и заземлителю. III. 1. Каковы особенности работы электрической сети с изолированной и заземленной нейтралью в нормальном и аварийном режимах? 2. Объясните причины возникновения шагового напряжения и на- пряжения прикосновения. 3. Почему нельзя использовать для заземления металлические обо- лочки трубчатых проводов, несущие тросы, оболочки кабеля, даже если они заземлены?
Глава 6. МОНТАЖ СВЕТИЛЬНИКОВ, ПРИБОРОВ И РАСПРЕДЕЛИТЕЛЬНЫХ УСТРОЙСТВ ОСВЕТИТЕЛЬНЫХ ЭЛЕКТРОУСТАНОВОК 6.1. Монтаж светильников и приборов Монтаж светильников, выключателей, переключателей, штеп- сельных розеток и других приборов производится после выполне- ния в помещении всех отделочных и малярных работ. Согласно требованиям ПУЭ светильники должны поступать на объекты заряженными проводами на заводе-изготовителе. Но если по каким-либо причинам они поступают незаряженными, заряд- ку производят в МЭЗ. Кроме того, в мастерских проверяют заря- женные светильники, определяют и маркируют фазные и нуле- вые жилы проводов. Высокая температура лампы накаливания вызывает нагрев самого светильника и перегрев изоляции его проводов. Перегрев изоляции про- водов может привести к тепловому пробою — явлению теплового разру- шения диэлектрика (расплавлению и т.д.). Происходит это следующим образом. Часть объема изоляции (диэлектрика), обладая повышенной электрической проводимостью, обуславливает возникновение заметно- го тока проводимости. Этот ток вызывает выделение тепла и нагрев изо- ляции, что приводит к понижению электрического сопротивления и возрастанию тока сквозной проводимости, который в свою очередь вызы- вает дополнительное выделение тепла и перегрев этой части диэлектрика. При дальнейшем повышении напряжения ток проводимости возраста- ет, и выделенное им тепло может вызвать сплошное прожигание или рас- плавление изоляции. Поэтому зарядка светильников производится нагре- востойкими проводами, предназначенными для различного рода соеди- нений в электрических аппаратах, приборах и других электротехнических устройствах. Токопроводящие жилы в таких проводах изготавливают лу- жеными из проводниковой меди. В проводах высокой нагревостойкости (200... 250 °C) применяются никелированные медные жилы. Изоляция этих проводов состоит из фторопласта или фторопластовых лент в комбина- ции с оплеткой из стекловолокна. Большинство марок монтажных проводов предназначены для работы в интервале температур от -50 до +70 °C. Жилы этих проводов имеют гиб- кую влагостойкую пластмассовую изоляцию из полиэтилена или поли- винилхлоридного пластиката. В некоторых конструкциях проводов поверх их основной изоляции наносится еще защитная оболочка из капроновых или стеклянных нитей. 166
Эти провода применяются при напряжениях до 1000 В переменного и до 1400 В постоянного тока и при температурах от -80 до +10 °C. Концы фазных и холостых жил проводов при зарядке светиль- ников присоединяются к головкам, а концы нулевых проводов — к винтовым гильзам ламповых патронов. Зарядные провода в светильниках не должны натягиваться и подвергаться механическим повреждениям; должны быть пропу- щены через подвесные штанги, кронштейны и цепи; соединение их внутри труб запрещено. Зарядка светильников, предназначенных для монтажа во взры- воопасных помещениях, выполняется тремя проводами: два про- вода (фазный и нулевой) подключаются к патрону, а третьим за- земляется корпус. При этом фазный провод должен быть присое- динен к центральному контакту патрона, а нулевой — к обойме с резьбой. Заземляющий провод одним концом присоединяется к винту заземления внутри светильника, а другим — к нулевому проводу сети внутри ответвительной коробки У-409. Заряжать светильники следует проводами с медными жилами марок ПРКС или ПРЕС с сечением 1,5 мм и термостойкой изоля- цией. Провода и кабели с резиновой и поливинилхлоридной изо- ляцией из-за их недостаточной теплостойкости применять для за- рядки светильников не следует. Вводную коробку светильника, от- деленную от патрона (ВЗГ-100, В4А-60 и др.), присоединяют к зажимам с помощью кабеля, которым выполнена групповая сеть. Длина провода, заготовляемого для зарядки светильника, должна быть такой, чтобы из свободного конца трубного кронштейна или подвеса выступало не менее 230 мм, а внутрь светильника заходи- ло — 80 мм. Осветительную арматуру жестко закрепляют на трубных крон- штейнах или подвесах, которые одновременно служат для защи- ты проводов. Трубные кронштейны и подвесы с установленными на них светильниками жестко крепятся на стенах, колоннах и потолках. На участок проводов между кронштейном или подвесом и ко- робкой, равный примерно 50 мм, необходимо надеть поливинил- хлоридную или резиновую трубку, так как коробка У-409 не рас- считана на ввод в нее трубы. Один конец этой трубки укрепляет- ся между шайбой и резиновым уплотнительным кольцом сальника ответвительной коробки, а другой — вводится в трубный кронш- тейн или подвес, на конце которого устанавливают трубный саль- ник для ее закрепления. Уплотнение ввода проводов испытыва- ется сжатым воздухом с избыточным давлением, которое в тече- ние 3 мин не должно уменьшиться более чем на 50 %. При размещении и установке светильников особое внимание должно обращаться на удобство и безопасность их обслуживания. 167
В любом случае они должны быть доступны для обслуживания с лестниц-стремянок, телескопических подъемников, специальных светотехнических мостиков или мостовых кранов с соблюдением всех правил техники безопасности. Светильники, обслуживаемые с лестниц-стремянок, не рекомендуется располагать над громозд- ким оборудованием, открытыми лентами транспортеров, а также в других местах, где затруднена их установка, и выше 5 м от пола. При использовании мостовых кранов светильники не должны находиться на расстоянии менее 1,8 м над настилом крана. Конструкция самого светильника и способ прокладки группо- вой сети определяет выбор вида крепления светильников, основ- ными из которых являются: подвеска на крюк или шпильку; уста- новка на кронштейне, трубчатом подвесе или стойке; установка на осветительных коробах и шинопроводах; подвеска на тросе или тросовом проводе; встраивание в подвесной потолок; закрепление на подрозетнике. Подвеска светильников на крюк или шпильку применяется в ос- новном в жилых, административных и общественных зданиях. При открытой и скрытой проводках в зданиях с пустотными железобе- тонными плитами перекрытия для подвески светильников массой до 15 кг применяются крюки У623Б и шпильки У632А, а для под- вески блоков светильников массой до 30 кг — шпильки серии ШБП. Отверстия для установки крюков, шпилек и вывода проводов к светильникам пробивают пиротехнической колонкой УК-6 или электромолотками. Рис. 6.1. Установка крюка приваркой к арматуре перекрытия: 1 — перекрытие; 2 — арматура металлическая; 3 — крюк; 4 — светильник 168
Крепление светиль- ников массой до 5 кг к сплошным плитам пере- крытия осуществляется с помощью крюков У625 или шпилек У626, закла- дываемых в готовые отвер- стия в период строитель- ства здания до устройства чернового пола располо- женного выше этажа. Если в панелях перекрытия от- сутствуют отверстия для установки сквозных крю- ков или шпилек, то вмес- Рис. 6.2. Конструкция потолочной коробки ЛД254: 1 — крышка; 2 — корпус; 3 — планка анкерная; 4 — крюк Л249; 5 — изоляционный колпачок то них могут использоваться серьги с крюками (изделия МЭЗ), ко- торые привариваются к арматуре железобетонных плит (рис. 6.1). В крупнопанельных жилых домах с электропроводкой в замо- ноличенных пластмассовых трубах для крепления и подключения светильников массой до 15 кг используются замоноличиваемые по- толочные коробки ЛД254 с крюками Л249 (рис. 6.2). В помещениях без повышенной опасности (квартирах, жилых комнатах, общежитиях, небольших общественных зданиях и др.) светильники не заземляются, поэтому крюки, устанавливаемые в железобетонных перекрытиях, должны быть изолированы, а при- способления для подвески светильников должны иметь изолиру- ющие кольца. Эти меры предотвращают случайное соединение металлических нетоковедущих частей светильника с заземленны- ми металлической арматурой плитами перекрытия. После подвески и присоединения светильника к проводам груп- повой сети с использованием люстрового зажима отверстие закрыва- ется потолочной розеткой, входящей в его комплект, а при отсут- ствии последней — потолочной розеткой серии РП, закрепляемыми на крюке или шпильке. Замоноличиваемые потолочные коробки ЛД254 после подключения светильников закрываются декоратив- ными крышками. Одним из распространенных способов непосредственного креп- ления светильников с люминесцентными лампами к стенам и по- толку является применение конструкции из полосовой стали (из- делий МЭЗ) с впрессованными или приваренными к ней болта- ми, расположенными в соответствии с крепежными отверстиями светильника (рис. 6.3, о). В последнее время получил распростра- нение способ крепления люминесцентных светильников на дюбель- винтах ДВ-М8, при котором вместо увеличенных шайб и гаек ис- пользуются конструкции для безметизного крепления (рис. 6.3, б). 169
б) Рис. 6.3. Установка светильника на конструкциях из полосовой стали (а) и дюбель-винтах (б): 1 — светильник люминесцентный; 2 — болт с гайкой и увеличенной шайбой; 3 — дюбель; 4 — конструкция из полосовой стали; 5 — перекрытие; 6 — дюбель-винт ДВ-М8; 7 — конструкция для безметизного крепления Конструкции из полосовой стали и дюбель-винты к сплошным плитам перекрытия и стенам пристреливаются с помощью строи- тельно-монтажного пистолета. Подвеска сложных многоламповых люстр в высоких помеще- ниях общественных зданий производится к несущим конструкци- ям перекрытия или строительным конструкциям чердака. Страховка подвески осуществляется с помощью стального троса, крепяще- гося к штанге или корпусу люстры. При обслуживании этот трос используется для подъема и опускания люстры до уровня пола с помощью лебедки, устанавливаемой, как правило, на чердачной площадке. Приспособления (конструкции) для крепления много- ламповых светильников массой свыше 100 кг подлежат обязатель- ному испытанию (СНиП 3.05.06—85). Установка светильников на кронштейнах, стойках, подвесах. Крепление светильников на стенах, колоннах, фермах и площад- ках осуществляется с помощью различных видов кронштейнов и стоек. Например, для установки на стенах и колоннах светильни- ков с лампами накаливания и ДРЛ массой до 10 кг применяются кронштейны У116. Крепление основания кронштейна к строитель- 170
800 Рис. 6.4. Установка светильника с ДРЛ на мостике с помощью кронштейна К290: 1 — коробка ответвительная; 2 — штепсельный разъем; 3 — пусковой регулирующий аппарат; 4 — настил мостика ным конструкциям выполняется болтами, приваркой или при- стрелкой. Установка светильников с ДРЛ массой до 6 кг на специальных электротехнических мостиках в цехах промышленных предприя- тий выполняется с помощью поворотных кронштейнов К290, К291 и К292 (рис. 6.4), которые крепятся к перилам мостика специаль- ным держателем и скобой. Для крепления светильников с резьбовым соединением массой до 6 кг к перилам или ограждениям мостиков, площадок, перехо- дов применяются стойки К987 из стальной трубы высотой 2320 мм. Особенности монтажа светильников с люминесцентными лам- пами. Светильники с люминесцентными лампами имеют значи- тельную длину и относительно небольшую мощность, поэтому их устанавливают в непрерывные светящиеся линии или линии с не- большими разрывами. Для уменьшения числа линий светильники устанавливают в два ряда. Одиночные люминесцентные светильники на стенах и колон- нах устанавливаются с помощью кронштейнов. Также для установки как одиночных, так и групп светильников применяются трубные 171
подвесы, штанги, подвесы из профилей и уголков, типовые гну- тые перфорированные профили, облегчающие монтаж, так как в этом случае уменьшается число креплений подвески и обеспечи- ваются прямолинейность светящейся линии и возможность съема и установки светильника без разборки. Более совершенный способ установки люминесцентных светиль- ников разных типов — это подвеска их на магистральных освети- тельных коробах. Короба КЛ-1 (рис. 6.5) и КЛ-2 предназначены соответственно для однорядной и двухрядной подвески люминес- центных светильников и прокладки в них проводов питающей сети. Загнутые внутрь края короба образуют каналы для проводов. Про- вода рабочего и аварийного освещения прокладываются в разных отсеках короба. Светильники подвешиваются на специальных дер- жателях, поставляемых комплектно с коробом и закрепляемых в щели нижней его части. Держатели можно перемещать вдоль ко- роба, что позволяет подвесить светильник в любом месте. Непе- рекрываемая светильниками щель короба закрывается крышками. Ответвление проводов к светильникам от питающей магистрали делают внутри короба в малогабаритных сжимах без разрезания магистрали. Ввод провбдов производится с крайнего торца через привариваемые заглушки либо снизу короба. Отдельные секции коробов (по 2 м каждая) при помощи скоб и винтов можно соединять в непрерывную линию неограничен- ной длины. Комплектно с коробами поставляются типовые дета- ли для их установки (тросовые подвески, скобы, кронштейны), Рис. 6.5. Короб КЛ-1 для однорядной подвески светильников: 1 — планка; 2 — крышка; 3 — нулевой зажим; 4 — малогабаритный сжим; 5 — держатель; 6 — соединительная скоба; 7 - светильник 172
с помощью которых они закрепляются и подвешиваются к пере- крытиям, балкам, колоннам, стенам, фермам. Держатели светильников в коробах имеют цепочки или подвески в виде сцепленных проволочных звеньев, которые позволяют опус- кать светильники для обслуживания, смены ламп, ремонта. Зазем- ление осуществляется присоединением заземляющего провода к приваренному внутри короба зажиму. Блоки люминесцентных светильников и комплектные освети- тельные линии собираются в МЭЗ. Предварительно по проекту уточняются привязки осветительных линий (вертикальные и го- ризонтальные), условия и способы их прокладки, схемы питания светильников, а также размеры строительных элементов здания, к которым осуществляется привязка. На основании уточненного по месту проекта выдается заказ мастерским с приложением ком- плектовочной ведомости. На объекты осветительные линии поступают в виде трех укруп- ненных элементов: комплектные крепления; комплектные короба с заложенными в них проводами; люминесцентные светильники с лампами, проверенными на световой эффект. Доставка укруп- ненных элементов в монтажную зону производится в контейнерах. Монтаж выполняется в следующей последовательности: комплектные крепления устанавливаются на строительные эле- менты здания, комплектные участки линии собираются на отмет- ке пола, в секции комплектных коробов устанавливаются светиль- ники с лампами, собранный участок проверяется на световой эф- фект; собранные участки линии поднимаются на проектную отмет- ку, закрепляются, а затем соединяются между собой в одну осве- тительную линию. На рис. 6.6 показан вариант крепления люминесцентного све- тильника с помощью кронштейна (изделия МЭЗ) на стене, колон- не, площадке и т.д. Кронштейн, выполненный из трубы, может быть поворотным, что важно, например, при установке светильни- ков на площадках или в проездах, так как при необходимости их временно можно развернуть вдоль стен и тем самым предотвра- тить возможные повреждения. Крепление светильников на тросе. При выполнении электропро- водок специальными проводами марки APT со встроенным несу- щим тросом светильники массой до 5 кг крепятся на ответвитель- ных тросовых коробках У230 или У231 (рис. 6.7, а), а при исполь- зовании кабеля на отдельном несущем тросе (проволоке) — на ответвительных коробках У245 или У246 в комплекте с крюком У247. В случае выполнения тросовых электропроводок в производ- ственных помещениях кабелем с использованием ответвительных 173
Рис. 6.6. Крепление люминесцентного светильника с помощью кронштейна: 1 — строительное основание; 2 — перфорированная лента с кнопкой; 3 — подвес для крепления светильника к кронштейну; 4 — кронштейн; 5 — светильник; 6 — провод (кабель) для подключения светильника; 7 — хомут крепления кронштей- на; 8 — трубный держатель коробок КОР-73 или У409 светильники массой до 15 кг крепятся на подвесах К354 (рис. 6.7, б). Такой подвес имеет две выштампо- ванные лапки, предназначенные для закрепления его на тросе диа- метром 6...8 мм. Для крепления на подвесе коробки КОР-73 слу- жат два отверстия, расположенные под углом 45° на расстоянии 92 мм друг от друга, а коробки У409 — два отверстия, располо- женные по вертикали на расстоянии 120 мм друг от друга. Замена коробок и светильников производится без снятия подвеса с троса. В местах закрепления ответвительных тросовых коробок и под- весов для обеспечения надежного электрического контакта при устройстве защитного заземления с встроенного троса удаляется изолирующая оболочка, а с несущей проволоки (катанки) — по- ливинилхлоридная или окрасочная пленка, нанесенная в МЭЗ. Ого- ленные участки троса или проволоки и зажимное устройство на корпусе металлической коробки зачищаются до блеска, покрыва- ются антикоррозионной смазкой и закрепляются зажимными вин- тами. Присоединяются светильники к групповой сети в коробках У230, У231 с помощью встроенных специальных наборных зажи- мов; в коробках У245, У246 с помощью ответвительных сжимов в пластмассовом корпусе У739; в пластмассовых коробках КОР-73, У409 сваркой или опрессовкой в гильзах серии ГАО с последую- щей изоляцией мест соединения. Установка светильников на осветительном шинопроводе. К ос- ветительному шинопроводу ШОС-67 светильники подвешивают- ся с помощью хомута с крючком К470 (рис. 6.8). Число и масса светильников, устанавливаемых на ШОС-67, ограничиваются пре- 174
Рис. 6.7. Крепление светильников на несущем тросе с использованием коробки У230 (с) и подвеса К354 (б): 1 — светильник; 2 — провод для подключения светильника; 3 — коробка У230; 4 — коробка КОР-73; 5 — подвес К354 дельной нагрузкой 12 кг на метр шинопровода при расстоянии между точками его крепления не более 3 м. При прокладке ШОС-67 по стенам и нижнему поясу ферм све- тильники крепятся к этим строительным основаниям на кронш- тейнах. Присоединяются светильники к шинопроводу с помощью штепселей типа У1634-1 и У1634-2 на 10 А, заряженных гибким шнуром ПВС 3 х 0,75 мм2, длиной соответственно 1 и 2 м. Подклю- чение штепселей к светильникам следует выполнять в МЭЗ, при этом необходимо строго соблюдать маркировку на концах шнура (фаза, нуль, земля). К осветительному шинопроводу ШОС-80 светильники с мак- симальной массой до 2,5 кг могут крепиться как непосредственно на коробе с помощью закладного крюка У1922, так и на специ- альном штепселе У1919, предназначенном также и для подклю- чения установленного на нем светильника. Подключение светиль- ников, устанавливаемых на крюках У1922, выполняется шнуром ПВС 3 х 0,75 мм2 длиной 0,5 м (этим же шнуром заряжены штепсе- ли У1919). 175
2 Рис. 6.8. Крепление шинопровода ШОС-67 непо- средственно на стене (а) и на предварительно натя- нутом тросе (б): 1 — светильник; 2 — трубный держатель К939; 3 — скоба У474; 4 — штепсель У1634; 5 — ШОС-67; 6 — хомут для подвески К544; 7 — хомут с крючком К470; 8 — трос Монтаж светильников в подвесном потолке. Устройство подвес- ных потолков обычно диктуется архитектурными соображениями, например необходимостью встраивания в них светильников. При наличии за подвесным потолком технического этажа, пред- назначенного для размещения санитарно-технических устройств и коммуникаций и имеющего высоту, достаточную для прохода людей, монтаж светильников производится с учетом обслужива- ния их при эксплуатации сверху. При отсутствии технического этажа и наличии над подвесным потолком лишь полости, достаточной для прокладки сетей и встраивания светильников, последние ус- танавливают так, чтобы их можно было обслуживать снизу. Для размещения встраиваемых светильников с люминесцент- ными лампами в подвесных потолках предусматриваются отвер- стия (проемы) необходимой формы, обрамленные по периметру металлическим профилем из уголка или других конструкций. Про- веренный светильник устанавливают на обрамление проема и фик- 176
11 Рис. 6.9. Установка СВП: 1 — провод в металлорукаве; 2 — коробка ответвительная; 3 — подвесной потолок; 4 — корпус светильника; 5 — основание светильника; 6 — лампа накаливания; 7 — пружинная защел- ка; 8 — проем; 9 — уголок; 10 — скоба с продольным пазом; 11 — перекрытие сируют с помощью четырех регулируемых по высоте крепежных скоб. Зазор между корпусом светильника и кромкой проема пере- крывается рамкой из четырех уголков, входящих в комплект све- тильника. На рис. 6.9 показана установка светильника встраивае- мого потолочного (СВП) с лампой накаливания. Для доступа к ответвительной коробке, устанавливаемой на расстоянии 10... 15 мм от края отверстия, достаточно отвести в крайнее положение пру- жинные защелки и вынуть корпус светильника через стационар- но установленное основание. Присоединяются светильники к групповой сети гибким мед- ным проводом, заключенным в металлорукав, соединяющий кор- пус светильника с ответвительной коробкой. Длина металлору- кава 600...700 мм для светильников с лампами накаливания и 800... 1000 мм для светильников с люминесцентными лампами. Если потолки выполнены из несгораемых материалов, по согла- сованию с пожарной инспекцией на участке от коробки до све- 177
тильника возможно применение кабеля марки КРПТ без метал- лорукава. При выполнении подвесного потолка из тонких декоративных металлических листов встроенные светильники крепятся к его не- сущим конструкциям. В этом случае для доступа к ответвительной коробке и обслуживания светильников используются дополнитель- ные отверстия, закрывающиеся съемными крышками из матери- ала подвесного потолка. Особенности монтажа светильников в помещениях со взрыво- и пожароопасными зонами. Взрывозащищенные светильники (табл. 6.1) не должны иметь трещин на стеклянных защитных колпаках и в литых корпусах или сальниковых гайках вводных устройств, а так- же раковин или углублений на сопрягаемых поверхностях. При Таблица 6.1 Взрывозащищенные светильники, применяемые во взрывоопасных помещениях различного класса Светильник Класс взрывоопасности помещения Категория и группа взрывоопасности смеси и паров с воздухом ВЗГ-200АМС, ВЗГ/В4А-200МС, ВЗГ-100 В-1, В-Ia, В-1г, В-П ПА, ПВ;Т1-ТЗ В4А-60 В-1, В-Ia, В-1г, В-П ПА, ПВ, ПС; Т1 Н4БН-150 В-Ia, В-1г, В-П, В-Па ПА, ПВ, ПС; Tl, Т2 Н4БН-300МЛ В-Ia, В-1г, В-П, В-Па ПА, ПВ, ПС; Tl, Т2 Н4Т4Л 1x80, Н4Т4Л 2x80 В-Ia, В-Па ПА, ПВ, ПС; Т1-Т4 Н4Т5Л 1x65, Н4Т5Л 2x65 В-Ia, В-Па ПА, ПВ, ПС; Т1-Т5 ГСП 25, РСП 25 В-1, В-Ia, В-1г, В-П ПА, ПВ;Т1-ТЗ ОМР-125/ВЗГ-ДРЛ-125/ПРА, ОМР-250/ВЗГ-ДРЛ-250/ПРА В-1, В-Ia, В-П ПА, ПВ;Т1-ТЗ приемке в монтаж необходимо иметь в виду, что к каждой полной (25 шт.) или неполной партии светильников заводом-изготовите- лем должны прилагаться два ключа для их разборки и сборки. Все взрывозащищенные светильники внутри вводного устрой- ства имеют изоляционную колодку с двумя контактными зажимами 178
।ля подключения фазного и рабочего нулевого проводов и неизо- лированный заземляющий зажим, расположенный на приливе кор- пуса для подключения нулевого защитного и заземляющего про- водников. От колодки до патрона такие светильники заряжаются термостойким проводом марки ПРКА. Устанавливать эти светильники рекомендуется одновременно с прокладкой питающей сети. Во время монтажа они вместе с подве- сами, кронштейнами, трубными и другими крепежными конструк- циями закрепляются неподвижно на поддерживающих опорах к строительным элементам зданий. Применение штампованных крон- штейнов, например У116, для крепления взрывозащищенных све- тильников не допускается. При прокладке проводов в трубах крон- штейны и трубные спуски вворачиваются в светильники без кон- тргаек до конца резьбы и закрепляются стопорными винтами. Ввод в светильники должен выполняться небронированным трехжильным кабелем (рис. 6.10) или тремя проводами в водога- зопроводных трубах тех же марок, которые применяют- ся в групповых сетях. В лю- минесцентные светильники, устанавливаемые в линию, ввод осуществляется гибким трехжильным кабелем с мед- ными жилами, резиновой изоляцией и оболочкой (на- пример, марки КПГН). Для уплотнения ввода кабеля све- тильники укомплектовыва- ются резиновыми уплотни- тельными кольцами с одним отверстием и кольцевыми надрезами. При выполнении монтажа проводами в тру- бах проектные организации должны оговаривать постав- ку светильников с резино- выми кольцами, имеющими три отверстия для уплотне- ния проводов. В этом случае светильники целесообразно Рис. 6.10. Ввод кабеля в светильник Н4БН-150: 1 — болт крепления светильника; 2 — жилы кабеля; 3 — резиновое кольцо; 4 — монтаж- ный профиль поставлять для монтажа со спусками и предварительно заряженными в МЭЗ. Длина проводов определяется рас- стоянием от светильника до 179
ближайшей ответвительной коробки плюс 100 мм, желательных для выполнения соединения. В помещениях с любым классом взрывоопасности и средой, для которой нет светильников необходимого уровня взрывозащиты, допускается выполнять освещение одним из следующих способов: через неоткрывающиеся окна без фрамуг и форточек снаружи здания (рис. 6.11), причем при одинарном остеклении окон све- тильники должны иметь защитные стекла. В случае установки све- тильников над полом или площадкой обслуживания на расстоя- нии менее 2,5 м их конструкция должна исключать возможность доступа к лампе без применения инструмента (отвертки, плоско- губцев, специального ключа); через вентилируемые фонари специального назначения, уста- навливаемые в потолке с двойным остеклением; Рис. 6.11. Установка светильника под козырьком перед оконным проемом: 1 — скоба; 2 — светильник; 3 — поддерживающая конструкция; 4 — кронштейн; 5 — козырек; 6 — муфта трубная; 7 — шпилька; 8 — планка; 9 — коробка ответвительная; 10 — оконный проем; 11 — стена 180
с помощью комплектных осветительных устройств (КОУ) со щелевыми световодами. Применение КОУ, заменяющих многочисленные одиночные светильники, сокращает протяженность осветительных сетей и зна- чительно снижает трудозатраты в зоне монтажа. Комплектное осветительное устройство КОУ1-М275-1.700УЗ состоит из камеры, вводной кассеты с источником света, щеле- вого световода и торцевого устройства. Внутренний объем канала световода отделяется от источника света прозрачным термостой- ким стеклом. Зануление и заземление КОУ выполняются в соот- ветствии с указаниями завода-изготовителя. 6.2. Монтаж пускорегулирующих аппаратов Осветительные установки с газоразрядными лампами значитель- но сложнее установок с лампами накаливания. Действие люминес- центных ламп основано на явлении газового разряда в ртутных парах низкого давления, в результате которого создается ультрафиоле- товое излучение, преобразующееся с помощью люминофора в ви- димый свет. Совокупность всех элементов схемы включения, обес- печивающей зажигание и нормальную работу лампы, конструк- тивно оформленная в единый или несколько отдельных блоков, называется пускорегулирующим аппаратом. Пускорегулирующий аппарат (ПРА) должен обеспечивать на- дежное зажигание лампы, стабильность и оптимальность ее мощ- ности (светового потока), определенный срок службы, компен- сацию коэффициента мощности, подавление радиопомех, умень- шение пульсации светового потока и бесшумность в работе. Кроме того, конструкция ПРА должна быть технологична в производстве, удобна для монтажа, осмотра и ремонта. По составу и назначению различают следующие пускорегули- рующие аппараты (в скобках дано их обозначение): стартерные, состоящие из балласта и пускового элемента-стар- тера и предназначенные для зажигания ламп при помощи импульса повышенного напряжения, а также для стабилизации их рабочего режима (УБ); бесстартерные быстрого пуска, состоящие из балласта и пус- кового элемента (выполненного в виде накального трансформа- тора и пускового конденсатора) и предназначенные для зажига- ния ламп с предварительно нагретыми электродами, а также для стабилизации их рабочего режима (АБ); бесстартерные мгновенного зажигания, состоящие из балласта и пускового элемента и предназначенные для зажигания ламп без предварительного нагрева электродов повышенным напряжением, а также для стабилизации их рабочего режима (МБ). 181
По конструктивному исполнению ПРА подразделяются на встроенные, предназначенные для установки в корпусе светиль- ников (В), и независимые, предназначенные для раздельной ус- тановки (Н). Также ПРА могут быть с пониженным уровнем шума (П), пред- назначенные для эксплуатации в промышленных административ- ных и жилых помещениях, и с особо низким уровнем шума (ПП), используемые в установках, к которым предъявляются соответству- ющие требования. Приведем пример обозначения однолампового индуктивного ПРА кольцевой люминесцентной лампы мощностью 22 Вт, пред- назначенного для включения ее в сеть переменного тока напряже- нием 220 В, с особо низким уровнем шума, встроенного, со штырь- ковой колодкой зажимов, серии 802, климатического исполнения и категории размещения ХЛ4: 1УБИ-22К/220-ВПП-802 ХЛ4. Надежная работа осветительной установки с люминесцентны- ми лампами во многом определяется правильным подбором и тща- тельной проверкой всех ее элементов в процессе монтажа, соблю- дением правил эксплуатации и своевременным выявлением и ус- транением неисправностей. О наличии неисправностей в светильнике можно судить в боль- шинстве случаев по режиму горения ламп, например: если при включении светильника лампа не зажигается и на кон- цах нет свечения, причинами этого могут быть неисправность в схеме светильника, низкое напряжение питающей сети, плохой контакт между штырьками лампы или штырьками стартера с кон- тактами патрона либо стартера-держателя, обрыв или перегора- ние электродов лампы, неисправность стартера; если катоды лампы накалены, но лампа не зажигается и не ми- гает, причинами этого могут быть ошибки в схеме, неисправность стартера, пробитый конденсатор для подавления радиопомех, за- мыкание на корпус, а в бесстартерных схемах включения — низ- кое напряжение сети, пробой резонансных конденсаторов или ко- роткое замыкание части витков вторичной обмотки трансформа- тора, низкая температура окружающей среды; если при включении светильника наблюдается мигание лампы, но лампа не зажигается, или имеется свечение только одного элек- трода, причинами этого могут быть ошибки в схеме, шунтирова- ние в цепи или патроне со стороны несветящегося электрода, за- мыкание выводов электродов лампы; если лампа мигает и не зажигается, а при ее установке в другой светильник с такой же схемой включения горит нормально, воз- можными причинами этого могут быть ошибки в схеме, неисп- равность стартера (не соответствие его параметров лампе), низкое напряжение сети, низкая температура окружающей среды; 182
если зажигание лампы происходит нормально, а через несколько часов работы поочередно чернеют ее концы, и она больше не за- жигается, возможны замыкание на корпус светильника, неисп- равность ПРА, неисправность лампы; если при включении лампы наблюдается быстрое перегорание се катодов, причинами этого могут быть неисправность ПРА и за- мыкание в схеме на корпус светильника; если при включении светильника лампа нормально зажигается и гаснет, потом вновь зажигается и опять гаснет, возможны неис- правность лампы или неисправность стартера. При монтаже и сдаче в эксплуатацию осветительных установок может появиться и ряд других неполадок, но в случае любой не- исправности светильников с люминесцентными лампами необхо- димо провести тщательную проверку их элементов и устранить об- наруженные недостатки. 6.3. Установка выключателей, переключателей, штепсельных розеток, звонков и счетчиков Выключатели, переключатели и штепсельные розетки устанав- ливаются в зависимости от их конструкции и принятого способа исполнения проводки (рис. 6.12). Штепсельные розетки устанавливаются на высоте 0,8... 1 м от пола, а плинтусовые — не выше 0,3 м. В последнем случае реко- мендуется закрывать их защитными устройствами. В школах и дру- гих детских учреждениях штепсельные розетки устанавливаются на высоте 1,5 м от пола. От заземленных устройств (приборов отопле- Рис. 6.12. Примеры монтажа установочных приборов: а — выключателя при открытой прокладке проводов марки АППВ; б — штеп- сельной розетки при скрытой прокладке проводов в резиновых полутвердых тру- бах; в — выключателя и штепсельной розетки при проводке кабелем марки ВРГ в сыром помещении 183
ния, трубопроводов и других) штепсельные розетки должны быть удалены не менее чем на 0,5 м. Выключатели ставятся преимущественно у дверных проемов и включаются в фазные провода сети. Если помещения относятся к особо сырым, а также пожароопасным и взрывоопасным, и ис- крение контактов при разрыве электрической цепи может стать в них причиной пожара или взрыва, выключатели устанавливаются вне этих помещений. При необходимости дистанционного или автоматического уп- равления осветительными сетями применяются различные авто- маты, магнитные пускатели или контакторы. Выключатели и переключатели устанавливаются на высоте 1,5 м от пола (а в школах и детских учреждениях на высоте 1,8 м) и обычно у дверей с учетом направления их открывания. Выключатели и штепсельные розетки открытого типа устанав- ливаются на прикрепленных к их основанию деревянных розетках диаметром 55... 60 мм и толщиной не менее 10 мм. Выключатели и штепсельные розетки скрытого типа закрепляются в коробках, вма- занных в стены или в гнезда цилиндрической формы, с помощью распорных лапок. Для установки выключателей и штепсельных ро- зеток в стеновые панели и перегородки жилых домов заделывают специальные закладные стаканы из полипропилена. Выключатели и штепсельные розетки брызгозащищенного ис- полнения устанавливаются на скобах с вводом проводов снизу че- рез сальниковые уплотнения. Электрические звонки выпускаются двух типов: 3 — управляемые путем включения независимой (встроенной в магнитопровод катушки) вспомогательной обмотки на напряже- ние 36 В; ЗП — управляемые путем прямого включения обмотки в сеть. Для присоединения звонка к электрической сети и кнопке на его корпусе имеется отверстие для вывода проводов длиною не ме- нее 150 мм или зажимы для их подключения. При выводе прово- дов через отверстие в металлическом корпусе звонка используют- ся изоляционные втулки. Звонок прикрепляется к основанию винтом или шурупом-дюбелем через имеющееся в его корпусе от- верстие. В комплект звонков типа 3 и ЗП, рассчитанных на напря- жения 12, 24 и 36 В входит кнопка на напряжение до 36 В, а в комплект звонков типа ЗП, рассчитанных на напряжения 127 и 220 В — специальная кнопка на напряжение 250 В. ГОСТ на элект- рические безыскровые звонки (без прерывателя тока) требует, чтобы на последних была надпись «Применять только с кнопкой на 250 В». Кнопки выпускаются также двух типов: пластмассовые круглые или прямоугольные на напряжение 36 В и пластмассовые круглые повышенной электробезопасности на напряжение до 250 В, пред- 184
назначенные для установки в помещениях с нормальными усло- виями. При использовании электрических бытовых звонков прямого включения ЗП-220 выполнение проводки для подключения кно- пок должно осуществляться проводом, рассчитанным на полное напряжение питающей сети (220 В). При установке кнопок на 220 В, а звонков типа 3, рассчитан- ных на 220/36 В, для исключения потерь холостого хода кнопку следует включать в цепь первичной обмотки 220 В, закорачивая вторичную обмотку 36 В. Кнопки на 36 В должны включаться только в цепь вторичной обмотки звонка 36 В. Счетчики для учета расхода электроэнергии устанавливаются в сухих отапливаемых помещениях, доступных для обслуживания. Электрические счетчики индивидуальных потребителей разме- щаются обычно в местах ввода электроэнергии внутри помещения. Квартирные счетчики устанавливаются на лестничной клетке в этажных щитках и шкафах либо непосредственно в квартирах на квартирных щитках. Счетчики располагаются на высоте 1,4... 1,7 м внутри запирае- мых шкафов, имеющих окна для снятия показаний без открыва- ния дверей. В установках коммунального хозяйства счетчики размещаются на вводно-распределительных устройствах. Электропроводка к ним выполняется скрыто под штукатуркой в каналах строительных кон- струкций или открыто в трубах. Для подключения счетчиков ос- тавляют свободные концы проводов длиной 250 мм. Подлежащие заземлению металлические корпуса выключателей, переключателей и штепсельных розеток через заземляющие вин- ты присоединяются отдельными проводами к нулевому проводу электропроводки (пайкой или сваркой). 6.4. Монтаж распределительных устройств Распределительные щитки должны быть расположены в мес- тах, доступных для осмотра и замены предохранителей: в бытовых помещениях на высоте 1,5... 1,8 м, а в производственных — на вы- соте 1,2... 1,4 м в специальных нишах. Расстояние от неизолиро- ванных токопроводящих частей щитка до несгораемых (кирпич- ных, бетонных) стен должно быть не менее 15 мм, а до деревян- ных — не менее 50 мм. При установке щитков больших размеров (600 х 500 мм и более) расстояние от щитка до стены должно быть не менее 240...250 мм. Расстояние между голыми, находящимися под напряжением частями щитка, и его металлическими нето- копроводящими частями должно быть не менее 12 мм по воздуху и 20 мм по поверхности изоляции. 185
Распределительные щитки, как правило, помещают в стальные ящики с запирающимися стальными или стеклянными дверцами. Резервные вводные отверстия этих ящиков должны быть закрыты заглушками. Установка щитков над оконными и дверными проемами зап- рещается. В отверстия для прохода проводов на фасадной и боко- вых панелях щитков вставляются изолирующие втулки. На панелях щитков наносятся надписи, указывающие номер и назначение каждой отходящей линии, например: «Аварийное освещение шестого цеха», «Освещение лестничной клетки», «Ос- вещение 2-го этажа заводоуправления» и др. После установки и закрепления щитка на месте к контактам его предохранителей присоединяют провода групповых линий. Предохранитель — это электрический аппарат, осуществляющий ав- томатическое отключение электрической цепи при перегрузке или ко- ротком замыкании в установках низкого и высокого напряжения. Пре- дохранитель состоит из плавкого металлического элемента (вставки в виде тонкой проволоки или пластины) и корпуса с контактным устройством. Плавкая вставка допускает длительное протекание тока, но при перегрузке и коротком замыкании нагревается до температуры плавления металла и, расплавляясь, разрывает электрическую цепь. После срабатывания предохранителя в нем заменяется плавкая вставка и он вручную включа- ется в электрическую цепь Плавкие вставки изготавливаются из сплава свинца с оловом, медью и другими металлами (медные вставки с целью устранения окисления лудят). Они имеют малое сопротивление и выполняются с малым попе- речным сечением. Большинство предохранителей имеет дугогасительные средства внутри корпуса (фибру, кварцевый песок). Ток, на который рас- считана плавкая вставка для продолжительной работы, называют номи- нальным током плавкой вставки /вст, а на номинальный ток предохра- нителя /пр рассчитываются токоведущие, контактные и дугогасительные части предохранителя. По конструктивному исполнению предохранители делятся на труб- чатые и пробочные. Для защиты осветительных установок применяются пробочные предохранители с закрытыми корпусами, выполненные из газогенерирующего материала — фибры, которая, разлагаясь при повы- шении температуры, выделяет газ, создавая в трубке большое давление и способствуя гашению дуги. Трубчатый предохранитель состоит из плав- кой вставки, рассчитанной на номинальные токи от 15 до 1000 А и за- ключенной внутри фибровой трубки. Трубка армирована концевыми ла- тунными кольцами с резьбой, на которые навинчиваются латунные кол- паки, замыкающие контакты. В некоторых случаях, например при очень малом расстоянии между стеной и щитком, этот порядок может быть изменен, т. е. сначала можно присоединить провода к предохранителям, а за- тем уже установить на месте и закрепить щиток. 186
Провода питающей линии и отходящие к потребителям при- соединяются за щитком к контактным выводам предохранителей (фазные провода — к центральным контактам предохранителей). В сетях напряжением 380/220 В для распределения и учета элек- троэнергии и в пределах одного этажа применяются этажные щитки типа ЩУЭ. Включение и отключение отходящих от них отдельных 1 рупп проводов осветительной сети производится пакетными вык- почателями, расположенными в отдельной секции щитка. Пакетные выключатели служат для переключений в цепях постоян- ного и переменного тока (при номинальных значениях до 100 А), в каче- стве пускателей электродвигателей малой мощности и для включения нагрузки в различных автоматических схемах. Выпускаемые отечествен- ной промышленностью пакетные выключатели имеют подвижные кон- ыкты и неподвижные, находящиеся между изоляционными дисками. 11ажатие происходит с помощью пружинящих подвижных контактов. Дуга, возникающая при замыкании и размыкании контактов, гасится в за- крытой крышкой камере. Механизм мгновенного переключения, пред- ставляющий собой заводную пружину, обеспечивает большую скорость размыкания контактов. Пакетные выключатели выпускаются на напряжение 250 В постоянно- го и переменного тока 10, 25, 60 и 100 А и рассчитаны на 10000... 20000 пе- реключений без нагрузки при скорости не более 60 переключений в минуту. Наблюдение за показаниями счетчиков в этажных щитках осу- ществляется при закрытых дверцах через имеющиеся на них спе- циальные окна. Щитки собираются на заводе и доставляются к месту монтажа упакованными в ящики. Распаковывать ящики сле- дует осторожно, не повреждая находящихся на щитках приборов. Щиток типа ЩУЭ устанавливается в нише размером 900 х 450 мм и глубиной 200 мм. Имеющиеся в нем специальные зажимы У730 позволяют присоединять как медные, так и алюминиевые прово- да с сечениями до 35 мм2. Монтаж распределительных шкафов и щитов, поступивших с завода полностью собранными, начинают с установки их на фун- даментной раме, заранее подготовленной в процессе строитель- ных работ. Шкафы и щиты должны располагаться строго вертикально и прочно прикрепляться к раме, стене или иным конструкциям в со- ответствии с проектом и указаниями завода-изготовителя. На вре- мя монтажа распределительных шкафов и щитов, оснащенных ам- перметрами, вольтметрами и другими приборами, рекомендуется эти приборы снять во избежание повреждения их от сотрясений, неизбежных при установке. По окончании монтажа ранее снятые приборы устанавливаются на место и проверяются состояние и работа всех элементов распределительных устройств. 187
Контактные ножи рубильников должны входить в губки без ударов и с усилием, обеспечивающим нормальное давление в контактах. Давление в контакте считается нормальным, если щуп толщиной 0,05 мм и шириной 10 мм входит в пространство между ножом и губкой рубильника на глубину не более 6 мм. Губки предохранителей должны плотно прилегать к контакт- ным частям патронов. Патроны должны прочно удерживаться в губках для предотвращения возможности выпадения их под дей- ствием собственной массы или электродинамических усилий, воз- никающих при сквозных коротких замыканиях. Фиксаторы положения приводов рубильников должны работать четко и безотказно. Начальные и конечные точки контрольных и измерительных приборов должны находиться на одной прямой линии, параллель- ной продольным кромкам панели, на которой они установлены. Заземляющая шина, идущая от контура заземления к щиту, должна быть надежно прикреплена к фундаменту (сваркой) и кар- касу распределительного устройства (сваркой или болтами). Сопротивление изоляции токопроводящих частей распредели- тельного устройства, проверенное мегомметром на 1000 В по от- ношению к заземленному каркасу, должно быть не ниже 0,5 МОм. При удовлетворительных результатах проведенной проверки всех элементов распределительного устройства к нему присоединяют- ся питающие и отходящие провода и кабели, а затем производит- ся проверочный осмотр под нагрузкой отходящих сетей с целью выявления местных нагревов. При осмотре следует соблюдать дей- ствующие правила по охране труда. Для выявления местных нагре- вов в контактах и соединениях используются термосвечи, рассчи- танные на соответствующую температуру плавления. 6.5. Монтаж прожекторов Для освещения больших площадей, спортивных сооружений, наружных технологических установок, открытых складов широко применяются прожекторы заливающего света типов ПЗС, ПЗМ, ПСМ с лампами накаливания, прожекторы типа ПЗР с дуговыми ртутными лампами, прожекторы типа ПКН с галогенными лам- пами мощностью 1000 и 1500 Вт, прожекторы типа ПЗИ с метал- логалогенными лампами ДРИ-700 и прожекторы типа ПЗН с на- триевыми лампами серии ДНаТ. Для освещения больших откры- тых пространств на промышленных объектах используют также прожекторы СКсН-10000 и ОУКсН-20000 с мощными трубчаты- ми ксеноновыми лампами серии ДКсТ мощностью соответствен- но 10 и 20 кВт, однако их световая отдача и срок службы значи- тельно ниже, чем у других газоразрядных ламп. 188
Прожекторы устанавливаются обычно группами на прожектор- ных мачтах, вышках, крышах зданий или специальных площадках и крепятся болтами к металлическим конструкциям. Основания прожекторов типа ПЗС, ПСМ, ПЗМ имеют по три отверстия для крепления, остальных — по четыре. При групповой установке про- жекторы располагают в несколько рядов по вертикали. Расстояния между осями установленных рядом прожекторов должно быть 700... 1000 мм, а прожекторные площадки должны ограждаться пе- рилами на высоте 1 м. Групповые щитки в водозащищенных ко- жухах рекомендуется устанавливать на прожекторных площадках. 11итание прожекторов от щитка выполняется групповыми линия- ми (не более двух-трех прожекторов в группе) кабелем марки КРИТ вдоль перил площадки. Вводный ящик с аппаратами защиты и управления устанавли- вается у основания прожекторной мачты. От него к групповому щитку проводка проводится по мачте проводом марки АПВ в сталь- ной трубе. С целью защиты от грозовых перенапряжений подход питающей линии к прожекторной мачте выполняется кабелем с заземленной металлической оболочкой или кабелем в металличес- кой трубе, проложенным в земле на протяжении не менее Юм. Прожекторы типа ПЗС, ПЗМ, ПСМ с лампами накаливания перед установкой следует отфокусировать путем наведения луча с расстояния 25...30 м на какой-нибудь экран, например на побе- ленный участок стены размером 2x2м, для получения равномер- ного освещения. После установки прожекторов на мачте производится регули- ровка углов их наклона и поворота с помощью заранее заготов- ленного лимба-транспортира большого размера. Базисная линия начала отсчета поворота прожектора в горизонтальной плоскости указывается в проекте. Если база ориентирована на одну из сторон света, то ее определяют по компасу. Сначала разворачивают про- жектор в горизонтальной плоскости, а затем устанавливают тре- буемый угол наклона. 6.6. Зануление и заземление осветительных установок Различают электроустановки с напряжением выше 1 кВ и до 1 кВ с глухозаземленной и изолированной нейтралью. Сети освещения выполняются на напряжение до 1 кВ, поэто- му далее рассматриваются вопросы зануления и заземления толь- ко таких сетей. Стационарные осветительные установки нашей и большинства европейских стран питаются от электрических сетей напряжени- ем 380/220 В с глухозаземленной нейтралью, т.е. в этом случае нейтраль трансформатора или генератора присоединяется к зазем- 189
ляющему устройству непосредственно проводом, а также через ре- зистор с небольшим сопротивлением или трансформатор тока. Со- противление заземляющего устройства, к которому присоединя- ется нейтраль трансформатора или генератора (в соответствии с ПУЭ) в сетях с напряжением 380 В должно быть не более 4 Ом, а сопротивление заземлителя, расположенного непосредственно у нейтрали трансформатора или генератора, не более 30 Ом (соот- ветственно при напряжении электрической сети 660 В эти значе- ния составляют 2 и 15 Ом, а при напряжении 220 В — 8 и 60 Ом). Электроустановки с изолированной нейтралью не имеют со- единения заземляющего устройства с нулевыми точками трансфор- матора или генератора, но вследствие изменения терминологии на практике часто смешивают понятия заземления и зануления и даже связывают их с конструктивными решениями. Так, напри- мер, присоединение установки к четвертому проводу (нулевому) трехфазной сети считают занулением, а соединение ее со сталь- ными шинами заземляющего устройства считают заземлением. Если в первом случае факт зануления не вызывает сомнений, то во вто- ром — решение вопроса о том, является ли это соединение зазем- лением или занулением, определяется уже схемой электросетей: в сетях с изолированной нейтралью — это заземление, а в сетях с глухозаземленной нейтралью такое соединение уже является за- нулением. Четкое понимание этой разницы необходимо, так как запрещается применять в сетях с глухозаземленной нейтралью за- земление, не соединенное с нулевой точкой трансформатора или генератора. Занулением называется преднамеренное соединение токопро- водящих частей электроустановки, нормально не находящихся под напряжением, с глухозаземленной нейтралью генератора или трансформатора в сети трехфазного тока, с глухозаземленным выводом источника однофазного тока или глухозаземленной сред- ней точкой источника постоянного тока. Особо важно это учитывать при использовании естественных заземлителей, поэтому при проверке возможности их использо- вания в качестве зануления необходимо убедиться в наличии элек- трической связи конкретного естественного заземлителя (напри- мер, труб водопровода, каркаса здания) с общим заземляющим устройством, соединенным с нулевой точкой питающего транс- форматора или генератора. Выполнение этих требований опреде- ляет возможность использования зануления в качестве защитного средства от поражения людей электрическим током. Зануление в осветительных установках является основным и са- мым распространенным средством защиты людей от поражения электрическим током при повреждении изоляции. Однако в зави- симости от условий эксплуатации установок используются и дру- 190
। пс меры защиты: заземление, защитное отключение, разделяю- щий трансформатор, малое напряжение, двойная изоляция, вы- равнивание потенциалов. В стационарных сетях общего освещения промышленных пред- приятий зануление практически остается единственным средством снциты от поражения электрическим током. Защита людей в этом чучае обеспечивается путем автоматического отключения участ- ка сети, где произошло повреждение изоляции, с замыканием его и а зануленные части установки. Отключение произойдет, если воз- никший ток короткого замыкания (КЗ) будет достаточно боль- шим. Для этого проводимость фазных и нулевых защитных провод- ников должна быть такой, чтобы ток КЗ превышал номинальный юк ближайшего предохранителя или же уставки тока автомати- ческого выключателя не менее чем в три раза. При использовании автоматических выключателей, имеющих только электромагнит- ные расцепители (отсечку), проводимость фазных и нулевых защит- ных проводников должна обеспечивать ток КЗ не ниже значения, равного произведению тока мгновенного срабатывания уставки, ко- эффициента, учитывающего разброс (по заводским данным), и коэффициента запаса (равного 1,1). При отсутствии заводских дан- ных для автоматических выключателей с номинальным током до 100 А кратность тока КЗ относительно уставки следует принимать нс менее 1,4, а для автоматических выключателей с номинальным юком более 100 А — не менее 1,25. Полная проводимость нулевых защитных проводников во всех случаях должна составлять не менее 50 % проводимости фазных про- водников. Выполнение зануления с соблюдением этих требований обеспечивает достаточный уровень безопасности электроустановок. Заземление применяется в сетях переменного тока с изоли- рованной нейтралью или в установках постоянного тока с изо- лированным выводом средней точки источника однофазного тока. Такие сети используются в условиях повышенных требований элек- 1 робезопасности — в шахтах, на торфяных разработках, для пере- авижных установок. В этих случаях как дополнительная мера безо- пасности применяется контроль изоляции сетей или защитное от- ключение. защитное отключение в электроустановках напряжением до I кВ определяется автоматическим отключением всех фаз (полю- сов) участка сети, где произошло замыкание на корпус или не- допустимое снижение сопротивления изоляции, за безопасное для человека время, т. е. с учетом того, что чем меньше время проте- кания тока через тело человека, тем больший ток безопасен. Зна- чения безопасных соотношений тока и времени его воздействия приведены в ГОСТах. Ряд европейских фирм начал выпуск авто- матических выключателей защитного отключения для использо- 191
вания в осветительных и небольших силовых сетях, но внедрение защитного отключения пока ограничивается недостаточным вы- пуском необходимой аппаратуры. Существуют и другие меры защиты от поражения током при пользовании осветительными и бытовыми электроустановками: применение разделительных трансформаторов для питания штеп- сельных розеток, предназначенных для включения электрических бритв в ванных комнатах, а также малого напряжения для пита- ния переносных светильников; двойная изоляция электроинстру- ментов, позволяющая отказаться от их зануления; выравнивание потенциалов посредством соединения корпуса ванн с трубопро- водами подачи воды. Проводники, соединяющие зануляемые части установки с глу- хозаземленной нейтралью генератора или трансформатора, глу- хозаземленным выводом источника однофазного тока, глухоза- земленной средней точкой источника в сетях постоянного тока и не используемые для питания электроприемников, называются нулевыми защитными проводниками. Такие же проводники, но ис- пользуемые для питания электроприемников, называются нуле- выми рабочими проводниками. Проводник, соединяющий зазем- ляемые части с заземлителем, называется заземляющим провод- ником. В стационарных осветительных сетях напряжением 380/220 В для зануления в первую очередь используются нулевые рабочие про- водники. Рекомендуется нулевые рабочие проводники выполнять с изоляцией, равноценной изоляции фазных проводов. ПрактиА чески для фазных и нулевых рабочих проводников применяются провода одинаковых марок или соответствующие жилы кабелей (четвертая в трехфазных линиях и одна нулевая в однофазных двух- проводных ответвлениях). Изолировать нулевые проводники обя- зательно в тех местах, где могут образовываться электрические пары | или происходить искрение между нулевыми проводниками и ме- таллическими конструкциями. Не следует изолировать применяемые в качестве нулевых защит- ных и нулевых рабочих проводников кожуха комплектных шиноп- роводов, шины распределительных устройств, алюминиевые или свинцовые оболочки кабелей. Для зануления переносных однофаз- ных электроприемников не разрешается использовать нулевой ра- бочий проводник. В этом случае необходимо использовать отдель- ный нулевой защитный (третий) провод, присоединяемый к ну- левому рабочему проводу в штепсельном разъеме, ответвительной коробке или непосредственно в щите, щитке, сборке. Заземляющими проводниками в электроустановках в основном служат стальные шины. В сухих помещениях без агрессивной сре- ды заземляющие и нулевые защитные проводники (шины) разре- 192
iчается прокладывать непосредственно по стенам, в противном случае шины прокладываются с зазором от стены не менее 10 мм. В заземляющих и нулевых защитных проводниках нельзя устанав- швать предохранители, выключатели и другие разъединяющие ус- тройства. В нулевых рабочих проводниках допускается установка вык- почателей, отключающих одновременно и фазные проводники. Вопросы для самоконтроля I. 1. Что такое пускорегулирующий аппарат? 2. Каков порядок монтажа светильников? 3. Назовите способы установки люминисцентных светильников. II 1. В чем состоят особенности зануления и заземления осветительных > 1сктроустановок? 2. Каковы особенности установки выключателей, розеток и звонков при открытой и скрытой проводках? 3. Поясните особенности монтажа светильников во взрывоопасных юнах. 111. 1. Как определяется неисправность в светильнике по режиму горения поминесцентных ламп? 2. Каково назначение распределительных устройств в осветительных сетях? 3. Какие применяются меры защиты от поражения электрическим юком в осветительных и бытовых электроустановках?
Глава 7. ПОДГОТОВКА ТРАСС ЭЛЕКТРОПРОВОДОК 7Л. Организация монтажа электропроводок Современный индустриальный монтаж электропроводок выпол- няется в две стадии. Первая стадия — это подготовительные и за- готовительные работы вне зоны монтажа (в МЭЗ) и непосредствен- но на монтажных объектах, вторая стадия — прокладка проводов по подготовленным трассам с выполнением всех подключений. Основной объем монтажных работ производится в МЭЗ, где на специальных технологических линиях заготавливаются узлы элек- тропроводок и целые комплектные линии освещения. Заготовленные в МЭЗ узлы с материалами, изделиями и дета- лями, которые необходимы для выполнения всего комплекса ра- бот, укладываются в контейнеры и транспортируются на объект. Контейнеры комплектуют в соответствии с числом этажей, про- летов (или секций) и квартир жилых домов. Стеллажи контейне- ров обычно разделяются на отсеки, имеющие маркировку. Если контейнер комплектуется для жилого дома, заготовки укладыва- ются в отсеки по отдельным квартирам в последовательности, отвечающей расположению их по этажам. Работы первой стадии монтажа непосредственно на объекте со- стоят из подготовки трасс для прокладки проводов, прокладки за- земляющих проводников, установки закладных элементов и дета- лей для последующего крепления к ним электрооборудования и электроконструкций (если они не были предусмотрены в проекте и не установлены строителями). Эти работы выполняются одно- временно с общестроительными работами, но при определенном уровне готовности объекта, т. е. в соответствии с требованиями СНиП при возможности обеспечения нормального и безопасного ведения электромонтажных работ, защиты монтируемого обору- дования, кабельных изделий и электроматериалов от влияния ат- мосферных осадков, грунтовых вод, низких температур, а также от загрязнения и случайных повреждений при производстве даль- нейших работ смежными организациями. До начала работ второй стадии должны быть полностью закон- чены строительные и отделочные работы в электротехнических по- мещениях, включая монтаж и испытание отопления и вентиляции. Электромонтажные работы второй стадии в производственных помещениях производятся одновременно с монтажом технологи- ческого оборудования по совмещенному графику. 194
Отступления от требований к выполнению строительных работ, при которых возможен монтаж электрооборудования, приводят к порче оборудования и электрических сетей, а на их восстановле- ние, очистку, повторную сушку, окраску, ревизию непроизводи- юльно затрачиваются средства и труд. Борозды, каналы, ниши в стенах и перекрытиях для монтажа проводок и электроконструкций в соответствии с требованиями < НиП должны быть предусмотрены в строительных чертежах и вы- полнены в процессе строительства или в процессе изготовления панелей и блоков на комбинатах стройиндустрии. Отсутствие ка- налов и ниш приводит к необходимости выполнения трудоемких пробивных работ. Здания и сооружения для производства электромонтажных ра- бот второй стадии принимаются от строительных организаций по акту, при этом проверяется соответствие их готовности требова- ниям СНиП, а также наличие, размеры и число предусмотрен- ных основным проектом или проектом производства работ мон- । ажных проемов для подачи электрооборудования и блоков комп- лектных устройств. Подготовка трасс электропроводок включает в себя: разметку трасс и мест установки крепежных деталей; пробивные работы для установки крепежных деталей; крепежные работы (установку крепежных деталей в строитель- ных конструкциях — бетонных, кирпичных, шлакоблочных). Работы по подготовке трасс электропроводок относятся к наи- более трудоемким, особенно при ручном их выполнении. Разметка трасс и мест установки крепежных деталей Разметка начинается с привязки трасс к местам расположения распределительных устройств, вводов, пусковых приборов и при- емников электроэнергии, т. е. сначала размечаются места пробив- ки отверстий, гнезд и ниш или места установки закладных эле- ментов для закрепления электрооборудования, а затем определя- ются и размечаются трасса электропроводки, места проходов через стены и перекрытия, установки коробок, а также установки кре- пежных деталей для труб, кабелей и др. Для разметки электропроводок применяются специальные раз- меточные инструменты (рис. 7.1). Трассы открытых электропрово- док должны располагаться относительно архитектурных линий ин- icpbepa помещения так, чтобы быть менее заметными, т.е. они чолжны проходить вдоль, а не поперек лучей света и повторять линии карнизов и других строительных элементов. Начало электропроводки определяется местом установки элек- । роаппаратов, распределительных устройств и другого оборудова- 195
Рис. 7.1. Инструменты для разметки: а — шаблон; б — разметочный шест; в — раз- меточный циркуль; г — разметочная рама с шестом; д — рулетка-отвес; е — набор разме- точных инструментов; 1 — телескопическая линейка; 2 — угломер; 3 — рулетка; 4 — раз- меточный трафарет ния. Затем намечаются уро- вень трассы электропровод- ки над чистым полом и все проходы сквозь строитель- ные конструкции, поворо- ты трассы и обходы препят- ствий. При нанесении раз- меточных линий руковод- ствуются правилами распо- ложения проводов и кабелей относительно других объек- тов (ПУЭ). Радиусы поворо- тов трасс должны быть не меньше минимально допу- стимых радиусов изгиба про- водов или кабелей, приме- няемых при проводке. При прокладке вертикальные по- токи проводов размещают- ся симметрично оси трас- сы, а горизонтальные — на нормативном расстоянии от пола (по нижнему проводу). Верхний провод горизон- тального потока проклады- вается на расстоянии не ме- нее 50 мм от линии карни- за или не менее 100 мм от потолка. Радиус поворота потока принимается по мак- симальному из допустимых радиусов изгиба проводов. Незащищенные откры- тые электропроводки с на- пряжением выше 42 В рас- полагают на высоте не ме- нее 2 м в помещениях с нормальными условиями и не менее 2,5 м в помещениях с повышенной опасностью и особо опасных. Откры- тые электропроводки с напряжением до 42 В в любых помещениях прокладывают на высоте не ниже 2 м. Высота прокладки защи- щенных проводов (в трубах, коробах, металлорукавах) не нор- мируется. Для тросовых электропроводок производят разметку мест ан- керных и промежуточных креплений, для электропроводок на лотках — мест установки поддерживающих конструкций и точек 196
их крепления к строительным элементам зданий, при прокладке проводов и кабелей по полосам и лентам — мест крепления по- лос, лент и т.д. При разметке трубных трасс необходимо выполнять точную при- вязку мест выхода концов труб к электроприемникам. Опорные конструкции для прокладки трубопроводов должны устанавливать- ся в одной плоскости точно по горизонтальным и вертикальным линиям разметки. Для этого на трассе проводки или участке трассы устанавлива- ются две крайние детали крепления и между ними натягивается шнур или стальная проволока, по которым расставляются осталь- ные детали крепления. Вертикальная разметка производится по отвесу. Расположение трассы и места установки электрооборудования определяются по рабочим чертежам проекта с использованием за- данных отметок от уровня пола или потолка, расстояний от ко- лонн, ферм и других строительных элементов, расположенных на одном уровне, или маркшейдерских отметок. Разметка трасс вертикальных и горизонтальных открытых элек- тропроводок производится с помощью разметочного шнура с со- блюдением параллельности линиям сопряжения стен и потолков. Поперечными линиями отмечаются места установки опорных кон- струкций и крепежных деталей в следующем порядке: сначала у коробок, электроприемников, на поворотах и у проходов, а затем в промежутках между ними. Крепежные детали, поддерживающие и закрепляющие провода и кабели, должны располагаться вдоль трассы симметрично и на одинаковых расстояниях, не превыша- ющих максимально допустимые по СНиП, а проходы — на одной линии и в одной плоскости с прокладываемыми проводами и ка- белями. При разметке трасс прокладки плоских проводов необходимо учитывать следующие требования: открытая электропроводка по стенам и перегородкам прокла- дывается вдоль архитектурных линий (карнизов, балок, линий ху- дожественной обработки, выступающих углов), но на расстоянии до 20 мм от них; при скрытой прокладке трасса должна легко определяться при эксплуатации проводки, чтобы исключить вероятность ее случай- ного повреждения (горизонтальные участки трассы располагают- ся таким образом, чтобы линии сопряжения стен и потолков были параллельны); вертикальные участки трассы (спуски или подъемы к светиль- никам, выключателям и штепсельным розеткам) должны прокла- дываться параллельно линиям дверных и оконных проемов или уг- лам помещения; 197
Рис. 7.2. Разметка по шаблону скрытая прокладка проводов по перекрытиям (в штукатурке, щелях и пустотах плит, под пли- тами перекрытия) должна выпол- няться по кратчайшему расстоя- нию между наиболее удобным ме- стом перехода ее на потолок и све- тильником. Разметку трасс скрытых элект- ропроводок, углубленных в бо- розды стен и потолков, можно производить следующим образом: по кратчайшему расстоянию от вводов до электрооборудования и светильников. Места пробивки отверстий и гнезд для установки электрокон- струкций часто намечают с помощью простых разметочных шаб- лонов (рис. 7.2). При сооружении зданий из сборных строительных конструкций с отформованными в них каналами для проводов и проемами, нишами и углублениями для распределительных устройств и элек- троустановочных изделий разметку мест их установки и трасс элек- тропроводок не делают, а проверяют пригодность каналов для за- тягивания проводов, особенно в местах сопряжения строительных элементов здания. Максимальные расстояния между точками крепления, радиусы изгиба проводов и другие требования по разметке трасс электро- проводок регламентируются действующими правилами и нормами. Вопросы для самоконтроля I. 1. Какие операции включает в себя подготовка трасс электропро- водок? 2. Какие виды электропроводки вы знаете? 3. Какими инструментами пользуются при разметке трасс открытой электропроводки? II. 1. Каким инструментом производится разметка трасс? 2. Как прокладывают верхний провод горизонтального потока? 3. В какой последовательности отмечают места установки опорных конструкций? 4. Какими документами пользуются при разметке трасс? III. 1. Как располагают незащищенные открытые электропроводки? 2. Назовите особенности разметки различных электропроводок. 3. Какие требования необходимо учитывать при разметке трасс? 4. Установите место ввода и трассу электропроводки в помещении, где вы находитесь. 198
Пробивные работы при установке крепежных деталей Объем пробивных работ и затраты труда на их выполнение при современных индустриальных методах монтажа резко сокращают- ся благодаря применению прогрессивных способов закрепления де- I алей и конструкций в строительных основаниях: забивки и встреливания крепежных дюбелей; установки закладных частей; образования каналов, борозд, ниш, сквозных отверстий в стро- I цельных конструкциях при их изготовлении; приклеивания деталей электропроводок и электроустановочных изделий. Пробивные работы, которых полностью избежать невозможно, юлжны выполняться механизированным способом, что сокращает егграгы труда и обеспечивает получение правильных геометричес- ких размеров пробиваемых отверстий при минимальном наруше- нии строительных конструкций. Основными средствами механизации пробивных работ являются •лектрические сверлильные машины, электрические и пневмати- ческие молотки и перфораторы, оснащенные рабочим инструмен- юм (сверлами, бурами, шлямбурами, коронками) с пластинами и 5 твердых износостойких сплавов (в основном из металлокера- мических сплавов марки ВК — зерен карбида вольфрама, сцемен- । ированных металлическим кобальтом). Сверление гнезд и отверстий производится главным образом в кирпичных стенах, так как для бетона, даже невысоких марок твер- дости, оно не эффективно. Производительность в этом случае составляет 10 мм в минуту, а при попадании сверла в твердый на- полнитель скорость сверления резко снижается и происходят силь- ный нагрев, быстрый износ и выкрашивание твердосплавных пла- стинок. Для эффективного сверления отверстий в железобетоне исполь- зуются электросверлильные машины с ударно-поворотными на- садками и электромолотки с ударно-вращательным действием ин- струмента, имеющие большую производительность по сравнению с простым сверлением вследствие более эффективного удаления буровой мелочи и требующие меньших усилий для их удержания. При наличии сети сжатого возд уха для пробивки отверстий боль- п(их размеров (особенно в бетонных основаниях) рекомендуется использовать пневмоинструмент — молотки ударного и ударно-по- воротного действия (перфораторы), которые отличаются легкос- । ью, простотой конструкции, надежностью и относительной бе- юпасностью. Отверстия под распорные дюбеля в кирпичных и бетонных ос- нованиях пробивают специальным пробойником ручным или ме- 199
ханизированным способом. При ручном способе пробойники встав- ляются в специальную оправку, при механизированном — в пере- ходную втулку электрического или пневматического молотка. Ци- линдрическая рабочая часть пробойника имеет три продольных канавки длиной 55 мм для удаления буровой мелочи. Ручные пробойники выпускаются только двух типов: ПО-1 дли- ной 90 мм и диаметром 4,8 мм и ПО-2 длиной 90 мм и диаметром 7,8 мм. Применяются они с оправкой типа ОПКМ с клином, пред- назначенным для выбивания пробойников из оправки. Пробивание отверстий вручную производится легкими удара- ми молотка по пробойнику, который прочно закрепляется в оп- равке и направляется перпендикулярно к стене. После каждого удара пробойник легко поворачивается. Диаметр пробойника вы- бирают на 0,5 мм меньше диаметра дюбеля, так как отверстие в стене при пробивании получается на 0,5... 1 мм больше диаметра пробойника. Глубина отверстия должна соответствовать длине дюбеля. Для пробивки отверстий в многопустотных плитах междуэтаж- ных перекрытий применяется пиротехническая ударная колонка УК-2М. Вопросы для самоконтроля I. 1. Какие способы закрепления деталей вы знаете? 2. Для чего используются пробойники? 3. Каким инструментом пробивают отверстия в многопустотных плитах? II. 1. Какие средства механизации пробивных работ вы знаете? 2. Каким способом производят пробивные работы в кирпичных стенах? 3. Какие типы ручных пробойников вы знаете? III. 1. Почему для пробивки отверстий рекомендуется применять пнев- моинструмент? 2. Как производится пробивание отверстий? 3. Как выбирается диаметр пробойника? Крепежные работы Выбор способа крепления при монтаже, если он не предусмот- рен проектом, определяется видом строительного основания, ха- рактером нагрузки, массой закрепляемой детали, а также трудо- емкостью и стоимостью работ. Забивка в строительные основания крепежных дюбелей. Дюбе- ля, надежно закрепляющие изделия в строительных конструкци- ях, делятся на три группы: распорные для крепления без вмазыва- ния в предварительно подготовленные отверстия (металлические 200
и пластмассовые); встреливаемые строительно-монтажным писто- ictom; забиваемые ручной или пиротехнической оправкой. Самозакрепляющиеся распорные дюбеля используются для крепления без вмазки к кирпичным и бетонным основаниям раз- личных электроустановочных изделий и деталей, применяемых при монтаже осветительных и силовых установок. Металлический распорный дюбель состоит из корпуса, кото- рый представляет собой штампованную или точеную (для болтов диаметром более 6 мм) гильзу из мягкой стали толщиной 8 мм, распорной конической гайки, винта по металлу (с полукруглой, цилиндрической или шестигранной головкой) или болта и двух шайб — нормальной и пружинной. Зубцы и выемки на гильзе и соответствующие этим выемкам ребра на гайке препятствуют вра- щению гильзы или гайки при ввинчивании винта. Гильза имеет два продольных разреза для более легкого ее распирания гайкой при затяжке, для этой же цели конец гильзы со стороны гайки выпол- нен с небольшим расширением. Дюбеля с конической распорной гайкой применяются для закрепления легких конструкций, неболь- ших щитков, пусковых аппаратов и др. Винт и дюбель соединяются с деталью, подлежащей закрепле- нию (скобой, лапкой, ящиком). Затем корпус дюбеля вставляется в подготовленное отверстие и легким ударом молотка забивается гак, чтобы его наружный торец был в одной плоскости с краями отверстия. Дюбель должен входить в отверстие с небольшим тре- нием. Винт или болт, пропущенный через отверстие закрепляемого изделия, ввертывается в распорную гайку до отказа. При ввинчива- нии винта распорная гайка, перемещаясь в корпусе дюбеля, рас- пирает своим конусом лепестки корпуса и плотно прижимается к стенкам отверстия, благодаря чему изделие надежно закрепляется. В настоящее время в основном применяются дюбеля из пласт- массы (рис. 7.3) и капрона. Капрон представляет собой твердый материал белого или светло-жел- того цвета. Это синтетический материал, получаемый в результате поли- меризации капролактама — порошкообразного вещества с температурой плавления 70 °C. У капрона температура плавления 215 °C. Он очень ус- тойчив к плесневым грибкам, но не устойчив к атмосферным воздей- ствиям. Как и у других полимерных материалов, у капрона наблюдается мед- ленная деформация (холодная текучесть) под действием постоянной нагрузки. Если деформация в пределах 3 %, то после снятия нагрузки она исчезает. Наибольшее применение капрон получил для производства электро- монтажных и конструкционных деталей малой массы. Корпус пластмассового дюбеля цилиндрической формы с внут- ренним конусным каналом разделен на две половины продоль- 201
Рис. 7.3. Пластмассовые распорные дюбеля: а — общий вид; б — установленные в стро- ительное основание ной щелью для облегчения рас- клинивания. Расположенные по длине наружной поверхности дюбеля ребра служат для уплот- нения его в гнезде и улучше- ния сцепления с поверхностью гнезда и препятствуют провора- чиванию при ввертывании шу- рупов. Пластмассовые дюбеля име- ют ряд преимуществ по сравне- нию с другими дюбелями: они устойчивы к динамическим на- грузкам и вибрациям, высо- ко устойчивы к коррозии и их можно применять во влажных и химически активных средах. Для закрепления скоб, ус- тановочных изделий и неболь- ших конструкций используют- ся дюбеля с шурупами, а для закрепления поддерживающих кабельных и троллейных кон- струкций, тросовых проводок, аппаратов, струнных подве- сок — дюбеля с глухарями. В настоящее время пласт- массовые дюбеля вытесняют металлические. Разметку мест вбивания дю- белей следует выполнять точ- но и тщательно, так как в даль- нейшем исправить неточность невозможно. В стальных полосах сети заземления и вспомогательных деталях для их прокладки необхо- димо в местах крепления предварительно просверлить отверстия диаметром 4 мм. Размер дюбеля выбирается в зависимости от твердости осно- вания и наличия на нем штукатурки: для бетона и железобетона марки 200 и ниже — 2,5 х 25 мм, для красного и силикатного кир- пича — 3,5 х 35 мм, а для оштукатуренных оснований (если недо- статочно дюбеля 3,5x35 мм) — 4,5 х 40 мм. Для проверки правиль- ности выбора (поскольку качество материала основания, от кото- рого зависит длина заглубляемой части, может оцениваться только приближенно) необходимо по месту работ провести пробную за- бивку нескольких дюбелей. 202
Заделка в строительные основания крепежных деталей путем вмазки. Этот трудоемкий способ крепления применяется редко, на- пример при отсутствии закладных частей или если нельзя исполь- ювать дюбеля (при креплении тяжелых аппаратов). Вмазка крепеж- ных деталей включает в себя следующие операции: выполнение в строительном основании гнезда путем сверления или пробивки; очистку гнезда и смачивание его водой; заполнение гнезда на одну треть или половину цементным или лпебастровым раствором; заделку опорной детали в гнездо. Крепление деталей и изделий к закладным частям. Для крепле- ния элементов электрооборудования к стенам, перекрытиям, колоннам, фермам и балкам широко используются закладные ча- с ги, представляющие собой отрезки водогазопроводных труб, ли- с говой, полосовой, угловой или круглой стали, которые устанав- 1иваются в строительных основаниях при сооружении зданий или при изготовлении строительных конструкций на заводах и поли- । онах в соответствии с рабочими чертежами по заданию органи- 1ации, проектирующей электрооборудование. Крепление электрооборудования и устройств электрической сети к закладным частям производится болтами или электросвар- кой либо через промежуточные переходные детали. В помещени- ях, которые имеют перекрытия из сборных железобетонных плит, спя установки закладных частей целесообразно использовать швы между плитами и места сопряжения отдельных деталей. Для надеж- । юсти концы закладных частей из профильной стали загибают или приваривают к ним пластины, шайбы и т.п. При использовании закладных частей для крепления конструк- п ий исключаются пробивные работы, а электромонтажные выпол- няются после окончательной отделки помещения. Крепление с помощью универсально-сборных электромонтажных конструкций (УСЭК). В последнее время разработан и освоен за- водской выпуск УСЭК, представляющих собой набор унифици- рованных несущих, соединяющих и крепежных деталей. Из этих деталей в МЭЗ или непосредственно на объекте соби- раются без сварки и сверления различные металлоконструкции (кронштейны, подвесы, закрепы), используемые для установки или прокладки различных электротехнических устройств и ком- муникаций (шинопроводов, лотков, коробов, осветительной ар- матуры и др.). Номенклатура изделий УСЭК включает в себя 35 типоразме- ров деталей с болтами, гайками и шайбами, например скобы, угол- ки, основания, патрубки, профили, полосы, шарниры, прижи- мы, шпильки, установочные и закладные гайки, клиновые соеди- 203
нители, анкеры. Применение УСЭК для подвески светильников и шинопроводов показано на рис. 7.4. Крепление с помощью элементов УСЭК сводится к выбору или резке профилей требуемой длины и сборке их с помощью крепежных деталей по типовым альбомам или замерам, при этом сокращаются до минимума механические работы (остается толь- ко резка или рубка профилей на мерные отрезки), исключаются операции сварки и нанесения покрытий, упрощается выполнение соединений. Приклеивание крепежных деталей и изделий. В настоящее время применяется крепление деталей для электропроводок, электроус- тановочных изделий и мелких конструкций к строительным осно- ваниям с помощью клеев из полимерных материалов. Приклеива- ние исключает пробивные работы, облегчает условия труда, уде- шевляет монтаж, сохраняет целость и прочность оснований. Однако до последнего времени этот способ не выходил за рамки опытного внедрения, так как ни один клей полностью не обеспечивал быст- рого и прочного соединения. И только применение клея БМК-5К на основе акриловой смолы показало надежность и перспектив- ность этого способа крепления. В состав данного клея входят смола БМК-5 (180 мае. ч.), ацетон в качестве растворителя (420 мае. ч.) и каолин в качестве наполнителя (400 мае. ч.). В качестве растворителей используются легкоиспаряющиеся жидко- сти: ацетон, бензол, спирты и др. Ацетон — это бесцветная жидкость со своеобразным запахом, легко воспламеняющаяся, пары ее взрывоопас- ны. Хорошо смешивается с водой, спиртом, бензином. Применяется для растворения эпоксидных смол и обезжиривания. Рис. 7.4. Применение УСЭК для крепления светильников (а) и подвес- ки шинопроводов (б) 204
Наполнители — порошкообразные или волокнистые вещества, повы- шающие механическую прочность и уменьшающие объемную усадку пластмассовых изделий. Для повышения механической прочности исполь- зуются стеклянные, асбестовые и хлопковые волокна, а для повышения коэффициента теплопроводности пластмасс и увеличения их нагревос- 1ОЙКОСТИ — кварцевый и слюдяной порошки. Всего в пластмассах содер- жится 40 ...60 % наполнителей. Введение в состав клея наполнителя повышает его прочность и частичность, снижает усадочные явления и сокращает время от- вердевания. Клей поставляется расфасованным в тубы емкостью 0,1 дм3 или в другую герметически закрываемую тару емкостью до 0,25 дм3. Сме- шивать раствор смолы с наполнителем непосредственно на рабо- чем месте не рекомендуется. Клей БМК-5К сохраняет однородность состава даже после длительного хранения, поэтому не требует дополнительного размешивания. Закрепление проводов, полос заземления и мелких установоч- ных изделий возможно как посредством приклеивания крепежных геталей (рис. 7.5), так и непосредственно самих ответвительных ко- робок и других пластмассовых изделий, имеющих плоскую опор- ную поверхность не менее 6 см2. Рис. 7.5. Крепежные детали и установочные изделия для приклеивания: а - деталь из жести с пряжкой; б — деталь из пластмассы или металла в комплекте с поливинилхлоридной лентой и кнопками из полистирола; в — деталь из пласт- массы или металла в комплекте с плоской полосой и пряжкой; г — пластмассовая деталь для крепления проводов; д — соединительные коробки; е — полугермети- ческий выключатель 205
Перед приклеиванием необходимо подготовить поверхность строительных конструкций, т. е. зачистить место соединения сталь- ным шпателем или стальной щеткой от неровностей и загрязне- ний. Не допускается приклеивание к побелке, масляной краске, промасленным и закопченным основаниям. Поверхность строитель- ного основания должна быть сухой, ровной и чистой. Стальные поверхности очищают от ржавчины и обезжиривают чистым там- поном, смоченным в ацетоне или бензине марки не ниже М-72. Проверяют также опорные поверхности приклеиваемых деталей и при необходимости очищают их от пыли, жировых пятен и ржав- чины, удаляют заусенцы, а металлические детали выправляют для обеспечения плотного прилегания к основанию. Приклеивание осуществляют в следующем порядке: шпателем- лопаткой клей наносится на строительное основание и по всей поверхности соединения приклеиваемой детали. Нанесенный слой должен быть ровным толщиной 0,5... 1,0 мм; лишний клей снижа- ет прочность соединения. Затем приклеиваемую деталь прижима- ют с некоторым усилием к опорной поверхности и удерживают в зависимости от массы изделия в течение 2...5 с. Сила схватывания клея, возникающая при этом, достаточна для удержания изделия. Необходимая для производства дальнейших работ прочность при- клеивания достигается через 24 ч. Гарантийный срок хранения клея 9 месяцев. По истечении этого срока клей подлежит повторному испытанию на отрыв. Приклеивать непосредственно провода или кабели клеем БМК-5К к строительному основанию не рекомендуется, так как из-за быстрого высыхания его консистенция по длине провода будет неодинакова, а следовательно, неодинаковой будет прочность соединения, и, кроме того, при отставании провода у одного конца проводки произойдет отклеивание ее по всей длине без особых усилий. Минимальная удельная прочность клея БМК-5К при прямом отрыве от бетона, железобетона, керамики — 50 Н/см2, от кирпи- ча — 10 Н/см2. Качество и прочность крепления зависят от пра- вильного приготовления клея и соблюдения технологии приклеи- вания. При испытаниях, а также на основе опыта внедрения клея БМК-5К установлены следующие ограничения: не следует при- клеивать им детали, подвергающиеся ударным нагрузкам и силь- ной вибрации (из-за хрупкости клея), и использовать его в сырых помещениях (прачечных, банях). После затвердевания клей БМК-5К остается водостойким, прочность его слоя уменьшается незначи- тельно; в сырых помещениях отклеивание происходит из-за сни- жения прочности поверхностного слоя строительного основания вследствие намокания. При соприкосновении с водой жидкий клей 206
1»МК-5К свертывается и теряет свои свойства, поэтому нельзя приклеивать детали к сырым основаниям. Затвердевший клей морозостоек, но жидкий он не пригоден для использования при низких температурах, т.е. его можно приме- нять только при плюсовой температуре. Не рекомендуется прикле- ивать электроустановочные изделия к гипсолитовым, гипсобетон- ным, оштукатуренным мокрым способом строительным конструк- циям и сухой штукатурке, имеющим недостаточную прочность поверхностного слоя. Клей обладает хорошей адгезией (прилипанием поверхностей тух разнородных тел) к стали, винипласту, стеклу, фарфору, ic-реву, карболиту и пластмассе. Но его адгезия к алюминию и оцин- кованному железу в два раза ниже, чем к стали. Учитывая возмож- ность коррозии стали при определенных атмосферных условиях, рекомендуется применять при склеивании крепежные детали из нчастмасс (за исключением полиэтиленовых). Норма расхода клея 1>МК-5К составляет около 100 г на 100 креплений. Приклеивание по сравнению с другими способами крепления проводов и установочных изделий повышает производительность |руда в 2—3 раза. При работе с клеем БМК-5К необходимо соблюдать некото- рые нормы охраны труда и правила пожарной безопасности. Реко- мендуется работать в тонких эластичных резиновых перчатках, а при приклеивании деталей к вертикальным плоскостям или по- шл ку надевать защитные очки. Разбавлять клей надо также в за- щитных очках, соблюдая осторожность. Прием ацетона или клея 1>МК-5К внутрь даже в малых количествах может привести к от- равлению и слепоте. При попадании клея на кожу его удаляют шмпоном, смоченным в ацетоне, и промывают кожу горячей во- дой с мылом. Протирать руки ацетоном и мыть горячей водой с мылом нужно также каждый раз после окончания работ. Не допускается работа с клеем вблизи открытого огня и нагре- вательных приборов. Запрещается принимать пищу и курить в по- мещениях, где приготовляют клей или работают с ним. Эти поме- щения должны иметь вентиляцию и систематически проветриваться. Просеивание наполнителей можно производить только в респи- раторах. Вопросы для самоконтроля 1. 1. Какие вы знаете способы крепления монтажных деталей? 2. На какие группы подразделяются дюбеля? 3. Какие инструменты используются при крепежных работах? II. 1. От чего зависит выбор способа крепления? 2. Из чего состоят распорные дюбеля? 3. Каково устройство пластмассового дюбеля? 207
4. Какие операции включает в себя вмазка? 5. Что представляет собой УСЭК? III. 1. В чем состоят преимущества пластмассового и металлического дюбелей? 2. Как правильно выбрать размер дюбеля? 3. Каковы преимущества приклеивания крепежных деталей? 4. Поясните порядок приклеивания крепежных деталей. 7.2. Разделка проводов и кабелей Разделка проводов и кабелей производится в следующем по- рядке: пользуясь справочниками, определяют размеры разделки в за- висимости от конструкции проводника и вида соединительного или концевого устройства; размечают разделку при помощи кабельных линеек или шаб- лонов; ступенчато накладывают несколько витков фиксирующих бан- дажей из оцинкованной стальной или медной проволоки, круче- ного шпагата, кордовой или капроновой нити, суровых ниток, а также хлопчатобумажной или пластмассовой ленты; производят кольцевое поперечное и линейное продольное над- резание оболочек, подлежащих удалению (бронированных, свин- цовых, алюминиевых, пластмассовых оболочек и монолитной изо- ляции); снимают или сматывают удаляемые покровы; разводят концы жил многожильных проводников, т. е. придают им форму и расположение, удобные для следующей операции; обрабатывают оголенные концевые участки токопроводящих жил, т. е. зачищают до металлического блеска, лудят, покрывают флюсами, кварцевазелиновой пастой или токопроводящим кле- ем, и сплавливают многопроволочные жилы в монолит. Отметим, что необходимость приведенных операций определя- ется конструкцией проводников. В полном объеме они проводятся для силовых кабелей с бумажной изоляцией, а для простейших про- водников технология разделки сводится к снятию поливинилхло- ридной изоляции и обработке жилы. Разделка проводов заключается в последовательном удалении за- щитной, герметизирующей, изолирующей и других оболочек то- копроводящих жил с целью их соединения или оконцовки. Разме- ры разделок зависят от диаметра жилы, способа ее соединения с другой жилой или оконцовки, типа контактного зажима аппарата или штепсельного разъема и диаметра контактного болта. В каж- дом конкретном случае разделки эти размеры определяются по справочникам или расчетом. 208
Каждая ступень разделки закрепляется бандажом. Ширина бан- дажа зависит от диаметра ступени и обычно составляет 3... 12 мм. В зависимости от требуемой прочности бандажи выполняются из стальной оцинкованной или медной проволоки с диаметром до I мм, крученого шпагата с диаметром 1 мм или суровой нитки. Непроволочные бандажи для упрочнения промазываются перхлор- виниловым составом № 1 или клеем БФ. Содержание технологических операций разделки определяется конструкцией проводов. Основным требованием при этом являет- ся получение минимальных длины и числа ступеней разделки. Не- обходимость ступени обусловливается потребностью наложения бандажа, поэтому в оболочках, где бандаж не требуется, можно отдельной ступени разделки не предусматривать. Длина разделки определяется конструктивными соображения- ми и по месту и принимается по той жиле, которая по условиям разводки оказывается самой протяженной. Например, на хлопчатобумажную оплетку провода накладыва- ют бандаж длиной 5 мм из шпагата. На расстоянии 1...2 мм от бандажа надрезают хлопчатобумажную оплетку и удаляют ее. Вто- рой бандаж накладывают на обмотку из прорезиненной ткани. Длина второго бандажа, выполненного тем же шпагатом, примерно вдвое короче первого. Прорезиненную обмотку удаляют, сматы- вая ее с конца провода и отрезав около второго бандажа. В зависимости от числа жил провода и условий его разделки (на- пример, от ширины разводки концов жил для соединений) опре- деляют длину остающейся на жилах резиновой изоляции (5... 10 мм при небольшом числе жил и простой разводке, 50... 100 мм и бо- лее — при большом числе жил). С концов жил удаляют резиновую изоляцию (например, кле- щами КСИ-2М). В зависимости от принятого способа соединения (опрессовкой, сваркой и др.) определяют необходимую длину оголенных участ- ков и лишние концы жил обрезают. Разделка кабеля с бумажной изоляцией производится в следую- щем порядке. Определив размеры разделки (рис. 7.6) с помощью кабельной линейки или по специальным таблицам и сделав бан- даж стальной оцинкованной вязальной проволокой диаметром 1... 1,5 мм (2—3 витка), разматывают наружный джутовый покров с конца кабеля до бандажа (рис. 7.7, а). Материал покрова не уда- ляют, а наматывают на неразделываемый участок кабеля для пос- ледующего использования при монтаже муфт. На расстоянии Б (см. рис. 7.6) от первого бандажа (или В от конца кабеля при внутренней установке) на броню накладывают бан- даж из стальной проволоки, при этом обхватив броню обеими руками в рукавицах, несколько ослабляют натяг лент ее подушки 209
Рис. 7.6. Схема разделки кабеля: 1 — наружный покров; 2 — броня; 3 — свинцовая или алюминиевая оболочка; 4 — поясная изоляция; 5 — изоляция жил; 6 — жила кабеля; 7, 8 — бандажи из кабельной пряжи или суровых ниток; 9, 10 — проволочные бандажи с усилием, направленным навстречу их навивке. Броню надреза- ют по кромке второго бандажа бронерезкой, разматывают вруч- ную (в рукавицах) и удаляют (рис. 7.7, б, в). Ленту подушки брони также разматывают и обрезают по кромке бандажа. При усиленных подушках, состоящих из слоя битумного состава, пластмассовых лент, поливинилхлоридного или полиэти- ленового шланга, крепированной бумаги и еще одного слоя би- тумного состава на герметической оболочке, последовательно удаляют эти слои: смывают горячим (40...50°C) трансформатор- ным маслом наружный битумный слой; разматывают и удаляют пластмассовые ленты; надрезают продольно и снимают шланг, отрезая его по кромке бандажа; беглым огнем горелки слегка прогревают и снимают крепированную бумагу; прогревают и удаляют тряпками, смоченными в бензине, битумный слой с обо- лочки. На расстояниях (от бандажа на броне) Б и О + П + Б (см. рис. 7.6) последовательно выполняют два кольцевых надреза оболочки на половину ее толщины (рис. 7.7, г) специальным кабельным но- жом. Затем на свинцовой оболочке от наружного кольцевого над- реза к концу кабеля на расстоянии 10 мм делают два продольных параллельных надреза. Полоску, образованную этими надрезами, аккуратно вырывают, начиная от кольцевого среза оболочки, при помощи пассатижей, разгибают и снимают вручную (рис. 7.7, д, е). Поясок оболочки между двумя кольцевыми надрезами оставляют. Его ширина при напряжении до 1 кВ должна составлять 20 мм, а при напряжении 6... 10 кВ — 25 мм. 210
Рис. 7.7. Операции разделки кабеля с бумажной изоляцией: а - размотка защитного покрова; б — надрезание брони; в — снятие брони; г — надрезание оболочки; д — удаление полоски; е — снятие оболочки; ж — винто- вое надрезание алюминиевой оболочки 211
Для удаления гладкой алюминиевой оболочки режущий ролик ножа поворачивают на 45° относительно его положения при кольце- вых надрезах, укрепляют нож на кабеле и производят винтовой надрез от второго кольцевого надреза до конца кабеля (рис. 7.7, ж). Сжимая оболочку с конца кабеля, надрывают ее по линии винто- вого надреза с помощью пассатижей. На расстоянии Ж разматывают и обрывают по кромке банда- жа 8 поясной изоляции черную полупроводящую бумагу, а затем — кабельную бумагу поясной изоляции. Кабельная бумага является основной изоляцией кабелей высокого напряжения. После намотки на кабель ее пропитывают электроизоляци- онным маслом. При намотке на кабельную жилу ленты из бумаги под- вергаются механическому натяжению, а в процессе укладки кабеля — изгибам, поэтому кабельная бумага должна обладать достаточно высо- кой механической прочностью при растяжении и изгибе. Кабельные бумаги вырабатываются из сульфатной целлюлозы пре- имущественно жирного помола в целях обеспечения высоких механи- ческих свойств, большой плотности и малой пористости. Пропитываю- щие жидкие вещества (масло или маслоканифольный состав) разбива- ются бумагой при пропитке на тонкие пленки и каналы, значительно повышая ее электрическую прочность. Электрическая прочность непро- питанной кабельной бумаги составляет 6...9 МВ/м, а пропитанной транс- форматорным маслом — 70 ...80 МВ/м. Кабельные бумаги, выпускаемые для изоляции жил силовых кабелей на напряжения 35, 110 и 220 кВ, отличаются друг от друга числом слоев, толщиной, объемной массой, воздухопроницаемостью и другими харак- теристиками. Разводка и изгибание жил производятся следующим образом. Перед операцией, проверив, надета ли на кабель заготовка муф- ты или воронки (выправленные и очищенные муфты или ворон- ки должны надеваться на один из соединяемых кабелей в самом начале разделки и располагаться на участке, предварительно обер- нутом чистой тряпкой), на концы изоляции жил накладывают бандажи из ниток. Для изгибания жил используют шаблон. Радиус любого изгиба должен быть не менее десяти диаметров соединяемых жил. Во из- бежание загрязнения и увлажнения изоляции изгибание и разводку жил следует выполнять в полиэтиленовых или медицинских пер- чатках. При разводке все жилы у корня разделки плотно сжимают одной рукой, чтобы не повредить изоляции кромкой оболочки. На расстоянии Г от конца жил (см. рис. 7.6) или И от среза поясной изоляции накладывают бандаж из кабельной пряжи или сухой суровой нитки (2—3 витка), снимают временные бандажи с концов жил, разматывают и обрывают по струне у кромок банда- жей кабельную бумагу. 212
Затем монтируют заземляющий проводник. Он должен быть мед- н им, многопроволочным. Для кабелей с сечениями жил 10, Ю...24, 50... 120, 150...240 мм2 рекомендуемые сечения заземля- ющих проводников соответственно 6, 10, 16 и 25 мм2. Длина заземляющего провода определяется размерами соеди- нительных муфт и видом опорных конструкций концевых муфт и мдслок. При использовании свинцовых соединительных муфт заземля- ющий провод крепится к проводящим оболочкам кабеля только щщдажами. Броню кабеля зачищают и облуживают (обе бронелен- । ы). Заземляющий провод закрепляют на броне бандажом из сталь- । юй проволоки и припаивают к обеим бронелентам и бандажу. Если кабель имеет проволочную броню, то бандаж и броню пропаива- ют кругом. Свободный конец заземляющего провода располагают вдоль неразделанного участка кабеля. Вопросы для самоконтроля 1. 1. Что представляет собой кабель? 2. Что представляет собой провод? 3. Кабели с какой изоляцией вы знаете? II. 1. От чего зависят размеры разделки проводов? 2. Каково основное требование при разделке проводов? 3. Какие инструменты используются при разделке? III. 1. Поясните порядок разделки провода. 2. Поясните порядок разделки кабеля. 3. Как монтируется заземляющий проводник? 7.3. Соединение и оконцовка проводов и кабелей Соединение и оконцовка медных и алюминиевых жил изоли- рованных проводов производятся несколькими способами: опрес- совкой, сваркой (термитной, электрической, контактным разог- ревом, газовой), пайкой, механическим сжимом. Наиболее широ- кое применение получила опрессовка как наиболее дешевая и надежная. Соединение и оконцовку с помощью пайки в настоящее время используют редко, так как пайка хотя и обеспечивает надежность соединения, но трудоемка и требует значительного расхода цвет- ных металлов. Сварка алюминиевых жил контактным разогревом отличается простотой, образованием надежного контакта, но тре- бует наличия электроэнергии. Перспективной является термитная сварка, которая не требует использования громоздкого оборудо- вания и технологически несложная. Выбор способа соединения, ответвления и оконцовки зависит от материала жил, их сечения, 213
рассчетного напряжения и определяется наличием оборудования и материалов. Опрессовку применяют для соединения и оконцовки как мед- ных, так и алюминиевых жил проводов. Однако опрессовка алю- миниевых жил имеет некоторые особенности, так как наличие ок- сидной пленки на них, а также на внутренней поверхности гильз и цилиндрической части наконечников требует тщательной очист- ки соединяемых элементов и специальных средств защиты от даль- нейшего их окисления как в процессе создания контакта, так и во время эксплуатации. Защитным средством контактных поверхностей служит квар- цевазелиновая паста, состоящая из технического вазелина и квар- цевого песка специального помола. При опрессовке твердые ча- стицы кварца разрушают оксидную пленку, способствуя созда- нию надежных точечных контактов, а вазелин препятствует их окислению. При подготовке опрессовки очищенную от остатков изоляции алюминиевую жилу покрывают кварцевазелиновой пастой, зачи- щают ее металлической щеткой, снимают тряпкой грязную смаз- ку и наносят чистую. Трубчатую часть используемых наконечни- ков и гильз также заполняют пастой. Медные наконечники гильзы, а также жилы проводов и кабе- лей достаточно только зачистить до металлического блеска. Различают три способа опрессовки: местное вдавливание, сплош- ное (многогранное) обжатие и комбинированное обжатие. При ме- стном вдавливании образуемые лунки должны быть соосны опрес- совываемой жиле и между собой. При соединении и оконцовке жил проводов опрессовкой не- обходимо обеспечить: соблюдение чистоты контактных поверхностей; требуемое контактное давление; доведение обжатия до необходимых размеров; заданную по инструкции глубину опрессовки; правильный подбор матриц, пуансонов, наконечников или со- единительных гильз; правильное расположение лунок, образуемых в местах вдавли- вания. Требуемое контактное давление обеспечивается правильным вы- бором инструмента для опрессовки (пуансона и матрицы) в соот- ветствии с сечением и маркой жилы, а проверка его измерением глубины вдавливания после опрессовки и сравнением полученно- го значения со значением, приведенным в инструкции. Наконечники или соединительные гильзы также выбираются в соответствии с сечением и типом жилы. Правильность располо- жения лунок, образуемых в местах вдавливания, и расстояний 214
между ними определяется по специальным таблицам. Соединения и о । ветственные ответвления однопроволочных алюминиевых про- IH) юв с жилами сечением от 2,5 до 10 мм2 производятся в гильзах < рии ГАО, при этом максимальное суммарное сечение жил co- in няемых проводов 32,5 мм2. Опрессовка гильз осуществляется од- ним вдавливанием при одностороннем заполнении их жилами и шумя вдавливаниями — при двустороннем. Для соединения и окон- цовки проводов сечением более 10 мм2 применяются гильзы се- рии ГА и наконечники серий ТА и ТАМ. Опрессовка алюминиевых жил производится двумя вдавлива- ниями трубчатой части наконечника и четырьмя гильзы (по два и iaвливания каждой жилы, введенной в гильзу). Медные жилы оп- рессовывают одним вдавливанием в наконечнике и двумя вдавли- ваниями в соединительной гильзе. Запрещается применять нако- нечники, не соответствующие сечению и конструкции жил. Дли- на алюминиевой гильзы и цилиндрической части алюминиевого наконечника обычно больше, чем длина медных гильзы и нако- нечника. Двузубым инструментом два вдавливания выполняются в один прием, а четыре — в два. Опрессовку производят ручными клещами, а также механичес- кими, пиротехническими и гидравлическими прессами с исполь- юванием сменных матриц и пуансонов. Опрессовка алюминиевых жил в гильзах серии ГАО выполняется в определенной последовательности: зачищают концы жил и внутреннюю поверхность гильзы до ме- ыллического блеска и смазывают кварцевазелиновой пастой; надевают гильзу на концы жил; при суммарном сечении жил меньше номинального в гильзу вводят дополнительные жилы; производят опрессовку вдавливанием однозубого пуансона в । ильзу до срабатывания фиксирующего устройства пресс-клещей и ’in до соприкосновения основания пуансона с матрицей (при оюутствии фиксирующего устройства); изолируют опрессованные контактные соединения полиэтиле- новыми колпачками. Оконцовку алюминиевых жил кабелей выполняют в трубчатых наконечниках. Во избежание вытекания кабельного пропиточного состава щель в лопатке наконечника герметизируют двусторонним встречным вдавливанием с образованием полукруглых канавок в п ноской части наконечника. Однопроволочные секторные алюминиевые жилы перед вво- 1ом в наконечник скругляют специальным инструментом, после чего зачищают конец жилы, смазывают его кварцевазелиновой пастой и производят соединение или оконцовку в обычном по- рядке. 215
Соединение многопроволочных алюминиевых жил опрессовкой разрешается только для кабелей с сечением не более 95 мм2, рас- считанных на напряжение не выше 1000 В. Соединение многопро- волочных алюминиевых жил кабелей с любыми сечениями, рас- считанных на напряжение 3... 10 кВ и выше, а также с сечениями более 95 мм2 на напряжение до 1000 В следует производить свар- кой или пайкой. Для опрессовки алюминиевых и медно-алюминиевых кабель- ных наконечников серий ТА и ТАМ, а также алюминиевых со- единительных гильз серии ГА на алюминиевых жилах проводов и кабелей с сечениями от 16 до 240 мм2 выпускается универсаль- ный ступенчатый аппарат (рис. 7.8) в двузубом и однозубом ис- полнении, а для жил с сечениями 120...240 мм2 приспособле- ния УНИ-1А и УНИ-2А соответственно в однозубом и двузубом исполнениях. Однозубым приспособлением опрессовка одного контакта производится за два приема прессами РМП-7 и РГП-7, а двузубым — в один прием прессами РГП-7, РМП-7 и ПГЭП-2. Надежность контактного соединения обеспечивается строгим соблюдением последовательности опрессовки: выбор требуемого типоразмера наконечника или гильзы в соответствии с сечением и конструкцией опрессовываемой жилы (по маркировке на мат- рице инструмента); зачистка жилы и внутренней части нако- Рис. 7.8. Универсальный сту- пенчатый аппарат для оп- рессовки (УСА): 1 — пуансон; 2 — матрица нечника или гильзы и смазывание их кварцевазелиновой пастой; скругле- ние секторных жил; надевание нако- нечника на конец жилы либо введе- ние концов соединяемых жил в гиль- зу; выполнение опрессовки с помо- щью пуансона и матрицы (окончание процесса определяется касанием бор- тика пуансона плечиков матрицы). Остаточная толщина в месте вда- вливания после опрессовки (глубина вдавливания) измеряется специаль- ным инструментом или штангенцир- кулем с насадкой (рис. 7.9), при этом проверяют также качество выполнен- ного соединения. Оконцовка медных многопрово- лочных проводов с сечениями жил 1 ...2,5 мм2 выполняется опрессовкой в кольцевых наконечниках, а соеди- нение — обжатием гребенчатым пу- ансоном и матрицей из комплекта ручных пресс-клещей. Места соедине- 216
Рис. 7.9. Измерение глубины вдавливания после соединения жил опрессовкой штангенциркулем с насадкой (а) и специальным измерителем (б) ния до опрессовки обвертывают тонкой медной или латунной лен- । ой-фольгой. Оконцовка медных многопроволочных проводов больших сече- ннй производится в трубчатых наконечниках способом местного в щвливания. Соединяются медные жилы в трубчатых медных со- единительных гильзах так же, как и алюминиевые, но без исполь- ювания кварцевазелиновой пасты и меньшим (вдвое) числом вдав- ил ваний. Широко применяется новый способ оконцовки и соединения жил, изолированных проводов и кабелей — многогранное обжатие ручным гидравлическим прессом ПГР-20 с комплектом инстру- мента, производящим одновременно шестигранное обжатие и местное вдавливание. Этот способ опрессовки обеспечивает надеж- ный электрический контакт алюминиевых жил проводов и кабе- 1сй с сечениями от 16 до 240 мм2. В связи с широким использованием проводов и кабелей с од- нопроволочными секторными алюминиевыми жилами больших се- 217
чений внедряется новый способ оконцовки, отличающийся про- стотой и экономичностью, — выпрессовка. С помощью специаль- ного пресса порохового действия производят оконцовку жил с сечениями от 16 до 95 мм2, меняя соответственно пуансоны и матрицы. Пресс косвенного действия, т. е. пуансон, перемещаю- щийся под действием пороховых газов, ударяет по жиле, распо- ложенной в матрице, и придает ее концу форму готового нако- нечника за один выстрел. Объемная выпрессовка наконечника из секторной монолитной жилы кабеля производится пиротехничес- ким прессом ППО-95м. При оконцовке однопроволочной жилы путем выпрессовки наконечника необходимо герметизировать место среза изоляции жилы, что производится так же, как и при использовании обыч- ных наконечников. В настоящее время отечественные заводы выпускают кабели ма- рок АСБ и АСБГ новой конструкции — с алюминиевыми комби- нированными секторными жилами с сечениями 120, 150 и 185 мм2. Комбинированная жила представляет собой сплошной сектор с од- ним повивом проволок по его периметру. Соединение и оконцовка таких кабелей производятся способом опрессовки двумя местными вдавливаниями без предварительно- го скругления концов жил и с предварительным их скруглением специальным инструментом. Последнее целесообразно при боль- шом числе соединений и оконцовок, сосредоточенных в одном месте. Сварка — это образование неразъемного соединения деталей их плавлением или совместной деформацией. При соединении и оконцовке алюминиевых жил сваркой лю- бого вида необходимо выполнять некоторые общие требования: предохранять от пережигания отдельные проволоки; защищать изоляцию от перегрева и повреждения пламенем; предотвращать растекание алюминия; защищать места соединения и оконцовки от коррозии, а алю- миний от окисления. Сварку производят только с торцов жил в вертикальном или слегка наклонном положении. Для отвода тепла применяют спе- циальные охладители с комплектом сменных медных или бронзо- вых втулок, устанавливаемых на оголенные участки жил. Во избе- жание растекания алюминия сварка выполняется в специальных формах, при этом выходы жилы из формы уплотняют шнуровым асбестом. При газовой и термитной сварке для защиты изоляции от непосредственного действия пламени используют дисковые стальные экраны. Боковые поверхности отдельных проволок долж- ны быть без следов подплавлений, пережогов и раковин, т.е. в монолитной части соединения их сечение не должно уменьшиться. 218
I ।я защиты алюминия от окисления в процессе сварки и удале- ния пленки окиси алюминия с поверхности свариваемых жил применяются флюсы марок ВАМИ и АФ-4а. Выполненные соеди- нения и оконцовки очищают от остатков флюса и шлаков, про- мывают бензином, покрывают влагостойким лаком и изолируют шитой или пластмассовым колпачком. Электросварка однопроволочных алюминиевых жил сечением до К) мм2 выполняется клещами с угольным электродом без флюса и флюсом. В первом случае сплавление концов жил в монолитный шржень производится в обойме, нагреваемой угольными элект- I х >дами; во втором случае расплавление концов жил (предварительно <.(чищенных, скругленных и покрытых флюсом) производится не- посредственно угольным электродом без обоймы до образования на их торцах шарика расплавленного металла. В обоих случаях ис- । очником электроэнергии для сварки служит паяльный трансфор- матор мощностью 0,5 кВ А со вторичным напряжением 6, 9, 12 В. Электросварку скруток одножильных проводов как алюминие- вых, так и медных с алюминиевыми (с суммарным сечением до 10 мм2) выполняют без применения флюса стационарным полу- чи гоматическим сварочным аппаратом ВКЗ-1, который прекращает варку в момент оплавления проводов на заданную длину. Произ- водительность этого аппарата 2—3 сварки в минуту. Электросварку многожильных проводов и кабелей контактным разогревом осуществляют с помощью угольного электрода и сва- рочного трансформатора со вторичным напряжением 6... 12 В. Существует три разновидности сварочных трансформаторов. В трансформаторах с нормальным магнитным рассеянием (рис. 7.10, а) первичная соь вторичная о>2 и реактивная сор обмотки размещены на ос- новной части 1 магнитопровода. Подвижная же часть 2 магнитопровода, меняя регулируемый зазор 5, изменяет индуктивное сопротивление ре- активной обмотки, включенной последовательно с нагрузкой. Чем боль- ше зазор, тем меньше индуктивное сопротивление обмотки и больше нарочный ток /2. Подвижная часть магнитопровода перемещается с по- мощью электропривода с дистанционным управлением. Такие трансфор- маторы выпускаются на нормальные сварочные токи от 500 до 2000 А. В трансформаторах с подвижными катушками (рис. 7.10, б) переме- щается одна из обмоток, обычно вторичная а>2. При сближении первич- ной и вторичной обмоток магнитная связь между ними усиливается, ток нагрузки растет, и наоборот. Такие трансформаторы рассчитаны на сва- рочные токи от 150 до 600 А. В трансформаторе, схема которого показана на рис. 7.10, в, поворот- ный магнитный шунт 3, расположенный между вторичной о>2 и первич- ной (0| обмотками, закорачивает часть магнитного потока, создаваемого первичной обмоткой, т.е. чем меньше зазор между шунтом и основной частью 1 магнитопровода, тем меньший поток проходит через вторич- ную обмотку и тем меньше сварочный ток /2. 219
Нагрузка Рис. 7.10. Схемы сварочных трансформаторов: а — с нормальным магнитным рас- сеянием; б — с подвижными ка- тушками; в — с магнитными шун- тами; 7, 2 — соответственно ос- новная и подвижная части маг- нитопровода, 3 — поворотный маг- нитный шунт (для покрытия поверхности Соединение многопроволочных алюминиевых жил производится в два приема: сначала концы соединя- емых жил сплавляются в монолит- ный стержень, а затем они сварива- ются в открытой форме. При окон- цовке конец жилы вводится в гильзу наконечника и сплавляется с верх- ней выступающей частью гильзы в общий монолитный стержень. Элек- тросварка контактным разогревом в основном применяется для соедине- ний и ответвлений алюминиевых про- водов малых сечений, особенно на линиях стендовой заготовки освети- тельных электропроводок. При окон- цовке алюминиевых жил проводов и кабелей метод контактного разогре- ва не используется, поскольку мало- производителен и требует примене- ния литых алюминиевых наконеч- ников. Для сварки многопроволочных жил требуются: охладители со смен- ными втулками для жил разных се- чений и проводами для подключе- ния; открытые формочки (стальные или угольные для сварки жил встык или разъемные для сплавления жил в монолит); присадочные прутки (из алюминия или меди диаметром 3... 8 мм); асбестовый шнур (или ли- стовой асбест толщиной 2...3 мм) для уплотнения формочек; флюсы свариваемых жил с целью удаления окиси металла, образующейся в процессе сварки). Кроме электросварки угольным электродом существует сварка в среде защитного газа. Например, оконцовку алюминиевых жил сечением от 16 до 240 мм2 выполняют в наконечниках серии ШАС, которые приваривают к жиле полуавтоматом типа ПРМ или руч- ной аргонно-дуговой сваркой неплавящимся (вольфрамовым) электродом, без применения флюсов. При этом в качестве защит- ного газа от кислорода воздуха используется аргон первого сорта А, а для пополнения сварочной ванны металлом служит приса- дочная проволока из алюминиевого сплава марки СвПК5. 220
Надежным способом соединения алюминиевых жил проводов и кабелей является газовая сварка, при которой соединение и оконцовка жил алюминиевых проводов выполняются в пламени । орючих газов: ацетилена, бензинокислородной смеси или про- паи-бутана. Смесь пропан-бутана отличается от других газов спо- собностью сжижаться при небольших давлениях, а также высо- кой теплотворной способностью. Небольшое внутреннее давление жиженной смеси пропан-бутана позволяют хранить и перевозить се в малогабаритных тонкостенных баллонах. Соединение жил алюминиевых проводов и кабелей с сечения- ми от 16 до 240 мм2 может выполняться также пропанокислород- н ой сваркой в стальных формах с помощью многопламенной го- релки, при этом горючим газом является пропан, а окислителем — кислород. В этом случае применяют флюс марки ВАМИ и Приса- ночную сварочную проволоку марок СвАК5 или СвА5С с диамет- ром 2 и 4 мм в зависимости от сечения жил. Интенсивное рассеяние тепла в окружающее пространство при । азовой сварке (особенно при многопламенной пропанокислород- ной) вызывает необходимость ограждения зоны сварки асбесто- выми экранами, устанавливаемыми вплотную к торцам форм. Ох- кщители закрепляются на оголенных участках жил за экранами, при этом изоляцию свариваемой жилы за охладителем защищают । истовым асбестом на расстоянии не менее 100 мм. На остальные жилы надевают поливинилхлоридные трубки и экранируют их 1 истом асбестового картона. Возможность постепенного отвода горелки при завершении сварки позволяет заполнить возникающие при кристаллизации металла усадочные раковины в соединении подплавленным к ним присадочным материалом. Вместе с тем общее время сварки долж- но быть минимально возможным во избежание перегрева жил и порчи изоляции проводника. Газовая сварка так же, как и электрическая, производится в два приема: сначала сплавляют концы многопроволочных жил в мо- нолитный стержень, а затем сваривают между собой монолитные жилы. При оконцовке жил наконечником расплавляют верхнюю часть его гильзы (венчик) вместе с торцом алюминиевой жилы. Для газовой сварки выпускают наборы инструментов и приспо- соблений, например для пропан-воздушной — набор НСП-1, со- стоящий из двух баллонов, газовоздушной горелки и резинового шланга с краном. Пропан-бутановые горелки успешно применя- ются при выполнении соединений свинцовой оболочки кабеля с корпусом свинцовых муфт и сварке заземления оболочки кабелей. Скрутки алюминиевых проводов с сечениями до 10 мм2 в короб- ках свариваются с помощью пропан-бутановой горелки с остро- направленным пламенем. 221
Пропан-бутан обладает резким неприятным запахом, вызыва- ющим раздражение и воспаление слизистой оболочки носоглотки и глаз, а также головную боль, поэтому работающим с этим га- зом надо строго соблюдать правила техники безопасности: рабо- тать с пропан-бутановой горелкой только при включенной венти- ляции, а в кабельных туннелях и колодцах — в присутствии на- блюдающего лица. Сжиженный пропан-бутан, попав на тело, может вызвать об- мораживание, поэтому его необходимо быстро смыть водой. Пайка и соединение сжимами. Технологический процесс обра- зования неразъемного соединения металлических деталей нагре- вом и заполнением зазора между ними расплавленным припоем, образующим после кристаллизации (застывания) прочный механи- ческий спай (шов), называется пайкой. В процессе пайки происхо- дят взаимное растворение и диффузия припоя и основного метал- ла, чем обеспечивается после затвердевания определенная механи- ческая прочность места соединения. В отличие от сварки при пайке основной металл соединяемых деталей не расплавляется, так как температура плавления припоя всегда ниже температуры плавле- ния соединяемых металлов. Спаиваемые детали нагреваются паяль- ником, газовой горелкой, в печах, токами высокой частоты. Для выполнения контактных соединений преимущественно ис- пользуются сварка и опрессовка. Пайку же применяют в качестве основного метода лишь при выполнении ответвлений медных жил с сечениями 16... 185 мм2. В остальных случаях пайка применяется лишь при невозможности сварки или опрессовки. Пайка отличается простотой технологии, но она очень трудо- емка. При соблюдении всех технологических требований припой обеспечивает высокую адгезию материалов соединяемых жил, чему способствует применение флюсов, которые в соединении с окис- лами образуют шлаки и препятствуют окислению, а также повы- шают жидкотекучесть припоев. Пайку выполняют пропан-бутановой горелкой или бензино- вой паяльной лампой с использованием следующих припоев: для алюминиевых жил — оловянистого марки А (олова — 40 %, цин- ка — 58,5 %, меди — 1,5 %) с температурой плавления 400...425 °C, цинкоалюминиевого марки ЦА-15 (цинка — 85%, алюминия — 15%) с температурой плавления 550...600°C и цинкооловянис- того марки ЦО-12 (олова — 12 %, цинка — 88 %) с температурой плавления 500...550°C, а для медных — оловянисто-свинцового марки ПОССу-35-0,5 (олова — 34...36 %, сурьмы — 0,2...0,5 %, ос- тальное — свинец) с температурой плавления 245 °C или марки ПОССу-40-0,5. В качестве флюса при пайке медных жил, а также проводников заземления к броне и свинцовой оболочке кабелей применяют 222
паяльную пасту (10 мае. ч. канифоли, 3 мае. ч. хлористого цинка и I мае. ч. воды или этилового спирта), канифоль, паяльный жир и 1 сарин. При оконцовке алюминиевых жил используется флюс марки ВАМИ (хлористого калия — 50...55 %, хлористого натрия — Ю...35% и криолита марки К-1 — 20... 10%), а для соединения а поминиевых жил кабелей в муфтах — флюс марки АФ-4А (хло- ристого калия — 50 %, хлористого натрия — 28 %, хлористого ли- ши — 14 %, фтористого натрия — 8 %). Температура плавления обоих Ф носов около 600 °C. Припои, представляющие собой чистые металлы или сплавы и при- меняющиеся в качестве связующих веществ при пайке, должны иметь 1смпературу плавления значительно ниже, чем соединяемые им метал- шческие части. Припои делятся на легкоплавкие и тугоплавкие. Легко- плавкие (мягкие) припои имеют температуру плавления ниже 500 °C, а । у го плавкие (твердые) выше 500 °C. В марках припоев буква П, расположенная на первом месте, обознача- е г припой, стоящие за ней буквы — название элемента (О — олово, Су — сурьма, С — свинец, А — алюминий, Ср — серебро, М — медь, Кр — кремний, Ви — висмут, Зл — золото, К — кадмий), а цифры указывают процент содержания в нем массы основного металла. Например, ПОС-40: припой оловянно-свинцовый с содержанием олова 40 % (по массе). Оловянно-свинцовые припои обладают большой текучестью и хорошо проникают в самые тонкие швы, хорошо схватываются с большинством металлов (медью, латунью, сталями, цинком) и обеспечивают достаточ- но высокую прочность паяных швов. Припои с содержанием олова менее 15 % применяются для пайки деталей, не требующих обеспечения боль- шой механической прочности. Оловянно-свинцовые припои с большим содержанием висмута (50...57 %) обладают наиболее низкой температу- рой плавления (79...95°C), но паяные ими швы хрупкие. К тугоплавким припоям относятся медно-цинковые (ПМЦ-54, ПМЦ-48 н др.) и медно-серебряные сплавы (ПСр-72, ПСр-70, ПСр-50 и др.), а |акже сплавы алюминия с медью, цинком и кремнием. Наиболее широ- ко применяются медно-серебряные припои. Они отличаются малым удель- ным электрическим сопротивлением, поэтому широко применяются для пайки токопроводящих частей из черных и цветных металлов, которые хорошо смачиваются ими, и образуют механически прочные и коррози- онно-стойкие швы. Припои на алюминиевой основе с добавками меди, кремния и олова отличаются повышенной механической прочностью и стойкостью к кор- розии. Эти припои применяются для пайки алюминиевых проводов и других деталей из алюминия и его сплавов. Медно-цинковые припои, хрупкие и не стойкие к вибрациям и удар- ным нагрузкам, имеют очень маленькое электрическое сопротивление и применяются для пайки деталей из меди, латуни, бронзы и сталей. Кроме припоя для пайки необходимы флюсы. Их назначение заклю- чается в очистке поверхностей спаиваемых металлов от оксидов и других загрязнений и предохранении их от окисления в процессе пайки. 223
Флюсы могут быть твердыми порошкообразными (бура, борная кис- лота, канифоль и др.) или жидкими (водный раствор хлористого цинка, спиртовой раствор канифоли и др.). Иногда применяются полужидкие флюсы-пасты. При пайке меди, латуни и бронз легкоплавкими припоями на свин- цовой основе применяются флюсы, не вызывающие коррозии образуе- мых швов. Это канифоль, раствор канифоли в этиловом спирте и другие составы на основе канифоли. Так как канифоль является слабоактивным флюсом, поверхности спаиваемых металлов должны быть тщательно за- чищены перед ее нанесением. При пайке твердыми припоями, плавящимися при температуре выше 500 °C, канифоль и другие легко расплавляющиеся при высокой темпе- ратуре флюсы применять нельзя. При высокотемпературной пайке ста- ли, меди и медных сплавов (латуни, бронзы и др.) в качестве флюсов чаще всего используют буру или смеси ее с борной кислотой и другими солями. Для пайки алюминия, легко окисляющегося на воздухе, приме- няют особо активные флюсы, которые могут растворять плотную пленку оксидов. Таким флюсом является состав из хлористого лития, фтористо- го натрия, хлористого цинка и хлористого калия. При выборе флюса необходимо иметь в виду, что температура плавления твердого флюса долж- на быть ниже температуры плавления припоя, а температура пайки — ниже температуры термического разложения флюса. Во избежание кор- розии швов, паяных твердыми припоями, остатки флюса удаляются с помощью горячей воды и щетки. Соединение и ответвление однопроволочных жил алюминиевых проводов с сечениями 2,5... 10 мм2 выполняются двойной скрут- кой с желобом и пайкой, а многопроволочных жил с сечениями от 16 до 150 мм2 — непосредственно оплавлением припоя в разъем- ной форме или поливом предварительно расплавленного припоя. Перед пайкой концы жил облуживаются ступенчато по пови- вам. Стальные формочки закрепляются на жилах проводов прово- локой. Место соединения прогревается и в пламя вводится пруток припоя, который, расплавляясь, заполняет форму через литни- ковое отверстие. После остывания формочки снимают, неровнос- ти припоя зачищают напильником и протирают чистой тряпкой, смоченной в бензине. Пайку можно выполнять и без предваритель- ного облуживания способом полива расплавленного припоя, на- пример пайка соединений медных жил производится в медных со- единительных гильзах поливом расплавленного припоя с исполь- зованием флюса (канифоли). Оконцовка многопроволочных алюминиевых жил выполняет- ся непосредственным оплавлением припоя в литых наконечниках серии ЛА, а медных — в штампованных наконечниках серии П. Соединение, ответвление и присоединение алюминиевых и мед- ных жил проводов и кабелей могут выполняться также с помо- щью болтовых и винтовых сжимов. 224
Рис. 7.11. Люстровый зажим КЛ2,5: 1 — основание зажима (планка); 2 — шайба, ограничивающая выдавливание алюминиевой жилы; 3 — пружинящая шайба; 4 — винт; 5 — крышка зажима; 6 — электропровод осветительной ар- матуры; 7 — электропровод сети; 8 — корпус зажима Соединение электропроводов сети с арматурными проводами светильников осуществляется с помощью люстровых зажимов КЛ 2,5 в следующем порядке (рис. 7.11): зачищают концы проводов, смазывают их кварцевазелиновой настой и придают вид кольца; надевают на винт 2 пружинящую шайбу 3 и прямоугольную шайбу 4 с отбортовкой и присоединяют провода 6 и 7 к соедини- i ильной планке 5, сжимая их винтами 2; соединение вкладывают в корпус 8 зажима и закрывают крыш- кой 7, не изолируя, поскольку корпус зажима и крышка выпол- нены из изолирующего материала. Ответвления от магистральных алюминиевых проводов с сече- ниями от 4 до 150 мм2 алюминиевыми и медными проводами с сечениями от 1,5 до 95 мм2 выполняют с помощью специальных сжимов (рис. 7.12) в разъемных карболитовых корпусах. Ответвле- ния от магистральной сети производят без ее разрезания в следу- ющем порядке: снимают изоляцию с магистрального провода и конца ответ- вительного провода по размеру контактной части; <Н Нестеренко 225
Рис. 7.12. Разветвительные сжимы в изоляционных корпусах: а, в — тройниковые; б — крестообразный зачищают до блеска оголенную часть алюминиевых жил и сма- зывают их кварцевазелиновой пастой; разбирают зажим и протирают его контактные части; надевают контактные части на зачищенный участок магистраль- ного провода; вводят в зажим ответвительный провод перпендикулярно ма- гистральному; затягивают зажим равномерно на все четыре контактных винта; собирают корпус зажима и стягивают его пружинными или резь- бовыми кольцами. Присоединение алюминиевых однопроволочных проводов с се- чениями 2,5... 10 мм2 к контактным зажимам (рис. 7.13) выпол- няется через пружинные шайбы (шайбы-звездочки), обеспечи- вающие постоянное давление на присоединяемые провода и пре- дохраняющие их от выдавливания из-под контактного зажима. Присоединение выполняют в следующем порядке: снимают изоляцию с конца присоединяемой жилы, зачищают ее наждачной бумагой и смазывают кварцевазелиновой пастой; свертывают подготовленный конец провода в кольцо и присо- единяют к контактной пластине зажима шайбой-звездочкой с по- мощью винта с гайкой. Контактные зажимы имеют гальваническое покрытие. 7.4. Контроль качества контактных соединений Объективным и прямым методом контроля качества контакт- ного соединения является измерение его переходного сопротив- ления или падения напряжения на нем и сравнение полученных данных с нормативными. Наряду с этим контактное соединение 226
Рис. 7.13. Детали для присоединения алюминиевых проводов к зажи- мам (а) и выполненные подсоединения проводов к наборному за- жиму (б), выводу измерительного прибора (в), выводу катушки (г) и зажиму счетчика (д) осматривают, используя в необходимых случаях лупу, а также из- меряют с помощью специальных инструментов. В особо ответствен- ных случаях для контроля качества сварки сборных шин РУ при- меняют рентгенодефектоскопию, гаммадефекгоскопию и другие пособы. Сварные соединения считаются непригодными, если наблюда- югся пережоги проволок наружного повива, нарушения целости металла шва при перегибах соединения или усадочные раковины । |убиной более 1/3 диаметра жилы. Опрессованные контактные соединения бракуются при несо- огветствии их геометрических размеров требованиям инструкций по монтажу, наличии на поверхности соединителя трещин, меха- нических повреждений или следов коррозии, а также если кри- визна опрессованного соединителя более 3 % его длины. При любом типе соединения главным критерием брака явля- ется превышение более чем в 1,2 раза переходного сопротивления или падения напряжения на участке контакта по сравнению со зна- чениями тех же величин, измеренных на участке той же цепи и 227
такой же длины, но не имеющем соединения. Измерение произ- водится микровольтметром или микроомметром. Широко применяется для контроля качества опрессованных со- единений измерение остаточной толщины в месте вдавливания (см. рис. 7.9) и сравнение полученных значений с нормами. Контролю должны подвергаться 3...5% соединений сборных шин, выполненных опрессовкой, и 5... 10% соединителей высо- ковольтных линий. Вопросы для самоконтроля I. 1. Что такое опрессовка? 2. Дайте определение сварки. 3. Что такое пайка? 4. Что представляет собой соединение сжимами? И. 1. Какие инструменты используются для опрессовки? 2. Какие инструменты применяются для газовой сварки? 3. В каких случаях используется пайка? III. 1. Выполнение каких требований необходимо обеспечить при выпол- нении опрессовки? 2. Каков порядок выполнения опрессовки? 3. Какие требования необходимо выполнять при сварке? 4. Поясните особенности газовой сварки. 5. Каков порядок выполнения соединения сжимами? 6. Как производят контроль качества контактных соединений?
Глава 8. МОНТАЖ ЭЛЕКТРОПРОВОДОК 8.1. Классификация электропроводок Электропроводки по способу выполнения подразделяются на открытые и скрытые. Открытой называется электропроводка, про- ложенная по поверхности стен, потолков, ферм, станин машин, а скрытой — электропроводка, проложенная в конструктивных эле- ментах зданий (стенах, потолках, полах, фундаментах и т.д.). От- крытая электропроводка может быть стационарной, передвижной и переносной. Наружными являются электропроводки, проложенные по на- ружным стенам зданий и сооружений, под навесами, а также между зданиями на опорах (не более четырех пролетов до 25 м каждый) вне улиц, дорог. Наружная электропроводка может быть открытой и скрытой, иметь различные конструктивные формы, определя- ющие методы ее монтажа с учетом условий окружающей среды, правил техники безопасности, пожарной безопасности и других факторов. Открытые электропроводки выполняются на изолирующих опо- рах, непосредственно на строительных основаниях, лотках, тро- сах, а скрытые — в металлических и неметаллических трубах, под штукатуркой, в замкнутых каналах строительных конструкций зданий, замоноличенными в строительные конструкции при их из- готовлении, в глухих коробах. Внутрицеховые осветительные сети напряжением до 1000 В могут иметь и открытые, и скрытые элек- тропроводки, но предпочтительнее открытые беструбные проводки как менее трудоемкие, более экономичные и отвечающие требо- ваниям индустриального монтажа (предварительная заготовка и комплектация узлов и деталей проводок на технологических ли- ниях в мастерских монтажных организаций). Так как промышлен- ные здания сооружают главным образом из сборных железобетон- ных конструкций, к которым крепление затруднено, чаще исполь- зуются электропроводки, требующие меньшего числа креплений к строительным частям, например тросовые, в лотках и др. Предварительная стендовая заготовка открытых электропрово- док, наличие большой номенклатуры монтажных изделий и дета- лей, позволяющей комплектовать крупноразмерные узлы и целые линии из заранее заготовленных элементов сети, а также возмож- ность применения ряда механизмов и приспособлений на монтаж- 229
ной площадке обеспечивают высокую степень индустриализации монтажа открытых беструбных электросетей цехов промышленных предприятий. 8.2. Монтаж открытых беструбных электропроводок Открытые беструбные электропроводки для осветительных сетей выполняются проводами с резиновой и пластмассовой изоляцией и небронированными кабелями с небольшими сечениями (до 16 мм2). Прокладка электропроводок на изоляторах. Простейшим спосо- бом выполнения открытых проводок является прокладка прово- дов на изолирующих опорах — роликах, клипах и изоляторах. Эта устаревшая конструктивная форма электропроводок имеет ряд не- достатков: трудоемкость выполнения, недолговечность, плохое со- четание с методами индустриального монтажа. Электропроводки на роликах в настоящее время не применя- ются (только в сельских районах), а изоляторы используются для линий общего освещения в цехах промышленных предприятий или для открытых магистралей в зданиях цехов, имеющих мостовые краны, обеспечивая удобство ремонта и смены ламп в светильни- ках, укрепленных на одной высоте с проводкой. Для открытых электропроводок наиболее часто применяются: установочные незащищенные провода с резиновой изоляцией ма- рок АПР, АПРВ, АПН, АППР и с пластмассовой изоляцией ма- рок АПВ, АПП, АППВ, АЛПП; защищенные в металлической оболочке с резиновой изоляцией провода марки АПРФ; небро- нированные кабели марок АВРГ, АНРГ, АСРГ с резиновой изо- ляцией и марок АВВГ, АПВГ с пластмассовой изоляцией. Установочные провода (приложение 3) применяются для пе- редачи электрической энергии в силовых и осветительных сетях при неподвижной прокладке их внутри и вне помещений и могут быть с медными и алюминиевыми однопроволочными и много- проволочными (гибкими) токопроводящими жилами. Установочные провода могут иметь изоляцию из резины или гибких пластмасс (полиэтилена, пластиката поливинилхлоридно- го), а в некоторых случаях их основная резиновая изоляция за- ключается в оплетку из хлопчатобумажной пряжи, пропитанной противогнилостным составом. Вид и толщину изоляции определяют расчетные напряжения проводов: 380 и 660 В переменного тока. Интервалы рабочих температур проводов: с резиновой изоля- цией от -40 до +65 °C; с резиновой изоляцией на основе бутил- каучука от -40 до +85 °C; с пластмассовой изоляцией от -50 до +70 °C и с изоляцией из кремнийорганической резины от -60 до + 180 °C (провод марки РКГМ и др.). 230
Толщина резиновой изоляции установочных проводов на на- пряжение 380 В составляет 0,6...0,8 мм, на напряжение 660 В — 1.2... 1,8 мм, толщина изоляции из поливинилхлоридного пласти- ката и полиэтилена проводов на напряжение 380 В составляет 0,6... 1,6 мм, а на напряжение 660 В — 0,8... 1,8 мм и зависит в обо- их случаях от сечения токопроводящей жилы. Прокладка проводов и кабелей на стальных полосах и натянутой стальной проволоке (струне). Открытая прокладка проводников не- посредственно по строительным основаниям вследствие необхо- 1и мости выполнения значительного числа промежуточных креп- 1сний определяет повышенный объем трудоемких пробивных и Фугих заготовочных работ на монтажной площадке. Поэтому про- кладку проводников по строительным поверхностям стали часто осуществлять не непосредственно, а на подкладных несущих сталь- и ых полосах или натянутой проволоке-струне. Электропроводки । акой конструкции называются струнными. Провода марок АППВ, ППП и АППР, имеющие плоскую форму, рекомендуется про- кладывать на несущих полосах. В качестве несущих применяются стальные монтажные перфорированные полосы К200; стальные 1енты (шириной 16 мм, толщиной 0,8 мм); полосы (шириной 15...30 мм, толщиной 0,8... 1,5 мм), нарезанные из стального ли- ста, оцинкованные или окрашенные (изделие МЭЗ), а также лента горяче- или холоднокатаная стандартная (шириной 20...30 мм, толщиной 1,5...3 мм) оцинкованная либо окрашенная. Крепление полос и лент производится вплотную к основанию но всей длине трассы, за исключением поворотов. Расстояние меж- iy точками крепления полосы к основанию должно составлять 0,8... 1 м, а от концов 0,05...0,07 м (рис. 8.1). К кирпичным и бе- тонным основаниям полосы крепятся стальными дюбель-гвоздя- ми, забиваемыми строительно-монтажными пистолетами или руч- ными оправками. При наличии в полосе отверстий возможно также крепление ее шурупами с распорными пластмассовыми дюбелями. К металлическим конструкциям и закладным деталям полосы крепятся электросваркой (прихватываются в отдельных точках). До- пускается вместо полос илц лент применять стальную горячека- таную оцинкованную или окрашенную проволоку (катанку) диа- метром 5... 8 мм. Крепление концов такой проволоки к основанию выполняется с помощью концевых анкерных пластинок пристрел- кой или приваркой к металлическим закладным деталям и конст- рукциям. Измерив длину отдельных участков проводки подготовленной трассы, производят заготовку проводов и кабелей соответствую- щей длины с запасом для входа в коробки и электроустановочные изделия. Мерные отрезки кабеля прокладывают по трассе, пропус- кают через проходы и закрепляют бандажными полосками К404 и 231
.0,05... 0,07 м/ 2 0,8... 1,0 м 0,8... 1,0 м 0,05.„0,07 м Рис. 8.1. Крепление кабелей на стальных полосах и лентах: 1 — полоса; 2 — дюбель-гвоздь; 3 — кабель; 4 — бандажная полоска с пряжкой К405 с пряжками К407 или плоскими полосками-пряжками К395 и вводят в соединительные коробки, устанавливаемые на первой стадии монтажа во время подготовки трассы. Несущие стальные полосы и проволока подлежат обязательно- му заземлению или занулению (кроме тех, по которым проклады- ваются кабели с заземленной или зануленной металлической обо- лочкой либо броней). С целью сокращения трудозатрат монтаж электропроводок ре- комендуется вести индустриальными методами с предварительной заготовкой стальных полос и приваркой бандажных полосок в МЭЗ. Прокладку проводов и кабелей на струнах производят по бе- тонным, кирпичным, керамическим и металлическим основани- ям в цехах, служебных помещениях, коридорах и подвалах произ- водственных зданий. В качестве несущей струны применяют стальную оцинкованную проволоку диаметром 2...3 мм. Диаметр струны, расстояния меж- ду концевыми и промежуточными креплениями и другие конст- руктивные размеры проводок определяются сечениями проклады- ваемых проводов и кабелей (табл. 8.1). В качестве концевых натяжных креплений применяют специ- альные струнные анкеры или натяжные муфты. Крепление струн- ных проводок к строительным основаниям производится стальны- 232
Таблица 8.1 Конструктивные размеры осветительных электропроводок Сечение провода или кабеля, мм2 Диаметр струны, мм Максимальное расстояние между концевыми креплениями струны, м Расстояние между промежуточными креплениями струны, м с натяжным устройством без натяжного устройства 2,5 2 — — 1 4...6 3 40 3 1,5 Примечания: 1. В пакете на одной струне не должно быть более двух кабелей. 2. Струны линии должны быть цельными и не иметь скруток и каких-либо других соединений. ми дюбель-гвоздями, забиваемыми с помощью строительно-мон- тажного пистолета, дюбелями типа ДГР (кроме оштукатуренных оснований), забиваемыми с помощью ручных оправок, или пласт- массовыми распорными дюбелями с шурупами. Струны диаметром до 3 мм рекомендуется крепить без натяж- ных устройств, а последовательно натягивая их на промежуточные крепления, т. е. обертывая вокруг выступающей на 5 мм из стро- ительного основания части дюбеля или шурупа. При этом рас- стояние между концевыми креплениями не ограничивается. При использовании натяжных устройств концевые крепления струн, выполненные в виде анкерных пластинок, прикрепляются к ос- нованию двумя стальными дюбелями или шурупами. Концевые крепления струн на спусках и ответвлениях следует совмещать с промежуточными креплениями магистральной стру- ны, ответвительными коробками, а также с креплением выклю- чателей, розеток и других аппаратов (рис. 8.2). Ответвительные ко- робки могут крепиться на струне и строительном основании. Провода и кабели крепятся к струне металлическими полоска- ми с пряжками или перфорированной монтажной лентой из по- ливинилхлоридного пластиката с кнопками; расстояние между точ- ками крепления 500 мм. На вертикальных участках применять ме- таллические бандажные полоски не рекомендуется. Поливинилхлоридный пластикат — гибкий, эластичный материал, выпускаемый в виде рулонов лент толщиной от 0,8 до 2,5 мм и шириной до 400 мм или листов толщиной от 1 до 5 мм. Широко применяется в качестве основной изоляции монтажных проводов, а также для изготов- ления защитных оболочек — шлангов кабелей. Из него также изготавли- ваются гибкие изоляционные трубки и липкая изоляционная лента. 233
Рис. 8.2. Заготовка под струн- ную проводку: 1 — концевой анкер; 2 — ан- кер для ответвительной короб- ки; 3 — анкер для штепсель- ной розетки Крепление подвесной осветительной арматуры может совмещаться с проме- жуточным или анкерным креплением струны; допускается осветительную ар- матуру массой до 2 кг крепить непос- редственно на струне диаметром не ме- нее 3 мм. Струнные электропроводки должны заземляться в двух точках, т. е. на концах линии; использование струн в качестве заземляющих проводников не допускается. В целях снижения трудозатрат и по- вышения уровня индустриализации мон- тажа струнные проводки рекомендуется заготавливать на технологических лини- ях в МЭЗ и в укомплектованном виде по- ставлять на объект. Наибольшее распро- странение получили два способа заготов- ки струнных проводок: отдельными уча- стками с закрепленными на струнах про- водами и кабелями, ответвительными коробками, ответвлениями небольшой длины к светильникам, выключателям и розеткам; раздельная заготовка струн с анкерными креплениями и узлов электропроводки с ответвительными коробками, ответв- лениями с подключенными выключателями, розетками и освети- тельной арматурой без стекла. Заготовленные струнные проводки доставляются на объекты в бухтах диаметром не менее 1 м. Конструкция струнных электропроводок позволяет производить полную заготовку их элементов в МЭЗ на технологических лини- ях, собирать готовые узлы в плети длиной до 40 м, свертывать их в бухты или наматывать на вертлюги для доставки на монтажную площадку. Вопросы для самоконтроля I. 1. Какие бывают электропроводки? 2. Какие применяются провода для открытых электропроводок? 3. Что представляет собой струнная электропроводка? 4. Из чего изготавливаются несущие стальные полосы? II. 1. Где используют электропроводки на изоляторах? 2. Какова последовательность выполнения прокладки проводов на трассе? 3. Где производят прокладку проводов и кабелей на струнах? III. 1. Как крепятся полосы и ленты к основанию? 234
2. Как крепятся провода и кабели к струне? 3. Объясните, почему нельзя использовать струну для ее заземления? 4. Какой инструмент используется для монтажа открытых беструбных »юктропроводок? 8.3. Монтаж открытых электропроводок из защищенных кабелей и трубчатых проводов Небронированные защищенные кабели небольших сечений (до 16 мм2) с резиновой и пластмассовой изоляцией прокладывают преимущественно в цехах промышленных предприятий, в том чис- le во взрывоопасных зонах некоторых классов. Трубчатые провода с оболочкой из луженой стальной или алюминиевой ленты при- меняются для прокладки только в помещениях с нормальной сре- юй и имеют повышенную стойкость к механическим поврежде- ниям. Для непосредственной прокладки по строительным основани- я м применяются кабели марок АВРГ, АНРГ, АСРГ с резиновой изоляцией, марок АВВГ, АПВГ с пластмассовой изоляцией в об- шей оболочке и защищенные провода марок АПРФ, ПРФ и ПРФЛ. Защищенные кабели и трубчатые провода прокладываются не- । юсредственно по строительным основаниям. Разметку трасс и мест расположения щитков, светильников, коробок и других элемен- । ов осветительных электроустановок выполняют по нормирован- ным размерам: расстояния между точками крепления при горизон- тальной прокладке должны быть не более 500 мм, а при вертикаль- ной 700... 1000 мм; крепление производят на расстоянии 10... 15 мм от изгиба трассы и 50... 100 мм от ввода в коробки, а также у при- боров, проходов и др. Высота прокладки трассы от уровня пола до площадки обслуживания не нормируется. Радиусы изгибов небро- нированных кабелей сечением до 16 мм2 и трубчатых проводов юлжны быть не менее шести их наружных диаметров. Для одиночных кабелей и проводов, прокладываемых по гори- юнтальной трассе, разметку выполняют скобками с одной лап- кой, размещаемой ниже провода или кабеля; по вертикальной на стене — скобками с двумя лапками (допускается и с одной); на потолках, углах и в конце трассы (у вводов) — также скобками с пзумя лапками. Скобки устанавливаются и на прямолинейных уча- стках трассы, и на поворотах перпендикулярно осевой линии про- вода, отдельного кабеля или пучка. Пересечения защищенных кабелей и проводов между собой и с другими проводами выполняются в оштукатуренных открытых бороздах и изоляционных трубках, надеваемых на один из них. При проходах через междуэтажные перекрытия должна предусматривать- ся защита кабеля от механических повреждений до высоты 1,5 м от 235
уровня пола; в электротехнических помещениях такая защита не обязательна, так как в них нет доступа посторонним людям. Одновременно с подготовкой трасс для прокладки проводов и кабелей на объекте в мастерских заготавливаются проводки: про- вода правятся, разделываются на отрезки, с их концов снимается изоляция, производятся изгибание жил, образование на их кон- цах колец, ввод концов проводов в соединительные коробки, со- единение, оконцовка жил проводов и изолирование мест соеди- нений, а также проверка схемы и пометка нулевой жилы. Перед вводом в осветительную коробку разделывают концы ка- беля, подготавливая их для соединения, ответвления внутри ко- робок и присоединения к электроприемникам. Заготовленные провода и кабели прокладывают по подготов- ленным трассам. Крепление электропроводок из небронированных кабелей с ма- лыми сечениями и трубчатых проводов к строительным основа- ниям производится следующими способами (рис. 8.3): металлическими скобами непосредственно к основанию; на несущей стальной полосе металлическими полосками с пряж- ками, приваренными точечной сваркой, или лентой с кнопками; на струнах бандажными металлическими полосками или поли- винилхлоридной лентой с кнопками; бандажными полосками к специальным держателям, прикле- енным к основанию; пластмассовыми скобками. Новым крепежным изделием является полиэтиленовый закреп, который состоит из основания с двумя ушками для закладывания бандажных лент или зубчатых полосок-пряжек. Закреп устанавли- вают на основаниях с помощью распорных дюбелей или дюбелей- гвоздей, забиваемых с помощью оправки (рис. 8.4). Кроме того, небронированные кабели для осветительных элек- тропроводок могут быть проложены на лотках, натянутом тросе и в коробах. Металлические скобы для крепления к основанию с одной или двумя лапками изготавливаются штамповкой с ребром жесткос- ти. При креплении к основанию распорными дюбелями с шуру- пами (винтами) скобы с двумя лапками навешивают на один из шурупов, а при горизонтальных трассах — на нижние шурупы. Скобы могут также закрепляться дюбель-гвоздями забивкой их вручную. При использовании для прокладки кабелей пластмассовых (из полиэтилена или капрона) пружинящих скобок, кабель заклады- вают отогнув скобку, предварительно прикрепленную дюбелем к основанию. Скобка прижимает кабель к основанию благодаря своим пружинящим свойствам. 236
Рис. 8.3. Способы крепления небронированных кабелей и проводов: а — металлическими скобами; б — на несущей полосе лентой с кнопкой или металлической полоской с пряжкой; в — на струнах лентой с кнопкой или ме- таллической полоской с пряжкой; г — приклеиванием держателя бандажных полосок; д — пластмассовыми пружинящими скобками Выполнение трех креплений кабеля непосредственно на од- ном метре основания требует значительных усилий. Поэтому пре- имущественное распространение получили другие способы креп- ления. Широко применяется крепление кабеля на стальных полоса^ или проволоке, прикрепленных вплотную к основанию. В качестве не- сущей полосы используют монтажные перфорированные полосы или ленты шириной 16 мм и толщиной 0,8 мм, отрезки полос из отходов стального листа или ленту шириной 20...30 мм и толщи- ной 0,8... 1,5 мм. Ленты и полосы прокладывают по трассе сплош- ной линией или с разрывами и прикрепляют к основанию дюбель- гвоздями с помощью строительно-монтажного пистолета, пиро- технической или ручной оправки, а также винтами на распорных дюбелях.
в) Рис. 8.4. Полиэтиленовый закреп для бандажных полосок: а — общий вид; б — установка закре- па; в — крепление проводов Допустимые расстояния меж- ду точками крепления полосы — 0,8... 1 м, от ее концов до край- них точек крепления 50...70 мм, а разрывы между концами сосед- них полос до 300 мм. Крепление на несущей про- волоке производится следующим образом: к стальной проволоке диаметром 6...8 мм приваривают пластинки размером 20 х 100 мм, которые затем прикрепляются к основанию дюбель-гвоздями или шурупами на распорных дюбелях. В пластинках при заготовке долж- ны быть просверлены отверстия под шурупы. Кабели и провода прикрепля- ются к образованной полосами или проволокой трассе с помо- щью бандажных лент и полосок с пряжками. Крепление кабелей бандажны- ми полосками производится специальным приспособлением — ножом-клещами, с помощью которого они загибаются вокруг кабеля и закрепляются пряжками. Под металлические полоски и скобы при креплении кабелей марки СРГ (АСРГ) подкладывают эластичные прокладки, кото- рые должны выступать из-под них не менее чем на 1,5 мм с каж- дой стороны. Крепление кабелей с пластмассовой оболочкой вы- полняется без прокладок. Приклеивание к основанию выполняется на специальных дер- жателях — винипластовых или стальных дисках диаметром 25... 50 мм с двумя щелями для пропускания металлической или перфориро- ванной поливинилхлоридной ленты, которой закрепляются про- вода или кабели. Опорная поверхность держателей рифленая. Применяется, хотя и редко, крепление на вмазанных полос- ках. В бетоне пробивают гнезда диаметром 10... 12 мм и глубиной 16...20 мм, в которые на цементном или алебастровом растворе вмазывают «усы» из сложенной вдвое полоски. Длина полоски оп- ределяется числом прокладываемых проводов. После окончания ма- лярных работ, разогнув полоски, укладывают провода или кабели и закрепляют полоски пряжками. Прокладка небронированных кабелей по перекрытиям с реб- ристыми плитами выполняется на натянутой струне с креплени- 238
•м монтажными полосками или перфорированными пластмассо- выми лентами с кнопками. В щели между ребрами плит перекры- та вбивают стальные клинья с ушками, между ними натягивают проволоку и закрепляют с помощью крючка для подвески тросо- вых проводок. Небронированные кабели с резиновой и пластмассовой изоля- цией лучше прокладывать при плюсовой температуре окружающего воздуха, а в холодное время только после предварительного про- । рева. Предварительный прогрев не обязателен, если температура воздуха до начала монтажа (размотки, переноски, прокладки) про- водов и кабелей с резиновой изоляцией или резиновой изоляци- ей в пластмассовой оболочке в течение двух часов не опускалась ниже 15 °C, а для кабелей марки СРГ (АСРГ) — ниже -20 °C. Прокладка трубчатых проводов имеет некоторые особенности из-за жесткости внешней металлической оболочки. Выпрямляются >ги провода верстачными или ручными выпрямителями, изгиба- ются — специальными клещами. При пропускании трубчатого про- вода через роликовый выпрямитель шов оболочки должен быть расположен сбоку по прямой линии на всей его длине. При про- кладке провода шов должен быть обращен в сторону опорной по- верхности, а при горизонтальной прокладке по стене — вниз во и $бежание затекания влаги. Заготовка небронированных кабелей малых сечений для осве- тительных сетей непосредственно на месте монтажа производится в следующем порядке. Замеряют по подготовленной трассе длину отдельных участков проводки и выпрямляют при раскатке кабель. Отмеряют и нарезают отрезки кабеля соответствующей длины с запасом для ввода в коробки и электроустановочные изделия. Про- кладывают мерные отрезки кабеля по трассе, пропуская через про- ходы и закрепляя скобками или полосками с пряжками, и вводят i$ соединительные коробки. При необходимости под скобки и ме- таллические плоские полоски подкладывают мягкие прокладки. Из- гибают кабель вручную. Разделка концов кабеля выполняется при заготовке мерных от- резков. Входы кабелей в коробки уплотняются имеющимися в их патрубках сальниками. Жилы кабелей соединяют в коробках сваркой, опрессовкой, пайкой или винтовыми зажимами, места соединений изолируют и закрывают коробку крышкой с уплотняющим резиновым коль- цом. В заключение монтажа окончательно закрепляют кабели, за- тягивая шурупы скобок и пряжки бандажных полосок, и произ- водят рихтовку с помощью деревянной киянки или бруска. Металлические оболочки трубчатых проводов марки АПРФ и свинцовую оболочку кабелей марки АСРГ заземляют многопро- волочным медным луженым проводом с сечением 1,5... 2,5 мм2 или 239
стальными хомутиками. Заземление металлических оболочек вы- полняется у групповых, питающих и распределительных щитков (пунктов); заземляющий проводник и стальные хомутики долж- ны быть припаяны к заземляемым оболочкам и плотно прилегать к ним. При этом металлические оболочки вводимых в коробки ка- белей и проводов соединяются снаружи коробки гибким медным проводником с сечением 1,5...2,5 мм2, припаиваемым к ним на расстоянии 25...30 мм от коробки. Присоединение заземляющего проводника к металлическому корпусу щитка осуществляется с по- мощью винта с зачисткой до блеска мест соединения или пайкой. Заземляющий проводник, присоединяемый винтом, должен иметь кольцевой наконечник. Заземление оболочек пакета кабелей или нескольких защищенных кабелей и проводов выполняется одним заземляющим проводником, который, пересекая пакет под пря- мым углом, спаивается с каждой оболочкой. Оболочки проводов или кабелей, вводимых в пластмассовые коробки, соединяются снаружи медной перемычкой (пайкой). Запрещается использовать в качестве заземляющих проводни- ков металлические оболочки трубчатых проводов марки АПРФ и кабелей марки АСРГ в групповой распределительной электричес- кой сети. Вопросы для самоконтроля I. 1. Какие защищенные кабели используются при монтаже открытых электропроводок? 2. Какие инструменты используются при монтаже открытой электро- проводки? 3. Какие изделия используются для крепежных работ? II. 1. Где применяются небронированные защищенные кабели неболь- ших сечений? 2. Что используется в качестве несущей полосы? 3. Какие вы знаете способы крепления электропроводок неброни- рованных кабелей? 4. Каковы особенности прокладки трубчатых проводов? III. 1. Как крепятся трубчатые провода? 2. Какие допускаются расстояния между точками крепления несущей полосы? 3. Как производится крепление к несущей проволоке? 4. Как производится заземление металлической оболочки кабелей? 8.4. Монтаж тросовых электропроводок В помещениях промышленных предприятий с большими окон- ными проемами, имеющих продольные и поперечные фермы, а также в цехах, насыщенных всякого рода технологическими ком- муникациями, в которых крепление электропроводок непосред- 240
l i венно к стенам, потолкам и другим строительным элементам паний затруднительно или невозможно, целесообразно применять । росовые электропроводки. Тросовыми называют открытые электропроводки, выполненные изолированными и защищенными проводами и кабелями, подве- шенными к стальному тросу, или специальными проводами, ко- । орые имеют между тремя или четырьмя свитыми жилами собствен- ный несущий оцинкованный трос. Концы несущего троса надежно прикрепляются к строитель- ным элементам зданий и сооружений. Тросовые электропроводки выполняются специальными уста- новочными проводами с резиновой изоляцией марки APT или про- колами марок АВТ и АВТС с пластмассовой изоляцией и встроен- ным в провод стальным несущим тросом. Отечественной кабельной промышленностью выпускаются ус- тановочные алюминиевые провода с несущим тросом в двухжиль- ном исполнении марок APT, АВТ и АВТС с сечениями 2,5 и 4 мм2; в трехжильном исполнении марок APT с сечениями 4 и 6 мм2 и АВТ, АВТС с сечениями 4 мм2; в четырехжильном исполнении марок APT с сечениями 4... 35 мм2и АВТ, АВТС с сечениями 4... 16 мм2. Провода марки APT предназначены для устройства магистраль- ных и групповых линий в осветительных и силовых сетях внутри помещений и в наружных установках напряжением до 660 В. Про- вода марки АВТ применяются для наружной прокладки при уст- ройстве вводов в жилые дома и хозяйственные постройки, а мар- ки АВТС — для прокладки внутри помещений (в том числе живот- новодческих) в сетях с напряжением 380 В. Кроме специальных применяются также изолированные про- вода марок АПР, АПРВ, АПВ любых сечений и небронированные кабели марок АВРГ, АНРГ, АСРГ, АВВГ и АПВГ с сечениями до 16 мм2, которые подвешиваются вместе с изоляционными и под- держивающими конструкциями на отдельных продольных и по- перечных стальных тросах. При необходимости на тросах подвеши- ваются целые кабельные линии. Тросовые электропроводки рекомендуется применять для уст- ройства групповых силовых и осветительных сетей с напряжени- ем до 380 В. Особенно целесообразно применять их в сетях осве- щения закрытых и открытых складов, эстакад, галерей, спортив- ных площадок и стоянок автотранспорта. Широко применяются тросовые электропроводки при монтаже электрических сетей в сельских производственных помещениях. В помещениях промышленных предприятий тросовые электро- проводки выполняются в цехах без передвижных мостовых кранов. В цехах с мостовыми кранами они применяются только для соору- жения сетей общего освещения, при этом электропроводку раз- 241
мещают в свободном пространстве между нижним поясом ферм перекрытия и мостом крана. В четырехпроводных системах трехфазного тока с глухозазем- ленной нейтралью внутри производственных помещений с нор- мальной средой несущий трос разрешается использовать в каче- стве нулевого провода, если его проводимость составляет не ме- нее 50 % проводимости фазных проводов. Во всех других случаях прокладывают отдельный нулевой провод или кабель. Тросовые электропроводки являются наиболее индустриальны- ми и дешевыми, так как до 90 % объема их монтажа может выпол- няться в мастерских. При изготовлении тросовых электропроводок на технологических линиях значительно (до 30 %) снижаются тру- довые затраты, повышается качество работ и сокращаются общие сроки монтажа, особенно в случае применения специальных ус- тановочных проводов с встроенным тросом. Простота устройства, использование небольшого числа крепеж- ных деталей и возможность подвешивания на любой высоте зна- чительно облегчают монтаж, демонтаж, а при необходимости и перенос тросовых проводок на новое место, обеспечивая их ши- рокое применение. Тросовая линия электропроводки представляет собой стальной несущий трос, к которому подвешены изолированные незащищен- ные или защищенные провода или кабели. Способы крепления про- водки к тросу универсальны: использование специальных тросо- вых подвесок, крепление непосредственно к тросу (струнная под- веска) и на подвесных и опорных конструкциях с изоляторами, а также на рейках, коробах, лотках, трубах и других конструкциях, подвешенных к тросу, или на несущем тросе, вмонтированном в провод. Кроме несущего троса, проводов и кабелей в состав линии тро- совой электропроводки входят анкерные, натяжные и поддержи- вающие устройства, детали крепления провода или кабеля к не- сущему тросу и ответвительные коробки с деталями их крепления к тросу. Для комплектации линий электропроводок применяются следующие заводские изделия и детали, необходимые как для за- готовки линий, так и для их монтажа: натяжные муфты для сталь- ных тросов (или проволоки разных диаметров) с ходом винта 50; 100 и 300 мм; анкеры для концевого крепления стальных тросов (или проволоки) к строительным элементам зданий; зажимы для соединения подвесов, растяжек и оттяжек с несущим тросом (в том числе зажимы, скрепляющие петли на конце стального троса); серьги для крепления тросов к стальным фермам; тросовые ко- робки, ответвительные зажимы в пластмассовом корпусе и др. В качестве несущего применяют стальной трос диаметром от 3 до 6,5 мм или стальную горячетканную проволоку (катанку), оцин- 242
Рис. 8.5. Тросовый натяжной анкер: / - натяжная муфта; 2 — коуш; 3 — тросовый болтовой зажим; 4 — трос кованную, покрытую полимером или окрашенную, диаметром от ю 8 мм. Тросовые натяжные анкеры (рис. 8.5), служащие для концево- ю крепления несущего троса, регулировки его натяжения и про- нсса, крепятся к строительным элементам здания на распорных нобелях. Поддерживающие устройства представляют собой промежуточ- ные струнные подвески и продольные и поперечные оттяжки, при- крепляемые к нижним поясам ферм, колоннам, перекрытиям. Про- межуточные крепления устанавливаются при больших пролетах и массе монтируемой проводки через каждые 18...24 м, уменьшая с грелу провеса и придавая линии значительные устойчивость и ме- ханическую прочность. Для подвесок и оттяжек применяется оцин- кованная проволока диаметром от 2 до 5 мм. Промежуточные крепления троса могут дополнительно выпол- няться непосредственно к балкам, фермам, колоннам и перекры- 1иям с помощью отдельных деталей (шпилек, серег и дюбелей, скрепляемых в щелях между углами ферм или плит перекрытия) или обхватных конструкций. Для удержания троса на промежуточных участках используют- ся трехболтовые зажимы, с помощью которых концы, подвесок и растяжек оконцовывают петлями с использованием гильз и обойм. В отдельных случаях, например при большом расстоянии от ли- нии подвески троса до ферм перекрытия, применяется второй раз- грузочный трос, который натягивается выше несущего и к кото- рому присоединяются струны промежуточного крепления. Верти- кальные струны закрепляются в местах установки ответвительных коробок, штепсельных разъемов, светильников с помощью трех- болтовых зажимов. Основной объем монтажа тросовых электропроводок выполня- ется в МЭЗ. В зависимости от условий прокладки линии, их креп- ления и расположения светильников применяются три варианта предварительной заготовки тросовых проводок: 243
на всю проектную длину линии с концевыми петлями, натяж- ными устройствами, ответвительными коробками и подключен- ной осветительной арматурой (без стекла); то же, но без подключенной осветительной арматуры; отдельными секциями по длине пролетов (с учетом соедине- ний в ответвительных коробках) с установленными ответвитель- ными коробками и подключенной осветительной арматурой (без стекла). Для доставки на объект концевые и промежуточные крепления комплектуются в контейнеры, а заготовленные комплектные тро- совые линии сворачиваются в бухты диаметром 1 ...2 м или нама- тываются на специальные инвентарные кассеты или барабаны (рис. 8.6). Установка анкерных и натяжных конструкций, вертикальных подвесок, поперечных и продольных оттяжек, прокладка трасс для питающих магистралей относятся к первой стадии монтажа и вы- полняются при определенной готовности элементов здания, к ко- торым подвешиваются и крепятся электропроводки. Расстояния между промежуточными подвесками, ответвительными коробка- ми и светильниками, а также диаметр троса, подвесок и оттяжек зависят от приходящейся на них нагрузки и определяются про- ектом. Металлические части всех элементов тросовой проводки без ок- раски или гальванических покрытий, а также оголенные участки троса и анкерные устройства в местах их соприкосновения долж- ны смазываться техническим вазелином. Металлические скобки и плоские полоски для крепления проводов и кабелей должны иметь защитное покрытие от коррозии и мягкие прокладки из пергамина Рис. 8.6. Заготовленные тросовые линии: а — на инвентарных кассетах; б — в бухтах 244
пли рубероида, выступающие из-под них на 1,5...2 мм с обеих с।орон. Заготовка узлов тросовых проводок производится по замерам, выполненным на месте монтажа, или рабочим чертежам без пред- варительных замеров по месту. В первом случае электромонтажник- iaмерщик составляет эскизы линий тросовой проводки, на кото- рых фиксирует точные размеры между торцовыми креплениями к стенам или колоннам, промежуточные подвески, места установ- ки ответвительных коробок и светильников. Во втором случае со- ставляют эскиз-заказ по рабочему чертежу. Длина троса определя- ется по размерам помещения, указанным на чертеже, с соответ- ствующей разбивкой мест установки светильников. В типовом эскизе указываются также вид анкерного крепления, марки проводов, । ипы светильников. Заготовка, обработка проводов и их крепление к тросу выпол- няются на технологических линиях. Незащищенные изолирован- ные провода укрепляются на тросе пластмассовыми клипами, рас- считанными на два и четыре провода при промежуточном креп- че нии и подвеске светильника до 5 кг. Ответвление от проводов выполняют в зажимах с пластмассовым корпусом. Расстояние между клицами обычно 1,5 м. Допускается непосредственное крепление изолированных проводов к тросу (в сухих и влажных помещени- ях) поливинилхлоридной перфорированной лентой с кнопками или пряжками через каждые 0,5 м. Защищенные провода и кабели прикрепляются к тросу клипа- ми, стальными полосками с пряжками и пластмассовыми полос- ками с кнопками (рис. 8.7). Рис. 8.7. Крепление проводов и кабелей к тросу: а — клипами; б, в — стальными полосками с пряжками; г - пластмассовыми полосками с кнопками 245
Ответвления к светильникам и силовым электроприемникам при монтаже тросовых проводок выполняются в специальных ответви- тельных коробках, корпуса которых состоят из двух разъемных ча- стей, что позволяет не протягивать через них провод. Внутри такой коробки располагается анкерное устройство, выполненное в виде седла, при введении в которое несущего троса образуется полупет- ля токопроводящих жил необходимого размера для разделки жил и присоединения ответвлений. При укладке троса в анкерное устрой- ство ответвительной коробки для обеспечения надежного защит- ного заземления коробки и троса с него удаляют изолирующую ре- зиновую оболочку. Оголенный участок троса и анкерное устройство зачищают и смазывают техническим вазелином. Присоединение кон- цов проводов от электроприемников и светильников выполняется внутри ответвительной коробки с помощью сжимов, металличес- кие вкладыши которых затем закрываются пластмассовыми корпу- сами. Дополнительное крепление тросовой проводки к потолку зда- ния осуществляется за петлю ответвительной коробки при помо- щи проволочной подвески. Светильники и ответвления к силовым электроприемникам крепятся за нижние петли анкерных устройств ответвительных коробок. Жилы проводов и кабелей соединяются в ответвительных ко- робках сваркой, опрессовкой или с помощью сжимов. Места вво- дов в коробки открыто проложенных защищенных проводов и кабелей уплотняются специальными устройствами с резиновыми сальниками. Коробки закрепляются винтами на отрезках перфо- рированной полосы или ленты. Применяются также конструкции из монтажной полосы, с помощью которых вместе с ответвитель- ной коробкой к тросу крепится светильник любого типа. Коробки могут устанавливаться также на стальных пластинах с выштампо- ванными крючками (язычками), которые надеваются на проволоку и загибаются клещами вниз. Коробки к пластине можно прикреп- лять винтами, скобами или шпильками. Разновидностью тросовых проводок являются струнные провод- ки, при которых защищенный провод или кабель крепятся непос- редственно к струне (катанке, телеграфной проволоке). Применяются различные способы крепления ответвительных ко- робок к несущим конструкциям: полосками непосредственно к тро- су или струне путем обхвата; на металлической пластине, закреп- ленной на струне или тросе; непосредственно на строительном ос- новании (потолке, колонне) при небольшой высоте сооружения (рис. 8.8). Концевые крепления струнных проводок выполняются глухи- ми или с помощью натяжного устройства с одного конца, проме- жуточные — через 10... 15 м с использованием крепежных деталей, 246
б Рис. 8.8. Крепление ответвитель- ных коробок полосками непос- редственно на тросе или стру- не (а, б) и на подвесной плас- тине (в, г) предназначенных д ля установки ко- робок и светильников. Промежуточ- ные крепления выполняют сколь- <ящими для обеспечения постоян- 1 юго натяжения струны по всей дли- не. Струнные проводки экономич- ней тросовых, поскольку требуют меньше металла (диаметр струны 2...4 мм, а троса 6...8 мм), крепеж- ных деталей для промежуточных кре- плений и затрат труда. На второй стадии монтажа гото- вые узлы тросовой проводки монти- руются на ранее установленных на- тяжных устройствах и подвесках в помещениях, где закончилось стро- ительство. Монтаж включает в себя следующие операции: разматывание тросовой электро- проводки на полу; временная подвеска тросовой ли- нии для выпрямления проводов, подвески и подключения светильни- ков (если они не были смонтирова- ны в мастерских); подъем электропроводки на про- ектное место, закрепление одного конца троса анкером, соедине- ние троса с промежуточными подвесками и оттяжками, предва- рительное натяжение троса и закрепление его второго конца ан- кером; окончательное натяжение несущего троса и регулировка стре- лы провеса с помощью анкерных болтов и натяжных муфт; заземление несущего троса и всех металлических деталей линии; подключение линии тросовой электропроводки к питающей ма- гистральной линии; испытание электропроводки и проверка светового эффекта. Светильники в зависимости от типа, массы, условий транспор- тировки, отдаленности объекта и других условий монтируются либо в МЭЗ (без стекла), либо непосредственно при монтаже. В после- днем случае в мастерской светильники только комплектуют и под- готавливают места их крепления. Светильники, подвешиваемые к тросу, должны располагаться на одной горизонтали, что достига- ется регулированием подвесок. Временно несущий трос подвешивается на высоте 1,2... 1,6 м от пола на временных анкерах, закрепленных на противополож- 247
ных стенах помещения. Для удобства выполнения работ и умень- шения провисания под него устанавливают трехногие подставки. Натянув несущий трос при помощи полиспаста или лебедки до положения, при котором стрела провеса больше предусмотренной для этой электропроводки, производят сборку узлов ответвлений и светильников. Подъем на проектное место протяженных (более 15 м) и тяже- ловесных тросовых электропроводок рекомендуется производить с помощью простых подъемных приспособлений (блоков, лебе- док и др.). При этом один конец несущего троса с петлей надева- ют на анкерный крюк, закрепленный в стене. Второй конец несу- щего троса присоединяют к полиспасту клиновым зажимом или кулачковым захватом, располагаемым на некотором расстоянии от концевой петли, а полиспаст подвешивают на другой анкер- ный крюк, установленный на противоположной стене помещения. При этом конец троса со смонтированной на нем натяжной муф- той оказывается в свободном подвешенном состоянии. Подвешенную между анкерами тросовую проводку натягивают полиспастом до положения, близкого к окончательному. Контроль натяжения осуществляют по стреле провеса несущего троса. Для про- лета в 6 м она должна быть 100... 150 мм, а для пролета в 12 м — 200...250 мм. По СНиП стрела провеса троса в пролетах между креп- лениями должна составлять от 1/40 до 1/60 длины пролета. По окончании натяжения свободный подвешенный конец несу- щего троса с натяжной муфтой надевают на анкерный крюк, а полиспаст ослабляют, отсоединяют его от троса и снимают с крючка. Промежуточные крепления троса выполняются на струнах из стальной оцинкованной проволоки диаметром 1,5 ...2 мм. Подвес- ки крепятся к тросу или в местах установки ответвительных коро- бок и светильников. Окончательная регулировка подвески тросовых электропрово- док осуществляется с помощью натяжной муфты. Несущие тросы заземляются в двух точках на концах линии. На линиях с нулевым проводом несущий трос присоединяется к нему гибкой медной перемычкой сечением 2,5 мм2, а на линиях с изо- лированной нейтралью — к шине, соединенной с контуром зазем- ления. Не допускается использование несущего троса в качестве заземляющего проводника. Допускается заземление несущего троса приваркой свободно- го конца петли или гибкой стальной перемычки ПГС-35 длиной 600 мм к сети заземления помещения (рис. 8.9). При небольшом объеме работ тросовая проводка может быть заготовлена непосредственно в цехе, где она должна монтироваться. Для этого предварительно обработанную и окрашенную горяче- 248
Рис. 8.9. Заземление троса приваркой свободного конца петли (а) и гиб- кой стальной перемычкой (б): I концевая петля на тросе; 2 — трос со снятой изоляцией; 3 — свободный ко- нец петли троса; 4 — флажковый наконечник; 5 — шина заземления; 6 — ответви- тельный сжим; 7 — гибкая стальная перемычка катаную проволоку вытягивают лебедкой, разматывают по трассе и временно закрепляют на доступной высоте (предварительно оконцевав ее петлями с двух сторон, приварив флажки для зазем- ления и установив по разметке основания для ответвительных коробок). Кабель или провод для проводки разрезают на мерные отрез- ки, соответствующие расстоянию между коробками, и закрепля- ют их на несущей проволоке через каждые 300...350 мм металли- ческими бандажными полосками или поливинилхлоридной лен- гой с кнопками. Затем заводят концы провода или кабеля в коробки или ответвительные зажимы в пластмассовом корпусе и выполня- ют необходимые соединения и ответвления (после прозвонки и маркировки концов). Монтаж электропроводок проводами марки APT имеет неко- торые особенности. Для электропроводок, выполняемых этим про- водом, выпускают специальные коробки, предназначенные не только для соединения и ответвления, но и для подвески провода и светильников. Внутри такой коробки имеется устройство для за- крепления троса. Ответвление осуществляется в ответвительных сжимах 4 и 7 (рис. 8.10) с пластмассовым корпусом без разреза- ния фазных и нулевого проводов. Внутри коробки 2 находится ско- ба 3 с планкой для закрепления ее на тросе, выступающие из ко- робки концы скобы имеют отверстия для закрепления коробки на вертикальной подвеске и подвески светильника. Зануление троса и провода марки APT выполняют гибкой пе- ремычкой 6 из медного провода марки ПГВ сечением 2,5 мм2, со- единяемой с нулевым проводом (внутри коробки) и тросом (сна- ружи коробки) ответвительными сжимами 4 и 7. Трос должен быть заземлен у концов линии не менее чем в двух местах. Можно вы- полнить заземление троса подсоединением свободного конца пет- 249
1 2 3 4 5 Рис. 8.10. Устройство для ответвления тросовой проводки проводом марки APT: 1 — провод APT; 2 — тросовая коробка У-245; 3 — скоба; 4 — ответвительный сжим на проводе; 5 — винт зануления; 6 — гибкая перемычка; 7 — ответвитель- ный сжим на тросе ли или гибкой стальной перемычки ПГС-35, привариваемой к шине заземления. На нулевом проводе внутри тросовой коробки установлен от- ветвительный сжим, через который выполняется ее зануление, для чего провод зануления светильника заводится петлей под винт ко- робки и фиксируется шайбой-звездочкой. Вопросы для самоконтроля I. 1. Дайте определение тросовой электропроводки. 2. Где целесообразно применять тросовые электропроводки? 3. Какие провода используются для тросовых электропроводок? II. 1. Назовите преимущества тросовой электропроводки. 2. Какие способы крепления тросовых электропроводок вы знаете? 3. Какие устройства и детали входят в состав линии тросовой электро- проводки? 4. Какие используются детали для удержания троса на промежуточ- ных участках? III. 1. Как осуществляется крепление тросов? 2. Какие варианты предварительной заготовки тросовых проводок вы знаете? 3. Какие операции включает в себя вторая стадия монтажа тросовых электропроводок? 4. Как осуществляется заземление несущего троса? 250
8.5. Монтаж электропроводок плоскими проводами Плоские провода марок АППВС, АППВ и АПВ применяются । л я прокладки групповых линий освещения в жилых и обществен- ных зданиях, а также в служебных и вспомогательных помещени- •i промышленных предприятий. Скрытая прокладка плоских про- подов производится под штукатуркой в специальных бороздах или осз борозд непосредственно по строительному основанию. Плос- кие провода можно также прокладывать по деревянным стенам, перегородкам и потолкам под слоем мокрой штукатурки на поло- сах листового асбеста толщиной не менее 5 мм, при этом асбест и намет штукатурки должны выступать с каждой стороны провода не менее чем на 10 мм. Скрытую прокладку плоских проводов до- пускается выполнять в зазорах между железобетонными плитами перекрытий, каналах и пустотах несгораемых строительных кон- струкций, а также замоноличиванием их в панели и стены при и зготовлении конструкций на предприятиях стройиндустрии или в неметаллических трубах, уложенных поверх плит перекрытия при । юдготовке пола. К скрытым проводкам относится прокладка про- водов в электротехнических плинтусах. Открытая прокладка плоских проводов производится непосред- с гвенно на поверхности несгораемых стен и перегородок, по ош- тукатуренным поверхностям, оклеенным и неоклеенным обоями, в также бетонным перекрытиям без дополнительной изоляции. При прокладке плоских проводов по деревянным стенам, перегород- кам и потолкам (сгораемым) требуется дополнительная изоляция в виде прокладки из листового асбеста. Кроме того, для проклад- ки на роликах по деревянным основаниям в сельских местностях выпускается плоский провод марки АППР, рассчитанный на на- пряжение 660 В, с разделительным основанием и резиновой изо- шцией, предотвращающей горение. Электропроводку плоскими проводами не разрешается произ- водить во взрывоопасных зонах, помещениях с активной агрессив- ной средой, особо сырых и других, установленных СНиП, а так- ке для питания подвесной осветительной арматуры. Монтаж проводок плоскими проводами начинается с подго- товки трасс для их прокладки и предварительной заготовки в МЭЗ. Разметка выполняется непосредственно при монтаже: сначала раз- мечают места установки щитков, светильников, выключателей и штепсельных розеток, а затем трассу для прокладки проводов. При разметке трасс исходят из следующих нормированных данных. Го- ризонтальная прокладка по стенам выполняется на расстоянии 100...200 мм от потолка или 50... 100 мм от балки или карниза, а вертикальная (спуски и подъемы к выключателям, штепсельным розеткам и светильникам) — параллельно линиям дверных и окон- 251
ных проемов или углам помещения на расстоянии до 100 мм от них, или групповым штепсельным розеткам на расстоянии 300 либо 800 мм. Расстояние между параллельно прокладываемыми про- водами должно быть 3... 5 мм. Запрещается прокладывать провода пакетами или пучками. Для определения центра помещения при установке одного све- тильника натягивают крест-накрест на полу или потолке из про- тивоположных углов помещения два шнура и находят точку их пе- ресечения. Для определения мест установки двух светильников от- бивают на полу или потолке среднюю линию помещения, делят ее на четыре равные части и устанавливают их от стены на рассто- янии 1/4 длины комнаты. Соблюдение нормированных расстояний исключает возможность повреждения проводов при эксплуатации зданий. Размеры борозд для скрытых проводок при формовке их в па- нелях на заводе или пробивке непосредственно на объекте также нормируются, например для прокладки одного провода марки АППВС с сечением 2 х 2,5 или 3 х 2,5 мм ширина борозды должна быть 20 мм, для двух проводов марки АППВС с сечением 2x2,5 мм - 30 мм, глубина борозды — 20 мм. Проходы проводов через стены выполняются в изоляционных трубках, оконцованных втулками, при этом изоляционная трубка должна выходить из втулки на 5... 10 мм. Под выключатели и штепсельные розетки в стенах ставятся ко- робки (для открытых проводок — деревянные подрозетники) на алебастровом либо цементном растворе или без раствора запод- лицо с поверхностью штукатурки. При заготовке в мастерской определяют по проекту число ти- повых помещений и составляют для каждого типа помещения раз- вернутую карту проводки со всеми размерами, по которым и про- изводят раскрой проводов и сборку схемы. В ответвительных ко- робках выполняют соединения и ответвления проводов, которые в дальнейшем не будут усложнять монтаж электропроводки в по- мещениях, с учетом проходов через стены и перегородки. Разме- ры используемых коробок определяются числом проводов, их се- чениями и толщиной штукатурного намета. Схему проверяют, от- мечают нулевую жилу, изготовленные электропроводки сматывают в бухты, маркируют бирками и в контейнерах доставляют к месту монтажа. На месте монтажа доставленные бухты провода разматывают и раскладывают в соответствии с маркировкой по подготовленной трассе. Закрепляют ответвительные коробки, выключатели и штеп- сельные розетки, выполняют соединения отдельных участков схе- мы, подсоединяют провода к ранее установленным щиткам и све- тильникам. 252
Соединение и ответвление плоских проводов в ответвительных коробках выполняются сваркой, опрессовкой или пайкой, при )гом их концы изолируются полиэтиленовыми колпачками или и юляционной лентой. Следует избегать пересечений плоских про- водов между собой, если же этого невозможно избежать, изоля- цию проводов в месте пересечения усиливают подмоткой трех- четырех слоев поливинилхлоридной ленты. При выполнении со- единений в коробках и подсоединений к выключателям и штеп- сельным розеткам необходимо оставлять запас проводов по длине. Крепление плоских проводов производится при скрытой про- кладке примораживанием алебастровым раствором, пластмассо- выми скобками на дюбелях, хлопчатобумажной лентой (крепить гвоздями не допускается), а при открытой прокладке — гвоздями, пластмассовыми скобками, металлическими полосками или при- клеиванием. Во влажных неотапливаемых помещениях под шляп- ки гвоздей необходимо подкладывать изоляционные шайбы. Если заготовка проводок производится непосредственно на ме- сте монтажа, работы проводятся вручную в следующем порядке. Сначала выпрямляют провода, протягивая их через специальное выпрямительное устройство или рукавицу, надеваемую на руку, но без больших усилий, чтобы не сдвинуть оболочку с жилы. За- тем нарезают мерные куски проводов по отдельным участкам в со- ответствии с разметкой и прокладывают их, начиная с ближай- шей к групповому щитку ответвительной коробки. Вырезают на концах провода разъединительную пленку на длине 75 мм, а у трех- жильных проводов разрезают также перемычку между второй и третьей жилами, после чего вводят концы в коробку. При изгибании плоских проводов марок ППВ и АППВ на ребро (например, при повороте трассы на 90° по стене), предварительно вырезав разделительные пленки между жилами на длине 40... 60 мм (в зависимости от сечения и числа жил в проводе), в месте изгиба выгибают внутренние жилы внутрь угла. Затем прокладывают и за- крепляют провода на прямолинейном участке до очередного по- ворота трассы (рис. 8.11). Процесс изгибания проводов марки АПН несколько отличает- ся от изгибания проводов марок ППВ и АППВ: разделительная пленка в месте изгиба разрезается, и при скрытой прокладке жилы на повороте разводятся в одной плоскости в разные стороны, а при открытой прокладке внутренняя жила в месте поворота на- кладывается на внешнюю. Перекрещивать жилы плоских проводов между собой и в углах поворота не допускается. Для заделки борозд с проложенными плоскими проводами за- прещается применять штукатурные, цементные и другие раство- ры, содержащие добавки поташа и мылонафта, разрушающие изо- ляцию и алюминиевые жилы проводов. 253
Рис. 8.11. Виды изгибов плоских проводов марок ППВ и АППВ Надежными и отвечающими требованиям индустриального мон- тажа являются скрытые сменяемые электропроводки в замкнутых каналах строительных конструкций зданий. Такие электропровод- ки, получившие название канальных, широко применяются в жи- лищном строительстве, например в крупнопанельных жилых и об- щественных зданиях. Каналы для проводов, ниши, гнезда, сквоз- ные проходы и другие элементы линий проводок в строительных элементах зданий выполняются на заводах строительной индуст- рии. В таких каналах прокладываются групповые и питающие сети, включая вертикальные участки (стояки), сети освещения лестнич- ных клеток и другие, при этом электропроводки являются сменя- емыми, т. е. обеспечивается возможность полной замены проводов в процессе эксплуатации. Размеры элементов канальных электропроводок нормированы: диаметры каналов должны составлять 1,1 от диаметра стальных труб, применяемых для прокладки соответствующих проводов; длина каналов между протяжными нишами или коробками долж- на быть до 8 м, а толщина защитного слоя над каналом не менее 10 мм; гнезда в железобетонных панелях для непосредственного крепления штепсельных розеток и выключателей скрытой уста- новки должны иметь форму усеченного конуса с диаметрами 70 и 72 мм. Протяжные ниши (рис. 8.12, а) в местах сопряжения стено- вых панелей выполняются в виде полуцилиндров с радиусом 70 мм или полуконусов с радиусами 70 и 80 мм. Глубина таких ниш в 254
Рис. 8.12. Протяжные ниши в межкомнатных (а) и межквартирных (б) стеновых железобетонных панелях стеновых панелях смежных квартир должна быть не более 50 мм (рис. 8.12, б). Каналы для проводки на всем протяжении должны иметь глад- кую поверхность без натеков и острых граней для исключения воз- можности повреждения изоляции при протягивании проводов. Се- чение канала проверяется калибром с диаметром, составляющим 0,9 от проектного диаметра канала. Провода в каналах прокладываются без каких-либо изоляцион- ных трубок, кроме санитарно-технических кабин, где они долж- ны быть изолированы поливинилхлоридными трубками. В сануз- лах жилых домов допускается прокладывать провод марки АППВ скрыто под штукатуркой без изоляционных трубок. Допустимое число жил проводов в одном канале определяется диаметром ка- нала и сечением жил (табл. 8.2). Для скрытой установки выключателей и штепсельных розеток в строительные конструкции замоноличивают специальные пласт- массовые стаканы и кольца. Закладной стакан представляет собой полый полипропиленовый цилиндр из двух половинок различно- го диаметра, имеющий кольцевые выступы, перегородку для зву- коизоляции и сквозное отверстие для прохода каналообразовате- ля. Выключатели и штепсельные розетки закрепляются на кольце- вых выступах закладных стаканов распорными планками. Стаканы могут быть различной длины, что позволяет замоноличивать их в железобетонных и гипсолитовых панелях разной толщины. 255
Таблица 8.2 Допустимое число жил проводов в одном канале Сечение жилы, мм2 Диаметр канала, мм 15 20 25 40 50 1,5...2,5 3 5 8 — — 4 — 4 6 — — 6 — — 5 — — 10 — — — 8 — 16 — — — 6 8 Монтаж канальных электропроводок рекомендуется выполнять индустриальными методами с предварительной заготовкой всех эле- ментов сети централизованно на заводах электромонтажных заго- товок или в МЭЗ на специальных технологических линиях (рис. 8.13). Централизованная заготовка групповых электропроводок произ- водится по технологическим картам, составленным по предвари- Рис. 8.13. Технологическая линия для заготовки канальных электропроводок: ] — стеллаж для проводов; 2 — размоточная вертушка; 3 — механизм для мерной резки проводов и снятия изоляции; 4 — накопитель мерных отрезков; 5 — механизм для скручи- вания и подрезки жил проводов; 6 — уста- новка для сварки скрученных жил проводов; 7— стол монтажный; 8 — тележка-накопитель готовой продукции тельным измерениям, или типовым ППЭР на типовые серии зданий. В зависимос- ти от принятой технологии монтажа на объекте элект- ропроводки заготавливают- ся отдельными узлами (при узловом методе монтажа) или отдельными элемента- ми с подключенными вы- ключателями, розетками и осветительной арматурой (при лучевом методе мон- тажа). При узловом методе мон- тажа затяжка проводов в ка- налы производится от со- единительных ниш к мес- там установки выключате- лей, розеток и осветитель- ной арматуры. После монта- жа отдельные узлы группо- вой сети соединяются меж- ду собой в соединительных 256
шипах сваркой или опрессовкой гильзами серии ГАО. Присоеди- ните светильников к сети производится в гнездах панелей пере- ► рытия с помощью люстровых зажимов КЛ-2,5. При лучевом методе монтажа провода, заготовленные в виде <> цельных элементов групповой сети с подключенными выклю- чи елями, штепсельными розетками и осветительной арматурой, |.пягиваются от мест их установки к соединительным нишам. Все <'единения групповой сети производятся сваркой или опрессов- кой гильзами серии ГАО непосредственно в нишах на месте мон- 1.1/ка. Для изоляции мест соединений проводов сечением до 4 мм2 применяются (кроме пожаро- и взрывоопасных сред) полиэтиле- новые изолирующие колпачки (табл. 8.3). В одном канале допускается совместная прокладка: нескольких групп проводов одного вида освещения (рабочего и in аварийного) при условии общего числа жил в канале не бо- ice восьми; проводов осветительных цепей напряжением выше 42 В с про- водами цепей напряжением до 42 В при условии заключения пос- ।одних в отдельную изоляционную трубку; проводов, питающих линии квартир (стояки), с проводами ра- оочего освещения лестничных клеток, коридоров и других внут- ренних помещений с объединением нулевых проводов. Совместная прокладка в одном канале взаиморезервируемых попей, а также цепей рабочего и аварийного освещения запре- щается. Соединительные ниши после затяжки в них проводов, выпол- нения всех соединений и их изоляции закрывают декоративными пластмассовыми крышками. Все материалы и заготовки для объектов комплектуются соглас- но заказу и отгрузочным ведомостям и доставляются в специаль- ных контейнерах. В зависимости от объема и принятой технологии выполнения электромонтажных работ контейнеры комплектуют- ся поставочными комплектами в целом на объект, секцию, этаж или отдельный этап работ. В любом случае материалы и заготовки > кладываются в контейнер согласно технологической последова- Таблица 8.3 Выбор изолирующих колпачков Тип колпачка Число соединяемых проводов с сечением 2,5 мм2 4 мм2 К440 2...5 4 К441 6...7 3...4 Ч Нестеренко 257
тельности их монтажа на объекте. Комплектация и доставка в кон- тейнерах упрощает перевозку материалов и систему их учета, спо- собствует более рациональной организации труда и выполнению работ методом бригадного подряда. Вопросы для самоконтроля I. 1. Где применяются электропроводки плоскими проводами? 2. Где запрещается применять электропроводки плоскими про- водами? 3. Где применяются канальные проводки? 4. Какие марки проводов используются в канальных проводках? 5. Какие детали применяются при монтаже проводов в каналах? 6. Какие методы монтажа канальных электропроводок вы знаете? II. 1. Как производится разметка трасс электропроводок плоскими про- водами? 2. Какие расстояния нормированы при разметке трасс проводок плоскими проводами? 3. Какие детали используются для крепления плоских проводов? 4. Каков должен быть диаметр канала для прокладки проводов? 5. Как затягиваются провода в каналы при узловом методе монтажа? 6. Как затягиваются провода в каналы при лучевом методе монтажа? III. 1. Как выполняется соединение плоских проводов? 2. Как производится крепление плоских проводов? 3. Как производится изгибание плоских проводов? 4. Что необходимо сделать при пересечении плоских проводов? 5. Каково назначение закладного стакана? 6. Какие цепи сети освещения разрешены к совместной прокладке в общем канале? 8.6. Монтаж электропроводок на лотках и в коробах Конструкция лотков и коробов. Монтаж электропроводок на лот- ках и в коробах по сравнению с другими способами монтажа (на- пример, в стальных трубах или непосредственно по кабельным кон- струкциям) обеспечивает следующие преимущества: хорошие условия охлаждения проводов; удобство прокладки дополнительных кабелей или проводов; свободный доступ к проводам и кабелям на всем протяжении трассы и легкость их замены, возможность прокладки по сложным трассам с ответвлениями на любом участке линии. Такая система канализации электроэнергии дает также суще- ственную экономию затрат труда, расхода проводникового мате- риала и стали, облегчает монтаж и эксплуатацию линии. В случае необходимости провода или кабели можно легко вынуть и быстро заменить другими, при этом можно изменить их число, сечение и марку, а также трассу. 258
Лотки применяются для открытой прокладки проводов и кабе- 1сй в помещениях, где по действующим правилам проводка в сталь- ных трубах не обязательна (в сухих, сырых и жарких, с химически ik гивной средой и пожароопасных), в электропомещениях (кабель- ных полуэтажах и подвалах), в проходах за щитами и панелями 1 анций управления и переходах между ними, на технических эта- пах, в машинных залах и их подвалах, в насосных и компрессор- 11 ых, а также для внутрицеховых проводок над станками. Электро- проводки на лотках используются в помещениях с любой средой при условии использования проводов и кабелей, допустимых для ной среды. Лотки защищают провода и кабели от повреждений и обеспе- чивают их многослойную прокладку. В лотках прокладываются провода и кабели с резиновой и пла- стмассовой изоляцией, с негорючими или не поддерживающими । орение защитными оболочками, например провода марок АПР, ПРВ, АПН, АПРН, АПВ, АПП, АПРТО и кабели марок АВРГ, НРГ, АСРГ, АВВГ, АПВГ. Используются два типа лотков: сварные и из перфорированных полос. Сварной лоток состоит из двух продольных стальных про- филей с приваренными к ним через каждые 250 мм перфориро- ванными стальными полосами (поперечинами). Длина такого лот- ка 2 м, ширина 400 или 200 мм. Перфорированный лоток пред- ставляет собой перфорированную стальную полосу с загнутыми под прямым углом краями (бортиками) высотой 16...20 мм. Такая конструкция, являясь жесткой, может все же слегка изгибаться (например, при монтаже переходов). Длина такого лотка 2 м, ширина 50 или 105 мм. Несущие лотки новой конструкции изготавливают прямыми и угловыми секциями. Прямые лотки (рис. 8.14) могут быть сварны- ми шириной 40 (НЛ40) и 20 (НЛ20) и перфорированными ши- риной 10 см (НЛ10) и 5 см (НЛ5). В стенках лотков предусматриваются отверстия для крепления огнестойких перегородок, соединителей или ответвлений из дру- гих лотков при образовании лотковой трассы (рис. 8.15). Перемычки в сварных лотках имеют перфорацию для крепления к ним провод- ников. Полное обозначение лотка, например НЛ40-П2, расшиф- ровывается следующим образом: несущий лоток шириной 40 см, прямой, длиной 2 м. Угловые лотки НЛ-У45 и НЛ-У95 служат для образования по- ворота трассы в горизонтальной плоскости с радиусами 45 и 95 см. Лотки шириной 20 и 40 см соединяются переходным соедините- лем НЛ-СП, представляющим собой пластину толщиной 3 мм с пазами и отверстиями. Шарнирный соединитель НЛ-СШ служит для соединения прямых лотков любого типа под утлом от 0 до 90° 259
б) Рис. 8.14. Лотки прямые перфорированные (а) и сварные (б) в вертикальной плоскости, при переходе трассы с одного уровня на другой. Образование поворотов лотковой магистрали показано на рис. 8.16. Огнестойкая перегородка, применяемая для разделения в лот- ке кабелей разного назначения, представляет собой асбестоцемен- тную плиту с деталями для ее установки и крепления. Асбестоцемент представляет собой неорганическую пластмассу, в которой связующим веществом является портландцемент, а наполните- лем — асбестовые волокна. Процесс изготовления асбестоцемента заключается в смешивании распущенного асбеста с цементом и водой. Полученная таким образом и Рис. 8.15. Соединение прямых лотков для образования трассы 260
Рис. 8.16. Образование поворотов лотковой магистрали в горизонтальной и вертикальной плоскостях тщательно перемешанная смесь отливается на асбестоцементной машине в листы, которые затем прессуют, сушат и разрезают на плиты опреде- ленных размеров. В номенклатуру выпускаемых промышленностью лотков входят готовые для сборки элементы, обеспечивающие создание трассы с необходимыми поворотами и разветвлениями в горизонтальной и вертикальной плоскостях. Стальные короба применяются в помещениях вместо стальных труб, предназначенных для открытой и скрытой проводок питаю- щих и групповых осветительных и силовых сетей. Открытая прокладка стальных коробов с непосредственным креплением к несгораемым и трудносгораемым строительным ос- нованиям и опорным конструкциям допускается в сухих, влаж- ных, жарких и пожароопасных помещениях, в которых по дей- ствующим правилам проводка в стальных трубах не обязательна. Короба рекомендуется применять также при монтаже питаю- щих и групповых сетей освещения в помещениях за непроходны- ми подвесными потолками из сгораемых материалов, которые рас- сматриваются в этом случае как скрытые электропроводки. Запре- щается прокладка электропроводок в коробах в помещениях сырых и особо сырых, с химически активной средой и взрывоопасных зонах. 261
В стальных коробах допускается прокладывать провода одной или нескольких осветительных или силовых электросетей, кроме вза- иморезервируемых цепей, цепей рабочего и аварийного освеще- ния, а также проводов цепей освещения напряжением выше 42 В с проводами цепей освещения напряжением до 42 В, если послед- ние не заключены в отдельную изолирующую трубку. Промышленностью в настоящее время выпускаются новые стальные короба единой серии, в том числе прямые секции типа НК5х5П, НКЮхЮП, НК15х15П и НК20х20П и универсальные угловые секции типа НК5х5У, НК10х 10У, НК15х 15У, НК20х20У. Новые короба имеют квадратные сечения 50x50, 100x100, 150x150 и 200x200 мм и откидывающиеся крышки. Длина прямых секций соответственно составляет 2; 2,5; 3 и 6 м. Для монтажа сетей освещения в основном применяются короба сечением 50x50 и 100x100 мм. Короба представляют собой прямоугольные профили из лис- товой стали со съемными крышками, из которых комплектуются прямые, крестообразные, тройниковые, угловые (для поворота трассы в горизонтальной и вертикальных плоскостях) и присое- динительные секции. Короба снабжаются легко снимаемой перегородкой, с помо- щью которой образуются два канала для размещения проводов и кабелей различных цепей, совместная прокладка которых не до- пускается. Съемная крышка короба облегчает монтаж, позволяет в процессе эксплуатации легко заменять и прокладывать допол- нительно новые провода и кабели. Короба, требующие на изготовление больше металла, чем лот- ки, лучше защищают провода и кабели от механических повреж- дений, пыли и других загрязнений, кроме того, их можно про- кладывать на любой высоте и в полах цехов. Короб К-815А (рис. 8.17) — это конструкция из листовой ста- ли длиной 3 м, состоящая из корытообразного основания 5, Рис. 8.17. Короб К-815А: 1 — крышка; 2 — разделяющая перегородка; 3 — основание 262
крышки 1, которая крепится болтами, и разделяющей перегородки 2. Внутри короба имеются планки для закрепления проводов и ка- белей. Элементы, входящие в номенклатуру коробов, обеспечивают прокладку трассы с необходимыми поворотами и разветвлениями. Ввод линии в электротехнические устройства осуществляется с по- мощью присоединительных секций. Соединяются элементы коро- бов болтами. Установка лотков и коробов. Большая часть трудозатрат в этом случае приходится на первую стадию монтажа: установку опорных конструкций, укладку и закрепление на них лотков и коробов, соединение последних в магистраль и ее заземление. Установка лотков и коробов на подготовленной трассе произ- водится во избежание их повреждения в помещениях с закончен- ной отделкой. Опорными деталями для них служат элементы ка- бельных конструкций, монтажные перфорированные профили и полосы, кронштейны. Опорные консоли, кронштейны и другие подвесные конструк- ции (рис. 8.18, а, б) изготавливают в монтажных мастерских из стальных профилей, но также в качестве опорных могут исполь- юваться элементы сборных кабельных конструкций заводского из- готовления (рис. 8.18, в). Подвесные конструкции для установки лотков рекомендуется выполнять разъемными, чтобы обеспечить закладывание проводов и кабелей без протягивания их внутри магистралей. Обходы препятствий лотковыми магистралями, их повороты и ответвления от них (рис. 8.19) выполняются в основном с помо- щью стальных монтажных перфорированных профилей и полос или угловых, тройниковых и крестообразных секций. В тех случаях, когда магистраль выходит за пределы одного помещения, лотки про- Рис. 8.18. Подвесные {а, б) и кабельные (в) опорные конструкции для лотков 263
Рис. 8.19. Примеры установки кабельных лотков: а — горизонтальная; б — с переходом трассы с одной горизонтальной отметки на другую; в - с ответвлением вверх на ребро; г — с переходом на лоток меньшего размера; д — с переходом вверх плашмя; е — при обходе выступающей колонны пускают через проемы в стенах и перекрытиях или в строитель- ные конструкции заделывают отрезки труб для пропуска прово- дов и кабелей. Для облегчения монтажа лотков при обходах и пересечениях ис- пользуют выносные опорные конструкции, обеспечивающие пря- молинейное расположение лотков. В пролетах цехов крепление лот- ков и коробов осуществляют на несущих тросах и тросовых под- весках с помощью тросовых растяжек. При разметке трасс используют нормированные размеры, т. е. высота расположения лотков над полом или площадкой обслужи- вания должна быть не менее 2 м при их установке по стенам и не ниже 2,5 м под перекрытиями. При прокладке трасс в кабельных полуэтажах, подвалах электромашинных помещений, проходах за щитами и панелями станций управления, переходах между ними и других помещениях, обслуживаемых специально обученным пер- соналом, высота расположения лотков не нормируется. При пересечении лотков с трубопроводами расстояние между ними должно быть не менее 50 мм, а при их параллельной про- кладке — не менее 100 мм; при пересечении лотков с трубопрово- дами с горючими жидкостями или газами расстояние между ними 264
юлжно быть не менее 100 мм, а при их параллельной прокладке — не менее 250 мм. Расстояния между точками крепления лотков не нормированы, но обычно это 2...2,5 м. Конструкции и кронштейны для установки лотков крепятся к с гроительным основаниям дюбелями, забиваемыми строительно- монтажным пистолетом, а к закладным или другим металличес- ким конструкциям сваркой или распорными дюбелями. Сварные лотки крепятся к кабельным полкам или монтажным профилям специальными прижимами. Лотки, предназначенные для установки на кабельных полках, предварительно соединяют в сек- ции, поднимают на опорные конструкции и закрепляют так, что- бы исключить возможность их падения или сползания. Лотки для прокладки проводов и кабелей имеют длину 2 м, а стандартный шаг строительных конструкций — 6 м. Поэтому при установке лотков поперек ферм перекрытий во избежание прови- сания увеличивают их жесткость с помощью оттяжек или опор из угловой стали, прокладывая их от балки к балке. Однако целесооб- разно прокладывать лотки под перекрытиями на тросе или канате. Для этого между балками натягивают катанку диаметром 8... 10 мм, которая крепится на скобах к П-образным кронштейнам, установ- ленным на балках, и имеет натяжные устройства. После укладки проводов и соединения лотков загибают их бортики вокруг катан- ки через каждые 500...800 мм. Короба, прокладывая в любом пространственном положении и на любой высоте, крепят к стенам, перекрытиям, колоннам, фермам на кронштейнах, подвесках и других конструкциях. Соеди- няются элементы коробов болтами, при этом между ними обес- печивается надежная электрическая цепь заземления. Во избежание скопления влаги короба прокладываются с не- большим уклоном в сторону спусков к щиткам или электропри- емникам. Расстояния между точками крепления коробов на пря- мых участках должны быть не более 3 м. Кроме того, короба за- крепляют на поворотах, ответвлениях и при обходе препятствий. Высота установки коробов не нормируется. По выбранной трассе и выполненной разметке для коробов так же, как и для лотков, устанавливаются опорные конструкции и тросовые подвесы. Рас- стояния между точками крепления коробов на опорных конструк- циях при крышке, расположенной сбоку, не более 3 м, при крыш- ке, расположенной снизу, не более 1,5 м, а от стены до лотка или короба не менее 120 мм. Опорные конструкции и тросовые подвесы для коробов кре- пятся сваркой к закладным частям, дюбелями или другими кре- пежными деталями. На колоннах и фермах устанавливаются обой- мы для закрепления подвесов и оттяжек. Короба собираются в маги- страль длиной до 12 м в МЭЗ или на месте монтажа, поднимаются, 265
укладываются на опорные конструкции и закрепляются прижи- мами, скобами или подвешиваются на тросовых подвесах. Одновременно с установкой коробов выполняют ответвления, повороты, подъемы, обходы препятствий и другие переходные эле- менты магистралей с помощью готовых конструкций, деталей и секций соответствующего профиля, а также с использованием пер- форированных монтажных профилей и полос. Соединения коро- бов выполняются с помощью специальных соединительных пла- нок, входящих в комплект поставки. Соединив между собой отдельные секции в магистральную ли- нию (горизонтальную или вертикальную), присоединяют ее к кон- туру защитного заземления не менее чем в двух удаленных друг от друга местах стальной полосой сечением не менее 40 * 2 мм. Каж- дое ответвление магистрали дополнительно заземляется в конце. При многоярусной параллельной прокладке нескольких магист- ралей заземление выполняется одной стальной полосой, прива- ренной к каждой из них и к контуру заземления. Сварные лотки и короба можно использовать в качестве зазем- ляющих проводников. Все соединения при монтаже лотков производятся с помощью резьбового крепежа. Для надежного электрического контакта в ме- стах соединения прямых окрашенных лотков фланцы должны иметь гальваническое покрытие. Электрический контакт вспомогатель- ных элементов с прямыми окрашенными лотками обеспечивается стопорными шайбами либо зачисткой мест контакта. Для предот- вращения самоотвинчивания резьбового крепежа используют пру- жинные шайбы. Прокладка проводов и кабелей на лотках и в коробах. Электро- проводки заготавливаются в мастерских на основании проекта и предварительных замеров. Длина проводов и кабелей рассчитыва- ется с учетом особенностей трассы и запасом их на ввод в элект- роприемники и повторные соединения. После установки лотков по трассе производится прокладка в них проводов, заготовленных в мастерских или непосредственно на объекте, в следующем порядке: подъем, раскатка и укладка на лотках; раскладка и закрепление на лотках; выполнение подсоединений и ответвлений. Готовые комплекты электропроводок и мерные отрезки, свер- нутые в бухты и намотанные на инвентарные барабаны, поступа- ют на объект и размещаются в удобных для раскатки местах. Провода и кабели прокладываются на лотках с помощью роли- ков и направляющих желобов, которые расставляют по трассе на расстоянии Юм друг от друга, на углах и в местах изменения высоты. Протягиваются кабели и провода с помощью лебедки, а также механизмов и приспособлений, обеспечивающих работы на 266
Рис. 8.20. Приспособление для прокладки кабелей в лотках высоте (переставных подмостей, лестниц-стремянок, телескопи- ческих вышек или гидроподъемников). Раскладка проводов и кабелей на лотках рядами производится с помощью механизмов и приспособлений, обеспечивающих воз- можность работы на высоте. Кроме того, кабели можно проклады- вать на лотках с пола, используя простое приспособление, пока- янное на рис. 8.20, которое состоит из рамы и двух'закрепленных на ней вращающихся роликов, предназначенных для передвиже- ния приспособления по борту лотка. К раме прикреплена пласти- на с прорезью, а к пластине на шарнире — конструкция с четырьмя вертикальными и двумя горизонтальными роликами, через кото- рые пропускается кабель. С помощью винта, проходящего через прорезь пластины, и болта, скрепляющего конструкцию с роли- ками, осуществляется укладка кабеля в лотки в нужном ряду. Ук- ьщка выполняется двумя рабочими: один перемещает штангу с фиксирующим устройством по борту лотка, а другой наблюдает ja раскаткой кабеля с барабана. Такое приспособление обеспечи- вает высокое качество работ и безопасные условия труда. Провода и кабели на лотках могут укладываться рядами, пуч- ками и пакетами (рис. 8.21), но с соблюдением следующих требо- ваний: в пучке не должно быть более 12 проводов и они должны быть скреплены бандажами; расстояние между бандажами на горизонтальных прямолиней- ных участках трассы должно быть не более 4,5 м, а на вертикаль- ных — не более 1 м. 267
Iqpooooof г) Рис. 8.21. Различные способы прокладки проводки на лотках: а — провода и кабели вместе в несколько рядов без зазоров; б — толь- ко провода в пучках с зазором; в — кабели в один ряд без зазоров; г — кабели в один ряд соответственно с зазорами; д, е — кабели в один ряд соответственно с зазором и без него на расстоянии от пучка проводов Кабели лучше укладывать в один ряд (можно без зазора). До- пускается также укладывать кабели пучками (по два-три слоя в пучке, а в исключительных случаях, специально обоснованных в проекте, — более трех слоев) без зазора. Наружный диаметр пучка должен быть не более 100 мм. В коробах кабели и провода допускается прокладывать много- слойно, располагая их произвольно. Для прокладки в коробах применяются провода марок АПВ, АПП, АПН, АПРН, АПРВ, АПРТО и кабели марок АВРГ, АНРГ, АСРГ, АВВГ, АПВГ и др. Для обеспечения нормального охлаждения кабелей сумма пло- щадей их сечений в одном коробе, не должна превышать 40 % площади поперечного сечения короба. Крепление отдельных проводов и кабелей и их пучков произво- дится только на вертикальных участках коробов при расположении их крышками вниз, на поворотах и в местах ответвлений. При этом расстояние между точками крепления должно составлять не более 1 м при вертикальном расположении короба, не более 3 м при крышке, направленной в боковую сторону, и не более 1,5 м при расположении короба крышкой вниз. Для крепления проводов и кабелей в коробах используются накладные скобки, перфориро- ванная монтажная лента с кнопками и другие крепежные изделия. Ответвления к электроприемникам выполняются в гибких вво- дах, пластмассовых трубах, перфорированных монтажных профи- 268
Рис. 8.22. Способы крепления проводов и кабелей в лотках: а — зубчатой полоской; б — металлической полоской с пряжкой; в — перфори- рованной лентой с кнопкой лях или непосредственно проводами в гибких поливинилхлорид- ных трубках. В местах выхода из коробов изоляцию проводов и ка- белей защищают от повреждений пластмассовыми втулками типа В или подмоткой изоляционной ленты. Провода и кабели, проложенные в лотках, жестко закрепля- ются: не более чем через 1 м при вертикальной установке лотков и не более чем через 0,5 м до и после поворота или ответвления при горизонтальной их установке. Крепление проводов и кабелей в лотках различными крепеж- ными деталями показано на рис. 8.22. Пучки проводов скрепля- ют обоймами, бандажами или прокладывают между разделитель- ными обоймами. Соединения и ответвления проводов и кабелей, проложенных на лотках, производят в коробках и ящиках или в специальных сжимах с изолированной оболочкой, которые же- стко закрепляются. Проложенные провода маркируются на кон- цах и в местах ответвлений, и короб закрывается крышками на болтах. Вопросы для самоконтроля I. 1. Где прокладывают электропроводку на лотках и в коробах? 2. Какие провода прокладываются на лотках и в коробах? 3. В каких помещениях запрещается прокладка электропроводок в коробах? II. 1. Назовите преимущества прокладки проводки на лотках и в коробах. 2. Что представляют собой лотки? 3. Каково устройство стального короба? 4. Что представляют собой короба единой серии? 5. Какова последовательность выполнения монтажных операций? 6. Как можно укладывать провода и кабели на лотках? III. 1. В чем преимущество лотков перед коробами? 269
Как устанавливаю гея лотки? 3. Как устанавливаются короба? 4. Каковы требования при прокладке проводов на лотках? 5. Расшифруйте обозначение лотка НЛ40-П2. 8.7. Монтаж электропроводок в трубах Область применения электропроводок в трубах. Стальные трубы применяют для защиты проводок от механических повреждений, а также для защиты изоляции проводов и самих проводов от раз- рушения средой помещения. В первом случае трубопровод может быть негерметичным, а во втором — только герметичным (влаго- и пыленепроницаемым). Сталь — основной материал, широко применяемый в строительстве и для изготовления различных инструментов. Она сравнительно недорога и обладает хорошими механическими, физико-химическими и технологи- ческими свойствами. Высокая химическая стойкость некоторых сталей в агрессивных сре- дах определяется наличием в них большого количества хрома или хрома и никеля. Большая коррозионная стойкость сталей достигается соответ- ствующими термической и механической обработками. Для достижения более высокой коррозионной стойкости при срав- нительно невысокой прочности хромоникелевые стали закаливают в воде при температуре 1100... 1150°C. Для повышения прочности сталь подвер- гают холодной пластической деформации. Для экономии дорогостоящий никель часто заменяют марганцем. Для обеспечения герметичности трубопровода уплотняются ме- ста соединения труб между собой и места присоединения их к ап- паратам и приборам. Степень уплотнения труб может быть различ- ной. Во взрывоопасной среде уплотнение трубопровода должно выдерживать повышенное давление. В помещениях с химически ак- тивной средой уплотнение должно предохранять от проникнове- ния внутрь трубопровода агрессивных к проводам газов и жидко- стей. Использование электропроводки в трубах за последние годы за- метно сократилось, особенно для осветительных сетей. Ее приме- няют только в тех случаях, когда недопустим другой вид провод- ки, например на химических предприятиях с взрывоопасной или химически активной средой, некоторых производствах металлур- гической промышленности и др. Литые трубы, используемые в качестве защитных оболочек электропроводок, заменяются во всех возможных случаях на тон- костенные металлические электросварные трубы, что экономит 600... 900 кг металла на 1 км линии. Применяют также легкие сталь- ные водогазопроводные (газовые) трубы с толщиной стенок на 270
1 .’О'/ меньше» чем у обыкновенных iа юных ipyb, например 1 bi шкрьпой прокладки 6с» уплощения mcci соединения груб и пипа их в коробки в сухих нормальных помещениях; скрытой и икрыюй прокладки с уплотнением мест соединения труб и мест нво ia их в коробки в стенах, перекрытиях, полах, фундаментах и ipyi их строительных элементах сооружений, а также во влажных, ырких, пыльных и пожароопасных помещениях. Во взрывоопасных помещениях допускается применение лег- » их стальных труб печной сварки с толщиной стенки на 0,5 мм меньше, чем у водогазопроводных труб. Замена труб защитными кожухами из листовой стали дает эко- номию металла свыше 50%. Для трубной канализации применяют также пластмассовые и иочимерные трубы (полиэтиленовые, винипластовые, полипро- пиленовые), обладающие коррозийной и высокой химической ус- юпчивостью, влагостойкостью, хорошими электроизолирующи- ми свойствами, достаточной механической прочностью, гладкой поверхностью. При этом повышается надежность электропроводок в агрессивной среде, уменьшается вероятность замыкания на зем- но. Недостатком полиэтиленовых труб является их горючесть. Полиэтилен — твердый непрозрачный материал белого или светло- серого цвета несколько жирный на ощупь, который получают посред- с гвом полимеризации газа этилена под давлением. Это термопластичный материал, поступающий на заводы в виде гранул. Изделия из него полу- чают методом литья под давлением, горячим прессованием или экстру- зией. Метод экструзии применяется при нанесении полиэтиленовой изо- |яции на провод, а также при изготовлении изоляционных шлангов и трубок. Для улучшения термомеханических свойств полиэтилена на него воз- тсйствуют ионизирующим облучением, например потоком электронов из ускорителя. В результате такой обработки повышаются его нагрево- стойкость (до 100 °C) и механическая прочность. Поливинилхлорид (полихлорвинил) представляет собой порошок белого цвета, из которого получают горячим прессованием или горячим выдавливанием механически прочные изделия (платы, трубы и др.), стой- кие к воздействию минеральных масел, многих растворителей, щелочей и кислот. Горячим прессованием порошкообразного поливинилхлорида полу- чают твердый и жесткий материал — винипласт в виде листов, пластин, труб и стержней, который отличается химической стойкостью к мине- ральным маслам, разбавленным щелочам и кислотам, высокой механи- ческой прочностью (особенно к ударным нагрузкам) и высокими элек- троизоляционными свойствами. Винипластовые трубы разрешается использовать в сухих, влаж- ных, сырых, особо сырых и пыльных помещениях, в помещениях с химически активной средой и для наружных электропроводок: 271
при открытой и скрытой прокладке непосредственно по несгора- емым и трудносгораемым стенам, перекрытиям и конструкциям; при скрытой прокладке по сгораемым стенам, перекрытиям и кон- струкциям по слою листового асбеста толщиной не менее 3 мм или намету штукатурки толщиной до 5 мм, выступающему с каждой стороны трубы не менее чем на 5 мм с последующим заштукату- риванием слоем толщиной до 10 мм, а также в агрессивном грун- те для защиты кабелей. Запрещается применять эти трубы при от- крытой и скрытой прокладке во взрыво- и пожароопасных поме- щениях, в больницах и домах для престарелых и инвалидов, а при открытой прокладке — в зрительных залах, на сценах и в кинобуд- ках зрелищных предприятий и клубов, в яслях, детских садах и пионерских лагерях, на чердаках, в жилых и общественных зда- ниях высотой более 10 этажей и вычислительных центрах. Полиэтиленовые и полипропиленовые трубы разрешается при- менять в сухих, влажных, сырых, особо сырых и пыльных поме- щениях и помещениях с химически активной средой для скрытой прокладки по несгораемым основаниям, в наружных электропро- водках непосредственно по несгораемым основаниям, в подлив- ках полов и фундаментах оборудования (при условии предохране- ния труб от механических повреждений), а также в агрессивном грунте для защиты кабелей. Запрещается использовать эти трубы во взрывоопасных зонах и пожароопасных помещениях, в зданиях ниже второй степени огнестойкости, в животноводческих поме- щениях, а также в помещениях, указанных для винипластовых труб. Полипропиленовые трубы обладают большими термостойкос- тью и механической прочностью по сравнению с полиэтилено- выми, но при отрицательных температурах отличаются повышен- ной хрупкостью. Трубы из полиэтилена и винипласта могут иметь диаметр ус- ловного прохода от 15 до 50 мм. В зависимости от толщины стенок полиэтиленовые трубы разделяются на легкие (от 1,6 до 3 мм), средние (от 2,3 до 6,8 мм) и тяжелые (от 3,5 до 10,5 мм). Кроме того, полиэтиленовые трубы выпускаются низкой и высокой плот- ности с меньшей толщиной стенок. Винипластовые трубы выпус- каются шести диаметров с толщиной стенок от 1,6 до 2,2 мм и длиной 5... 8 м. Все трубы поставляются в бухтах до 25 м. Трубы из полимеров по сравнению со стальными имеют следу- ющие преимущества: небольшую массу, простоту обработки и мон- тажа, небольшую стоимость. Применение гибких бумажно-металлических труб вместо сталь- ных экономит сталь и упрощает монтаж. Так как они выпускаются большой длины, сокращаются отходы и число мест соединений. Гиб- кость труб позволяет легко обходить препятствия, причем изгиба- ние их производится без каких-либо приспособлений. Эти трубы 272
обеспечивают достаточную электрическую прочность электропро- водок, но металлическая оболочка их настолько тонка (0,1... 0,2 мм), что может защитить провода только от легких механических по- вреждений. Ограниченное применение этих труб объясняется их высокой стоимостью, а следовательно, незначительным выпуском. Индустриальная заготовка труб и трубных электропроводок. За- готовку и обработку труб и элементов трубных разводок, сборку их в трубные блоки, пакеты и узлы, а также обработку и заготов- ку электропроводок для прокладки их в трубах выполняют индус- триально в МЭЗ на первой стадии монтажа. Отдельные трубные участки изготавливают и собирают в комплекте с соединительны- ми и ответвительными коробками и с затянутыми в них провода- ми. Для монтажа небольших трубных разводок к отдельно стоящим приводам используют стандартные предварительно заготовленные трубные детали, при этом монтаж труб сводится к сборке деталей и прямых отрезков труб. Существующие в монтажных организациях технологические ли- нии отличаются друг от друга степенью механизации операций по обработке и заготовке трубных элементов, в частности способа- ми очистки и сушки труб. Применяют различные способы окрас- ки труб — от простейшего окунания их в ванну с окрасочным со- ставом до использования специальных окрасочных установок с пи- столетами-распылителями разной конструкции. Сушку окрашенных труб производят также различными способами, включая естествен- ную на стеллажах. Наиболее производительна сушка в сушильных камерах с продувкой подогретым воздухом. Технологическая ли- ния обычно состоит из площадок для складирования неокрашен- ных, окрашенных труб и готовых элементов трубной заготовки, а также отделений для окраски и механической обработки труб. Пло- щадки для складирования находятся на открытом воздухе. Станки и приспособления технологической линии располага- ются в определенной последовательности с соблюдением прин- ципов поточности и механизации основных трудоемких операций. Станки, связанные между собой системой рольгангов, имеют вдоль линии столы-накопители для временного складирования межопе- рационного задела заготовок. На технологической линии по обработке стальных труб выпол- няются следующие операции: складирование необработанных труб на стеллажах по сортам и размерам, окраска и сушка труб, скла- дирование окрашенных труб на стеллажах, их разметка и резка, зачистка (раззенковка) концов труб после резки, нарезка резьбы, изгибание, комплектация и маркировка труб. Подъем со стелла- жей, транспортировка к месту обработки, передвижение по по- точной линии, сборка трубных заготовок в пакеты и блоки вы- полняются с помощью электрической тали, мостового крана, уз- 273
коколейной вагонетки, рольгангов и других механизмов в зависи- мости от местных условий и возможностей. Механическую обработку труб выполняют в следующем порядке. На разметочном столе-рольганге целые трубы размечают на отдель- ные мерные отрезки. Разрезают трубы на трубоотрезных станках различного исполнения, а также маятниковыми или дисковыми пилами. Выполняют резьбу на концах стальных труб с помощью резьбонарезных станков и резьбонакатных патронов и плашек. Снимают фаски по внутреннему диаметру труб трубными райбе- рами или конусными фрезами. Изгибают целые трубы и их отрезки на ручных и приводных гибочных станках, например на универсальном шинотрубогибном станке УШТМ-2. Планировку размещения оборудования технологической линии производят в соответствии с нормированными расстояниями: от станка до стены (колонны) — 800... 1000 мм; между станками по потоку — в зависимости от размеров транспортных средств, со- единяющих рабочие места, но не менее 1500 мм. В практике монтажных организаций в основном нашли приме- нение четыре метода индустриальной заготовки элементов труб- ных трасс. 1. По трубозаготовительным ведомостям и эскизам проекта без предварительных измерений. В трубозаготовительной ведомости, вхо- дящей в состав проекта, приводится спецификация всех деталей заготовок. По этим спецификациям в мастерских заготавливают прямые отрезки труб и нормализованные стандартные колена, из которых собирают блоки трубных трасс. Для труб с условным прохо- дом до 50 мм радиус изгиба стандартных колен составляет 400 мм, а углы поворота — 90, 120, 135° Подгонку заготовок осуществля- ют вставляя отрезки труб по измерениям (так называемые отрез- ки X). Если трубозаготовительная ведомость отсутствует в проек- те, но имеются чертежи трубных линий с привязками, ее состав- ляют по этим чертежам. Этот метод индустриальной заготовки обусловливает наличие лишних соединений и повышенный расход соединительных муфт, поэтому его целесообразно применять при монтаже протяжен- ных трасс с использованием прямых труб полной строительной длины. Преимущество этого метода заключается в возможности заготовки в МЭЗ или на заводах всех трубных элементов забла- говременно, независимо от готовности строительной части соору- жения. 2. По трубозаготовительным ведомостям и эскизам, составлен- ным с предварительными измерениями. Измерения и составление эс- кизов трубных трасс в этом случае производятся, как правило, специально обученными электромонтажниками-замерщиками из 274
i рупп подготовки производства. На эскизах трубные электропроводки выполняются в одной-двух проекциях, а при сложных трассах — в пространственном изображении с применением принятых услов- ных обозначений. Для замера трубных трасс выпускается набор инструментов и приспособлений для электромонтажника-замер- щика (НИЗ), который состоит из угломера, линейки-трафарета, гелескопической линейки, счетной линейки для заготовки труб, рулетки, складного метра, уровня, отвеса, штангенциркуля, го- товальни, угольника, деревянной складной линейки (2 м) и ло- । арифмической (125 мм). К набору прикладываются таблица для определения массы материалов и таблица условных графических обозначений электрического оборудования и проводок. Масса на- бора в специальном футляре 6,6 кг. Этот метод заготовки трубных трасс применяют только при го- товой строительной части сооружения. 3. По трубозаготовительным ведомостям, составленным с учетом использования нормализованных трубных соединительных элементов. Этот метод является наиболее прогрессивным. В номенклатуру нор- мализованных элементов, которые изготовляют в МЭЗ и на заво- iax, входят стандартные колена с углами поворота 90, 120 и 135° и радиусом изгиба 400 мм для труб с условным проходом до 50 мм и прямые элементы. 4. По макетам. Этот метод применяется при выполнении труб- ных разводок в фундаментах и подливках полов для сложных си- ловых установок. Для осветительных установок этот метод не при- меняется. Заготовленные в МЭЗ отдельные трубы, трубные блоки и па- кеты транспортируются к месту монтажа. Блоки значительной про- тяженности собирают отдельными секциями для удобства транс- портировки. При сборке укрупненных трубных блоков необходи- мо учитывать кроме их массы и транспортабельности наличие и размеры монтажных проемов для подачи их к месту установки. МЭЗ выдают для монтажа на объекте следующую готовую про- дукцию: отдельные целые трубы или их отрезки, включая изогнутые под требуемым углом с резьбой на обоих концах или без резьбы, с соединительными муфтами, гильзами или манжетами; трубные пакеты, состоящие из нескольких полностью обрабо- танных труб, укрепленных на общей опорной конструкции в один ряд и укомплектованных соединительными деталями; трубные блоки, т. е. несколько полностью обработанных труб, укрепленных параллельно в несколько рядов на общей опорной конструкции и укомплектованных соединительными деталями; трубные монтажные узлы, объединяющие несколько элемен- тов трубных разводок или несколько трубных пакетов и блоков, 275
1 Рис. 8.23. Применение унифицированных изделий при монтаже электро- проводок в трубах: а — установочных заземляющих гаек для соединения стальных труб с коробка- ми; б — вводных патрубков и трубных разъемных муфт для безрезьбового соеди- нения стальных труб с металлорукавами; 1 — гайка; 2 — коробка; 3 — стальная труба; 4 — вводный патрубок; 5 — трубная разъемная муфта соединенных между собой ответвительными коробками и протяж- ными ящиками в единое целое. Трубные блоки и отдельные их элементы поставляются на мон- тажный объект комплектно в собранном виде вместе с протяж- ными и ответвительными коробками, протяжными ящиками, уни- фицированными изделиями и деталями. К последним относятся одно- и двухлапковые скобы и скобки для крепления проводов и кабелей с разными диаметрами непосредственно к основаниям; установочные заземляющие гайки для создания металлического контакта между трубой и стенкой ящика, аппарата или коробки (рис. 8.23, а), в которые вводится труба; трубные разъемные муфты и патрубки для безрезьбового соединения стальных труб с ме- таллорукавами (рис. 8.23, б); пластмассовые разъемные и неразъ- емные втулки для оконцовки труб и защиты проводов. Соедине- ния и ответвления проводов, монтируемых в трубах, выполняют- ся в пластмассовых, стальных или чугунных коробках, а также 276
стальных ящиках, выпускаемых для разных условий окружающей среды. Пластмассовые трубы, как и стальные, заготавливаются на тех- нологических линиях в мастерских, где также производят правку труб, поступающих в бухтах, разметку, резку, изгибание, установку ответвительных коробок и сборку в блоки, но они не требуют очистки и окраски. Подготовка трубных трасс и прокладка труб. Подготовка трасс для прокладки трубопроводов начинается с выбора их места и разметки. Указанные в рабочих чертежах проекта направления и протяженность трубных трасс, привязка их к технологическим осям и комплектным устройствам, места установки протяжных ящиков и выхода труб к электроприемникам уточняются на месте. Установленные нормативные расстояния между точками креп- ления труб, радиусы их изгиба и другие размеры необходимо строго соблюдать при разметке трубных трасс. Крепление стальных труб сдиаметрами 10...20, 25...32, 40... 80, 100 мм производят соответственно через 2,5; 3; 3,5...4 и 6 м, а на изгибах — через 150... 200 мм от угла поворота. Расстояние от труб отопления и горячего водоснабжения до трассы при параллель- ной прокладке должно быть не менее 100 мм, а при пересечени- ях — 50 мм. Трубы при скрытой прокладке в воду необходимо за- глублять не менее чем на 20 мм и защищать слоем цементного раствора. Расстояние между протяжными коробками не должно превышать на прямых участках — 75 м, при одном изгибе трубы — 50 м, при двух — 40 м, при трех — 20 м. При изгибании труб следует использовать нормализованные углы поворота (90, 105, 120, 135 и 150°) и радиусы изгиба (200, 400 и 800 мм). Минимально допустимый радиус изгиба труб диа- метром 50 мм при открытой прокладке равен четырем наружным диаметрам трубы, при больших диаметрах — шести; при проклад- ке труб в бетонных массивах — десяти (как исключение шести); при прокладке (открытой и скрытой) в трубах кабелей с голой свинцовой, алюминиевой и поливинилхлоридной оболочками — десяти (допускается и шести при скрытой прокладке, когда вскры- тие трубопровода не затруднено). Расстояния между точками крепления полимерных труб с диа- метрами 15, 20, 25, 32, 40 и 50 мм должны быть соответственно 1; 1,4; 1,8; 2,2 и 3 м, а между осями параллельно прокладываемых труб с диаметрами до 25, 50, 70 и 80 мм — соответственно 65, 105, 140 и 150 мм. Кроме того, при разметке трубных трасс необходимо: располагать все ответвительные коробки на прямых участках размотки на одной линии, параллельной архитектурным лини- ям здания;
устанавливать в местах пересечения осадочных и температур- ных швов специальные ящики с компенсаторами или гибкие ком- пенсаторы; наклонять трубные трассы в одну сторону, в частности при обходе препятствий, для предотвращения образования водяных мешков или скопления влаги от конденсации паров; выполнять трубные трассы не более чем с тремя прямыми уг- лами; избегать пересечений и сближений с горячими поверхностями и трубами теплотрасс; сокращать число обходов препятствий и мест пересечения труб с другими коммуникациями. Начало трубных трасс определяют по рабочим чертежам, на ме- сте определяют расположение щитов, щитков, шкафов и других электроконструкций, а затем производят их точную разметку. Ме- ста установки электроприемников размечают с точной рациональ- ной привязкой к ним концов труб. Далее по высотным отметкам и расположению осей наносят линию, связывающую между собой электроконструкции и электроприемники. Для одиночных трубо- проводов эта линия является местом их точного расположения; для трубных блоков вертикальные линии разметки определяют их среднюю ось, а горизонтальные — верхние края. На определив- шейся трассе размечают места установки протяжных и ответви- тельных ящиков и коробок в натуральных размерах; производят разбивку поворотов труб, придерживаясь нормализованных углов и радиусов изгиба труб, отмечают места установки опорных кре- пежных конструкций. Трассы скрытых трубйых проводок можно размечать по кратчайшим расстояниям или любому удобному на- правлению. Сборку трубных заготовок в трубопроводы на месте монтажа осуществляют по проектным чертежам прокладки труб и трубоза- готовительным ведомостям. Элементы заготовок, поступающие на место монтажа, имеют порядковые номера, указанные в ведомо- стях и чертежах. Заготовки маркируют обычно от начала трубопро- вода к его концу в определенной последовательности (каждую трубную нитку или поток труб, составляемый из трубных пакетов и блоков). Отдельные элементы трубных заготовок, трубные паке- ты и блоки собирают в трубопроводы последовательно (от начала к концу или с обоих концов навстречу друг к другу) и по мере сборки прикрепляют их к опорным конструкциям. Электропроводки в трубах могут быть скрытыми и открытыми, при этом технология их монтажа одинакова. Открытая прокладка труб требует более тщательной их обработки для придания мон- тируемой электросети хорошего внешнего вида, поэтому изгиба- ние труб в этом случае производят с меньшим радиусом. 278
Стальные трубопроводы прокладывают непосредственно по строительному основанию или на опорных конструкциях (пото- лочных и настенных) различного исполнения (рис. 8.24, а...ё). При открытой прокладке одиночные трубы крепят скобами с одной или двумя лапками (рис. 8.24, ж). Опорные конструкции устанавлива- ют в одной плоскости по линии разметки: сначала две крайние конструкции на трассе проводки или ее отдельного участка, а за- гс м, натянув между ними шнурок или проволоку, на равных рас- стояниях, на одном уровне и в одной плоскости — остальные. За- крепляют их на расстоянии 50... 100 мм от строительной поверх- ности, облегчая прокладку труб по неровным стенам и потолкам, а также их ввод в протяжные ящики и ответвительные коробки. К опорным конструкциям трубы крепятся: накладками, хомута- ми (рис. 8.24, з, и) и другими деталями заводского изготовления; не допускается крепление труб к металлическим конструкциям сваркой. При монтаже трубных блоков опорные конструкции не применяют, поскольку конструкции, связывающие трубы в бло- ки, служат одновременно и опорными. Трубы, проложенные скры- то в бороздах, примораживают алебастровым раствором, а затем штукатурят. В полах, каналах или фундаментах трубы прикрепля- ют к стальной арматуре либо специальным опорным конструкци- ям во избежание их малейшего смещения при замоноличивании. Заделку скрытых трубных проводок выполняют после провер- ки качества монтажа, а также качества укладки и соединения труб Рис. 8.24. Опорные и крепежные конструкции и детали для трубных проводок: а, б, в — потолочные опорные конструкции соответственно из уголка, перфори- рованной полосы и на подвесках; г, д — настенные опорные конструкции; е — кронштейн; ж — скоба; з — накладка; и — хомуты 279
и оформляют актом на скрытые работы. Трубы соединяют между собой муфтами с резьбой, а также муфтами без резьбы, манжета- ми, с помощью соединительных и ответвительных коробок и ящи- ков. Места соединений труб уплотняются подмоткой на резьбу пенькового или льняного волокна, пропитанного суриком или бе- лилами, тертыми на олифе, или все чаще в последнее время лен- той ФУМ (фторопластовый уплотняющий материал). Соединение труб электропроводок, используемое в качестве за- земляющего проводника, должно создавать надежный электричес- кий контакт. При открытой проводке труб в сухих нормальных поме- щениях такое соединение выполняется муфтами с контргайками, а при скрытой и открытой проводках в остальных помещениях — муфтами на резьбе с уплотнением мест соединений. Допускается также электрическое соединение приваркой металлических пере- мычек достаточной проводимости (круглая сталь диаметром 5 мм). Резьба на трубах может быть длинной (сгон), на которой дол- жны поместиться муфта и контргайка; средней (полусгон), пред- назначенной для размещения двух контргаек с запасом, и корот- кой, составляющей не менее половины соединительной муфты. В отдельных случаях (во взрывоопасных зонах, при наличии со- трясений и вибраций) соединительные муфты дополняют контр- гайками. Соединения труб, прокладываемых открыто без уплотне- ния мест соединений, можно выполнять манжетами, гильзами или муфтами с раструбом. Повышенные требования предъявляются к электропроводкам в стальных трубах во взрывоопасных зонах, монтаж которых вы- полняется в соответствии с инструкцией ВСН 332—74. Длину от- крыто прокладываемых трубопроводов в этом случае необходимо сокращать за счет рационального выбора трасс. Однако любое из- менение трассы должно согласовываться с проектной организа- цией или заказчиком. Открыто прокладываемые электропроводки в трубах во взрывоопасных зонах должны располагаться ниже тех- нологических трубопроводов, если отношение плотности горючих паров и газов, проходящих в них, к плотности воздуха менее 0,8, и выше технологических трубопроводов, если это отношение бо- лее 0,8. В сырых, особо сырых помещениях, а также в помещениях с возможным резким изменением температуры, где в трубах может образовываться конденсат, трубопроводы должны прокладывать- ся с уклоном не менее 3 мм на 1 м длины (с коэффициентом 0,003) к специально устанавливаемым для сбора конденсата водосборни- кам. Водосборник представляет собой отрезок водогазопроводной трубы длиной 200...300 мм, соединенный с трубопроводом или через свободный патрубок коробки, или через специально уста- новленный водопроводный прямой тройник, и направленный вниз. 280
Внизу водосборной трубки на короткой резьбе устанавливается муфта с пробкой. Устанавливать краны, вентили и другую армату- ру для спуска конденсата на коробках и водосборных трубках не спускается. Трубопроводы, собираемые из винипластовых, полиэтилено- вых и полипропиленовых труб, имеют небольшую механическую прочность, поэтому их надо защищать от механических нагрузок н ударов. Механические свойства пластмассовых труб зависят так- же от окружающей температуры: при температуре ниже О °C трубы становятся жесткими и хрупкими, с ее повышением — пластич- ными, а при НО... 150°C — плавятся. Обработку и монтаж пластмассовых труб производят только при температуре выше нуля. Трубы и детали к ним, транспортируемые к месту работ при минусовой температуре, должны быть выдер- жаны перед монтажом при температуре выше нуля. Винипластовые трубы обладают способностью значительно из- менять свою длину в зависимости от окружающей температуры. При открытой прокладке длинных трубопроводов из этих труб такие изменения воспринимаются элементами самого трубопровода (уг- лами, утками, отводками) или специальными компенсаторами. Для обеспечения свободного перемещения при изменении длины ви- нипластовые трубы к опорным конструкциям прикрепляются жест- ко (неподвижно) скобами с прокладками из прессшпана только на конечных участках трассы, в местах ввода их в корпуса ящиков, коробок, аппаратов и при вертикальной прокладке. Промежуточ- ные же крепления труб за счет использования скоб несколько большего размера должны обеспечивать их свободное продольное перемещение. Расстояние между пластмассовыми электропроводами и тепло- проводами при их параллельной прокладке должно быть не менее 100 мм, причем пластмассовый электропровод прокладывается ниже теплопровода; при их пересечении расстояние между ними должно быть не менее 50 мм. Пластмассовые трубы в местах прохода через стены и перекры- тия прокладывают в стальных, резиновых или пластмассовых гиль- зах. Соединение труб в этих гильзах не допускается. Внутренний диаметр гильзы должен на 5... 10 мм превышать наружный диа- метр трубы, а края гильзы должны выступать на 10... 20 мм за пре- делы стен и других строительных оснований. Полиэтиленовые трубы из-за их горючести могут проклады- ваться только скрыто. Запрещается прокладка этих труб в горя- чих цехах. Трасса их прокладки не должна совпадать или пересе- каться с горячими поверхностями. Полиэтиленовые трубы соеди- няются сваркой в литых полиэтиленовых муфтах, горячей обсад- кой в муфтах с раструбами, муфтами из термоусаживающихся 281
материалов (термофитов), склеиванием в муфтах и самосклеива- ющейся лентой. Соединение винипластовых труб между собой осуществляется в литых винипластовых муфтах или муфтах с раструбом (образуе- мом на одном из концов соединяемых труб оправкой), а с короб- ками и ящиками — клеем БМК-5 или ИКФ-147. В сухих нормальных помещениях склеивания или специального уплотнения полиэтиленовых труб не требуется, но обязательно крепление их в местах ввода, выполняемое плотной посадкой на вводный патрубок с помощью уплотнительной втулки. Изгибание винипластовых труб осуществляется с предваритель- ным нагревом, а полиэтиленовых — при температуре выше нуля, но без подогрева. При горячей обсадке конец полиэтиленовой трубы на расстоя- нии 40...50 мм разогревается горелкой ГПВМ-0,1 в течение 45 с до размягчения, а затем в него вдвигается оправка для образова- ния раструба. После этого в образовавшийся неостывший раструб вставляется конец другой трубы. При соединении плотной посадкой конец одной трубы встав- ляют (вдвигают с усилием) вместе с царапающей вставкой в рас- труб другой трубы (муфты). Царапающая вставка представляет со- бой пластину размером 15x20 мм из листовой стали толщиной 0,3...0,5 мм с пробоями, нанесенными на нее в шахматном по- рядке с обеих сторон конусной оправкой. При соединении труб в термофитовой муфте ее равномерно про- гревают газовоздушной горелкой в течение 8... 10 с (температура усадки муфты 120... 135°C). Самоклеящуюся ленту типа ЛЭТСАРЛП наматывают на место соединения внахлест в два слоя с усилием, обеспечивающим ее двойное растяжение. Для выполнения электропроводок в полимерных трубах выпус- каются специальные комплекты нормализованных изделий: соеди- нительные уголки для поворота трассы, протяжные коробки, скоб- ки, уплотнительные втулки, соединительные муфты, а также трубы длиной 3 м с раструбом. Имеющийся вдоль электросварочного шва внутри тонкостен- ных стальных труб наплыв металла — грат создает трудности при их обработке и соединении. Рациональным для таких труб являет- ся соединение на обычной трубной резьбе с помощью стандарт- ных муфт, фитингов и коробок. В целях сохранения необходимой толщины стенок труб используется способ накатки резьбы, при этом металл выдавливается, и наружный диаметр резьбы стано- вится больше наружного диаметра трубы. Наличие вдоль сварочного шва острых выступов создает опас- ность повреждения изоляции проводов, грат удаляют или сплю- 282
шивают различными способами, например протягиванием через ’ рубу резцовой оправки с помощью троса электрической лебедки. Так как при сварке тонкостенных труб существует повышен- ная возможность прожога стенок, требуется сварщик высокой ква- шфикации и применение качественных электродов малого диа- метра; по этой же причине приваривать их к металлоконструкци- ям также не разрешается. Тонкостенные стальные трубы изгибают на трубогибочном стан- ке с использованием специальных сектора и вкладыша, имеющих клубленный ручей, т.е. выточку с диаметром на 2...3 мм больше половины диаметра трубы. Диаметр же сектора должен точно со- ответствовать диаметру трубы. Кроме того, в этом случае на стан- ке устанавливают прижимные ролики. Соединения открыто прокладываемых стальных труб, не тре- бующие уплотнений, производятся с помощью клиновых манжет и другими способами. При скрытой прокладке стальных труб с уп- ютнением применяются муфты на накатанной резьбе. Сварка труб или их приварка к металлоконструкциям не допускается. Прокладка проводов в трубах и их заземление. Для прокладки в ipy6ax допускается применять провода марок АПРТО, ПРТО, ЛГТВ, ПВ, ПГВ, АПР, ПР, АПРВ и ПРВ и кабели марок АВРГ, ВРГ, АНРГ, НРГ, АВВГ, АПВГ и др. Марки, сечения и число прокладываемых проводов и кабелей, а также размеры труб в каждом отдельном случае определяются проектом в зависимости от материала труб, способа их прокладки и окружающей среды. Силовые и осветительные электропроводки в трубах могут со- стоять из одной или нескольких электрических цепей и прокла- (.ываться на значительном протяжении по совместной трассе. Работы по монтажу электропроводок в трубах выполняются в определенной технологической последовательности в две стадии. На первой стадии, в процессе сооружения здания, осуществ- ляют подготовительно-заготовительные работы, в том числе об- работку и заготовку труб, их прокладку и заготовку электропро- водок. Трубные заготовки (рис. 8.25) выполняются: по трубозаготовительным ведомостям и чертежам рабочего про- екта; беззамерными, состоящими из прямых участков стальных труб нормальной длины, в комплекте с типовыми фасонными отвода- ми и углами, поставляемыми в определенном количестве на 100 м труб; по макетам, повторяющим точно размеры помещений, в кото- рых предполагается прокладывать трубы; по эскизам, составленным электромонтажниками-замерщика- ми с натуры непосредственно на монтажной площадке 283
Рис. 8.25. Трубные заготовки: а — трубы, изогнутые под разными углами; б — пакеты гнутых труб; в — пакеты и блоки прямых труб; г — блоки труб с общими фланцами На второй стадии затягивают провода в трубы и производят все подсоединения. Открытая прокладка труб может выполняться на второй стадии монтажа после окончания строительно-отделочных работ. Затягивание проводов в трубы производится с помощью про- волоки или троса. Перед этим удаляют со свободных концов труб пробки и заглушки, проверяют трубопровод продуванием возду- ха, вдувают в него тальк (для облегчения уменьшения трения про- вода о стенки труб) и затягивают протяжную стальную ленту или стальную спираль с шариком на конце либо стальную проволоку диаметром 1,5...3,5 мм с петлей на конце. Протяжную проволоку проталкивают в трубу со стороны одной из коробок или с конца трубы, а протяжной трос затягивают с помощью специального гиб- кого шланга. На концах трубопровода устанавливаются втулки для предо- хранения изоляции проводов от повреждения. Провода с большими сечениями затягиваются в трубы с помо- щью специальных захватов, небольших лебедок, универсального электромонтажного привода и других приспособлений (рычажных, пневматических). Для облегчения затягивания проводов в протя- 284
женные трубопроводы с большим числом изгибов дополнительно устанавливаются соединительные коробки или ящики. В вертикально проложенные трубы провода затягивают сни- $у вверх и закрепляют изоляционными клипами или зажимами (при сечениях проводов до 50 мм2 — через 30 м, при сечениях 70... 150 мм2 — через 20 м и при сечениях 185...240 мм2 — через 15 м). Стальные трубы должны иметь гладкую внутреннюю поверх- ность и антикоррозионное покрытие на наружной поверхности (кроме труб, замоноличиваемых в строительные конструкции). Соединения и ответвления проводов, проложенных в трубах, выполняются в коробках опрессовкой, сваркой или сжимами; со- единение проводов непосредственно в трубах запрещается. Места соединений изолируют лентой или колпачками, а провода мар- кируют бирками, на которых указывают наименование и назна- чение присоединений, марку и сечение провода. Стальные тонкостенные трубы с толщиной стенок не менее 1,5 мм могут использоваться в качестве заземляющих проводни- ков. Для создания непрерывной цепи заземления и надежного элек- трического контакта между соединенными трубами при скрытой прокладке и открытой прокладке в сетях с заземленной нейтра- лью требуется приварить с каждой стороны труб в двух-трех точ- ках металлические коробки, соединительные муфты, манжеты или гильзы. Допускается выполнять эти электрические соединения при- варкой металлических перемычек достаточной проводимости. Так образуется непрерывная электрическая цепь, в которую входят тру- бы, ответвительные и протяжные коробки. При скрытой прокладке параллельно нескольких стальных труб их соединяют между собой приваркой стальных плоских полос, а если трубопровод выполнен из неметаллических труб, заземление стальных корпусов электроприемников, ящиков и коробок про- изводится присоединением их к проложенной вблизи открытой ма- гистрали заземления или стальной заземляющей полосе, специ- ально проложенной вдоль трассы. При отсутствии магистрали за- земления прокладывают четвертый провод с сечением не менее 50% фазного провода (медный с сечением 1,5 мм2, а алюминие- вый с сечением 2,5 мм2). Собранный полностью трубопровод при- соединяют к контуру защитного заземления не менее чем в двух местах (в начале и конце трубопровода). Вопросы для самоконтроля 1. 1. Какие трубы используются для трубной канализации? 2. Какие провода и кабели допускается прокладывать в трубах? 3. Какие детали применяются при монтаже электропроводок в трубах? 285
II. 1. Где применяются электропроводки в трубах? 2. Какие вы знаете способы окраски труб? 3. Какие методы индустриальной заготовки элементов трубных трасс вы знаете? 4. Какую продукцию выдают мастерские в результате обработки труб? 5. Какие требования необходимо выполнять при разметке труб- ных трасс? III. 1. Какие операции выполняются на технологической линии по обра- ботке стальных труб? 2. Какова последовательность операций при механической обработ- ке труб? 3. Какова последовательность подготовки трубных трасс? 4. Как провода затягивают в трубы?
Глава 9. СТАНДАРТИЗАЦИЯ И КОНТРОЛЬ КАЧЕСТВА ПРОДУКЦИИ 9.1. Стандарты и технические условия Организационно-нормативной основой управления качеством продукции является государственная система стандартизации, включающая в себя государственные, отраслевые, республиканс- кие стандарты, стандарты предприятия и технические условия. Стандартизация — это определение минимальных требований 1ля получения максимального эффекта; стандартизация основы- вается на объединении достижений науки, техники и практичес- кого опыта, определяя основу не только настоящего, но и буду- щего развития. Все основные положения стандартизации и ее объек- ты определяются Государственной системой стандартов России (ГОСТ Р 1.0-92; ГОСТ Р 1.2-92; ГОСТ Р 1.3-92; ГОСТ Р 1.4-92; ГОСТ Р 1.5-92). В соответствии с Законом РФ «О стандартизации» система стан- дартов введена в целях обеспечения: безопасности продукции, работ и услуг для окружающей сре- ты, жизни, здоровья людей и их имущества; технической и информационной совместимости, а также взаи- мозаменяемости продукции; качества продукции, работ и услуг в соответствии с уровнем развития науки, техники и технологий; единства измерений; экономии всех видов ресурсов; безопасности хозяйственных объектов с учетом риска возник- новения природных и техногенных катастроф и других чрезвычай- ных ситуаций; работоспособности и мобилизационной готовности страны. Государственное управление стандартизацией осуществляет Ко- митет РФ по стандартизации, метрологии и сертификации (Гос- стандарт России). К нормативным документам по стандартизации, действующим на территории России, относятся: государственные стандарты; международные (региональные стандарты), применяемые в ус- тановленном порядке; правила, нормы и рекомендации по стандартизации; 287
общероссийские классификаторы технико-экономической ин- формации; стандарты отраслей; стандарты предприятий; стандарты научно-технических, инженерных обществ и других общественных объединений. Государственные стандарты России (ГОСТ Р) распространяются преимущественно на нормы, параметры, размеры, требования и правила, понятия и термины, установление которых необходимо для обеспечения единства и взаимосвязи различных областей на- уки, техники, производства и культуры. Ими обычно охватывает- ся продукция массового крупносерийного производства. Отраслевые стандарты (ОСТ) устанавливаются на продукцию, не являющуюся объектом государственной стандартизации, на тех- нологический инструмент и технологическую оснастку, специфич- ные для конкретной отрасли, а также на технологические нормы и типовые технологические процессы отраслевого применения. ОСТ утверждаются министерством, являющимся ведущим в производ- стве данного вида продукции. Стандарты предприятия (СТП) устанавливаются на объекты, имеющие применение только на определенном предприятии. В частности на детали и сборочные единицы, являющиеся состав- ными частями изготовляемой продукции, технологическую осна- стку и инструмент, технологические нормы, требования и прави- ла, действующие на этом предприятии. СТП утверждаются руко- водством предприятия. На продукцию ограниченного применения, а также изготов- ленную по разовым заказам, стандарты не устанавливаются. Каче- ство такой продукции обусловливается техническими условиями. Они утверждаются либо дирекцией объединения (предприятия) по со- гласованию с заказчиками, либо вышестоящим хозяйственным ор- ганом. Обозначение стандарта состоит из аббревиатуры, номера и по- следних двух цифр года утверждения (пересмотра), например ГОСТ Р 1.5-92. В зависимости от содержащихся требований стандарты подраз- деляют на виды: стандарты технических условий (устанавливают всесторонние технические требования к продукции при ее изго- товлении, поставке и эксплуатации); стандарты параметров — размеров (устанавливают параметры или размерные ряды продук- ции по основным эксплуатационным характеристикам); стандар- ты типов и основных параметров (устанавливают типы продукции по основным параметрам и другим эксплуатационным характери- стикам с указанием более прогрессивных из них); стандарты кон- струкций и размеров (устанавливают конструктивные исполнения 288
и основные размеры для определенной группы изделий в целях их унификации и обеспечения взаимозаменяемости); стандарты ма- рок (устанавливают марки и химический состав материала); стан- 1арты сортамента (устанавливают геометрические формы, разме- ры продукции); стандарты технических требований (устанавлива- ют требования к качеству, надежности, долговечности и внешнему виду продукции, определяют гарантийные сроки службы и комп- актность поставки); стандарты правил маркировки, упаковки, 1 ранспортировки и хранения; стандарты правил приемки (обес- печивают единство требований при приемке продукции по каче- ству и количеству, устанавливают виды и программы испытаний); с гандарты методов испытаний (обеспечивают единство оценки по- казателей качества); стандарты методов и средств поверки мер и измерительных приборов (обеспечивают требуемую точность и с ihhctbo измерений); стандарты правил эксплуатации и ремонта; с I андарты типовых технологических процессов (устанавливают спо- k обы и технические средства для выполнения и контроля техноло- । ических процессов с целью внедрения прогрессивной технологии производства и обеспечения единого уровня качества продукции). Основные задачи органов и служб системы стандартизации всех уровней устанавливает ГОСТ Р 1.0—92. Госстандарт России ведет государственный надзор за внедрением и соблюдением стандар- 1ов и технических условий, состоянием и применением измери- । ельной техники, стандартизацией показателей качества продук- ции, а министерства и ведомства следят за качеством продукции, внедрением и соблюдением стандартов и технических условий. При выявлении факторов реализации продукции с отступлением от тре- бований стандартов соответствующие органы дают предписание об изъятии прибыли в доход государства. Потребители, получившие недоброкачественную продукцию, не соответствующую требова- ниям стандартов или технических условий, могут отказаться от ее оплаты. Предприятие несет ответственность за качество изготав- шваемой им продукции. Стандартизация на плановой основе позволяет проводить еди- ную государственную организационно-техническую политику по- вышения качества продукции и обеспечивает научно-техническое и научно-методическое единство управления качеством на всех уровнях управления народным хозяйством. На стадии исследования и проектирования стандартизация по- селяет: устанавливать требования к качеству готовой продукции на ос- нове комплексной стандартизации ее качественных характеристик, сырья, материалов, полуфабрикатов и комплектующих изделий с учетом передовых достижений науки и техники, а также интере- сов потребителей и изготовителей; К) Нестеренко 289
устанавливать кормы, требования и методы проектирования но- вой продукции с целью обеспечения ее оптимального качества и исключения нерационального многообразия видов, марок и ти- поразмеров; обеспечивать повышение уровня унификации продукции как важнейшего условия специализации производства, комплексной механизации и автоматизации производственных процессов, ус- корения научно-технического прогресса, повышения производи- тельности труда при ее изготовлении, а также эффективности экс- плуатации и ремонта. На стадии производства продукции стандарты определяют еди- ный порядок подготовки конструкторской и технологической до- кументации, применение типовых технологических процессов, стандартной оснастки и оборудования, а также способы комплек- сной механизации и автоматизации трудоемких процессов. На стадии обращения и реализации продукции стандартизация определяет требования к ее упаковке, консервированию, транс- портировке, складированию, хранению и реализации, позволяю- щие сохранить требуемое качество на всех этапах. На стадии потребления и эксплуатации стандартизация уста- навливает единые требования к обслуживанию и ремонту продук- ции (в том числе гарантийному), а также к сбору и анализу ин- формации о ее качестве при эксплуатации. Это улучшает организа- цию ремонта и обслуживания, сокращает затраты на эксплуатацию и повышает отдачу. Особенностью современного этапа развития стандартизации яв- ляется переход от разработки отдельных стандартов к комплекс- ным программам. Реализация этих программ включает в себя раз- работку и пересмотр взаимосвязанных стандартов и технических условий на готовую продукцию, комплектующие изделия, сырье, материалы, оборудование и приборы, а также на методы и орга- низацию подготовки производства, испытаний, контроля, изме- рений, правила упаковки, хранения, транспортировки, эксплуа- тации и ремонта. Разработка и внедрение программ комплексной стандартизации позволяет концентрировать всю деятельность на достижении ко- нечных результатов. По мере ускорения темпов научно-технического прогресса воз- никает тенденция к абсолютному и относительному сокращению сроков действия стандартов. Стандартизация приобретает все бо- лее динамичный характер, предъявляя свои требования к мето- дам и срокам разработки, внедрения и пересмотра стандартов. Задачу повышения динамичности и оперативности стандартиза- ции можно решать создавая перспективные, опережающие стан- дарты, отражающие передовой опыт отечественных предприятий, 290
лчших зарубежных фирм и включающие в себя прогрессивные показатели стандартов промышленно развитых стран. 9.2. Общие положения ЕСКД и ЕСТД В современных условиях развития производства и совершенство- к.шия экономики одной из важнейших задач является сокраще- ние сроков создания и освоения новой техники, а также сниже- ния трудоемкости ее изготовления. Успешное решение этой задачи н значительной степени зависит от уровня нормативно-техническо- । о и информационного обеспечения разработки и постановки про- екции на производство, а также четкого соблюдения требований I осударственных стандартов общетехнических систем, например Гднной системы конструкторской документации (ЕСКД) и Еди- ной системы технической документации (ЕСТД). ЕСКД представляет собой комплекс государственных стандар- та, устанавливающих единые правила и положения порядка раз- работки, оформления и обращения конструкторской документа- ции организациями и предприятиями страны. Эти единые прави- а распространяются на все виды конструкторских документов, четно-регистрационную, нормативно-техническую и технологи- ческую документацию, а также на научно-техническую и учебную । итературу. В настоящее время ЕСКД — важнейшая система постоянно дей- ствующих технических и организационных требований, обеспечи- вающих взаимосвязь и возможность взаимного обмена конструк- । орской документацией в различных отраслях промышленности и между отдельными предприятиями. Она позволяет унифицировать на стадии конструкторской разработки промышленные изделия, простить и сократить число документов, а также ввести единое I рафическое изображение, механизировать и автоматизировать со- здание документации, а следовательно, обеспечить готовность про- мышленности к организации производства любого изделия на лю- бом предприятии в наиболее короткие сроки. Комплексу стандартов Единой системы конструкторской до- кументации присвоен номер второго государственного стандар- та, и относится он к первой классификационной группе указа- 1еля Т52. Состав стандартов, входящих в ЕСКД, определяется соответ- ствующими перечнями, публикуемыми Госстандартом России в установленном порядке. Стандарты ЕСКД подразделяются на следующие классифика- ционные группы: О — общие положения; 1 — основные положения; 291
2 — классификация и обозначение изделий в конструкторских документах; 3 — общие правила выполнения чертежей; 4 — правила выполнения чертежей изделий машиностроения и приборостроения; 5 — правила обращения конструкторских документов (учет, хра- нение, дублирование, внесение изменений); 6 — правила выполнения эксплуатационной и ремонтной до- кументации; 7 — правила выполнения схем; 8 , 9 — прочие стандарты. Например, стандарт ЕСКД «Правила внесения изменений» обозначается как ГОСТ 2.503—90. Это обозначение расшифровы- вается следующим образом: 90 — год регистрации стандарта; 03 — порядковый номер стан- дарта в группе; 5 — классификационная группа стандарта; 2 - класс стандарта; ГОСТ — категория нормативно-технического документа. Порядок применения стандартов ЕСКД. Внедряются стандарты ЕСКД в промышленность через головные (базовые) организации отраслей промышленности, которые осуществляют: проведение научно-исследовательских работ по основным на- правлениям системы; разработку и пересмотр совместно с другими отраслями про- мышленности стандартов, а также изменений к ним; проведение экспериментальных работ по автоматизации выпол- нения и обращения конструкторских документов; систематическое обобщение предложений промышленности по дальнейшему совершенствованию и развитию стандартов; оказание технической помощи отраслевым предприятиям, про- ведение консультаций, лекций и т. п. Для решения вопросов, связанных с использованием ЕСКД во всех отраслях народного хозяйства, каждое министерство (ведом- ство) имеет свою головную организацию по ЕСКД, которая долж- на проводить систематическую работу по разъяснению предприя- тиям отрасли всех возникающих вопросов; осуществлять перио- дический контроль за соблюдением действующих и внедрением новых, пересмотренных и измененных стандартов; проводить ра- боты по сбору, анализу, систематизации и обобщению предложе- ний организаций (предприятий) отрасли по их дальнейшему раз- витию и совершенствованию. С целью сокращения сроков разработки новых изделий установ- лен следующий порядок применения стандартов ЕСКД: вся вновь разрабатываемая конструкторская документация долж- на полностью соответствовать действующим стандартам; 292
при внедрении новых, пересмотренных и измененных стандар- та конструкторскую документацию, разработанную ранее, допус- кается не переоформлять; при переиздании существующей конструкторской документа- ции (подлинников) и передаче ее другой организации (предпри- я гию) необходимо учитывать требования новых, пересмотренных и измененных стандартов; вопрос о внесении в документацию новых разработок измене- ний, связанных с введением новых, пересмотренных и изменен- ных стандартов, должен решаться предприятием-разработчиком. Для конструкторской документации, разработанной по заказу Министерства обороны России, это решение должно быть согла- совано с представителем заказчика. В случае передачи другой организации (предприятию) учтен- ных копий или дубликатов конструкторских документов вопрос о внесении в них изменений, связанных с внедрением новых, пе- ресмотренных и измененных стандартов ЕСКД, должен решаться по согласованию с организацией, принимающей их, а для разра- боток по заказу Министерства обороны России — и с представи- телями заказчика. Сроки переоформления конструкторской документации в свя- ?и с внедрением новых, пересмотренных и измененных стандар- тов ЕСКД могут устанавливаться для отдельных отраслей промыш- ленности. Порядок применения конструкторских документов, разра- ботанных до введения в действие соответствующих стандартов ЕСКД, во вновь разрабатываемой конструкторской документа- ции, устанавливает предприятие-разработчик по согласованию с заводом-изготовителем. Для конструкторской документации, разработанной по заказу Министерства обороны России, приме- нение такой документации должно быть согласовано с предста- вителями заказчика, предприятия-разработчика и завода-изгото- вителя. Основные положения ЕСКД. Первая классификационная груп- па объединяет в себе основополагающие стандарты, определяю- щие построение системы, структуру конструкторских документов, их номенклатуру (комплектность), а также правила выполнения текстовых конструкторских документов. В первую очередь к этой группе относятся: ГОСТ 2.101—68 «ЕСКД. Виды изделий», устанавливающий воз- можность применения любого конструкторского документа на кон- кретное изделие при его вхождении в состав других изделий без переоформления. Понятия, изложенные в нем, положены в осно- ву построения конструкторской документации и предопределяют порядок ее обращения во всех сферах использования; 293
ГОСТ 2.102—68 «ЕСКД. Виды и комплектность конструкторс- ких документов», регламентирующий номенклатуру конструктор- ских документов и позволяющий выбрать для вновь разрабатыва- емого изделия минимальное число необходимых документов, за- висящее от его вида и стадии разработки; ГОСТ 2.103—68 «ЕСКД. Стадии разработки», устанавливающий определенные стадии разработки конструкторской документации, единую терминологию, требования к содержанию и оптимальный объем работ, выполняемых на каждой стадии. В его развитие раз- работаны ГОСТ 2.118—73 «ЕСКД. Техническое предложение», ГОСТ 2.119—73 «ЕСКД. Эскизный проект», ГОСТ 2.120—73 «ЕСКД. Технический проект», способствующие совершенствованию орга- низации конструкторских работ на проектных стадиях, повышению производительности труда разработчиков, улучшению качествен- ных и технико-экономических показателей выпускаемых изделий; ГОСТ 2.104—68 «ЕСКД. Основные надписи», устанавливающий единые форму, размеры, порядок нанесения основных надписей и дополнений к ним для всех конструкторских документов; ГОСТ 2.105—95 «ЕСКД. Общие требования к текстовым доку- ментам», устанавливающий общие требования к выполнению тек- стовых документов на изделия всех отраслей промышленности и строительства и удовлетворяющий требованиям автоматизирован- ного проектирования; ГОСТ 2.106—68 «ЕСКД. Текстовые документы», содержащий правила выполнения ведомостей спецификации (ВС), ссылочных документов (ВД), покупных изделий (ВП), технического предло- жения (ПТ), технического проекта (ТП), эскизного проекта (ЭП), разрешения применения покупных изделий (ВИ), а также пояс- нительной записки (ПЗ) и расчетов; ГОСТ 2.108—68 «ЕСКД. Спецификация», содержащий правила выполнения основного конструкторского документа, определяю- щего состав сборочной единицы, комплекса и комплекта; ГОСТ 2.112—70 «ЕСКД. Ведомость держателей подлинников», устанавливающий форму и правила выполнения держателей под- линников (ДП). Наличие этого документа дает возможность опре- делить организации, в которых хранятся подлинники конструк- торских и ссылочных документов; ГОСТ 2.114—70 «ЕСКД. Технические условия», регламентиру- ющий все требования (совокупность всех показателей, норм, пра- вил и положений) к изделию, его изготовлению, контролю, при- емке и поставке, которые нецелесообразно указывать в другой кон- структорской документации. В первую группу также входит ГОСТ 2.113—75 «ЕСКД. Группо- вые и базовые конструкторские документы», определяющий воз- можность содержания в одном конструкторском документе дан- 294
пых о двух и более изделиях (деталях, сборочных единицах, ком- ii (ексах и комплектах), обладающих общими конструктивными признаками, но имеющих некоторые различия, что позволяет шачительно сократить число конструкторских документов, про- водить широкую унификацию самих разрабатываемых изделий и юхнологической оснастки для их изготовления, а также органи- ювывать специализированные производства. Технологическая документация и ее состав. Технологическая до- кументация представляет собой комплект графических и тексто- вых документов, описывающих технологический процесс, напри- мер изготовления полупроводникового прибора или интегральной микросхемы. В ней содержатся описание применяемых в техноло- । ическом процессе операций, переходов и указания по их выпол- нению. Технологическая документация является основным документом при выполнении производственных операций. Содержание и правила выполнения технологической докумен- тации определяются Единой системой технологической документа- ции, представляющей собой сборник государственных стандартов, устанавливающих правила и положения о порядке разработки, офор- мления и обеспечения комплектности продукции. Основное назна- чение ЕСТД заключается в установлении на всех предприятиях еди- ных правил выполнения технологических документов, что обес- печивает возможность взаимообмена ими без переоформления. В комплект технологической документации входят маршрутная карта, операционная карта, контрольная карта, технологическая инструкция, карта эскизов и схем. Маршрутная карта содержит описание технологического про- цесса изготовления конкретного изделия, раскрывает последова- тельность его перемещений по всем операциям, содержит данные о требуемых оборудовании и оснастке, а также материальные и трудовые нормативы. Эта карта является обязательным документом. Операционная и контрольная карты содержат описание конкрет- । юй операции технологического процесса с указанием режимов ра- боты, применяемых оборудования, оснастки, инструмента, мате- риалов. В операционной карте указываются требования к услови- ям производства и энергоносителям, меры предосторожности, которые необходимо соблюдать при выполнении данной опера- ции, описывается подготовка рабочего места к началу работы и перерыву, указываются специфические особенности данной опе- рации (например, межоперационные сроки хранения узлов и де- галей, периодичность химической обработки тары и др). К операционной карте могут прилагаться карта эскизов и схем, дополняющая и поясняющая содержание операции, а также тех- нологическая инструкция, т.е. описание специфических приемов 295
работы, методик контроля технологического процесса, правил пользования оборудованием или приборами. Технологическая документация должна обеспечивать изготов- ление изделия с наименьшими затратами времени, труда, мате- риалов и определять использование наиболее прогрессивных и эко- номически оправданных методов производства. 9.3. Общие понятия метрологии Высокие требования к точности изготовления изделий, каче- ству технологических процессов, методам и средствам измере- ний не могут быть выполнены без обеспечения единства измере- ний на государственном уровне, без создания системы государ- ственных испытаний мер и измерительных приборов, а также без стандартизации правил и условий, необходимых для произ- водства, измерения и эксплуатации измерительных средств. Все эти меры называются метрологическим обеспечением или метрологией. В нашей стране принят закон «Об обеспечении единства измере- ний». Основные метрологические термины и определения. Метрология — наука об измерениях, методах и средствах обеспечения их един- ства и способах достижения требуемой точности. Измерение — нахождение значения физической величины опыт- ным путем с помощью специальных технических средств. Единство измерений — выражение результатов измерений в уза- коненных единицах с заданной погрешностью. Физическая величина — общее в качественном отношении свой- ство физических объектов, но в количественном отношении ин- дивидуальное для каждого объекта. По способу получения численного значения величины все из- мерения делятся на четыре вида: прямые, косвенные, совокупные и совместные. Прямые измерения — это определение значения измеряемой ве- личины непосредственно из опытных данных: сравнением ее с мерой или в виде показания измерительного прибора (линейки, термометра, вольтметра). Косвенные измерения — это определение измеряемой величины по результатам прямых измерений других величин, связанных с ней известной зависимостью. Например, мощность Р= IUможно найти по результатам измерений напряжения U вольтметром и силы тока I амперметром. Совокупные измерения — определение значений нескольких од- ноименных физических величин решением системы уравнений. Например, определение значений токов в сложной электричес- кой цепи методом контурных токов. 296
Совместные измерения — это определение искомого значения прямым измерением двух и более неодноименных физических величин и решением затем одного или системы уравнений. На- пример, температурный коэффициент сопротивления провод- ника ат можно определить по результатам прямых измерений со- противления R проводника и его температуры t, т.е. по выраже- нию R = Ло(1+amt), где Rq — сопротивление проводника при О °C. Методы измерений — совокупность приемов использования средств и принципов измерений. Например, при измерениях элек- 1рических величин применяются методы непосредственной оцен- ки и сравнения. Метод непосредственной оценки основан на использовании из- мерительных приборов, шкалы которых проградуированы в еди- ницах измеряемой величины. При этом получают значение изме- ряемой величины непосредственно, без каких-либо дополнитель- ных действий до стороны лица, проводящего измерение, и без вычислений (кроме умножения его показаний на постоянную из- мерительного прибора или цену деления). Из методов сравнения в электрических измерениях чаще дру- f их используются методы противопоставления, дифференциаль- ный и нулевой. Метод противопоставления состоит в том, что на вход сравни- вающего устройства (компаратора) одновременно подаются сиг- налы измеряемой величины и одноименной ей величины, воспро- изводимой мерой, и соотношение между ними определяют по вы- ходному сигналу (например, измерение напряжения постоянного тока путем сравнения его с ЭДС нормального элемента с помо- щью компенсатора). Дифференциальный метод заключается в измерении прибором разности измеряемой величины и величины, воспроизводимой мерой. Нулевой метод измерений состоит в том, что разность между измеряемой величиной и величиной, воспроизводимой мерой, до- водят до нуля. Для измерения или преобразования физических величин рас- смотренными выше методами служат средства измерений, т. е. тех- нические средства, предназначенные для использования при из- мерениях и имеющие нормированные метрологические характе- ристики. Метрологические характеристики средств измерений — характе- ристики, от которых зависит точность результатов измерения, выполняемых с помощью этих средств. Набор мер — комплект конструктивно обособленных мер, при- меняемых в различных сочетаниях (магазин резисторов, магазин емкостей). 297
Измерительный прибор — средство измерений, предназначен- ное для выработки сигнала в форме, доступной для непосредствен- ного восприятия информации наблюдателем благодаря наличию отсчетного устройства (вольтметр, амперметр). Измерительный преобразователь — средство измерений, предназ- наченное для преобразования входного измерительного сигнала в выходной сигнал, удобный для дальнейшего преобразования, пе- редачи, обработки и хранения измерительной информации, но не поддающийся непосредственному восприятию наблюдателем (из- мерительный трансформатор, калиброванный шунт). Измерительная система — совокупность средств измерений и вспомогательных устройств, соединенных между собой каналами связи. Параметр измерительного сигнала, содержащий измерительную информацию, называется информативным параметром. Эталон — официально утвержденное (ГОСТ 8.417—81) сред- ство измерений, обеспечивающее воспроизводство и (или) хра- нение единицы измерения в целях передачи ее размера нижесто- ящим по поверочной таблице средствам измерений. Единицы физических величин. Метрология базируется на едини- цах измерений, позволяющих осуществлять относительную оцен- ку значений физических параметров. Физическая величина, кото- рой по определению присвоено числовое значение, равное еди- нице, представляется как единица физической величины. Первоначально единицы физических величин выбирались про- извольно, без каких-либо взаимосвязей. Значительное число про- извольных единиц одной и той же величины затрудняло сравне- ние результатов измерений. В каждой стране создавались свои еди- ницы. По мере развития техники, а также международных связей трудности использования результатов измерения возрастали и тор- мозили дальнейший научно-технический прогресс, поэтому была создана система новых мер, «основанных на неизменном прототи- пе, взятом из природы, с тем чтобы ее могли принять все нации». Продолжительное время в мире применяли системы единиц, основанные на трех первичных единицах (МКС — метр, килограмм, секунда; СГС — сантиметр, грамм, секунда; МКГСС — метр, ки- лограмм-сила, секунда). В 1960 г. была принята Международная си- стема единиц СИ (1) — со следующими основными единицами: метр (м) — единица длины; килограмм (кг) — единица массы; ампер (А) — единица силы электрического тока; секунда (с) — единица времени; кельвин (К) — единица термодинамической температуры; кандела (кд) — единица силы света; моль (моль) — единица количества вещества. 298
В настоящее время система единиц СИ в России принята обя- «ксльной. Перечисленные семь единиц являются основными. Единицы, образующиеся по законам, устанавливающим связь между физи- ческими величинами, называются производными. Производные шницы, как правило, образуются из соответствующих основных шниц. Так, единица скорости (м/с) определяется уравнением I S/1, где S — путь, м; t — время, с. В некоторых случаях для выражения производных единиц СИ приняты собственные названия, соответствующие именам ученых (Дж — джоуль; Вт — ватт). Совокупность основных и производных единиц образует сис- 1ему единиц. Единицы, которые не относятся ни к основным, ни к произ- водным, называются дополнительными (радиан, стерадиан). Существуют также внесистемные единицы (например, литр — I, тонна — т, вольт-ампер — В-А). На практике часто используются кратные единицы, которые в полое число раз больше системных или внесистемных, либо доль- ние единицы, которые в целое число раз меньше их. Для образо- вания названий кратных и дольных единиц используются соответ- ствующие приставки (мега, кило, дека — для кратных единиц; 1еци, санти, милли, микро — для дольных), которые пишутся слитно с обозначением основной единицы. Для обозначения еди- ницы после числового значения применяют сокращенное ее обо- значение (м, кг, м/с, кг/м). Единицу, названную по фамилии уче- ного, пишут с прописной буквы (ампер — А, ньютон — Н, вольт — В, джоуль — Дж). Точка в сокращенном обозначении единицы не применяется. Сокращенные единицы проставляются только после числовых значений в одной строке с ними. Буквенные обозначения единиц в произведении величин от- еляются знаком умножения (точкой), а при делении — косой чертой. Числовые значения величин с предельными отклонениями сле- дует заключать в скобки, а после них с пробелом проставлять обо- значение единицы, например (40±2) Ом. Классификация средств измерений. К средствам измерений от- носятся: меры, измерительные приборы, измерительные преоб- разователи, измерительные установки, измерительные системы, которые подразделяются по назначению, принципу действия, мет- рологическим характеристикам и другим параметрам. Например, по назначению различают образцовые средства из- мерений, служащие для проверки других средств измерений и офи- циально утвержденные в качестве образцовых, и рабочие, исполь- 299
зуемые для выполнения различных измерений, но не служащие для поверки других средств измерений. Измерительные приборы подразделяются по форме представ- ления измерительной информации, содержащейся в выходных сиг- налах, на аналоговые и цифровые. Аналоговым называется прибор, выходной сигнал которого является физическим аналогом изме- ряемой величины (входного сигнала). Например, перемещение под- вижной рамки электромеханического вольтметра — аналог изме- ряемого напряжения. Цифровым называется прибор, у которого вы- ходной сигнал содержит информацию о значении измеряемой величины, в цифровой форме. Аналоговые измерительные приборы по виду отсчетного уст- ройства делятся на показывающие и регистрирующие, а по виду информативного параметра — на интегрирующие и суммирующие. Показывающим называется прибор, обеспечивающий только счи- тывание показаний (с помощью подвижного указателя и непод- вижной шкалы или неподвижного указателя и подвижной шкалы). Регистрирующим называется прибор, в котором предусмотрена авто- матическая фиксация измерительной информации. В регистриру- ющих приборах результат измерения записывается в виде диаграм- мы (одноточечные самопишущие приборы) или печатается в циф- ровой форме (печатающие аналоговые многоточечные приборы, одноточечные и многоточечные цифровые приборы). Интегрирую- щим называется прибор, в котором входная величина интегриру- ется по времени или по другой независимой переменной (напри- мер, счетчик электрической энергии интегрирует мощность по времени). Суммирующим называется прибор, показания которого функционально связаны с суммой двух и более величин, подве- денных к нему по разным каналам. Классификация средств измерения по измеряемой величине от- ражается в наименовании прибора, например вольтметр, часто- томер и др. Комбинированными (мультиметрами) называются из- мерительные приборы, позволяющие измерять две (и более) раз- ноименные величины, а приборы, работающие как на постоянном, так и на переменном токе, называются универсальными. Мерой называется средство измерений, предназначенное для вос- произведения физической величины заданного размера. Различают однозначные меры, многозначные меры и наборы мер. Однознач- ная мера воспроизводит одну физическую величину одного раз- мера, например нормальный элемент, конденсатор постоянной емкости, гиря. Многозначная мера воспроизводит ряд значений од- ноименных физических величин различного размера, например конденсатор переменной емкости, вариометр индуктивности, ли- нейка с миллиметровыми делениями. Набор мер представляет со- бой специально подобранный комплект мер для воспроизведения 300
ряда значений одноименных величин различного размера, причем меры могут применяться как отдельно, так и в различных сочета- ниях. Примеры набора мер: магазин сопротивлений, магазин ем- костей, набор гирь. В измерении физической величины обязательно используется мера. В приборах прямого действия, когда входная величина пре- образуется в одном направлении от входа до указателя, это спе- циальное устройство, откалиброванное с помощью меры при их изготовлении. В приборах сравнения производится непосредствен- нее сравнение входной величины с мерой. Примерами таких при- боров являются мосты и потенциометры. Мерой ЭДС постоянного тока является нормальный элемент (НЭ), т.е. обратимый гальванический элемент с точно известной ЭДС. Высокая точность воспроизведения ЭДС обеспечивается прин- ципом его построения. Мерами электрического сопротивления R в цепях постоянного и переменного токов являются измерительные катушки и магазины резисторов. Для намотки катушек используется манганиновая про- волока или лента. Номинальное сопротивление такой катушки Лном = Ом (гДе « = -5 ...9, включая нуль). Для обеспечения боль- шого сопротивления (свыше 10 Ом) в катушке используют сверх- тонкую манганиновую проволоку в стеклянной изоляции. Пер- спективным направлением является использование прецизионных печатных резисторов. Мерами индуктивности L и взаимной индуктивности Л/являют- ся измерительные катушки из изолированной медной проволоки, намотанной на плоский каркас из высококачественного изоляци- онного материала. Мерами емкости С служат измерительные конденсаторы и ма- газины емкостей, которые конструктивно объединены с переклю- чающими устройствами рычажного или штепсельного типа. 9.4. Метрологическая служба и ее задачи Система метрологического надзора нашей страны заключает в себе комплекс правил, положений и требований технического, экономического и правового характера, определяющих организа- цию и порядок проведения работ по поверке средств измерений, метрологической ревизии и экспертизе. Поверка — комплекс операций, производимых в целях установ- ления пригодности средств измерений к применению. Предусмот- рены первичная, периодическая и внеочередная поверки. Первич- ная поверка средств измерений проводится при выпуске их в об- ращение и получении из ремонта. Периодической поверке подлежат средства измерений, находящиеся на эксплуатации и хранении. 301
Внеочередная поверка проводится в следующих случаях: когда по- вреждены поверительное клеймо или пломба и утрачены документы о периодической поверке; когда истекла половина гарантийного срока на средства измерений, служащие комплектующими издели- ями, а также во всех случаях, когда необходимо удостовериться в их исправности. Метрологическая ревизия средств измерений проводится на предприятиях, осуществляющих их изготовление, ремонт, эксп- луатацию, хранение и продажу. Цель ревизии — совершенствова- ние средств измерений и повышение эффективности метрологи- ческого обеспечения их производства. При возникновении спор- ных вопросов по метрологическим свойствам, методам и средствам поверки, исправности и пригодности средств измерений к при- менению проводится метрологическая экспертиза. Метрологический надзор осуществляется единой метрологичес- кой службой, руководимой Госстандартом России и состоящей из государственной и ведомственных метрологических служб. В метрологическую государственную службу входят: главный центр государственной метрологической службы Рос- сии, разрабатывающий научно-методические, технико-экономи- ческие, организационные и правовые основы метрологического обеспечения народного хозяйства; главные центры государственных эталонов — метрологические институты, создающие государственные стандарты физических величин на государственные эталоны, методы и средства изме- рений. Ведомственные метрологические службы включают в себя го- ловные и базовые организации, осуществляющие ведомственный контроль за состоянием и применением средств измерений на пред- приятиях и в научно-исследовательских институтах. Основная задача метрологических служб направлена на дости- жение единства и достоверности измерений путем соблюдения стандартов Государственной системы обеспечения единства изме- рений (ГСИ), т. е. комплекса установленных взаимосвязанных пра- вил, положений, норм и требований, определяющих организацию и методику проведения работ по оценке и соблюдению точности измерений. Основными объектами проверки ГСИ являются: еди- ницы физических величин; государственные эталоны и общесо- юзные поверочные схемы, методы и средства поверки средств измерений; нормы точности измерений; методики выполнения измерений и ряд других, установленных ГОСТ 1.25—76. Поверки могут проводить только органы метрологической служ- бы, имеющие соответствующее разрешение. Государственную по- верку имеют право выполнять лица, имеющие квалификацию го- сударственного поверителя. 302
Основные операции поверки сводятся к определению погрешно- с left средств измерений и вариации их показаний. Обычно поверку ныполняют одним из следующих способов: непосредственным сли- чением, компарированием, по образцовой мере или измерением поверяемым средством измерений величины, воспроизводимой ме- рой. Перечень характеристик и признаков, контролируемых при поверке, регламентируется нормативно-техническими документа- ми на средства измерений, в частности техническими условиями. 1ля большинства средств измерений погрешности и вариации по- казаний определяются при нормальных условиях их работы. Поверка непосредственным сличением показаний заключается в одновременном измерении одной и той же величины поверяе- мым и образцовым средствами измерений. При поверке компари- рованием показания проверяемой меры сличаются с показанием образцовой меры при помощи измерительного прибора сравнения. Процесс поверки средств измерений по образцовым мерам сво- штся к измерению физической величины, воспроизводимой об- разцовой мерой (например, указатель омметра устанавливают на определенную отметку шкалы, используя резисторы из магазина сопротивлений, к зажимам которого подключен омметр). Результаты поверки оформляются протоколом, который явля- ется основным юридическим документом. На государственную метрологическую службу возложены фун- кции обеспечения единства мер и измерений в нашей стране, а гакже надзора за повсеместным проведением мероприятий, обес- печивающих полную готовность средств измерений к использова- нию, и поверке. Метрологические институты и лаборатории осу- ществляют воспроизведение и передачу единиц измерений, а также обеспечивают связь между всеми рабочими средствами измерений с мерами высшей точности — государственными эталонами еди- ниц измерения и международными эталонами. Ведомственная метрологическая служба ограничена в своей де- ятельности рамками предприятия или группы предприятий (от- расли) и призвана выполнять поверку широкого круга рабочих средств измерения, причем более оперативно, чем государствен- ные поверочные органы, и настолько часто, насколько это требу- ется по условиям их применения. В состав этой службы входят: отдел метрологии, головная и базовая организации метрологической службы, отделы главных метрологов предприятий. В ряде случаев отдел главного метролога не организуется, а все необходимые функции по поверке и контролю выполняет центральная лабора- тория измерительной техники. Руководитель метрологической служ- бы на предприятии должен иметь право запрещать выпуск или экс- плуатацию средств измерений, неотвечающих требованиям стан- дартов и нарушающих единство измерений. 303
Периодичность обязательной государственной поверки устанав- ливается стандартом (обычно 1...3 года). Периодичность ведом- ственных поверок устанавливается внутриведомственными (внут- ризаводскими) документами. Государственной или ведомственной поверке не подлежат ин- дикаторы, предназначенные для наблюдений за изменением фи- зических величин без оценки их значений, а также учебные сред- ства измерений; на них наносят обозначения И (индикатор) и У (учебный). 9.5. Контроль качества продукции Качество продукции — совокупность свойств продукции, обус- ловливающих ее пригодность удовлетворять определенные потреб- ности в соответствии с назначением. Качество продукции или ус- луг является одним из важнейших факторов успешной деятельно- сти любой организации или предприятия. В настоящее время во всем мире заметно ужесточились требо- вания, предъявляемые потребителем к качеству продукции. Предприятия производят продукцию или услуги в расчете на удовлетворение потребностей или требований потребителя. Эти тре- бования обычно включаются в технические условия или стандар- ты. Вероятность того, что созданная продукция будет отвечать тре- бованиям потребителя, повышается, если на предприятии действу- ет эффективная система обеспечения качества. В настоящее время существует практика внесения в контракты требований к системам обеспечения качества, дополняющие требования к продукции или услуге, а также проверки их действия на предприятии поставщика. В 1987 году Международной организацией по стандартизации (ИСО) была утверждена серия стандартов ИСО 9000...9004, кон- центрирующая опыт, накопленный в различных странах по вне- дрению комплексной системы управления качеством продукции (КСУКП). Учитывая прогрессивный характер этих стандартов и их регулирующую роль при выходе продукции на международный ры- нок и образовании прямых хозяйственных связей, они приняты в России для прямого использования в следующем виде: ГОСТ 40.9001 — 88 «Система качества. Модель для обеспечения качества при проектировании и (или) разработке, производстве, монтаже и обслуживании». ГОСТ 40.9002—88 «Система качества. Модель для обеспечения качества при производстве и монтаже». ГОСТ 40.9003—88 «Система качества. Модель для обеспечения качества при окончательном контроле и испытаниях». Система качества создается и внедряется на предприятиях как средство, обеспечивающее проведение определенной политики для 304
юстижения поставленных целей, т.е. первичным является форми- рование и документальное оформление руководством предприя- шя политики в области качества. Система качества разрабатывается с учетом конкретной деятель- ности предприятия и должна связывать все стадии жизненного цик- ia продукции. В методологии КСУКП, применяемой в нашей стра- не, заложено четыре стадии жизненного цикла продукции: иссле- ювание и разработка; изготовление; обращение и реализация; жсплуатация и потребление. В соответствии с ИСО 9004 жизненный цикл продукции (петля качества) делится на более мелкие этапы: 1) маркетинг, поиски и изучение рынка; 2) проектирование и (или) разработка технических требова- ний, разработка продукции; 3) материально-техническое снабжение; 4) подготовка и разработка производственных процессов; 5) производство; 6) контроль, проведение испытаний и обследований; 7) упаковка и хранение; 8) реализация и распределение продукции; 9) монтаж и эксплуатация; 10) техническая помощь и обслуживание; 11) утилизация после использования. Характер воздействия на этапы жизненного цикла продукции в системе качества может иметь три направления: обеспечение ка- чества, управление качеством, улучшение качества. Обеспечение качества продукции представляет собой совокуп- ность планируемых и систематически проводимых мероприятий, создающих такие условия для выполнения каждого этапа жизнен- ного цикла продукции, при которых она будет удовлетворять оп- ределенным требованиям по качеству. Управление качеством носит оперативный характер и включа- ет в себя управление всеми процессами, выявление различного рода несоответствий в продукции, производстве или на этапах жизнен- ного цикла, а также устранение этих несоответствий и вызывав- ших их причин. Улучшение качества — это постоянная деятельность, направ- ленная на повышение технического уровня продукции, качества ее изготовления, совершенствование элементов производства и си- стемы качества. Оценка качества продукции. Одно из важнейших условий эффек- тивного управления качеством продукции — своевременная и до- стоверная его оценка. Оценка качества представляет собой совокупность следующих операций: выбор номенклатуры показателей качества оценивае- 305
мой продукции, определение значений этих показателей и срав- нение их с базовыми. Необходимость оценки качества продукции возникает при ре- шении следующих задач: прогнозирования потребностей, технического уровня и каче- ства продукции; планирования повышения качества продукции и объемов ее производства; обоснования освоения новых видов продукции; выбора наилучших образцов продукции; обоснования целесообразности снятия продукции с производ- ства; аттестации продукции по категориям качества; обоснования возможности реализации продукции за рубежом; оценки научно-технического уровня разрабатываемых и действу- ющих стандартов на продукцию; контроля качества продукции; стимулирования повышения качества продукции; анализа динамики изменения качества; анализа информации о качестве продукции и др. Оценка качества продукции должна производиться на различ- ных стадиях ее жизненного цикла. На этапе разработки оценивается уровень разрабатываемой про- дукции, в результате чего устанавливаются требования к ее каче- ству, и производится нормирование соответствующих показателей в нормативно-технической документации. На этапе производства определяются фактические значения по- казателей качества продукции по результатам контроля и испыта- ний и принимаются соответствующие решения. На этапе эксплуатации или потребления оценивается качество изготовленной продукции и по результатам этой оценки прини- маются управляющие решения, направленные на сохранение или повышение уровня качества. Уровень качества продукции определяется совокупностью еди- ничных и (или) комплексных показателей, в результате сравне- ния которых с базовыми значениями в зависимости от цели оцен- ки можно сделать соответствующие выводы. Методы определения значений показателей качества продук- ции подразделяются в зависимости от способов и источников по- лучения информации. В зависимости от способа получения инфор- мации различают измерительный, регистрационный, органолеп- тический и расчетный методы. Измерительный метод основывается на использовании техни- ческих измерительных средств. Результаты непосредственных из- мерений при необходимости приводятся путем соответствующих 306
пересчетов к нормальным или стандартным условиям, например к нормальной температуре, нормальному атмосферному давлению л т. д. С помощью измерительного метода определяются масса из- юлия, сила тока, число оборотов двигателя, скорость автомобиля и др. Регистрационный метод основывается на подсчете числа опре- (сленных событий, предметов или затрат, например отказов из- юлия при испытаниях, числа частей сложного изделия (стандар- шых унифицированных, оригинальных, защищенных авторски- ми свидетельствами или патентами). Этим методом определяются показатели унификации, патентно-правовые показатели и др. Органолептический метод основывается на анализе восприятия органов чувств: зрения, слуха, обоняния, осязания и вкуса. При л ом органы чувств человека служат приемниками соответствую- щих ощущений, а показатели определяются путем анализа этих ощущений на основании имеющегося опыта и выражаются в бал- лах. Точность и достоверность этих показателей зависит от способно- стей, квалификации и навыков лиц, их определяющих, но метод не исключает возможности использования некоторых технических средств. С помощью органолептического метода определяются по- казатели качества пищевых продуктов, эстетические показатели, некоторые эргономические показатели. Расчетный метод основывается на использовании теоретичес- ких или эмпирических зависимостей. Этим методом пользуются главным образом при проектировании продукции, когда после- дняя еще не может быть объектом экспериментальных исследова- ний (испытаний). Расчетный метод служит для определения пока- зателей производительности, безотказности, долговечности, со- храняемости, ремонтопригодности изделия и др. В зависимости от источника информации методы определения значений показателей качества продукции разделяются на традици- онные и социологические. Определение значений показателей ка- чества продукции традиционным методом осуществляется долж- ностными лицами специализированных экспериментальных и расчетных подразделений предприятий, учреждений или органи- заций. К экспериментальным подразделениям относятся лаборатории, полигоны, испытательные станции, стенды, а к расчетным — кон- структорские отделы, вычислительные центры, службы надежнос- ти и др. Например, в лаборатории определяются механическая прочность металлов, содержание серы, вязкость, содержание золы в угле, кислотность веществ и др. Определение значений показателей качества продукции социо- логическим методом осуществляется фактическими или потенци- альными потребителями продукции. Сбор мнений потребителей 307
производится путем устных опросов или с помощью специальных анкет-опросников, а также на конференциях, выставках и т. д. При необходимости используется совместно несколько мето- дов определения значений показателей качества продукции. В основе оценки качества лежит сравнение значений показате- лей качества выпущенной продукции с соответствующими пока- зателями качества базового образца, поэтому выбор базовых об- разцов является одной из основных операций оценки техническо- го уровня и качества продукции. Совокупность базовых показателей характеризует качество продукции на некоторый заданный период времени. Выбор базовых образцов определяется целью оценки. Базовыми на стадии разработки могут служить перспективные образцы продукции, характеризуемые прогнозируемыми реально достижимыми значениями показателей качества, и соответствую- щие передовые достижения науки и техники на определенный будущий период. На стадии изготовления базовым образцом может быть продук- ция, показатели качества которой в момент оценки отвечают са- мому высокому мировому уровню. Такие базовые образцы приме- няются при сертификации продукции. Срок действия базового образца устанавливается ведущей орга- низацией в зависимости от специфики оцениваемой продукции, т. е. с учетом ее потребности у потребителей, длительности пери- одов ее разработки, изготовления и эксплуатации или потребле- ния, а также планируемых сроков проведения сертификации и сро- ков смены моделей данного вида продукции на внутреннем и внеш- нем рынках. Не допускается использование в качестве базовых морально устаревших образцов продукции и образцов, не прошедших к моменту оценки качества продукции научной проработки, а так- же использование наилучших значений показателей качества об- разцов-аналогов, если такие значения не являются реально дос- тижимыми. Основными источниками информации при установлении ба- зовых образцов являются отчеты научно-исследовательских и про- ектно-конструкторских организаций, научно-технические прогно- зы развития отдельных отраслей промышленности, описания оте- чественных и зарубежных патентов, отчеты о проведении патентных исследований, государственные, отраслевые, международные, зарубежные стандарты, отечественные и зарубежные периодичес- кие научно-технические издания. Базовый образец выбирается из группы продукции, аналогич- ной по назначению, условиям изготовления и эксплуатации или потребления. 308
В аналоговую группу могут входить лучшие образцы спроекти- рованной или промышленно освоенной отечественной и зарубеж- । юй продукции, составляющей значительную часть общего объе- ма продукции, реализуемой на внешнем рынке и пользующейся устойчивым спросом. Лучший образец из группы принимается за базовый. Для продукции одного вида (одного класса и назначения) ис- пользуют следующие методы оценки ее качества: дифференциаль- ный, комплексный и смешанный. Дифференциальный метод заключается в сравнении показателей качества оцениваемого вида продукции с соответствующими ба- ювыми показателями, т. е. показатель качества оцениваемой про- дукции сопоставляется с показателем качества базового образца. При использовании дифференциального метода оценки каче- ства продукции возможны следующие случаи: 1) все относительные показатели больше единицы; 2) все относительные показатели меньше единицы; 3) все относительные показатели равны единице; 4) часть относительных показателей больше единицы, а часть равна единице; 5) часть относительных показателей меньше единицы, а часть равна единице; 6) часть относительных показателей больше или равна едини- це, а часть меньше единицы. В первом, третьем и четвертом случаях однозначно можно сде- лать вывод, что качество оцениваемой продукции не ниже базо- вого, а во втором и пятом случаях, — что качество ниже базового. В шестом случае необходимо все показатели разделить по значи- мости на две группы. В первую группу следует включить показате- ли, определяющие наиболее существенные свойства продукции, а во вторую — второстепенные. Если в первой группе все относи- тельные показатели больше или равны единице, а во второй боль- шая их часть также не меньше единицы, то можно сказать, что качество оцениваемой продукции не ниже базового. В противном случае оценку качества необходимо проводить другим методом, на- пример комплексным. Комплексный метод предусматривает использование обобщен- ного показателя качества и применяется в случаях, когда целесо- образно результат представить в виде одного значения. Оценка в этом случае производится по отношению обобщенного показате- ля качества оцениваемой продукции к обобщенному показателю качества базового образца. При оценке сложной продукции, имеющей широкую номен- клатуру показателей качества, с помощью дифференциального метода практически невозможно сделать конкретный вывод, а ис- 309
пользование только одного комплексного метода не позволяет объективно учесть все значимые свойства оцениваемой продукции. В этом случае для оценки применяют и единичные, и комплекс- ные показатели качества, т. е. оценку производят смешанным ме- тодом, сущность которого заключается в следующем. Единичные показатели качества объединяют в группы, для каждой из кото- рых определяют групповой комплексный показатель качества. Наи- более значимые единичные показатели можно в группы не вклю- чать, а рассматривать отдельно. Объединение показателей в группы должно производиться в зависимости от цели оценки. Например, при аттестации качества продукции по назначению, надежности, технологичности, стандартизации, унификации показатели груп- пируются по характеризуемым свойствам. Найденные значения групповых комплексных и отдельно выделенных наиболее важных единичных показателей сравнивают с соответствующими значе- ниями базовых показателей, т. е. применяют принцип дифферен- циального метода. Когда невозможно или затруднено использование более объек- тивных методов оценки качества продукции, например инструмен- тального или расчетного, применяют экспертные методы, осно- ванные на использовании обобщенного опыта и интуиции специ- алистов. Эти методы служат: для разработки классификации оцениваемой продукции; определения номенклатуры показателей качества оцениваемой продукции; определения коэффициентов весомости показателей качества продукции; оценки показателей качества продукции органолептическим методом; выбора базовых образцов и определения значений базовых по- казателей качества; определения обобщенных групповых показателей качества на основе единичных и комплексных показателей, т. е. аттестации ка- чества продукции. Для оценки качества продукции создается экспертная комис- сия, состоящая из экспертной и рабочей групп. В экспертную группу включаются высококвалифицированные специалисты по созданию и реализации оцениваемой продукции: исследователи, техноло- ги, конструкторы, дизайнеры, товароведы и др. Для исключения необъективности оценки в состав групп не должны входить спе- циалисты, имеющие отношение к созданию (проектированию, изготовлению) продукции. Число экспертов зависит от требуе- мой точности средних оценок, допустимой емкости оценочных процедур, возможностей управления группой и возможностей организации, в которой формируется группа, но их должно быть 310
нс менее семи. При заочном опросе число экспертов не ограничи- вается. При необходимости в состав комиссии включаются дополни- (сльно специалисты, участвующие только в рассмотрении отдель- ных вопросов. Процедура проведения экспертных работ, как пра- вило, включает в себя: назначение лиц, ответственных за организацию и проведение работ по экспертной оценке; формирование рабочей и экспертной групп; подготовку анкет и пояснительных записок для опроса экс- пертов; опрос экспертов; обработку экспертных оценок; анализ результатов оценок. Экспертная группа принимает решение на основе усреднения оценок экспертов или голосованием. Для избежания субъективно- сти суждений проводят несколько туров опроса. Сертификация продукции. Обеспечение качества, управление ка- чеством и улучшение качества — взаимосвязанные понятия, на ко- торых строятся механизмы сертификации и систем качества. Законом РФ «О защите прав потребителей» в нашей стране введена обязательная сертификация товаров (работ, услуг), т. е. законодательными актами или стандартами устанавливаются тре- бования, направленные на обеспечение безопасности жизни и здо- ровья потребителей, охрану окружающей среды, предотвращение нанесения вреда имуществу потребителей, а также требования к средствам, обеспечивающим безопасность жизни и здоровья по- требителей. Сертификация определяется как действие, удостоверяющее по- средством выдачи знака или сертификата соответствие изделия тре- бованиям определенных стандартов или технических условий. Сертификат — это документ, составленный по определенной форме. Выдаче сертификата, сопровождающего выпуск в обраще- ние приборов, станков или партий продукции должен предшество- вать комплекс работ по созданию системы сертификации, обес- печивающий и гарантирующий достоверность сертификата в са- мом широком смысле этого слова, охватывающий все аспекты производства, контроля и обеспечения качества продукции. Система сертификации Госстандарта России предназначена для проведения обязательной сертификации в соответствии с Законом РФ «О защите прав потребителей» как отечественных, так и им- портируемых товаров (работ, услуг) и предусматривает доброволь- ную сертификацию. Основополагающими документами системы сертификации яв- ляются: 311
1. Основные положения. (Устанавливают цели, принципы и структуру системы.) 2. Требования к органу по сертификации и порядок его аккре- дитации. (Устанавливают основные требования, которым должен соответствовать орган по сертификации продукции, чтобы быть признанным в качестве компетентного органа Системы сертифи- кации ГОСТ Р.) 3. Порядок проведения сертификации продукции. Общие тре- бования. (Регламентируют общие требования к порядку проведе- ния сертификации продукции в Системе сертификации ГОСТ Р.) 4. Требования к испытательным лабораториям и порядок их ак- кредитации. (Устанавливают требования к испытательным лабора- ториям, аккредитуемым в Системе сертификации ГОСТ Р, и по- рядок проведения их аккредитации.) 5. Правила ведения государственного реестра системы. (Пред- назначены для организаций и предприятий, осуществляющих ра- боты по аккредитации и сертификации в Системе сертификации ГОСТ Р. Устанавливают правила ведения Государственного реест- ра системы, включая регистрацию объектов, участников работ, до- кументов о порядке сертификации видов продукции и решений о признании знаков соответствия, а также внесение принимаемых установленным порядком изменений и дополнений и выдачу ин- формации о состоянии работ.) Пути повышения качества продукции. Качество продукции зави- сит от многих факторов. Высокий технический уровень и хорошее качество продукции должны закладываться при их проектирова- нии и разработке технологических процессов. Отличное выполне- ние всех операций по изготовлению изделия не обеспечит ему высокого качества, если в проект или технологию заложены уста- ревшие решения, не соответствующие государственным стандар- там. Но и наличие хорошего проекта еще не гарантирует высокого качества продукции, если не соблюдается технологическая дис- циплина, несовершенны организация и культура производства. Высокая культура производства — непременное условие выпуска хорошей продукции. Иногда на предприятиях культуру производства понимают слишком узко, сводя ее к чистоте, белым халатам, пра- вильному освещению. Все это, конечно, важно, но культура про- изводства — понятие более широкое, оно охватывает технический уровень производства, организацию труда, подготовку работников. Для выпуска хорошей продукции нужна соответствующая тех- ника. Однако самая совершенная техника со временем может ут- ратить первоначальный класс точности. Поэтому на предприятиях необходимо систематически проводить лабораторный и другой кон- троль точности оборудования, систематически его модернизиро- вать. Устаревшие машины заменять новыми. 312
Во многих отраслях качество продукции решающим образом за- висит от правильности разработанной технологии производства, • н четкого ее соблюдения, т.е. от технологической дисциплины. Малейшие ошибки при проведении химических процессов, суш- >п, крашения, закалки, варки, выпечки и других могут, как из- iuviho, безнадежно испортить материалы или уже почти готовую продукцию, свести на нет труд многих людей. Технологическая дис- циплина неотделима от элементарной дисциплины труда, добро- i местности каждого работника, чувства ответственности за по- рченное дело. Неотъемлемый элемент культуры производства — высокий уро- вень его организации. Большую роль, в частности, играют четко на ыженное материально-техническое снабжение и взаимодействие m сх производственных звеньев предприятия, что обеспечивает ис- но 1ьзование в производстве именно тех видов сырья, материалов, пи 1уфабрикатов, которые предусмотрены стандартами или другими нормами. Культура производства также включает в себя чистоту и поря- |ок на рабочих местах, удобную мебель и спецодежду, оптималь- ные освещенность и температуру, научно обоснованные цвета ок- раски стен и оборудования. Все это, во-первых, облегчает труд ра- । >( тих, снижает утомляемость, позволяя до конца смены тщательно выполнять производственные операции, во-вторых, создает в кол- (ективе должный психологический настрой, несовместимый с не- брежной работой, и, в-третьих, обеспечивает на протяжении всего производственного цикла чистоту обрабатываемых предметов тру- 1.1, что также важно для обеспечения качества продукции. Обеспечить высокое качество продукции могут только квали- фицированные работники, знающие технологию производства, меющие соблюдать все ее требования, систематически повыша- ющие свою квалификацию, изучающие передовой опыт. Контроль качества. Неотъемлемой частью любого производст- венного процесса является технический контроль. Для его осуще- с тления в объединениях и на предприятиях имеются специаль- ные отделы технического контроля (ОТК), основная функция которых заключается не только в том, чтобы обеспечить соблю- дшие соответствующих требований в процессе производства, но и предупредить возможность выпуска недоброкачественной про- екции. Вся изготовленная предприятием продукция должна поставлять- ся потребителям только после приемки ее ОТК. Во многих случаях i.iкая приемка необходима также при передаче сырья и материа- юв в производственные цеха и полуфабрикатов из одного цеха в । ругой. Отделы технического контроля имеют право прекращать приемочный контроль продукции, имеющей повторяющиеся дефек- 313
ты, до устранения их причин, запрещать изготовление продукции на отдельных станках, агрегатах, участках и в цехах, не обеспечи- вающих соблюдения установленной технологии и изготовления продукции в соответствии с предъявляемыми к ней требования- ми, представлять руководству предприятия предложения о при- влечении к ответственности работников, виновных в выпуске не- доброкачественной продукции. В строительстве промежуточный контроль качества выполняе- мых работ обычно осуществляют комиссии, создаваемые внутри строительных организаций. В ряде случаев в эти комиссии входят представители проектных организаций и Государственных конт- рольных инспекций. Правом промежуточного контроля пользует- ся и заказчик. Приемка законченных строительных объектов осу- ществляется государственной приемочной комиссией. Все замечен- ные ею дефекты и недоделки, подлежащие устранению, заносятся в дефектную ведомость и для их ликвидации устанавливаются оп- ределенные сроки. Только после устранения всех недостатков ко- миссия подписывает акт о приемке объекта в эксплуатацию и дает оценку работе строителей. Комплексные системы управления качеством продукции охваты- вают весь цикл ее производства (конструирование, освоение, вы- пуск, доведение до потребителя). Системы базируются на стандартах объединений и предприятий, разрабатываемых в полном соответ- ствии с государственными и отраслевыми стандартами. Заводские стандарты регламентируют проведение всех организационных, тех- нических и экономических мероприятий, направленных на повы- шение качества выпускаемой продукции, устанавливают порядок действий и ответственность каждого исполнителя за достижение высокого технического уровня, надежности и долговечности про- дукции. Показатели, заложенные в заводские стандарты, позволяют пра- вильно оценивать конкретный вклад работников в дело повыше- ния качества продукции, который учитывается при их моральном и материальном стимулировании. Стандарты объединений и пред- приятий повышают ответственность поставщиков за качество сы- рья, материалов и комплектующих изделий, способствуют укреп- лению делового сотрудничества коллективов — изготовителей ко- нечной продукции и их смежников. Вопросы для самоконтроля I. 1. Что такое качество продукции? 2. Каковы основные показатели качества продукции? 3. Перечислите основные цели стандартизации. II. 1. Каковы назначение ЕСКД и ее классификационные группы? 2. Каков порядок применения стандартов ЕСКД? 314
3. Назовите основные виды и средства измерений и их основные .|рактеристики. 4. Назовите основные методы оценки качества продукции. HI I. Назовите основные методы определения численного значения и 1меряемой величины и дайте их сравнительную характеристику. 2. Назовите основные методы измерений, приведите их сравнитель- ные характеристики. 3. Каковы основные положения сертификации товаров и ее роль в правлении качеством продукции?
Глава 10. УСТРОЙСТВО И МОНТАЖ КАБЕЛЬНЫХ ЛИНИЙ НА НАПРЯЖЕНИЕ ДО 1 КВ 10.1. Основные сведения о кабелях и кабельных линиях Кабели разделяют на силовые и контрольные. Кроме того, вы- пускают кабели специального назначения, например для горных разработок. Силовые кабели служат для передачи и распределения элек- трической энергии и изготавливаются на напряжение 0,66; 1; 3; 6; 10 кВ и выше. Они могут быть с пропитанной бумажной изо- ляцией и герметической оболочкой из свинца или алюминия (ГОСТ 18410—73), с бумажной изоляцией, пропитанной несте- кающим составом (ГОСТ 18409 — 73), с резиновой изоляцией (ГОСТ 433—73) и пластмассовой изоляцией в пластмассовой обо- лочке (ГОСТ 16442-80). Силовой электрический кабель состоит из токопроводящих жил 7, изоляции 2 и 4, герметической защитной оболочки 5 и защитных покровов 6, 7 и 8 (рис. 10.1). Токопроводящие жилы изготавливаются из мягкой меди мар- ки ММ или алюминия марки АТ. Сечения жил могут быть круг- лыми, сегментными и секторными. Стандартом предусмотрены сле- дующие размеры сечений токопроводящих жил силовых кабелей: 1,5; 2,5; 4, 6; 10; 16; 25; 35; 50; 70; 95; 120; 150; 185; 240; 300; 400; 500; 625 и 800 мм2. Медные и алюминиевые токопроводящие жилы изготавливают однопроволочными и многопроволочными. Сечения однопроволоч- ных жил из меди могут быть до 50 мм2, из алюминия — до 240 мм2. В марках кабелей, имеющих однопроволочные жилы, дополнитель- но указывают: (ож). Силовые кабели могут иметь одну, две, три и четыре жилы. В че- тырехжильных кабелях все жилы имеют одинаковое сечение или же одна из жил может иметь меньшее сечение и использоваться как нулевая или заземляющая. Для электроснабжения электроустановок используют трехжиль- ные и четырехжильные кабели: первые — в трехфазных системах сети с изолированной нейтралью питающего трансформатора, вто- рые — в трехфазных системах напряжением 380/220 В с глухоза- земленной нейтралью. В большинстве случаев питание осветительных установок осу- ществляется от трехфазных систем электроснабжения с глухоза- 316
Рис. 10.1. Силовой трехжильный кабель марки ААБ: / - алюминиевая токопроводящая жила; 2 — жильная изоляция; 3 — бумаж- ный заполнитель; 4 — поясная бумажная изоляция; 5 — защитная алюмини- евая оболочка; 6 — защитный покров оболочки (подушка); 7 — броня из двух стальных лент; 8 — наружный защитный покров юмленной нейтралью и подводится четырехжильными кабеля- ми, у которых три жилы одинакового сечения являются токоп- роводящими, а четвертая жила значительно меньшего сечения — нулевой. Изоляцию жил силовых кабелей выполняют из резины, плас- шка и наиболее часто из пропитанной кабельной бумаги. В силовых кабелях на напряжение до 10 кВ изолируют каждую килу в отдельности (жильная изоляция) и все жилы вместе отно- i нгельно оболочки (поясная изоляция). Промежутки между изо- hi рованными жилами заполняют бумажным жгутом (заполните- icm). Для уменьшения неравномерности электрического поля в ка- пелях, которая обусловлена наличием воздушных включений, между верхним слоем изоляции и оболочкой накладывают экран и 5 слоя полупроводящей бумаги. Бумажную изоляцию кабелей пропитывают изоляционным со- (. гавом МП-1 (80% брайтстока и 20% канифоли), значительно повышающим ее электрическую прочность. Для вертикальных про- кладок используют кабели с обедненно-пропитанной изоляцией и in с изоляцией, пропитанной нестекающим составом. Обеднен- но-пропитанную изоляцию получают дополнительно нагревая в вакууме обычно пропитанную изоляцию, в результате чего удаля- е гея значительная часть пропиточной массы. Нестекающий состав для кабелей изготавливают из церезина, вязкого минерального масла, канифоли и полиизобутилена. Це- резин, являющийся продуктом переработки нефти и сланцевого масла, обеспечивает нестекание пропиточного состава. Толщина бумажной изоляции зависит от рабочего напряжения кабеля и сечения жил. Так, толщина жильной и поясной изоляции (в зависимости от сечения жил) кабелей со свинцовой и алюмини- 317
свой оболочками, рассчитанными на напряжение 1 кВ, должна составлять соответственно 0,75... 0,95 мм и 0,5... 0,6 мм, на напря- жение 6 кВ — 2,0 и 0,95 мм, а на напряжение 10 кВ — 2,75 и 1,25 мм. В многожильных кабелях для различия фаз верхние ленты изо- ляции каждой жилы разного цвета: красного, черного и цвета изоляционной бумаги. Для предохранения кабеля от попадания влаги и воздуха по- верх изоляции накладывают герметическую защитную оболочку, выполняемую из свинца, алюминия, поливинилхлорида или не- горючей резины. На герметическую оболочку кабеля накладывают несколько сло- ев защитного покрова для предохранения ее от коррозии и меха- нических повреждений. Защитные покровы изготавливаются по ГОСТ 7006—72 и состоят из подушки, брони и наружного защит- ного покрова. Подушка, предохраняющая оболочку от повреждений при на- ложении брони и изгибах кабеля, состоит из нескольких последо- вательно наложенных концентрических слоев: битумного состава, пропитанных лент кабельной бумаги и пропитанной кабельной пряжи. В кабелях с броней из стальных лент вместо пряжи приме- няются пропитанные в битумном составе сульфатные бумажные ленты, которые предохраняют металлическую оболочку от корро- зии. Для защиты от коррозии алюминиевой оболочки кабеля до- полнительно накладывают нагретые сплошной поливинилхлорид- ный шланг или две поливинилхлоридные ленты. На подушку наматывают броню из двух стальных лент или сталь- ных оцинкованных проволок прямоугольной либо круглой фор- мы. Стальная броня предохраняет оболочку кабеля от механичес- ких повреждений, а проволочная — и от растягивающих усилий. Стальные ленты накладываются на кабель так, чтобы одна пере- крывала другую на 1/3 их ширины. При изгибах кабеля верхняя лента не должна иметь зазоров между витками. На броню накладывают наружный защитный покров, состоя- щий из битумного состава, пропитанной кабельной пряжи и мед- ного покрытия, или шланг из поливинилхлоридного либо поли- этиленового пластиката. В небронированных кабелях (например, марки ААШв) шланг из поливинилхлоридного или полиэтилено- вого пластиката накладывается на герметическую оболочку. По ГОСТ 7006—72 каждому элементу защитного покрова при- сваивается в зависимости от его конструкции условное буквенное обозначение: подушкам — б, л, 2л, п, в; броне — Б, П, К; на- ружным покровам — н, Шп, Шв, Г, которые указываются в мар- ке кабеля. В обозначении марки силовых электрических кабелей указыва- ется материал токопроводящих жил, герметической оболочки и 318
j шт защитного покрова. Некоторые наиболее часто используемые и городских электросетях силовые кабели, рассчитанные на напря- кение до 10 кВ, приведены в табл. 10.1. Для полной характеристики кабеля кроме его марки необхо- U1MO указывать номинальное напряжение, на которое он рассчи- i;iH, число и площадь сечения жил. Например, силовой электри- ческий кабель с однопроволочными алюминиевыми жилами, в алюминиевой оболочке, с наружным покровом для прокладки в кмле, рассчитанный на напряжение до 1 кВ, четырехжильный, с тремя жилами с сечениями по 185 мм2 и одной жилой с сечением >0 мм2 будет иметь следующее полное обозначение: ААБв (ож) 1x 185 + 1x50 - 1 ГОСТ 18410-73. Контрольные кабели предназначены для присоединения к элек- трическим приборам и аппаратам в электрических распределитель- ных устройствах переменного тока с напряжением до 660 В и час- готой до 100 Гц или постоянного тока напряжением до 1000 В. Ка- бели любых марок могут прокладываться на открытом воздухе при условии обеспечения их защиты от механических повреждений и воздействия прямых солнечных лучей. Также контрольные кабели используются в цепях вторичной коммутации и цепях управления. Например, кабели сигнализации и блокировки предназначены для железнодорожных электрических цепей, цепей пожарной автома- тики, телеграфа и других систем, рассчитанных на номинальное переменное напряжение 380 В и постоянное напряжение 700 В при условии эксплуатации в неподвижном состоянии. Кабели прокладывают в траншеях, блоках, а также на специ- альных сборных конструкциях и в лотках. Прокладка в траншеях и блоках применяется при прохождении кабельной трассы по тер- ритории предприятия. Прокладка на опорных конструкциях и в лотках осуществляется при монтаже кабелей в помещениях, тун- нелях, а также по стенам зданий и сооружений. Прокладка кабелей в траншеях наиболее распространена и лег- ко выполнима, так как все работы заключаются в рытье траншей и укладке в них кабелей. Недостатком этого способа является воз- можность механического повреждения кабелей, находящихся в земле, и несчастных случаев с людьми при производстве земля- ных работ вблизи кабельной линии. Более защищенной и надеж- ной является кабельная линия, проложенная в асбестоцементных трубах или бетонных плитах. Независимо от способа прокладки кабеля трассу выбирают так, чтобы расстояние между начальной и конечной точками линии было кратчайшим. Прокладку кабельных линий осуществляют в со- ответствии с проектно-технической документацией, в которой описывается трасса линии, а также приводятся ее геодезические отметки, позволяющие судить о разности уровней расположения 319
Таблица 10.1 Силовые кабели Марка кабеля Характеристики оболочек и защитного покрова Область применения С медными жилами с алюми- ниевыми жилами сг АСГ В свинцовой оболочке с пропи- танной бумажной изоляцией, без наружных покровов В трубах, туннелях, каналах СБ АСБ То же, но бронированный двумя стальными лентами с наружным покровом В земле СБГ АСБГ То же, но бронированный двумя стальными лентами без наружного покрова Внутри помеще- ний, в туннелях, каналах СБи АСБн То же, но бронированный двумя стальными лентами с покровом из негорючего состава В туннелях СП АСП То же, но бронированный плоскими стальными проволоками с защитным наружным покровом В земле, если подвергается значительным растягивающим усилиям СК АСК То же, но бронированный круглыми стальными оцинкованными проволоками с защитным наружным покровом Под водой СБВ, СБГВ АСБВ, АСБГВ В свинцовой оболочке с обедненно-пропитанной изоляцией, бронированный двумя стальными лентами с наружным покровом и без него На вертикальных и наклонных участках в земле, в туннелях, ка- налах и внутри помещений — ААГ В алюминиевой оболочке с пропитанной бумажной изоля- цией, без защитных покровов В туннелях, каналах — ААБл То же, но бронированный двумя стальными лентами с наружным покровом В земле — ААБлГ То же, но бронированный двумя стальными лентами без наружно- го покрова Внутри помеще- ний, в туннелях, каналах — ААБв То же, но с дополнительным покрытием оболочки двумя слоями поливинилхлоридной ленты и бронированный двумя стальными лентами с наружным покровом В земле в особо агрессивных условиях — ААШв В алюминиевой оболочке и наружным покровом из поливинилхлоридного шланга Внутри помеще- ний, в каналах, туннелях и мягком грунте 320
Окончание табл. 10.1 Марка кабеля Характеристики оболочек и защитного покрова Область применения с 1НЫМИ килами с алюми- ниевыми жилами < IT АСРГ В свинцовой оболочке с резиновой изоляцией без защитных покровов Внутри помеще- ний, в каналах BIT АВРГ В поливинилхлоридной оболочке с резиновой изоляцией без защитных покровов Внутри помеще- ний, в каналах ИРГ АНРГ В резиновой негорючей оболочке с резиновой изоляцией без защитных покровов Внутри помеще- ний, в каналах (ТБ АСРБ В свинцовой оболочке с резино- вой изоляцией, бронированный двумя стальными лентами с за- щитным наружным покровом В земле, если не подвергается значительным растягивающим усилиям ВРБ АВРБ В поливинилхлоридной оболочке с резиновой изоляцией, брониро- ванный двумя стальными лентами с защитным наружным покровом То же НРБ АНРБ В резиновой негорючей оболочке с резиновой изоляцией, брониро- ванный двумя стальными лентами с защитным наружным покровом » ВВВ АВВВ В поливинилхлоридной оболочке с поливинилхлоридной изоляци- ей, бронированный стальными лентами с защитным наружным покровом В земле, если не подвергается значительным растягивающим усилиям ВБбШв АВБбШв В пластмассовой оболочке с поливинилхлоридной изоляци- ей, бронированный стальными лентами с наружным покровом из поливинилхлоридного шланга В туннелях, каналах, земле, если кабель не подвергается значительным растягивающим усилиям ПВБ АПВБ В поливинилхлоридной оболоч- ке с полиэтиленовой изоляцией, бронированный стальными лен- тами с защитным наружным покровом В земле, если не подвергается значительным растягивающим усилиям Примечание. В марках кабелей используются следующие буквенные обозна- чения: А в начале — жила из алюминия; А в середине — герметическая оболочка из алюминия; Б — броня из двух стальных лент; В первая или третья — изоляция из поливинилхлоридного пластиката; В в конце — обедненно-пропитанная изоляция для вертикальных прокладок; Г — отсутствие защитного покрова на броне; К в конце — броня из круглых стальных проволок; Н — резиновая негорючая оболочка; П первая или вторая — полиэтиленовая изоляция; П в конце — броня из плоской стальной проволоки; Р — резиновая изоляция; С — оболочка из свинца; Бл, Бн — броня из двух стальных лент с различной подушкой; Шв — наружный покров в виде шланга из поливинилхлоридного пластиката. 1 1 Нестеренко 321
Таблица 10.2 Максимально допустимая разность уровней расположения высшей и низшей точек различных кабелей на трассе, м Кабель В оболочке СВИНЦОВОЙ алюминиевой С нормально пропитанной бумажной изоляцией: бронированный небронированный 25 20 25 25 С обедненно-пропитанной бумажной изоляцией, бронированный лентой, в общей оболочке 100 Без ограничений То же, с отдельно освинцованными жилами 300 То же С нестекающей пропиткой Без ограничений С поливинилхлоридной и резиновой изоляцией То же Примечания: 1. Приведенные в таблице значения относятся к случаям, когда не применяются специальные устройства, например эпоксидные или сто- порные муфты. 2. Разность уровней для кабелей, рассчитанных на напряжение 1 кВ, с алю- миниевой оболочкой и изоляцией из предварительно пропитанной бумаги, не ограничивается. 3. При указанных в таблице значениях и нормальной нагрузке кабелей не должна происходить утечка пропиточного состава из концевых муфт и заделок. ее отдельных участков (табл. 10.2). Необходимость соблюдения при- веденных в таблице значений обусловлена происходящими в ка- беле процессами. При нагревании жил током происходит разжижение и необра- тимое перемещение состава, которым пропитан кабель. Из всех ма- териалов, входящих в конструкцию кабеля, пропиточный состав имеет наибольший коэффициент объемного расширения, и по- этому при нагревании создает избыточное давление, приводящее к растяжению оболочки и увеличению ее объема. Кроме того, в кабеле, проложенном наклонно или вертикально, под действием силы тяжести происходит стекание пропиточного состава, т. е. в нижней части кабеля скапливается избыточное количество про- питочного состава, а в верхней — могут образоваться пустоты, заполняемые газовыми включениями. В результате в верхней части кабеля ухудшается изоляция, а в нижней — возрастает давление, т. е. создается угроза растяжения и даже разрыва его оболочки. 322
Выполнять тепловой расчет для каждого сечения кабеля на основа- ми юлько формулы слишком трудно из-за зависимости коэффициента и.ной теплоотдачи Кта от условий изоляции, внешних условий и его постоянства по длине кабеля. Поэтому при расчете используют табли- | | пительно допустимых токовых нагрузок в кабеле. Согласно этим таб- ц|мм допустимая плотность тока 1 / 5уменьшается с увеличением сече- :нч, что является следствием уменьшения удельной поверхности тепло- I 1.1ЧИ. Расчет сечения кабеля (см. разд. 4.1) производится в следующем по- 11кс. Сначала сечение определяется на основании допустимой потери и (ряжения и результат округляется до ближайшего стандартного зна- 1 ния. Затем для проверки по условиям нагревания по соответствующей । книце токовых нагрузок находится сила тока для полученного сечения. I. in сила тока, приведенная в этой таблице, больше той, для которой рчизведен расчет по потере напряжения, то можно выбрать сечение, <> [ученное при расчете. Если же сила тока, найденная по таблице, меньше Р к четной, то необходимо увеличить сечение настолько, чтобы оно со- путствовало требованиям таблицы. 11есколько слов скажем об электрических кабельных сетях. Элек- рические сети в зависимости от рабочего напряжения делятся на чи до 1000 В, обычно называемые сетями низкого напряжения 111Н), и сети свыше 1000 В, называемые сетями высокого напря- ♦ гния (ВН). В свою очередь, ввиду существенного различия в ра- • >оч их условиях последние принято подразделять на сети с напря- жением до 35 кВ и сети с напряжением выше 35 кВ, которые в ' -олыпинстве случаев являются питающими, т. е. соединяют источ- ники электроэнергии с трансформаторными подстанциями или распределительными пунктами и передают энергию без распреде- 1сния ее вдоль линии отдельным потребителям. Кабельные питающие линии допускается прокладывать вместо нощушных питающих линий, если они рассчитаны на напряже- ние до 220 кВ включительно. Для таких линий применяют специ- । и.ные кабели, наполненные минеральным маслом под давлени- ем либо нейтральным газом (проволоки проводящей жилы в них охватывают полую стальную спираль, внутри которой находится к.шал для масла). Это масло вытесняет из бумажной изоляции жилы пузырьки влаги или воздуха. Кабельные линии находятся вне влияния атмосферного элект- ричества, защищены от внешних механических воздействий, от- носительно безопасны для людей и не требуют места на поверх- ности земли. Но стоимость таких линий, рассчитанных на напря- жение 60 кВ и выше, в несколько раз больше стоимости воздушной шнии, поэтому они прокладываются лишь в тех случаях, когда величение капитальных затрат на сооружение линии оправдыва- сгся ее специфическими преимуществами. 323
Сети напряжением выше 1000 В, но не более 35 кВ, являются распределительными сетями высокого напряжения. Они соединя- ют подстанции энергосистемы с напряжением ПО...510 кВ, слу- жащие центрами питания (ЦП) с распределительными и транс- форматорными пунктами (ТП). Последние питают сети с напря- жением менее 1000 В. Для сетей с напряжением 1 ...35 кВ широко применяют кабели с бумажной изоляцией, которые значительно дешевле и проще в эксплуатации маслонаполненных кабелей. По приведенным выше причинам распределительные сети в городах в большинстве случаев кабельные. Внутри помещений кабели про- кладываются под полом в специальных каналах, но запрещена про- кладка кабелей под зданиями. В больших городах электрические рас- пределительные сети выполняются в специальных подземных тун- нелях. Распределительные сети низкого напряжения общего пользо- вания выполняют по трехфазной четырехпроводной схеме на на- пряжение 380/220 В. В помещениях для них используют установоч- ные провода и шнуры; последние служат также для присоедине- ния различных потребителей электроэнергии — электродвигателей, бытовых электроприборов. Токопроводящие жилы изолированных установочных проводов алюминиевые или медные, многопрово- лочные, сечением 16 мм2 и выше. Для изоляции жил провода в основном используют полихлорвиниловые или резиновые труб- ки. Пластикат полихлорвинила негорюч, маслостоек, водостоек и не боится действия воздуха. Недостатки полихлорвинила — малая морозостойкость (-35 °C) и недостаточно высокая теплостойкость (65 °C). Провода с полихлорвиниловой изоляцией не нуждаются во внешней защитной оболочке. Они предназначены для открытой прокладки, а также для прокладки под штукатуркой и в трубах. Допустимое для этих проводов рабочее напряжение при перемен- ном токе — до 500 В, а при постоянном — до 1000 В. Резиновую изоляционную трубку обычно изготавливают из вул- канизированной резины, которая химически воздействует на медь, поэтому медные жилы необходимо облуживать. Для защиты от ме- ханических повреждений резиновой изоляции провод снабжается оплеткой из хлопчатобумажной или шелковой пряжи. Оплетка мо- жет быть асфальтирована, что делает ее непроницаемой для воз- духа. Вместо оплетки из пряжи может применяться слой полихлор- винила толщиной 0,2... 0,3 мм, который защищает резиновую изо- ляцию от света и химических воздействий. Прокладку кабелей производят в соответствии с действующи- ми технологическими правилами и требованиями, соблюдение ко- торых обеспечивает сохранность уровней электрической и меха- нической прочности кабеля, достигнутых при изготовлении. 324
Монтаж кабельных линий, как и других устройств канализа- ции электрической энергии, выполняется в две стадии: подготов- ки трасс для прокладки кабелей и прокладка кабелей по подго- п пшенным трассам. При прокладке кабельных линий необходимо выдержать в co- ol встствии с проектом минимальные расстояния до ближайших 1 шний, подземных сооружений и различных коммуникаций (во- юпровода, газопровода, канализации, теплопровода и др.). Кабельные линии прокладывают в земле, блоках, на опорных конструкциях и в лотках. При прокладке кабельной линии в земле । |убина заложения кабеля должна составлять 0,7 м. Расстояние меж- iv кабелем и фундаментами зданий должно быть не менее 0,6 м. При параллельной прокладке нескольких силовых кабелей рас- тя ние между ними должно быть не менее 100 мм, а между сило- выми кабелями и кабелями связи — 500 мм. Прокладка кабелей параллельно трубопроводам по вертикали нс допускается. Разрешается прокладывать кабели параллельно тру- бопроводам в горизонтальной плоскости при условии, что рассто- яние между ними будет не менее 0,5 м. При прокладке кабелей параллельно нефтепроводам и газопроводам расстояние между ними должно быть не менее 1,0 м. Кабели, находящиеся от трубопроводов на расстояниях мень- ше указанных (но не менее 0,25 м), должны быть защищены на всем протяжении асбестоцементными или гончарными трубами. Кабели, прокладываемые параллельно теплопроводам, необхо- 1нмо удалять от последних не менее чем на 2 м. Это расстояние может быть меньше, если теплопровод будет иметь такую изоля- цию, при которой нагрев почвы в месте прохождения кабеля в любое время года не превысит обычную температуру более чем на 10 °C. Кабель, пересекающий теплопровод, должен быть проложен от последнего на расстоянии не менее чем 0,5 м. При этом теплопро- вод на участке пересечения и на 2 м в каждую сторону от крайних кабелей должен иметь такую изоляцию, при которой температура почвы не будет превышать высшую летнюю температуру более чем на 10 °C и низшую зимнюю - более чем на 15 °C. При пересечениях с электрифицированными и подлежащими электрификации железными дорогами кабели необходимо прокла- пявать в изолирующих блоках и трубах. При этом места пересече- ния должны находиться от стрелок, крестовин и мест присоеди- нения к рельсам питающих кабелей трамвайных линий и неэлек- грифицированных железных дорог на расстоянии не менее 3 м, а электрифицированных железных дорог не менее 10 м. При пересечении кабельной линией трубопровода (в том чис- ie нефтяного и газового) расстояние между ними должно быть не менее 0,5 м. Допускается уменьшение этого расстояния до 0,25 м, 325
если кабель защищен асбестоцементной или гончарной трубой, вы- ступающей в каждую сторону не менее чем на 2 м. Для более надежного предохранения от возможных механичес- ких повреждений кабели прокладывают в кабельных блоках, т. е. сооружениях с каналами для кабелей и относящимися к ним ко- лодцами. Обычно кабельный блок состоит из нескольких асбесто- цементных труб, внутренний диаметр которых в 1,5 раза больше диаметра кабеля (но не менее 50 мм при длине трубы до 5 м и не менее 100 мм при большей длине труб). Для блочной прокладки кабелей используют также гончарные трубы. Трубы кабельных бло- ков могут располагаться горизонтально или вертикально в один или несколько рядов. В качестве кабельных блоков могут исполь- зоваться и железобетонные плиты с каналами, диаметр которых рассчитан на размещение в них кабелей. Блочные прокладки кабелей имеют существенные недостатки: высокую стоимость сооружения и содержания блоков и колодцев; невозможность максимального использования сечения токо- проводящих жил кабелей по допустимой плотности тока из-за пло- хих условий охлаждения; сложность обслуживания и ремонта кабелей (при повреждении их внутри блоков приходится заменять весь участок кабеля между колодцами). Внутри помещений наиболее распространенным способом про- кладки кабелей, питающих осветительные и силовые электроус- тановки промышленных предприятий, является прокладка их на опорных конструкциях или лотках. В одном лотке допускается совместная прокладка кабелей, пи- тающих осветительные нагрузки, с кабелями, питающими сило- вые нагрузки, но с использованием стальных разделителей или раз- делительных скоб между ними. При прокладке кабелей любым из перечисленных способов не- обходимо выдерживать допустимые радиусы их изгибов. Радиус из- гиба для многожильного кабеля с бумажной пропитанной изоля- цией в алюминиевой или свинцовой оболочке, бронированного или небронированного должен составлять не менее 15 его наруж- ных диаметров; многожильного кабеля с резиновой изоляцией в свинцовой или поливинилхлоридной оболочке, бронированного — не менее 10, а такого же небронированного кабеля — не менее 6. Каждая кабельная линия должна быть замаркирована, т. е. ка- бель должен иметь бирки с номером или названием, прикрепляе- мые у всех муфт и заделок, а также через каждые 20 м на прямых участках линии. Бирки — это пластмассовые, алюминиевые или стальные пластинки (круглые — диаметром 75 мм; прямоуголь- ные — размером 120х 40 мм). Прямоугольные бирки применяются для маркировки кабелей, рассчитанных на напряжение до 1000 В, 326
Таблица 10.3 Перечень инструмента и принадлежностей для монтажа кабельных муфт и заделок Наименование Число, шт Хптечка 1 bai пси металлические емкостью 0,5 и 1,5 л 2 Видон 2 Ьронерезка 1 Ванночка для парафина 1 Ведро цилиндрическое емкостью 10... 12 л 1 Воронка для заливки кабельной массы в муфту 1 Зеркало для осмотра муфт и кабелей 1 {убила 25 x200 и 35 x400 мм 2 Канистра емкостью 5 л 1 Кастрюля с крышкой для разогрева кабельной массы 1 Кисти маля'рные разные 2 Клещи для снятия резиновой и пластмассовой изоляции жил кабелей 1 Ключ разводной № 3 2 Ключ гаечный 3/8 "х 1 /2 " 1 Коврик резиновый с рифленой поверхностью 1 Кусачки 1 Ковш для разогрева припоя 1 Крючок с деревянной ручкой 1 Лампа паяльная или пропановая горелка с баллоном или шлангом 1 Ложка (чумичка) 2 Лоток для инструмента 1 Планшет для мелкого инструмента 1 11лоскогубцы универсальные длиной 200 мм 1 11одставка инвентарная для монтажа соединительных муфт 1 Полотно ножовочное 6 Противень 520x310 мм для прошпарочной массы 1 327
Продолжение табл. 10.3 Наименование Число, шт Разогреватель заливочной массы и припоя (электрический, газовый или жаровня) 1 Разбортовка 1 Лопата штыковая (саперная) 1 Лом стальной 1 Лоток из кровельной стали 1 Мешалки для размешивания эпоксидного компаунда, кабельной массы и припоя 3 Метр стальной 1 Молоток слесарный массой 0,6 кг 1 Молоток деревянный 1 Набор напильников (трехгранный драчевый 12", личной 8" круглый драчевый 10') 1 набор Нож монтажный складной 1 Нож для снятия изоляции (алюминиевой оболочки) 1 Нож для снятия пластмассовой оболочки 1 Ножницы для перерезания кабеля 1 Ножовка по металлу 1 Обколотка для осаживания свинцовой трубы 1 Отвертка длиной 100 мм 1 Очки защитные с кожаным ободком 2 Палатка брезентовая с каркасом 2 Перчатки полиэтиленовые с бязевой подкладкой или резиновые (медицинские) 2 пары Перчатки брезентовые (или рукавицы) 2 пары Пинцет 1 Рулетка стальная длиной 10 м 1 Сундук для инструмента и материалов 2 Термос для подогрева банки с комплектом бумажных роликов и рулонов 1 Термометр со шкалой до 300 °C в металлической оправе 1 Шаблон для изгиба жил 2 Штангенциркуль 1 Щетка стальная 1 Ящик металлический, запираемый 1 328
। круглые — на напряжение выше 1000 В. Бирки прикрепляют к гибелям и муфтам оцинкованной проволокой диаметром 1,5... 2 мм, покрытой слоем битума для предохранения от коррозии. На бир- ках кабеля указывают напряжение, площадь сечения его жил, номер линии или ее название, а на расстоянии 100... 150 мм от соединительной муфты — номер муфты, дату ее монтажа и фами- шю рабочего, смонтировавшего ее. Трасса каждой кабельной линии, проложенной в траншее или н блоках, должна быть нанесена на план с привязкой к зданиям и сооружениям или специально установленным знакам с указани- ем расположения кабельных муфт. Работы по монтажу кабельных линий очень трудоемки, и по- лому должны быть максимально механизированы. При прокладке кабелей применяются механизмы и приспособления, которые по назначению можно разделить на две основные группы: механиз- мы, используемые для земляных работ (экскаваторы, отбойные мо- чотки, пневматические и электрические трамбовки) и механиз- мы и приспособления, используемые для транспортировки кабе- 1ей (кабельные транспортеры, кабелеукладчики, лебедки, ролики (.ля раскатки кабелей и др.). Монтаж кабельных муфт и заделок выполняют с помощью ин- струмента и принадлежностей, приведенных в табл. 10.3. Вопросы для самоконтроля I. 1. Из каких элементов состоит силовой кабель? 2. Какие вы знаете кабели? 3. Из каких материалов изготавливаются токопроводящие жилы? 4. Какие вы знаете стандартные сечения токопроводящих жил кабелей? 5. Каковы две стадии монтажа кабельных линий? 6. Какие основные характеристики важно знать при сооружении ка- бельных линий? II. 1. Каковы устройство и назначение защитного покрова кабелей? 2. Какие кабели используют для электроснабжения электроустановок? 3. Каковы особенности монтажа кабельных линий в траншеях? 4. Где используется прокладка кабельных линий на опорных конструк- циях? 5. Каковы особенности монтажа кабельных линий в блоках? III. I. Каково назначение силовых трех- и четырехжильных кабелей? 2. Назовите марки силовых кабелей и области их применения. 3. Какие электроизоляционные материалы применяются в кабелях, каковы их свойства и характеристики? 4. Каков порядок расчета и выбора сечений силовых кабелей? 5. Какие механизмы и приспособления применяются при подготовке и монтаже кабельных линий? 6. Какие инструменты и принадлежности необходимы для монтажа кабельных муфт и заделок? 329
10.2. Прокладка кабельной линии в траншее Прокладка кабельной линии в траншее состоит из следующих основных операций: рытье траншеи; доставка, раскатка и укладка кабелей в траншее; соединение жил кабелей; монтаж соединитель- ной кабельной муфты; защита кабеля от механических поврежде- ний и засыпка траншеи; концевая заделка кабеля. Рытье траншеи. Траншеи большой протяженности роют спе- циальными ковшовыми или роторными землеройными машина- ми. На участках кабельной трассы, проходящих в непосредствен- ной близости от подземных и наземных сооружений, зеленых на- саждений и расположенных в земле коммуникаций, используются малогабаритные механизмы, например экскаватор Э-153 с ковшом емкостью 0,15 м3 или отбойные молотки, ломы и лопаты. Траншеи для прокладки кабелей отрывают глубиной не менее 700 мм, а размеры их по дну зависят от числа прокладываемых кабелей. Размещение в траншее кабелей и кирпича для их защиты от механических повреждений показано на рис. 10.2. В местах, где будут располагаться кабельные соединительные муфты, траншею расширяют, образуя котлован (для одной муф- ты 2,5 м длиной и 1,5 м шириной плюс 0,4 м для каждой последу- ющей муфты). Вырытые булыжники, куски асфальта и землю ук- ладывают с одной стороны траншеи или котлована на расстоянии не менее 1 м от края во избежание их падения. На дно траншеи насыпают слой песка (подушку) толщиной 100 мм. Доставка, раскатка и укладка кабелей в траншее. Кабели до- ставляют к месту укладки в барабанах на специальных кабельных транспортерах или автомашинах, оборудованных устройством для их погрузки, транспортировки и выгрузки. Выгружать барабан с кабелем надо осторожно, чтобы не по- вредить кабель и не травмировать работающих. Категорически за- прещается сбрасывать барабаны с кабелем с автомашин или ка- бельных транспортеров. Кабель выгружают на максимально близ- ком расстоянии от места раскатки, но так, чтобы он не мешал движению рабочих и не мог упасть в траншею. Раскатывают его, сматывая с барабана при помощи движущегося транспорта, ле- бедки и роликов, вручную по роликам или без роликов. При раскатке кабеля с движущегося транспорта (со скоростью не более 2,5 км/ч) два рабочих вращают вручную барабан, сматы- вая с него кабель, а два других рабочих принимают его и уклады- вают в траншее. Во избежание резких сильных перегибаний кабель сматывают с барабана сверху, а не снизу. Раскатка кабеля и укладка его в траншее при помощи лебедки с тросом и раскаточных роликов выполняется следующим обра- зом. Сматывают трос с барабана лебедки и к его концу крепят конец 330
Рис. 10.2. Размещение в траншее (а... г) соответственно одного, двух, трех и четырех кабелей кабеля при помощи проволочного чулка (закрепляемого на обо- лочке кабеля) или кабельного зажима (с захватом за токопрово- дящие жилы кабеля). Затем, расставив по дну траншеи раскаточ- ные ролики, приводят в движение барабан лебедки, при этом трос наматывается на барабан и протаскивает кабель по роликам на тре- буемое расстояние, после чего кабель снимают с роликов и укла- дывают на дно траншеи, а ролики удаляют. Кабель укладывают в траншее волнообразно (змейкой), чтобы создать некоторый запас его по длине, необходимый для компенсации растягивающих уси- лий, которые могут возникнуть вследствие осадки грунта или тем- пературных изменений. Запас кабеля необходим и в случае его ремонта, когда удаляет- ся поврежденный участок и на его месте устанавливается соеди- нительная муфта. Запас кабеля должен составлять 1 ...3 % от его общей длины. При меньшем запасе кабель может быть поврежден 331
растягивающими усилиями, а больший — приведет к дополнитель- ному расходу дорогостоящего кабеля. Создавать запас кабеля в виде кольцеобразно уложенных вит- ков запрещается, поскольку в процессе эксплуатации они будут перегреваться, и кабель после непродолжительной работы выйдет из строя. Перегрев кабеля может привести к пробою изоляции. Пробой твердых диэлектриков — это электрический или тепловой процесс. Электрический пробой начинается с явления ударной иониза- ции, возникающей при больших напряжениях. Процесс ударной иони- зации в твердом диэлектрике сходен с процессом ударной ионизации в газах, но протекает при значительно больших напряженностях электри- ческого поля. В результате частых соударений свободных электронов с молекулами и атомами диэлектрика освобождаются новые электроны. Они создают электронную лавину, пронизывающую твердый диэлектрик по всей его толщине, и он теряет свои электроизоляционные свойства. Электрический пробой твердых диэлектриков на практике встречает- ся редко, но он может возникнуть в тех случаях, когда потери энергии в диэлектрике незначительны и обеспечен хороший отвод тепла. При элек- трическом пробое электрическая прочность мало зависит от толщины диэлектрика и его температуры. Тепловой пробой — это явление теплового разрушения диэлектрика: расплавление или прожигание по каналу между двумя его противопо- ложными электродами (рис. 10.3). Часть объема диэлектрика (канал) может обладать повышенной элек- трической проводимостью, вследствие чего в нем будет проходить за- метный ток проводимости, который вызовет выделение тепла и нагрев этого канала, понижение его электрического сопротивления и, следо- вательно, возрастание тока сквозной проводимости. При этом происхо- дит дополнительное выделение тепла в канале и перегрев этой части диэлектрика. При дальнейшем повышении напряжения ток проводи- мости в канале еще больше возрастет, а вы- деляемое им тепло может вызвать сплош- ное прожигание или расплавление твердого диэлектрика. Электрическая прочность при тепловом пробое в значительной степени зависит от температуры и толщины диэлектрика. С по- вышением температуры или при увеличении толщины твердого диэлектрика отвод тепла из него затрудняется, что приводит к пере- греву места пробоя и его тепловому разру- шению при меньшей напряженности элект- рического поля. Кабели с нормальной и обедненно- пропитанной бумажной, а также с по- Рис. 10.3. Схема теплового пробоя диэлектрика: 1,3 — металлические элек- троды; 2 — диэлектрик; 4 — канал с повышенной прово- 332
i и винилхлоридной изоляцией разрешается прокладывать только при температуре окружающей среды выше нуля. При температу- ре ниже нуля прокладываемый кабель должен быть прогрет в отап- шваемом помещении или электрическим током от специально- । о трансформатора. Быстро прогреть кабель можно трехфазным током от присое- шняемого к сети 220 или 380 В специального трехфазного транс- форматора мощностью 20 кВ-А, вторичная обмотка которого имеет 10 ступеней напряжения (от 7 до 98 В). Такой прогрев кабелей про- водится при постоянном контроле температуры токопроводящих жил, чтобы не допустить увеличения ее выше 40 °C. Схема прогре- ва кабеля с помощью трехфазного трансформатора приведена на рис. 10.4, а. Кабель можно прогреть также однофазным или постоянным то- ком. В качестве источника тока в этом случае можно используются сварочный трансформатор (например, СТЭ-32) или сварочный ге- нератор, позволяющий регулировать силу тока более плавно и в широких пределах. На рис. 10.4, б приведена схема прогрева кабе- 1Я однофазным током. В цепь вторичной обмотки трансформатора щесь включен дроссель, который позволяет регулировать силу тока в кабеле. Отметим, что при данной схеме прогрева в одной из жил кабеля будет течь ток в два раза больший, чем в двух других, и он будет нагреваться несколько неравномерно. Практически работы по прогреву кабелей электрическим током проводятся в следующем порядке. Разделывают оба конца кабеля и на его внутреннем конце со- единяют опрессовкой накоротко все жилы (при прогреве однофаз- н ым или постоянным током соединяют также две жилы на наруж- Рис. 10.4. Схемы прогрева кабелей трехфазным (а) и однофазным (б) током 333
ном конце). Место соединения покрывают изоляционной лентой. Оба конца кабеля заделывают герметично. Для заделки конца с закороченными жилами к металлической оболочке припаивают свинцовый колпачок так, чтобы жилы примерно на 50 мм не доходили до его торца. Для заделки другого конца кабеля, к кото- рому подводится ток, используется временная воронка из рубе- роида, толя или электрокартона с заливкой ее битумной кабель- ной массой. Такую воронку можно использовать и для герметиза- ции конца с закороченными жилами кабелей с пластмассовой изоляцией. Если необходимо прогреть несколько кабелей одновре- менно, их соединяют между собой последовательно. На время прогрева устанавливается дежурство и принимаются меры пожарной безопасности (доставляются огнетушители, песок, лопаты и др.). Прогретый кабель должен быть проложен в траншее в течение 60 мин — при температуре окружающего воздуха от 0 до -10 °C; в течение 40 мин — при температуре от -И до -19°C и в течение 30 мин — при температуре -20 °C и ниже. Нагрев жил кабеля контролируют по показаниям термометра, установленного на его оболочке, при этом следует учитывать, что температура жил кабеля, рассчитанного на напряжение 1 кВ, выше показываемой термометром температуры оболочки в среднем на 10 °C. Ориентировочные данные по прогреву кабелей трехфазным током приведены в табл. 10.4. Сила тока прогрева контролируется по амперметру, при этом не должно быть превышения номинальных значений плотности тока для кабелей данного сечения. Таблица 10.4 Данные по прогреву кабелей Сечение жил кабеля, мм2 Допустимый ток при прогреве, А Напряжение, необходимое на каждые 100 м прогреваемого кабеля, В Время прогрева, мин, при температуре окружающего воздуха -10 °C -20 °C 25 130 16,0 88 106 35 160 14,0 93 112 50 190 11,5 ПО 134 70 230 10,0 122 149 95 285 9,0 124 151 120 330 8,5 138 170 334
Соединение жил кабелей. Соединение жил кабелей на напряже- н не до 1 кВ включает в себя два этапа: разделку концов кабелей и соединение жил кабелей пайкой, опрессовкой и сваркой. Разделка кабеля, заключающая- ся в постепенном ступенчатом уда- юнии с него защитных и изоляци- онных частей, подробно рассмот- рена в разд. 7.2. Соединение жил кабелей опрес- совкой, пайкой, газовой и элект- росваркой рассмотрено в разд. 7.3. Но наиболее качественное соеди- нение алюминиевых жил достига- ется термитной сваркой, поэтому в соответствующих инструкциях указывается в первую очередь этот способ. Газовая сварка и электро- сварка алюминиевых жил приме- няются в случаях, когда термитная сварка почему-либо не может быть осуществлена. Перед термитной сваркой про- изводят предварительную подго- товку жил. В процессе подготовки (рис. 10.5) подбирают термитный патрон по сечению свариваемых жил (указано на патроне). Обыч- но применяются патроны типа А (см. рис. 10.5, а). Круглые жилы ка- беля очищают от остатков пропи- точного состава, а секторным жи- лам придают круглую форму. На об- работанную таким образом жилу кабеля надевают алюминиевую втулку 3 (см. рис. 10.6, б) и вводят ее в патрон (см. рис. 10.5, в). Для предотвращения вытекания распла- ва места входа соединяемых жил в патрон уплотняют асбестовым шну- ром 5 (см. рис. 10.5, г), пользуясь стальной подбойкой 4 с полукруг- лым лезвием. Подготовленное к сварке соединение (см. рис. 10.5, д) устанавливают на фиксирующей площадке 2 (рис. 10.6, а) штата - Рис. 10.5. Процесс подготовки алюминиевых жил кабеля к свар- ке в термитном патроне: а — термитный патрон типа А и его разрез; б...д — операции процесса; 1 — термитный муфель; 2 - сталь- ной кокиль; 3 — алюминиевая втул- ка; 4 — подбойка с полукруглым лез- вием дня подбивки асбестового шну- ра; 5 — шнур; 6 — жила 335
ва 1, закрепляют на жилах охладительные клещи 4, защищают жилы листовым асбестом 5 и переходят к сварке. Сварку в термитном патроне производят с применением флюса марки ВАМИ и в последовательности, показанной на рис. 10.6, б... г. После остывания участка соединения скалывают муфель зубилом (см. рис. 10.6, д) и удаляют с него стальной кокиль. По окончании процесса сварки остается литниковая прибыль (см. рис. 10.6, ё), из- лишки которой откусывают клещами или срезают ножовкой, по- верхность обрабатывают напильником, придавая участку соедине- ния форму цилиндрической гильзы (см. рис. 10.6, ж). Затем про- мывают горячей прошпарочной мастикой МП-1 для удаления оставшихся частиц металла и шлака. Соединение алюминиевых жил кабелей газовой сваркой про- изводится в два приема: сначала сплавляют концы соединяемых жил в монолитный стержень, а затем сваривают их. Сплавление Рис. 10.6. Процесс соединения алюминиевых жил кабелей термитной сваркой: а...ж — операции процесса; 1 — штатив; 2 — площадка для фиксации термитно- го патрона; 3 — термитный патрон; 4 — охладительные клещи; 5 — листовой асбест для защиты жил от пламени; 6 — скоба для закрепления асбеста на жилах кабе- ля; 7 — экран; 8 — присадочный пруток; 9 — стальной проволочный крючок; 10 — спичка для поджигания термитной смеси 336
Рис. 10.7. Соединение алюминиевых жил газовой сваркой: н сплавление концов жил в монолитный стержень; б — соединение монолит- ных стержней сваркой; 1 — формочка; 2 — асбестовая изоляция; 3 — газовая юрелка; 4 — защитный экран; 5 — охладитель; 6 — стальной крючок (мешалка); пруток припоя; 8 — проволочный бандаж; 9 — расплав металла; 10 — разъем- ная стальная форма производят в формочке, установленной на вертикально располо- женной токопроводящей жиле (рис. 10.7, а): пламенем горелки 3 разогревают формочку /; расплавляют конец жилы; вводя в пла- мя горелки присадочный пруток 7, расплавляют его, увеличивая 1аким образом количество расплава, необходимого для образова- ния при остывании монолитного стержня. Сплавленные в монолитный стержень жилы помещают гори- юнтально в стальную разъемную форму 10 (рис. 10.7, б), зак- репляемую на жилах проволочными бандажами 8, и сваривают, размешивая расплав 9 стальным крючком 6. При сплавлении кон- цов и сварке изоляцию жил защищают экранами 4 и охладите- лями 5. По окончании соединения жил производят заземление метал- лической оболочки, брони и муфты каждого из соединяемых ка- белей с помощью медного многопроволочного проводника с се- чением от 6 до 25 мм2. Заземляющий проводник сначала прикрепляют к оболочке ка- беля бандажами из стальной оцинкованной проволоки диамет- 337
ром 1,0... 1,5 мм, а затем места присоединения пропаивают припо- ем марки ПОС-30. Участки оболочки, к которым припаивают за- земляющий проводник, должны быть предварительно хорошо очи- щены и облужены (свинцовой — припоем марки ПОС-ЗО, алю- миниевой — припоем марки А). Аналогично заземляющий провод- ник припаивают к обеим бронелентам. Продолжительность каж- дой пайки не должна превышать 3 мин во избежание местного пе- регрева изоляции кабеля. На свободные концы заземляющих проводников напрессовы- вают наконечники для удобства присоединения их к муфте, после чего приступают к монтажу соединительной муфты. Монтаж соединительной кабельной муфты. Соединительные ка- бельные муфты служат для герметизации участков соединений и защиты их от механических воздействий. Соединения трехжильных и четырехжильных кабелей, рассчи- танных на напряжение до 1 кВ, герметизируют и защищают чу- гунными или эпоксидными муфтами. Соединительные чугунные обычные (СЧо) или малогабаритные (СЧм) муфты выпускаются четырех типоразмеров. Выбираются они в зависимости от сечений жил соединяемых кабелей. Муфты СЧм весят примерно на 40 % меньше, чем муфты СЧо. Монтаж чугунных муфт начинают с очистки обеих ее полови- нок от грязи и ржавчины и предварительной примерки на участке соединения. Установив под соединенными жилами нижнюю по- ловину муфты, отмечают на кабеле участки, где будут расположе- ны ее горловины, и накладывают на эти участки подмотку из не- скольких слоев просмоленной ленты для создания необходимого уплотнения в местах входа кабелей в муфту. Далее, установив нижнюю половину муфты так, чтобы подмот- ки из смоляной ленты оказались над ее горловинами, присоеди- няют к контактным площадкам наконечники заземляющих про- водников. Затем, уложив в паз нижней половины муфты уплотня- ющую прокладку из проваренного в битумной массе пенькового канатика, накрывают ее верхней половиной и прочно скрепляют болтами, затягивая их равномерно во избежание перекоса. В каче- стве уплотняющей прокладки в муфте можно использовать мас- лостойкую резину или проваренную в битумной массе пряжу по- душки, снятую с кабеля при его разделке. Соединение кабелей в чугунной муфте показано на рис. 10.8. Очень важна заключительная операция монтажа муфты — за- ливка ее кабельной массой. Неправильная заливка служит наибо- лее частой причиной пробоя изоляции между жилами кабеля в месте соединения вследствие скопления влаги в муфте. Выполняют заливку после разогрева муфты и кабельной мас- сы, т. е. газовой горелкой подогревают муфту до 60... 70 °C, подно- 338
] 2 Рис. 10.8. Соединение кабеля напряжением в чугунной муфте: 1, 4 — соответственно верхняя и нижняя половины муфты; 2 — крышка заливочного отверстия; 3 — горловина муфты; 5 — уплотняющая прокладка; 6 — распорная фарфоровая пластина; 7 — участок соединения жил кабелей сят к ней в специальном ведре разогретую до 160... 180 °C кабель- ную массу МБ-70 или МБ-90 и заливают ею внутреннюю полость муфты сначала на 1/3 и 3/4, а затем полностью. Когда кабельная масса остынет до 35...30°C (при этом несколько уменьшится ее объем — произойдет усадка), производят окончательную доливку. После доливки кабельной массы укладывают в паз, проходящий по периметру заливочного отверстия, проваренный в битумной массе канатик, закрывают заливочное отверстие крышкой и кре- пят ее винтами. Для увеличения герметичности соединения муфту дважды обливают битумной массой. Эпоксидные муфты применяют преимущественно для соеди- нения кабелей, рассчитанных на напряжения 1, 6 и 10 кВ, и для выполнения ответвлений кабелей, рассчитанных на напряжение только до 1 кВ. Соединительные эпоксидные (СЭ) муфты бывают следующих конструктивных исполнений (рис. 10.9): с эпоксидным корпусом из двух частей и поперечным разъе- мом его в средней части (СЭп). Провод заземления располагается вне муфты; эпоксидным корпусом из двух частей и продольным разъемом его в вертикальной плоскости (СЭв). Провод заземления распола- гается в специальном пазу в нижней части корпуса; эпоксидным корпусом, имеющим экран из листовой стали и два конуса с припаянными к ним манжетами из свинца (СЭм). Один конус соединяется с цилиндрической частью муфты на за- воде, а другой — на месте монтажа; 339
эпоксидным корпусом, образующимся на участке соединения кабелей после отвердения компаунда, залитого в съемную метал- лическую форму (СЭс). Для соединения кабелей на напряжения би 10 кВ применяют- ся эпоксидные муфты СЭп, СЭв и СЭм, а для кабелей на напря- жение до 1 кВ — муфты СЭс. Для муфт СЭс изготавливают на заводах полые металлические корпуса, которые заливают на месте монтажа эпоксидным ком- паундом, состоящим из эпоксидной смолы марки ЭД-5 с добав- лением эпоксидно-анилиновой смолы, пластификаторов и напол- нителей. Пластификаторы и наполнители повышают термостойкость, эластичность, механическую прочность смолы и снижают темпе- ратурный коэффициент расширения компаунда до значения, близ- кого к коэффициентам расширения меди, алюминия и свинца, с которыми чаще всего соприкасается компаунд при соединении кабелей. В качестве пластификатора для эпоксидной смолы марки ЭД-5 применяют полиэфир марки МГФ-9, а в качестве наполни- телей — чистый бесщелочной кварцевый песок марок КП-2 или КП-3 тонкого помола, прокаленный при 700...800°C для удале- ния из него влаги и органических примесей. Для ускорения про- цесса отверждения в эпоксидные смолы вводят отвердитель. Перед заливкой половинки муфты скрепляют на месте соеди- нения мягкой проволокой и промазывают пластилином щель между ними, чтобы предотвратить вытекание эпоксидного компаунда. За- ливают его медленно с небольшой высоты непрерывной струей шириной 10... 15 мм, слегка постукивая по муфте деревянной ру- кояткой молотка, чтобы ускорить выход газовых пузырьков на по- верхность. Отвердевание компаунда при температуре 20 °C происходит при- мерно через 12 ч после заливки (проверяется на ощупь). При бо- лее высоких или низких температурах окружающей среды время отвердевания соответственно уменьшается или увеличивается. Эпоксидный компаунд доставляется на объект монтажа в рас- фасованном виде с введенным в него наполнителем. Отвердитель вводится непосредственно на месте монтажа муфт и заделок. Ком- паунд с введенным отвердителем перед заливкой тщательно пе- ремешивают и дают отстояться в течение 10... 15 мин для удале- ния воздуха. После введения отвердителя компаунд пригоден к употреблению в течение 0,5... 1 ч при температуре окружающей среды О...1О°С; 1,5 ч — при 11...20°C и 2 ч — при 21...35°C. При размешивании и заливке компаунда в форму надо соблю- дать меры предосторожности. Входящие в компаунд химические ве- щества токсичны до момента окончания полимеризации и опас- ны для глаз и других незащищенных частей тела работающих, так 340
г ж могут вызвать местные p;i щражения и воспали- и <ьные процессы. Компаунды — это элект- роизоляционные составы, и яотавливаемые из смол и oil ।умов. В исходном состоя- нии они жидкие, но посте- пенно отвердевая, превра- щаются в монолитный твер- u.iii диэлектрик. В отличие от лаков и эма- icit компаунды не содержат (счучих растворителей (кото- рые улетучиваясь, образуют в покрытии сквозные поры н капилляры), что обеспечи- вает их монолитность после • нвердевания. Согласно своему назна- чению компаунды разделя- ются на пропиточные, зали- вочные и обмазочные. Пропиточные компаунды применяются для пропитки обмоток электрических ма- шин и аппаратов с целью це- ментации витков обмотки и (ащиты их от влаги; заливоч- ные — для заливки полостей (свободных пространств) в кабельных муфтах и ворон- ках, а также в корпусах элек- |родвигателей, трансформа- юров тока, дросселей и др. Рис. 10.9. Соединительные эпоксидные кабельные муфты: а — СЭп; б — СЭв; в — СЭм; г — СЭс; 7 — кор- пус муфты; 2 — распорка; 3 — подмотка жилы; 4 — бандаж из проволоки; 5 — провод заземле- ния; 6 — соединение жил; 7 — бандаж из суро- вых ниток; 8 — герметизирующая подмотка; 9 — экран корпуса; 10 — свинцовая манжета Широко применяются компаунды, представляющие собой смеси ка- кой-либо эпоксидной смолы с отвердителями (ангидридами фталевой и малеиновой кислот и др.). Они отличаются хорошей прилипаемостью (адгезией) к металлам, керамике, пластмассам и волокнистой изоляции обмоток; обладают повышенной механической прочностью и малой объемной усадкой (0,5... 1,5 %). В зависимости от используемого отверди- теля эпоксидные компаунды могут переходить из жидкого состояния в твердое при повышенных (120... 135 °C) или комнатной температуре. Если в жидкую эпоксидную смолу ввести ангидриды фталевой или малеино- вой кислот, то отвердение компаундов произойдет при температуре 120... 140 °C в течение 4... 10 ч. При использовании гексаметилендиамина и некоторых других отвердителей эпоксидные компаунды отвердевают 341
при комнатной температуре в течение 20...24 ч и называются компаун- дами холодного отвердевания. Отверделый эпоксидный компаунд пред- ставляет собой монолит, обладающий сравнительно небольшим коэф- фициентом линейного расширения (6 к Ю-5 1 / °C). Для уменьшения хрупкости эпоксидных компаундов в них вводятся пластификаторы — синтетические маслообразные жидкости (дибутилф- талат, полиэфиры и др.), а для повышения коэффициента теплопровод- ности и улучшения механических характеристик — минеральные напол- нители (пылевидный кварц, молотый тальк и др.). Введение наполните- лей приводит к снижению текучести жидкого компаунда, поэтому компаунды с наполнителями применяют главным образом для заливки больших полостей с большим количеством металлических частей. По сравнению с чугунными эпоксидные соединительные муф- ты имеют следующие преимущества: более низкую стоимость, меньшие размеры и массу, их изготовление и монтаж менее тру- доемкие, а также благодаря хорошему сцеплению компаунда с металлами они упрощают процесс герметизации кабеля. Для соединения высоковольтных кабелей, рассчитанных на на- пряжения 6, 10 кВ и выше, применяют свинцовые муфты. Их из- готавливают из свинцовых труб соответствующего диаметра путем обработки в процессе монтажа. Соединительные свинцовые муфты обозначаются буквами СС и цифрами, указывающими диаметр кабеля, на который они рассчи- таны, и могут быть шести типоразмеров (СС-60, СС-70, СС-80, СС-90, СС-100 и СС-110). Типоразмером определяется также диа- пазон сечений жил кабелей, допускаемых к соединению в данной муфте при определенных значениях рабочих напряжений. Защита кабеля от механических повреждений и засыпка тран- шеи. Проложенный в траншее кабель засыпают слоем мягкой про- сеянной земли (пушонки) или песка толщиной 100 мм, поверх которого кладут в один слой кирпич (не силикатный) или желе- зобетонные плитки для защиты кабеля от механических повреж- дений при раскопках. Кабели на напряжение до 1 кВ должны быть защищены только на участках, где наиболее вероятно механическое повреждение. Траншеи засыпаются извлеченной из них землей, если она не содержит камней, кусков шлака, строительного мусора, слоями 200...250 мм, каждый из которых смачивают водой и уплотняют трамбовкой. В зимнее время траншеи засыпают сухим песком или мелко просеянной землей, так как вынутая из траншеи смерзшаяся зем- ля образует крупные глыбы, которые, падая в траншею, могут повредить кабель, а при наступлении теплой погоды, оттаив, да- дут большую усадку грунта по всей трассе прокладываемого ка- беля. 342
Засыпку верхней части траншеи грунтом и зачистку трассы про- || шодят механизированным способом; разрушенные асфальтовые а булыжные покрытия восстанавливают. Вопросы для самоконтроля I I. Назовите основные операции при прокладке кабелей в траншеях. 2. Какие механизмы и инструменты используются при рытье траншей? 3. Каковы основные размеры траншей для прокладки кабелей? 4. Как соединяются токоведущие жилы кабелей? II I. Как доставляются и выгружаются кабельные барабаны? 2. Как раскатывают кабель? 3. Как производится термитная сварка? 4. Как выполняется газовая сварка? III. 1. Каковы особенности укладки кабеля в траншее? 2. Каковы правила прокладки кабеля в траншее при низких темпе- ра гурах? 3. Какие вы знаете способы прогрева кабеля электрическим током? 4. Каковы элементы и последовательность монтажа чугунной муфты? 5. Как производится монтаж эпоксидной муфты? 6. Как кабель защищают от механических повреждений? 10.3. Концевые заделки кабелей Концевая заделка осуществляется для герметизации кабеля в не- посредственной близости от места присоединения его токопрово- щщих жил к аппаратам, шинопроводам распределительных уст- ройств и другим элементам электроустановки. В настоящее время применяют следующие виды концевой заделки кабелей на напря- жение до 10 кВ: в стальной воронке, резиновой перчатке, эпок- сидные, а также из поливинилхлоридных лент. Концевая заделка кабелей в стальных воронках (типовое обозна- чение КВБ) до настоящего времени широко используется для элек- гроустановок с напряжением до 10 кВ, располагаемых в сухих отап- шваемых и неотапливаемых помещениях. Такая заделка может быть грех исполнений: КВБм — с овальной малогабаритной воронкой, не имеющей крышки и монтируемой без фарфоровых втулок; КВБк — с круглой воронкой, на выходе которой жилы кабеля располагаются по вершинам равностороннего треугольника (под углом 120°); КВБо — с овальной воронкой, на выходе которой токопрово- дящие жилы кабеля располагаются в один ряд. Заделки КВБо и КВБк применяются для оконцовки кабелей, рассчитанных на напряжение до 10 кВ, с токопроводящими жи- 343
лами любых сечений; при оконцовке кабелей на напряжения 3, 6 и 10 кВ воронку монтируют с крышкой и фарфоровыми втулка- ми, а при оконцовке кабелей на напряжение до 1 кВ — без крыш- ки и втулок. Заделку концов кабелей в стальной воронке используют чаще всего потому, что материалы, необходимые для изготовления и заливки воронок, всегда имеются в любом электрохозяйстве. Для заделки трехжильных кабелей на напряжение до 1 кВ с сечением до 3 х 120 мм2 и четырехжильных кабелей с сечением до 4 х 95 мм2 применяются преимущественно овальные малогабаритные сталь- ные воронки КВБм. Заделку производят в следующем порядке. Подлежащую монтажу стальную воронку очищают от грязи, на- девают на кабель (рис. 10.10, а) и сдвигают по нему (предвари- тельно обмотав его бумагой для предохранения воронки от за- грязнения). Выполнив разделку конца кабеля, разогревают массу марки МП-1 до 120... 130 °C и тщательно прошпаривают разделан- ный участок. Изолируют жилы липкой поливинилхлоридной лен- той (рис. 10.10, б), накладывая ее с полуперекрытием витков. Над- вигают воронку на разделанный конец кабеля (рис. 10.10, в), раз- водят в ней жилы. Затем, отметив место расположения на кабеле горловины воронки, ее вновь сдвигают. Далее, прикрепив прово- лочным бандажом провод заземления к оболочке и броне кабеля, припаивают его (рис. 10.10, Удалив оставшийся кольцевой поясок над изоляцией, а затем на броне кабеля (в месте, где долж- на находиться горловина воронки), подматывают конусообразно несколько слоев смоляной ленты (рис. 10.10, ж) для более плот- ной насадки горловины воронки. Через середину подмотки (после 3 ...4 слоев) пропускают провод заземления. Воронку надвигают на место, с усилием насаживая на подмотку, и закрепляют на кон- струкции вертикально хомутами, к которым затем крепят провод заземления (рис. 10.10, з). К концам жил кабеля припаивают или приваривают наконеч- ники, выгибают жилы кабеля так, чтобы они были отдалены друг от друга и от стенок воронки на равные расстояния, а затем, по- догревая воронку до 35... 50 °C, заливают ее горячей кабельной мас- сой. По мере остывания и усадки кабельную массу в воронку до- ливают так, чтобы ее окончательный уровень был ниже края во- ронки не более чем на 10 мм. Для предохранения от коррозии воронку, хомут и поддержи- вающую конструкцию окрашивают эмалевой краской. Воронку мар- кируют, указывая на ней номер и сечение кабеля. Концевая заделка кабелей в резиновые перчатки (типовое обо- значение КВР) допускается в помещениях с нормальной средой при разности уровней расположения концов кабелей не более 10 м и применяется для трехжильных кабелей, рассчитанных на напря- 344
Рис. 10.10. Последовательность операций (а...з) заделки кабеля в стальной воронке жение до 1 кВ, с сечением жил до 240 мм2 и четырехжильных ка- белей с сечением жил до 185 мм2. Резиновые перчатки изготавли- ваются из найритовой резины марки ПЛ-118-11. Выполнив разделку конца кабеля, монтаж заделки КВР (рис. 10.11) производят в следующем порядке. Сначала на разде- ланные жилы 4 кабеля накладывают вразбежку несколько слоев подмотки 2 из липкой поливинилхлоридной ленты для закрепле- ния бумажной изоляции и скругления ее острых краев с целью об- легчения их прохождения через трубки 3 и отростки (пальцы) 14 перчатки. Отгибают плоскогубцами в несколько приемов кор- 345
Рис. 10.11. Конструкция заделки КВР (а) и вид резиновых перчаток для трехжиль- ных и четырехжильных кабелей (б): 1 — наконечник; 2, 11 — подмотки из поли- винилхлоридной ленты; 3 — резиновая трубка из найрита; 4— жила кабеля; 5— перчатка; 6 — хомут; 7— провод заземления; 8 — броня; 9 — оболочка кабеля; 10— уплотнение маслостой- кой резиновой лентой; 12 — поясная изоля- ция; 13 — бандаж; 14 — палец перчатки; 75 — тело перчатки; 16 — отросток для четвертой жилы четырехжильного кабеля пус (тело) 15 перчатки по всей окружности на уча- стке, равном приблизи- тельно ширине хомута 6 (25... 30 мм в зависимости от типоразмера перчатки). Участок оболочки 9 ка- беля между двумя кольце- выми надрезами удаляют и на оголенный участок поясной изоляции 12 на- кладывают бандаж 13 из суровых ниток, затем со- здают шероховатость на отогнутом участке корпу- са 15 перчатки, для чего, протерев его тряпкой, смо- ченной в бензине, обра- батывают драчевым на- пильником или щеткой из кардоленты. Участок обо- лочки, на который будет приклеена перчатка, за- чищают до блеска, а затем протирают тряпкой, смо- ченной бензином. Далее покрывают тон- ким слоем клея №88Н отогнутую часть корпуса перчатки и участок обо- лочки. Если диаметр обо- лочки меньше внутренне- го диаметра перчатки, на оболочку наматывают лен- ту из маслостойкой рези- ны, каждый слой которой тоже промазывают клеем. Через 5... 7 мин, необходи- мых для подсыхания клея, загибают корпус перчатки на подмотку из ленты. Глубина насадки перчатки на оболочку Е должна быть 30... 35 мм. Закрепляют корпус перчатки на оболочке специальным хому- том или двумя бандажами из четырех витков медной или мягкой стальной оцинкованной проволоки диаметром 1 мм (предварительно 346
намотав на корпус в местах их установки два слоя прорезинен- ной ленты). Перевязав временно хлопчатобумажной или прорезиненной |снтой резиновые трубки непосредственно у перчатки, чтобы пре- । охранить поясную бумажную изоляцию от повреждений, разво- 1ят и выгибают жилы кабеля. Отгибают концы трубок, изолирующих жилы, на участке, рав- ном длине трубочной части наконечника 1 плюс 8 мм, подготав- швая таким образом жилы кабеля для оконцовки. Чтобы облег- чить отгибание трубок, наружные поверхности этих участков сма- тывают вазелином или смазочным маслом. Напрессовывают, наваривают или напаивают наконечники на концы токопроводящих жил, а затем протирают их цилиндричес- кую (трубчатую) часть тряпкой, смоченной бензином. Придают драчевым напильником или стальной щеткой шерохова- тость отогнутой части трубки, предварительно протерев ее тряпкой, смоченной бензином, а затем наносят на нее тонкий слой клея № 88Н. Закладывают валики, смотанные из маслостойкой резиновой ченты и промазанные клеем № 88Н, в лунки наконечников, об- разованные при опрессовке способом местного вдавливания. Если чиаметр цилиндрической части наконечника меньше внутренне- го диаметра трубки, т. е. между ними есть зазор, на наконечник наматывают столько слоев маслостойкой резины, предваритель- но протертой бензином и промазанной клеем № 88Н, сколько не- обходимо для ее полного устранения. Для уплотнения отворачива- ют трубку на цилиндрическую часть наконечника. Уплотнение можно произвести и с помощью приклеивания отрезка трубки такой длины, чтобы он полностью покрывал ци- линдрическую часть наконечника и заходил на основную трубку на расстояние, равное двум ее диаметрам. При этом склеиваемым поверхностям трубок (основной и отрезка) сначала придают ше- роховатость, протирают их тряпками, смоченными бензином, по- крывают клеем № 88Н и дают высохнуть. Затем на внутреннюю по- верхность отрезка трубки повторно наносят толстый слой клея № 88Н и сразу насаживают его на наконечник. При оконцовке жил сваркой с применением литых наконеч- ников марки ЛА на оголенный участок жилы подматывают ленту из маслостойкой резины с переходом ее витков на наконечник и изоляцию жил. Допускается также уплотнение этой подмотки сплошным бандажом из крученого шпагата диаметром 1,5... 2 мм, который затем покрывают асфальтовым лаком. Наиболее распро- страненные способы уплотнения резиновых трубок на наконечни- ках показаны на рис. 10.12. Резиновые трубки 1 закрепляют на кор- пусе наконечника специальным бандажом 3 или четырьмя витка- ми медной проволоки диаметром 1 мм. 347
a) Рис. 10.12. Способы уплотнения резиновых трубок на алюминиевом наконечнике: а — с предварительным отворачиванием трубки; б — с помощью отрезка трубки; в — крученым шпагатом на литом наконечнике; 7 — резиновая трубка; 2 — под- мотка лентой из маслостойкой резины; 3, 5 — бандажи из стальной полоски и шпагата; 4 — муфточки из резиновой трубки Концевая заделка кабелей эпоксидным компаундом отличается простотой исполнения, надежностью, высокой электрической и механической прочностью, безопасностью и термостойкостью (рабочая температура такой заделки от -50 до +90 °C). Она имеет общее типовое обозначение КВЭ и применяется для оконцовки си- ловых кабелей, рассчитанных на напряжение до 10 кВ и использу- емых внутри любых помещений, а также в наружных электроуста- новках при условии защиты от непосредственного воздействия ат- мосферных осадков и солнечных лучей. Корпус эпоксидной заделки образуется после застывания эпок- сидного компаунда, залитого в коническую форму, временно на- деваемую на конец кабеля. Заделка с эпоксидным корпусом (рис. 10.13) может быть сле- дующих исполнений: КВЭн — с трубками из найритовой резины на жилах для при- менения в сухих помещениях; КВЭд — с двухслойными (нижний слой из поливинилхлори- да, верхний из полиэтилена) трубками на жилах для применения в сырых помещениях и районах с тропическим и субтропическим климатом; КВЭп — с выводом из корпуса изолированных проводов, при- паянных внутри к многопроволочным жилам кабеля, рассчитан- ного на напряжение до 1 кВ, для применения в сырых помещени- ях и районах с тропическим и субтропическим климатом; 348
Рис. 10.13. Концевая эпоксидная заделка кабелей различного исполнения: а — КВЭн; б — КВЭд; в — КВЭп; г — КВЭз; 1 — наконечник; 2 — бандаж или хомут; 3 — трубка из найритовой резины; 4 — токопроводящая жила в заводс- кой изоляции; 5 — корпус из эпоксидного компаунда; 6 — бандаж из суровых ниток на поясной изоляции; 7 — оболочка кабеля; 8 — двухслойная подмотка; 9 — проволочный бандаж провода заземления; 10 — провод заземления; 11 — подмотка из хлопчатобумажной ленты с промазкой эпоксидным компаундом; 12 — двухслойная трубка; 13 — изолированный провод; 14 — место соединения жил пайкой; 15 — подмотка из липкой поливинилхлоридной ленты; 16 — ого- ленный участок жилы КВЭз — с трубками из найритовой резины на однопроволочных жилах кабелей, рассчитанных на напряжение до 1 кВ, и устрой- ством «замков» внутри корпуса для использования в сырых поме- щениях и районах с тропическим и субтропическим климатом. Помимо перечисленных применяются также заделки КВЭо без эпоксидного отлитого корпуса, а с подмоткой из хлопчатобумаж- ных лент, склеиваемых эпоксидным компаундом; они предназна- чены для концевой заделки одножильных кабелей, рассчитанных на напряжение до 1 кВ, при тех же условиях, что и заделки КВЭн и КВЭд. К монтажу заделок приступают после разделки кабеля, выпол- няемой в соответствии с общими указаниями. Размеры разделок кабеля для заделок КВЭп и КВЭз определяются с использовани- ем рис. 10.14 и табл. 10.5. Особенность заделки КВЭп состоит в том, что из нее выходят не токопроводящие жилы кабеля, а присоединенные к ним от- резки изолированного провода. Выполняется она следующим об- разом. Подбирают отрезок изолированного провода требуемой дли- ны с сечением, соответствующим сечению жилы кабеля, зачища- 349
Рис. 10.14. Разделка кабеля для монтажа заделок КВЭп (а) и КВЭз (б): 7 — жила в заводской изоляции; 2 — поясная изоляция; 3 — оболочка; 4 — броня кабеля Таблица 10.5 Размеры разделок кабелей для монтажа заделок КВЭп и КВЭз Типоразмер заделки Размеры отрезков разделки, мм (см. рис. 10.14) А О п Г Б КВЭп-1, КВЭп-2 170 35 20 40 — КВЭп-3, КВЭп-4 210 50 20 45 — КВЭп-5, КВЭп-6 240 50 20 50 — КВЭп-7 245 50 20 35 — КВЭз-1 Ж+55 35 20 •— 90 КВЭз-2, КВЭз-3 Ж + 55 35 20 25 95 КВЭз-4, КВЭз-5 Ж+55 35 20 25 120 Примечания: 1. Длина разделанных жил кабеля (отрезок Ж) принимает- ся в зависимости от условий прокладки и присоединения, но не менее 150 мм. 2. Отрезок Г для заделки КВЭз определяется в зависимости от способа окон- цовки жил. 350
ют его концы, подготавливая для присоединения одного из них к жиле кабеля, а другого — к наконечнику. Зачищенные концы медной жилы кабеля и медного провода обезжиривают, вводят в соединительную медную гильзу и припа- ивают, вливая в нее припой марок ПОС-ЗО или ПОС-40. Алюми- ниевую жилу кабеля соединяют с алюминиевым проводом в алю- миниевой гильзе пайкой, поливом или опрессовкой. После соединения жилы кабеля с проводом на оголенный уча- сток накладывают подмотку из липкой поливинилхлоридной лен- ты, припаивают к броне и лентам провод заземления, а затем обез- жиривают ацетоном жилы и оболочку участка заделки, чтобы обес- печить лучшее сцепление с эпоксидным компаундом. На подготовленный конец кабеля устанавливают съемную ко- нусную форму так, чтобы жилы кабеля находились на расстоянии не менее чем на 6...7 мм от любой точки ее края, а участок пайки оказался внутри. Форму заливают эпоксидным компаундом, а после его отверждения удаляют. Эпоксидная заделка КВЭз (см. рис. 10.13, г) отличается от за- делки КБЭп тем, что на однопроволочных сплошных жилах кабе- ля оставляют свободные от изоляции участки Г длиной 25 мм, на- зываемые замками (см. рис. 10.15, б). На жилы с оголенными учас- тками надевают трубку из найритовой резины такой длины, которая позволит один ее конец натянуть на цилиндрическую часть наконечника, а другой — погрузить в эпоксидный корпус задел- ки на глубину не менее 20 мм. При установке и заливке формы эпоксидным компаундом за- делки КВЭз соблюдают те же требования, что и при выполнении заделки КВЭп. Концевая заделка кабелей поливинилхлоридными лентами. Кон- цевые заделки из поливинилхлоридных лент и лаков (типовое обозначение КВВ) применяются для кабелей с бумажной изоля- цией, рассчитанных на напряжение до 10 кВ и используемых внутри помещений, а также в наружных установках при температуре ок- ружающего воздуха не выше 40 °C и при условии защиты от не- посредственного воздействия атмосферных осадков и солнечных лучей. Заделка КВВ применяется при разности уровней высшей и низ- шей точек расположения кабеля на трассе не более 10 м, в про- тивном случае используется заделка КВВ специального исполне- ния. Монтаж заделок КВВ производят при окружающей темпера- туре не ниже 5 °C. Заделка КВВ (рис. 10.15) выполняется липкой (первое исполне- ние) или нелипкой (второе исполнение) поливинилхлоридной лен- той с применением соответственно составов № 1 (покровного) или № 2 (заполняющего). Поливинилхлоридная липкая (с подклеива- 351
Рис. 10.15. Концевая заделка КВВ: 1 — броня кабеля; 2 — провод заземления; 3 — проволочные бандажи на броне и оболочке; 4 — оболочка кабеля; 5 — изо- ляция заводского изготовле- ния; 6 — бандаж из хлопчато- бумажной пряжи на поясной изоляции; 7 — жила в заводс- кой изоляции; 8 — поясная стаканообразная подмотка; 9 — подмотка жил; 10— бандаж из хлопчатобумажной пряжи на жильной изоляции; 11 — ого- ленный участок жилы; 12 — кабельный наконечник; 13, 15, 17 — бандажи; 14 — запол- няющий состав; 16 — вырав- нивающая подмотка ющим слоем) лента имеет толщину 0,2...0,3 мм и ширину 15...20 мм, а нелипкая лента толщину 0,4 мм и ши- рину 25 мм. Размеры разделки кабеля для заделки КВВ определяются с ис- пользованием табл. 10.6 и рис. 10.14, а. Кабельные наконечники приварива- ют, припаивают или напрессовывают на концы жил кабеля. При оконцовке жил кабеля опрес- совкой наконечника способом местно- го вдавливания применяют только труб- чатые наконечники, имеющие завод- скую герметизацию. Перед опрессовкой на алюминиевой жиле кабеля очища- ют внутреннюю поверхность наконеч- ника ершиком из стальных проводок и смазывают кварцевазелиновой пастой. Сняв с концов жил изоляцию на дли- не, равной длине трубчатой части на- конечника, и зачистив их щеткой из кардоленты до металлического блеска, зачищенный участок также смазывают кварцевазелиновой пастой. После такой подготовки надевают наконечник до упора на жилу и, вложив его в опрес- совочный механизм с заранее подо- бранными пуансоном и матрицей, оп- рессовывают. Лунки, получившиеся на трубчатой части наконечника после оп- рессовки, протирают тряпкой, смочен- ной бензином, смазывают составом № 2, а затем заполняют моточками по- ливинилхлоридной ленты и поливи- нилхлоридным составом № 2. Объем и форма моточка ленты должны соответ- ствовать глубине и форме лунки. Мо- точек впрессовывают в лунку, а затем покрывают составом № 2. Уступы, образовавшиеся в местах переходов от внешней поверхности ци- линдрической части кабельных нако- нечников к изоляции жил, выравнива- ют подмоткой из поливинилхлоридной ленты шириной 7,5 мм, для чего ролик 352
Таблица 10.6 Размеры разделки кабеля для монтажа заделки КВВ Типоразмер заделки Сечение жил, мм2, для кабелей на напряжение, кВ Размеры отрезков разделки, мм (см. рис. 10.14, а) 1 6 10 А О П КВВ-1 До 25 — — Ж+65 30 15 КВВ-2 35...50 10...25 — Ж + 70 50 20 КВВ-3 70...95 35...50 16...25 Ж+105 80 25 КВВ-4 120... 150 70...95 35...70 Ж+105 80 25 КВВ-5 185 120... 150 95... 120 Ж+125 100 25 КВВ-6 240 185 150 Ж+ 125 100 25 КВВ-7 — 240 185 Ж+125 100 25 КВВ-8 — — 240 Ж+125 100 25 Примечания: 1. Длина разделанных жил (отрезок Ж) принимается в за- висимости от условий присоединения, но не менее 150 мм для кабеля на напря- жение 1 кВ, 250 мм — на 6 кВ и 400 мм при 10 кВ. 2. Отрезок Г определяется в зависимости от способа оконцовки жил. ленты шириной 15 мм разрезают пополам. Таким же образом вы- равнивают уступ в месте перехода от свинцовой или алюминие- вой оболочки к поясной изоляции. Далее протирают наружные поверхности изоляции жил и по- ясной изоляции тряпкой, слегка смоченной бензином, и каждую жилу от поясной изоляции до контактной части наконечника под- матывают поливинилхлоридной лентой (в три слоя при сечении жил до 95 мм2 и в четыре слоя при сечении 120 мм2 и выше). Слои поливинилхлоридной ленты накладывают с 50 %-ным перекрыти- ем предыдущего витка (вполнахлеста) и с натяжением, при ко- тором лента вытягивается с уменьшением первоначальной шири- ны не более чем на 1 /4. Последний слой подмотки каждой жилы выполняется с заходом на всю ступень свинцовой или алюмини- евой оболочки. Подмотку каждой жилы покрывают с помощью кисти толстым слоем состава № 2 на участках длиной 70, 100 или 120 мм (считая от торца поясной изоляции) при диаметрах кабеля по оболочке соответственно до 25, 40 и 55 мм. Состав наносят на ту часть по- верхности каждой жилы, которая обращена вовнутрь. 12 Нестеренко 353
При помощи кисти или деревянной лопатки составом № 2 за- полняют внутреннее пространство между жилами. Затем жилы сжимают руками в пучок и закрепляют в этом положении банда- жом из хлопчатобумажной ленты на расстоянии 10 мм от участка, покрытого составом № 2. Наружную поверхность пучка сжатых жил также обмазывают толстым слоем состава № 2 (используя состав, выдавленный при сжатии их в пучок). Количество состава в желобах, образуемых жилами, должно быть таким, чтобы он выступал в виде трех ва- ликов над поверхностью пучка, т. е. нельзя оставлять незаполнен- ные составом пустоты, в которых могут скапливаться воздух и влага. На участок жил, сжатых в пучок, и на участок оболочки кабе- ля накладывают поясную стаканообразную подмотку из восьми слоев поливинилхлоридной ленты с 50 %-ным перекрытием (не- зависимо от сечения кабеля и напряжения), а на расстоянии 20 мм от концов этой подмотки и на цилиндрическую часть кабельного наконечника — бандажи из крученого шпагата диаметром 1 мм (табл. 10.7). Бандажи покрывают поливинилхлоридным составом № 1 с по- мощью кисти. Для повышения влагостойкости внешнюю поверхность задел- ки покрывают асфальтовым лаком или цветной эмалевой краской. Временный бандаж из хлопчатобумажной ленты, наложенный на 10 мм выше стаканообразной подмотки, можно удалить после изгибания жил и присоединения их к контактам соответствующе- го аппарата или шинам распределительного устройства, а также после достаточного высыхания состава № 2. Кроме того, до высы- хания состава № 2 желательно разгрузить заделку от давления про- питочного состава, которое возникает из-за разности уровней рас- положения концов кабеля. Включение кабеля с вновь смонтиро- ванной заделкой под нагрузку допускается не ранее чем через 48 ч после окончания монтажа. Заделки КВВ с применением нелипкой поливинилхлоридной ленты и жидкого состава № 1 монтируются так же, как и заделки с использованием липкой ленты. При этом каждый слой подмот- ки (во избежание ослабления плотности его наложения до выпол- Таблица 10.7 Зависимость ширины бандажа от сечения жил кабеля Сечение жил, мм2 16 25 35 50 70 95 120 150 185 240 Ширина бандажа, мм 25 30 35 40 45 50 55 65 70 75 354
нения следующего слоя) временно закрепляют бандажом из 2—3 витков суровых ниток. Поверхность каждого слоя подмоток покрывают сначала одним, а после его высыхания — вторым слоем состава № 1. Наложение следующего слоя ленты ведется по третьему слою состава № 1, ко- юрый наносится не сразу по всей длине, а постепенно участками шиной по 100 мм. Заделки КВВ специального исполнения используют при боль- ших разностях уровней расположения концов кабеля. Они отлича- ются от заделок первого и второго исполнений тем, что подмотку на изоляции жил выполняют из пяти слоев поливинилхлоридной 1СНТЫ, а уплотнение корешка заделки — эпоксидным компаун- юм вместо поливинилхлоридного состава № 2. В заделках КВВ спе- циального исполнения выравнивающую подмотку между наконеч- ником и изоляцией жил производят хлопчатобумажной лентой с обильной обмазкой каждого витка эпоксидным компаундом. Вопросы для самоконтроля 1. 1. Для чего производится концевая заделка кабелей? 2. Какие инструменты, приспособления и материалы применяются при концевой заделке кабелей? II. 1. Что представляет собой заделка концов кабеля с помощью эпоксид- ного компаунда? 2. Что представляет собой заделка концов кабеля с помощью поливинилхлоридной ленты? III. 1. Каковы особенности опрессовки наконечников жил кабелей при заделке КВВ? 2. Каковы отличительные особенности заделок КВВ разных испол- нений? 10.4. Прокладка кабельных линий в блоках Кабельным блоком называют сооружение или устройство, пред- назначенное для защиты прокладываемых в земле кабелей от ме- ханических повреждений. Блок обычно состоит из нескольких труб (асбестоцементных, керамических и др.) или железобетонных элементов (панелей) и относящихся к ним колодцев. При прокладке кабельной линии в блоках их расставляют вдоль трассы. Данные о блочных устройствах из железобетонных плит приведены в табл. 10.8. Каждый кабельный блок может иметь до 10 % резервных кана- лов (но не менее одного). Глубина кладки в земле кабельных бло- ков принимается исходя из местных условий, но она не должна быть менее допустимой глубины прокладки кабелей в траншеях. 355
Таблица 10.8 Размеры кабельных блоков из железобетонных панелей Блоки Тип блока Число каналов В, мм Н> мм По верти- кали По горизо- нтали Всего Для сухих гру] ? Кхйгоо] что в ББ-1/3 ББ-2/2 ББ-2/3 3 2 3 1 2 2 3 4 6 150... 180 150... 180 150... 180 480...490 345...355 510-520 О о ББ-2/4 ББ-2/6 ББ-2/8 4 6 8 2 2 2 8 12 16 300... 320 300... 320 300... 320 675 - 685 1005-1015 1335-1345 В В >1 v 4 В 7р| , Д _ | л И В( о ГЧч [ля влаж! насыщен эдой rpyi <ых [НЫХ чтоб ББ-3/3 ББ-3/4 ББ-3/5 ББ-3/6 ББ-3/8 3 4 5 6 8 3 3 3 3 3 9 12 15 18 24 450... 480 450... 480 450...480 450... 480 450...480 510...520 675... 685 840... 850 1005-1015 1335-1345 Р- 7 7“ 1 ББ-4/4 ББ-4/5 ББ-4/6 4 5 6 4 4 4 16 20 24 615...645 615...645 615-645 675-685 840...850 1005...1015 LjM § ББ-5/5 ББ-5/6 5 6 5 5 25 30 765... 795 765 - 795 840...850 1005-1015 Примечание: 7 — кирпичная кладка; 2 — панель; 3 — цементный раствор; 4 — окрасочная битумная изоляция; 5 — бетонная подготовка; 6 — изоляция; 7 — кир- пичная стенка. В местах изменения направления трассы или разветвления кабель- ных линий, проложенных в блоках, и в местах перехода кабелей из блока в землю должны сооружаться кабельные колодцы, обеспе- чивающие удобное протягивание кабелей, прокладываемых вновь, и возможность легкой и быстрой замены их в процессе эксплуатации. При прокладке кабельных линий в блоках должны соблюдать- ся те же требования, что и при прокладке в траншее, а также ряд дополнительных требований, вызванных особыми условиями блоч- ной канализации. Перед прокладкой кабеля в блоках необходимо тщательно про- верить его состояние и длину: кабель не должен иметь вмятин, по- вреждений брони и других дефектов, а его длина должна быть не менее чем на 5...6 м больше расстояния между колодцами блока. 356
Длина кабеля обозначается на барабане. Если кабель частично израсходован, то длина оставшегося на барабане кабеля £о.к =^2-(Р2 “ Д2), ।не л = 3,14; I— расстояние между щеками барабана; d — наруж- ный диаметр кабеля на барабане, определяемый замером или по справочнику; — диаметр барабана; — диаметр намотки ка- беля на барабане, определяемый делением длины окружности внешнего витка кабеля на число л. Перед прокладкой кабеля осматривают кабельные колодцы и прочищают отверстия блоков, проложенных между ними, для чего из двух колодцев одновременно проталкивают навстречу друг другу стальные проволоки с крючками на концах. При встрече в канале блока проволоки сцепляются крючками, а затем их вытаскивают с одной стороны настолько, чтобы место сцепления вышло наружу. Одну из проволок отцепляют, к выхо- дящему из отверстия блока концу другой проволоки прикрепля- ют стальной калибровочный цилиндр и ерш, а к ершу прикреп- ляют стальной трос диаметром не менее 12 мм, служащий для затяжки кабеля в блок. Проволоку с калибровочным цилиндром, ершом и тросом протаскивают с помощью лебедки через все от- верстия (кабельные каналы) блока поочередно, разрушая имею- щиеся в них выступы, калибруя и очищая отверстия от строитель- ного мусора и грязи. Кабель затягивают в блочный канал тросом, закрепляя на кон- це с помощью проволочного чулка или кабельного зажима. Проволочный чулок (рис. 10.16, а) надевается на конец кабеля и на участке длиной не менее 500 мм прочно закрепляется од- ним или несколькими бандажами из мягкой проволоки диамет- ром 1,5 мм. Бандажи накладываются поверх намотки из 2—3 слоев смоляной ленты. Затяжка кабеля с помощью проволочного чулка имеет недостат- ки, основными из которых являются: значительные затраты вре- мени для закрепления чулка на кабеле; возможность соскальзыва- ния чулка с оболочки; опасность разрыва оболочки кабеля в не- посредственной близости от места наложения чулка, особенно при больших длине и сечении кабеля (табл. 10.9). Более совершенным является способ крепления кабеля конус- ным зажимом (рис. 10.16, б), состоящим из стальной головки 4 со специальным отверстием для троса, конической звездочки 3, вдоль боковых поверхностей которой на расстоянии, равном 1/3 окружно- сти, расположены три секторных углубления, внешнего конуса 2 и корпуса 7, предназначенного для защиты оголенных токопро- водящих жил кабеля от механических повреждений. 357
a) б) Рис. 10.16. Приспособления для затяжки кабелей в блок: а - проволочный чулок; б — кабельный зажим (разрез); 1 — защитный корпус; 2 — внешний конус; 3 — коническая звез- дочка; 4 — стальная головка с проушиной для троса Для закрепления зажима на жилах конец кабеля на расстоянии около 200 мм освобождают от брони, оболочки и поясной изоля- ции, а затем снимают изоляцию с жил кабеля и, очистив их от пропиточного состава, вводят в предварительно разобранный за- жим. Далее вставляют в корпус коническую звездочку, предвари- тельно подобранную по сечению токопроводящих жил, и вручную ввинчивают головку во внешний конус. Собранный зажим вводят в хомут и закрепляют в нем с помощью стопорного болта. Защит- ный корпус навинчивают на внешний конус, а затем, вставив в головку стальной вороток, ввинчивают ее до тех пор, пока жилы кабеля не окажутся прочно зажатыми в корпусе. Таблица 10.9 Максимально допустимая длина кабеля, протягиваемого в блоки с помощью проволочного чулка, м Сечение кабеля, мм2 Кабель марки СГТ Кабель марки АСГТ 3x50 145 220 3x70 115 195 3x95 и выше 108 150 Примечание. Кабели большей длины протягиваются в блоки захватом непосредственно за жилы. В этом случае предельные усилия их протягивания не должны превышать 1/6 прочности жил на разрыв. 358
Для затягивания кабеля в блок барабан с кабелем устанавлива- ют у колодца. Прежде чем приступить к протяжке кабеля на кана- 1с блока устанавливают соответствующего размера стальную разъем- ную воронку с раструбом, а на край горловины колодца — же- юб, изготовленный из куска трубы или листовой стали. К желобу юлжны быть приварены скобы, которыми можно крепить его к 1 орловине люка колодца. Кабель следует протягивать в блоки со скоростью, не превы- шающей 5 км/ч, и без остановок во избежание повреждения при । рогании его с места. Для облегчения затяжки в трубу кабель сма- нивают тавотом (из расчета 6... 10 г тавота на 1 м кабеля). По окончании затяжки кабель отрезают от барабана и конец его опускают в колодец, предварительно напаяв свинцовый колпачок (каппу). 10.5. Прокладка кабельных линий на опорных конструкциях и в лотках Опорные кабельные конструкции применяются преимуществен- 1 ю при прокладке нескольких кабелей в цехах промышленных пред- приятий и по стенам зданий. Изготавливаются они из листовой ста- in толщиной 2,5 мм в виде стоек с кронштейнами, стоек со ско- бой и настенных полок (рис. 10.17). Рис. 10.17. Опорные кабельные конструкции: а — стойка с кронштейнами; б — стойка со скобой; в — настенная полка; I — хомут крепления стойки к стене; 2 — кронштейн; 3 — подкос; 4 — кабельная скоба; 5 — плита настенной полки 359
В плитах 5 настенных полок и стойках имеются вырезы (окна), а на хвостовиках кронштейнов 2 и кабельных подвесных скоб 4 — фигурные вырезы (Т-образной формы), которыми они скре- пляются друг с другом. На кронштейнах сделаны овальные выре- зы размером 20 * 10 мм, служащие для крепления кабелей на пол- ках в местах изменения трассы кабельной линии, например на поворотах или переходах с одной горизонтальной отметки на дру- гую. Стойки и настенные плиты крепят к бетонным и кирпичным поверхностям хомутами (или без них), пристреливаемыми дюбе- лями из строительного монтажного пистолета. Рассмотренные опорные кабельные конструкции применяют- ся при прокладке кабельных линий как в сухих, так и сырых по- мещениях. Для предохранения от коррозии металлические опор- ные конструкции покрывают двумя слоями влагостойкой краски. Для прокладки небронированных кабелей в сухих помещениях опорными конструкциями служат лотки. По кирпичным и бетон- ным стенам производственных цехов, машинных залов и аналогич- ных им помещений лотки прокладывают на высоте не менее 2 м. Различные способы установки лотков и прокладки на них ка- белей см. на рис. 8.19. Лотки заземляются не менее чем в двух наиболее удаленных друг от друга местах. Независимо от этого каждое лотковое от- верстие дополнительно заземляется в конце. При соединении лотков между собой должна образовываться электрически непре- рывная цепь. В одном лотке без устройства разделительных перегородок, но с просветами в 20 мм между пучками или пакетами допускается прокладка всех силовых цепей одного агрегата, а также силовых и контрольных цепей нескольких машин, панелей и щитов одного технологического процесса. Совместная прокладка в лотках кабелей силовых, осветитель- ных и контрольных цепей сильного тока с проводами и кабелями других цепей (например, сигнализации, дистанционного управ- ления) допускается только при условии отделения каждой из этих цепей стальными разделителями или разделительными обоймами. Прокладываемые в лотках кабели соединяются муфтами, уста- навливаемыми в специальных лотках. Разделку кабелей, прокла- дываемых по лоткам, а также их соединение и концевую заделку выполняют в той же последовательности, что и кабелей, прокла- дываемых в земле. 10.6. Прозвонка кабелей Для правильного подключения кабелей к контактам электри- ческих машин, приборов и аппаратов проводят их прозвонку. 360
Простейшая прозвонка выполняется с помощью лампы и ба- тарейки (рис. 10.18, а), т.е. жилы одного конца кабеля (на рисун- ке — левом) произвольно маркируют и к первой из них подклю- чают провод от батарейки. Затем присоединяют к лампе провод- ник и им поочередно касаются жил на другом конце кабеля. Если при касании лампа загорается, значит это жила, к которой при- соединен провод от батарейки. Также прозвонку можно выполнить без проводника, соединя- ющего оба конца кабеля (рис. 10.18, б). Таков же принцип про- звонки с применением мегомметра, если он оказывается присо- единенным к концам, принадлежащим одной и той же жиле, его стрелка показывает нуль. Рассмотренные способы прозвонки удобны в том случае, если оба конца кабеля расположены недалеко друг от друга и ее может выполнить один человек. Если концы длинного отрезка кабеля на- ходятся в разных помещениях здания или в разных зданиях, при- меняется наиболее универсальный способ прозвонки с помощью двух телефонных трубок (рис. 10.18, в). Д^я этого телефонные и мик- рофонные капсюли в трубках соединяют последовательно, и в эту цепь включают сухой элемент или аккумулятор с напряжением 1—2 В. Этот способ удобен также тем, что монтеры могут согласо- вывать свои действия, переговариваясь по телефону. На одном кон- це кабеля монтер присоединя- ет один проводник трубки к оболочке кабеля, а другой — к любой из его жил. На другом конце кабеля второй рабочий присоединяет один проводник трубки к оболочке кабеля, а другой — поочередно к его жи- лам. Если в трубке слышится щелчок и монтеры слышат друг друга, значит проводники труб- ки присоединены к одной жиле кабеля. В некоторых случаях прозвон- ка выполняется с помощью спе- циального трансформатора с несколькими отводами от вто- ричной обмотки (рис. 10.18, г). В этом случае начало обмотки подключают к заземленным оболочкам кабеля, а отводы — к его жилам. Далее записыва- ют напряжение, поданное на Рис. 10.18. Схемы прозвонки кабелей: а, б — с помощью лампы; в — с помо- щью телефонных трубок; г — с исполь- зованием специального трансформатора 361
каждую из жил. Измерив напряжение между жилами и оболочкой на противоположном конце кабеля и используя записанные зна- чения напряжения, нетрудно определить принадлежность концов к той или иной жиле и выполнить маркировку. Для маркировки жил силовых кабелей используют отрезки ви- ниловых трубок или специальные оконцеватели, на которых не- смываемыми чернилами делают надписи. Фазирование кабелей. Для повышения надежности электроснаб- жения потребителей, а также в случае, если мощности одного пи- тающего кабеля недостаточно для нормальной работы электроуста- новки, применяют несколько параллельно проложенных кабелей. При этом они должны подключаться к электрооборудованию с со- блюдением порядка чередования фаз. Если это условие не будет соблюдено, то включение питания вызовет короткое замыкание. Определение порядка чередования фаз при параллельном под- ключении кабелей называется фазированием кабелей. Пусть шины двух распределительных устройств (рис. 10.19) свя- заны между собой кабелем 1, по которому электроэнергия пере- дается от РУ-1 к РУ-2. Для большей надежности электроснабже- ния параллельно работающему кабелю проложен кабель 2, при- чем его жилы также должны быть подключены к сборным шинам так, чтобы шина А в РУ-1 оказалась соединенной с шиной А в РУ-2. Это требование относится и к шинам В и С. В установках на- пряжением 380/220 В кабель фазируют с помощью вольтметра, рассчитанного на линейное напряжение сети, т. е. кабель 2 в РУ-1 подключают к шинам посредством рубильника, а в РУ-2 вольт- метром измеряют напряжение между одной из жил этого кабеля и той шиной, к которой предполагается ее присоединить. Если вольтметр показывает линейное напряжение, это означает, что жила кабеля и шина распределительного устройства принадлежат к разным фазам, и соединять их нельзя. Нулевое показание вольт- Рис. 10.19. Схема фазирования кабелей 1 и 2 362
метра свидетельствует о том, что жила кабеля и шина имеют оди- наковый потенциал и, следовательно, принадлежат к одной и той же фазе, а поэтому их соединение возможно. Точно так же фази- руют две другие жилы кабеля. При отсутствии вольтметра можно воспользоваться двумя последовательно соединенными лампами накаливания с номинальным напряжением 220 В (жила и шина, при включении между которыми лампы не горят, принадлежат к одной фазе). Следует помнить, что так как кабели представляют собой зна- чительную емкость, после фазирования, прозвонки и испытания на их жилах сохраняется значительное напряжение, вызванное ос- таточным емкостным зарядом. Поэтому после каждой подачи на- пряжения на кабель его необходимо разряжать путем соединения каждой жилы с системой заземления. Вопросы для самоконтроля I. 1. Дайте определение кабельного блока. 2. Каковы основные размеры кабельных блоков? 3. Как производится затяжка кабелей в блок? 4. Что представляют собой опорные кабельные конструкции? II. 1. Как устанавливаются опорные конструкции? 2. Приведите примеры установки кабельных лотков. 3. Разрешается ли использовать лотки в качестве заземляющих про- водников? III. 1. В чем заключается подготовка кабеля для прокладки в блоках? 2. Какие вы знаете способы крепления кабеля к тросу? 3. Какие правила монтажа электропроводок на лотках вы знаете? 4. Дайте сравнительную характеристику схем прозвонки кабелей. 5. Для чего применяется фазирование кабелей и какова его схема?
Глава 11. МОНТАЖ ВОЗДУШНЫХ ЛИНИЙ НА НАПРЯЖЕНИЕ ДО 1 кВ 11.1. Общие сведения о воздушных линиях Электрические воздушные линии (ВЛ) предназначены для пере- дачи и распределения электрической энергии по проводам, рас- положенным на открытом воздухе и прикрепленным к различным опорным конструкциям. Воздушные линии электропередачи мо- гут быть с напряжением до 1 кВ включительно и выше 1 кВ (3, 6, 10 кВ и выше по шкале стандартных напряжений). Воздушные линии электропередачи широко распространены в России и для них характерны: незначительный объем земляных работ при постройке; простота эксплуатации и ремонта; возможность использования опор воздушных линий с напря- жением до 1 кВ для крепления проводов радиосети, местной теле- фонной связи, наружного освещения, телеуправления, сигнали- зации; более низкая стоимость сооружения 1 км (примерно на 25... 30 %) по сравнению со стоимостью сооружения кабельной линии). Воздушные линии состоят из следующих основных конструк- тивных элементов: опор различного типа для подвески проводов и грозозащитных тросов; проводов различных конструкций и сечений для передачи по ним электрического тока; грозозащитных тросов для защиты линий от грозовых разрядов; изоляторов, собранных в гирлянды, для изоляции проводов от заземленных частей опоры; линейной арматуры для крепления проводов и тросов к изоля- торам и опорам, а также для соединения проводов и тросов; заземляющих устройств для отвода токов грозовых разрядов или короткого замыкания в землю. Проектирование и сооружение ВЛ ведется в соответствии с ПУЭ. Проектирование строительных конструкций опор и фундаментов производится на основании СНиП. ПУЭ устанавливают требова- ния к линиям с различным напряженем исходя из их назначения: чем выше передаваемые напряжение и мощность линии, тем боль- ший ущерб приносит ее повреждение, поэтому к линиям с более высоким напряжением предъявляются и более строгие требования. 364
Линии с напряжением до 1 кВ предназначены для передачи и распределения электроэнергии на небольшие расстояния внут- ри городов, поселков и деревень до вводов в дома или на пред- приятия. Линии с напряжением 1... 35 кВ используются для передачи элек- । роэнергии от районных подстанций к населенным пунктам и пред- приятиям на расстояние 10...20 км. Линии с напряжением 110... 220... 330 кВ предназначены для пе- редачи больших мощностей между электрическими станциями и крупными районными подстанциями для энергоснабжения круп- ных городов или экономических районов на расстояние от 100 до 600 км. Линии с напряжением 500 кВ используются для передачи мощ- ности до 1 млн кВт и служат для связи различных энергетических систем, находящихся на расстоянии до 1200 км. Линии с напряжением 750 кВ передают мощность 2... 2,5 млн кВт на расстояние 2000...2200 км. Основными факторами, определяющими конструктивное ис- полнение линий, являются воздействия ветра, температуры, дож- дя, гололеда, грозы и их возможных сочетаний. Для линий на различные напряжения ПУЭ предусмотрены раз- личные расчетные климатические условия, т. е. сочетание внешних атмосферных нагрузок (например, ветра и гололеда). Расчетные скорости ветра принимаются не менее: 16 м/с — для линий с напряжениями до 1 кВ, 21 м/с — от 1 кВ до 35 кВ, 25 м/с — 110...330 кВ, 30 м/с — 400 кВ и выше. Расчетная толщина слоя гололеда принимается не менее 0,5 см для всех линий с напряжением до 330 кВ и не менее 1,0 см для линий с напряжением 400 кВ и выше. На основании данных, полученных в результате достаточно про- должительных наблюдений за температурой воздуха, скоростью ветра, интенсивностью и удельным весом гололеда в районе, где сооружается линия, могут быть приняты для расчета другие, бо- лее высокие значения указанных величин. Вся территория России делится на пять районов по уровню го- лоледа (I...IV и особый) и семь районов по силе ветра (I...VII). Определение расчетных климатических условий для строящей- ся линии, как правило, производится в соответствии с картами климатического районирования, помещенными в ПУЭ и СНиП. Различают нормальный и аварийный режимы работы линии. Нормальным режимом считается работа линии при неповрежден- ных проводах и тросах. Аварийный режим определяет работу ли- нии при полностью или частично оборванных проводах или тро- сах. Для каждого режима работы предусматриваются соответству- ющие требования к конструктивным элементам линии. Кроме того, 365
требования ПУЭ обуславливаются типом местности, где проходит линия и плотностью населения. Населенной местностью считаются территории городов, посел- ков, деревень, промышленных и сельскохозяйственных предпри- ятий, портов, пристаней, железнодорожных станций, парков, бульваров, пляжей в границах их реального перспективного раз- вития на 10 лет. Ненаселенными называют незастроенные местности, посещае- мые людьми, доступные для транспорта и сельскохозяйственных машин, а также огороды, сады и другие участки с отдельными строениями и временными сооружениями. Труднодоступной считают местность, недоступную для транс- порта и сельскохозяйственных машин. Для каждого типа местности ПУЭ установлены нормированные расстояния поднятия проводов над землей, а также от пересекае- мых ими или параллельно расположенных с ними объектов, име- нуемые соответственно габаритами провода, габаритами пересе- чения и габаритами сближения. Габаритом провода ВЛ называется расстояние по вертикали от точки наибольшего его провисания до земли. Габаритом пересечения называется кратчайшее расстояние по вертикали от провода до пересекаемого им объекта. При пересече- нии объектов, расположенных под воздушной линией (дорог, рек), габарит пересечения определяется расстоянием от нижнего про- вода до пересекаемого объекта, а при пересечении объектов, рас- положенных выше ВЛ (мостов, линий электропередачи с более высокими напряжениями), — от верхнего провода до пересекае- мого объекта. Габаритом сближения называется допускаемое кратчайшее рас- стояние от нижних проводов линии до объектов (зданий, эстакад, надземных коммуникаций и др.). Для нормальной работы и безопасного обслуживания ВЛ со- блюдение норм, установленных ПУЭ, обязательно. Приведем при- меры. Расстояние от проводов до земли или проезжей части улицы при наибольшей стреле провеса должно быть не менее 6 м. В труд- нодоступной местности его разрешается уменьшать до 3,5 м, а в недоступной местности (скалы, утесы) — до 1 м. Если ответвле- ние от ВЛ пересекает тротуар или пешеходную дорожку, рассто- яние от провода до земли также может быть уменьшено до 3,5 м (если это требование выполнить невозможно, устанавливают либо дополнительную опору, либо крепежную конструкцию на здании). Судоходные реки и каналы, как правило, воздушными линия- ми не пересекаются, но если линия пересекает небольшую реку, пруд или озеро, то габарит до наивысшего уровня воды должен 366
быть не менее 2 м, а до поверхности льда — не менее 6 м, причем опора должна быть установлена от воды на расстоянии, равном или превышающем высоту опоры. При пересечении железных дорог переходный пролет ВЛ мон- тируют на анкерных опорах, алюминиевые провода в этом проле- те должны иметь сечение не менее 70 мм2, а медные — не менее 35 мм2; при пересечении железных дорог необщего пользования (заводские, узкоколейки) соответственно с соблюдением тех же условий разрешается воздушные линии устанавливать на проме- жуточных опорах (установка опор с оттяжками не допускается). Между опорой ВЛ и строением или опорой контактной сети дол- жно выдерживаться расстояние не менее высоты опоры плюс 3 м (в крайнем случае в стесненных условиях — не менее 3 м). Крепле- ние проводов к опоре должно быть двойным. При пересечении воздушными линиями автомобильных дорог должны соблюдаться следующие правила. Переходный пролет над автодорогой первой категории монтируется на анкерных опорах, в остальных случаях разрешается использовать промежуточные опоры. В переходном пролете используются алюминиевые провода с сечением не менее 35 мм2 и сталеалюминиевые — не менее 25 мм2, а габарит пересечения должен быть не менее 7 м. Опоры переход- ного пролета должны быть удалены от бровки земляного полотна не менее чем на свою высоту (в стесненных условиях не менее чем на 5 м). Если трасса ВЛ проходит по населенному пункту, провода под- вешивают не ближе 1,5 м от окон, террас и балконов и не ближе 1 м от глухих стен. Прохождение проводов над зданиями (за исклю- чением пристанционных служебных строений и домиков путевых обходчиков) вообще не разрешается. Опоры могут быть располо- жены не ближе 1 м от трубопроводов и кабелей, не ближе 2 м от колодцев подземной канализации и водоразборных колодцев, не ближе 10 м от бензоколонок. От подземных кабельных линий свя- зи и сигнализации опору ВЛ следует устанавливать как можно даль- ше, и даже в стесненных условиях расстояние между опорой и кабелем не должно быть менее 0,5 м. Очень важно правильно выполнять пересечения ВЛ. Пересече- ние двух линий с напряжениями до 1 кВ чаще всего делают на пе- рекрестных опорах (допускается пересечение в пролете при усло- вии, что расстояние между ближайшими проводами при темпера- туре воздуха +15 °C без ветра будет не менее 1 м). При пересечении ВЛ разных классов провода линии с напря- жением выше 1 кВ должны располагаться над проводами линии с напряжением ниже 1 кВ. Расстояние между ближайшими пересе- кающимися проводами должно быть не менее 2 м для линий с на- пряжением 6... 10 кВ и не менее 3 м — для линий с напряжением 367
35... 110 кВ. Место пересечения по возможности должно находить- ся ближе к опоре верхней линии, но при этом расстояние между этой опорой и проводами нижней линии (с учетом наибольшего отклонения проводов) должно быть не менее 6 м. При пересечении ВЛ с линией связи вертикальное расстояние между их проводами должно быть не менее 1,5 м (провода линии связи располагают ниже проводов ВЛ). Вопросы для самоконтроля 1. 1. Что представляет собой ВЛ? 2. Каковы преимущества ВЛ? 3. Для чего используются линии электропередачи до 1 кВ? II. 1. Для чего используются линии электропередачи выше 1 кВ? 2. Как климатические условия воздействуют на ВЛ? 3. Какие типы местности вы знаете? III. 1. Что такое габарит провода? 2. Что такое габарит пересечения? 3. Что такое габарит сближения? 4. Каковы габариты ВЛ, проходящей по населенному пункту? 11.2. Опоры воздушных линий Опоры служат для подвески проводов на определенной (в за- висимости от напряжения) высоте над уровнем земли или воды. Опоры линий выполняются деревянными, металлическими или железобетонными. Древесина является наиболее дешевым материалом для соору- жения опор и применяется в основном в лесных районах страны. Для деревянных опор используют сосну, лиственницу, ель и пих- ту. Существенным недостатком древесины является подверженность ее загниванию. Одной из наиболее стойких пород древесины явля- ется лиственница. Сосна уступает лиственнице по прочности и гни- лостойкости, однако она легко подвергается пропитке специаль- ными составами — антисептиками, препятствующими гниению древесины. Дерево обладает неплохими механическими свойствами, особенно если учитывать его легкость. Предел прочности при растяжении (вдоль волокон, т. е. в направлении длины ствола) древесины разных пород со- ставляет 700... 1300 кг/см2, причем объемная масса дерева колеблется примерно от 0,5 до 0,8 г/см3, редко — до 1 г/см3; в то же время обычная сталь имеет предел прочности при растяжении 4000...5000 кг/см3, но при плотности 7,8 г/см3. Таким образом, прочность дерева, отнесенная не к геометрическим размерам, а к массе, не ниже прочности стали. Тяжелые породы деревьев прочнее, чем легкие. Прочность дерева в различных направлениях различна: прочность поперек волокон меньше, чем вдоль. 368
Различают маслянистые антисептики, не растворимые в воде, и водорастворимые антисептики. Маслянистые антисептики — это продукты переработки нефти. Пропитке маслянистыми антисеп- тиками можно подвергать только сухую древесину. Для пропитки водорастворимыми антисептиками древесина, наоборот, должна иметь повышенную влажность, так как только в этом случае ан- тисептик диффундирует в глубь древесины; если столб сухой, диф- фузии не происходит. Пропитка деревянных опор водорастворимыми антисептиками может производиться как перед установкой их на линии, так и непосредственно на линиях, находящихся в эксплуатации. Ель и пихта незначительно уступают сосне в прочности, но очень плохо поддаются пропитке антисептиком, поэтому применяются они только для линий с напряжением до 35 кВ, линий связи и иногда в качестве вспомогательных элементов опор на линиях с напряжением выше 35 кВ. Для изготовления металлических опор применяются обычная углеродистая сталь марки СтЗ и низколегированная сталь марок 14Г2 и НЛ-2, а в редких случаях алюминиевые сплавы. Основным недостатком металлических опор является подверженность их кор- розии: незащищенная поверхность опоры под действием влаги и воздуха покрывается слоем ржавчины, что приводит к потере проч- ности конструкции. Особенно сильной коррозии подвержены металлические опо- ры линий, находящихся в зоне выбросов промышленных предпри- ятий, а также на берегах морей и соленых озер. Лучшим способом защиты металлических опор от коррозии является их горячая оцин- ковка. Кроме того, для защиты опор применяют различные анти- коррозионные лаки и краски. В настоящее время при сооружении линий стал широко при- меняться железобетон. Применение железобетонных опор весьма эффективно, так как они не подвергаются коррозии и гниению, т. е. эксплуатация их значительно проще, чем деревянных и метал- лических. Металлические детали, применяемые при изготовлении железобетонных опор, должны быть оцинкованы горячим спосо- бом или защищены антикоррозионными покрытиями. Железобетонные опоры по способу уплотнения бетона могут быть вибрированные и центрифугированные. Опоры из вибриро- ванного бетона в свою очередь различаются по профилю на дву- тавровые, квадратные и прямоугольные (рис. 11.1, а, б) и при- меняются для линий с напряжением до 35 кВ и линий связи. Цент- рифугированные железобетонные опоры изготавливаются из вы- сокопрочного бетона, уплотнение которого происходит за счет вращения их вокруг продольной оси в специальной форме (цент- рифуге) при достаточно большой скорости. Сечения центрифуги- 369
Рис. 11.1. Поперечные сечения стоек железобетонных опор: а — двутавровое; б — квадратное; в — кольцеобразное; 7 — бетон; 2 — стальной стержень и продольная арматура рованных опор кольцеобразные (рис. 11.1, в), т. е. они могут иметь коническую или цилиндрическую форму. В качестве арматуры для железобетонных опор используются стальные стержни и проволока. Такие опоры могут быть с ненапря- женной, частично напряженной и полностью напряженной арма- турой. В бетоне опор с ненапряженной арматурой (т. е. если при из- готовлении стержни продольной арматуры не подвергались пред- варительному напряжению) при возникновении растягивающих усилий появляются трещины. Совместное действие влаги, воздуха и переменных нагрузок приводит к выкрашиванию бетона в этих трещинах, а следовательно, бетон и вместе с ним опора теряют прочность. Для предотвращения образования трещин при изготовлении же- лезобетонных опор к части продольных стержней арматуры при- кладываются растягивающие усилия. После затвердевания бетона эти стержни создают в нем предварительные напряжения сжатия. В таких опорах трещины образуются при значительно больших на- грузках, чем в опорах с ненапряженной арматурой; при этом со- кращается расход металла на их изготовление. Предварительное на- пряжение всей продольной арматуры производится при исполь- зовании вместо стержней высокопрочной стальной проволоки, т. е. в опорах из струнобетона. Трещины в опорах из струнобетона при расчетных нагрузках не возникают. Однако появление в бетоне таких опор даже волося- ных трещин представляет опасность вследствие малого суммарно- го поперечного сечения продольной арматуры, которая будет кор- розировать при попадании в трещины влаги. Типы опор. По назначению различают следующие типы опор: промежуточные, анкерные, угловые и специальные. Промежуточные опоры (рис. 11.2), являющиеся наиболее мно- гочисленными на линии, предназначены для поддерживания про- водов на прямых участках трассы. Провода крепятся к опорам че- рез поддерживающие гирлянды изоляторов. В нормальном режиме 370
Рис. 11.2. Конструкции промежуточных опор: а — металлическая типа «рюмки» с горизонтальным расположением проводов; б — металлическая портальная с горизонтальным расположением проводов; в — металлическая для двухцепной линии с расположением проводов «бочкой»; г — железобетонная центрифугированная для проводов с напряжением 35 кВ; д — железобетонная центрифугированная для проводов с напряжением 110 кВ; е — дере- вянная промежуточная одностоечная типа «свечки»; / — ригель; 2 — пасынок-свая; 3 — стойка; 4 — траверса 371
опоры этого типа воспринимают нагрузки от веса смежных по- лупролетов проводов и тросов, веса изоляторов, линейной армату- ры и отдельных элементов опор, а также ветровые нагрузки, обу- словленные давлением ветра на провода, тросы и саму опору. В ава- рийном режиме промежуточные опоры должны выдерживать напряжения, возникающие при обрыве одного провода или троса. Расстояние между двумя соседними промежуточными опора- ми называется промежуточным пролетом. Угловые опоры могут быть промежуточными и анкерными. Про- межуточные угловые опоры (рис. 11.3) применяют обычно при не- больших углах поворота трассы (до 20°). Устанавливаются анкерные или промежуточные угловые опо- ры на участках трассы линии, где меняется ее направление. Промежуточные угловые опоры в нормальном режиме, кроме нагрузок, действующих на обычные промежуточные опоры, вос- принимают суммарные усилия от тяжения проводов и тросов в смежных пролетах, приложенные в точках их подвеса на опоре по биссектрисе угла поворота линии. Число анкерных угловых опор (рис. 11.4) составляет обычно небольшой процент от общего числа опор на линии (10... 15 %). Применение их обуславливается условиями монтажа линий, тре- бованиями, предъявляемыми к пересечениям линий с различны- ми объектами, естественными препятствиями, т.е. они применя- ются, например в горной местности, а также когда промежуточ- ные угловые опоры не обеспечивают требуемой надежности. Ис- пользуются анкерные угловые опоры и в качестве концевых опор, с которых провода линии идут в распределительное устройство подстанции или станции. На линиях, проходящих в населенной местности, число анкер- ных угловых опор также увеличивается. Провода к анкерным угловым опо- рам крепятся через на- тяжные гирлянды изоля- торов. В нормальном ре- жиме на эти опоры, кро- ме нагрузок, указанных для промежуточных опор, действуют разность тяже- ний по проводам и тро- сам в смежных пролетах и равнодействующая сил тя- жения по проводам и тро- сам. Обычно все угловые опоры устанавливаются а) б) Рис. 11.3. Конструкции промежуточных угловых опор: а — одноцепная портальная с оттяжками; б — деревянная для углов поворота трассы до 20’ 372
Рис. 11.4. Анкерная угло- вая опора ВЛ с напря- жением до 1 кВ: 1 — стойка; 2 — траверса; 3 — опорная плита; 4 — ан- керная плита так, чтобы равнодействующая сил тяже- ния была направлена по оси траверсы опо- ры. В аварийном режиме анкерные опоры должны выдерживать обрыв двух проводов или тросов. Расстояние между двумя соседними ан- керными опорами называют анкерным про- летом. Ответвительные опоры предназначены для выполнения ответвлений от магистраль- ных воздушных линий при необходимости электроснабжения потребителей, находя- щихся на некотором расстоянии от трассы. Перекрестные опоры применяются для выполнения на них скрещивания проводов ВЛ двух направлений. Концевые опоры устанавливаются в нача- ле и конце воздушной линии. Они воспри- нимают направленные вдоль линии усилия, создаваемые нормальным односторонним тяжением проводов. Для воздушных линий применяются так- же анкерные опоры, имеющие повышен- ную по сравнению с перечисленными выше типами опор прочность и более сложную конструкцию. Для воздушных линий с напряжением до 1 кВ в основном при- меняются деревянные и железобетонные опоры. Конструкции деревянных опор. Все элементы деревянной опоры делятся на основные — пасынки, стойки, траверсы, и вспомога- тельные — раскосы, распорки, подтраверсные брусья, ригели и подкосы. Пасынок — нижняя часть опоры, заглубляемая в землю. При больших расчетных нагрузках на каждую стойку опоры устанавли- вают по два пасынка. Пасынки являются одной из наиболее под- верженных загниванию деталей опор, поэтому чаще всего изго- тавливаются из железобетона. Стойка — верхняя часть опоры, к которой крепится траверса. Каждая стойка соединяется с пасынком двумя проволочными бан- дажами. Стойка и пасынок образуют ногу опоры. Они восприни- мают воздействие основных нагрузок при нормальном и аварий- ном режимах работы линии. Траверса служит для подвески проводов на гирляндах изолято- ров. На промежуточных опорах без троса (см. рис. 11.2, е) траверса крепится на расстоянии 0,25 м от вершины стойки, на опорах с 373
ipocoM — на расстоянии 2...2,5 м от вершины, что определяется условиями защиты линии от грозы. Траверса воспринимает нагруз- ки, обусловленные весом проводов, изоляторов и арматуры, а в аварийном режиме и дополнительное тяжение проводов. Раскос и распорка служат для укрепления основных элементов деревянных опор. Усилия, действующие на распорки и раскосы, незначительны. Раскосы промежуточной опоры увеличивают ее же- сткость и снижают изгибающие моменты, действующие на стой- ки. Раскосы и распорки анкерных угловых опор образуют вместе с основными деталями жесткую конструкцию, хорошо восприни- мающую усилия, направленные вдоль траверсы. Подтраверсные брусья устанавливаются только на анкерных уг- ловых опорах и служат для крепления траверсы к стойкам. Число подтраверсных брусьев зависит от нагрузок на опору и колеблется от четырех до восьми. Грозозащитные тросы подвешиваются непосредственно к стой- кам опоры. При недостаточной длине стоек применяют металли- ческие специальные тросостойки, которые крепятся на конце ос- новной стойки. Ригели служат для повышения прочности установки опор в грун- те. Размер, число и глубина заложения ригелей зависят от нагруз- ки на опору и свойств грунта, в котором она устанавливается. Рис. 11.5. Деревянные опоры для ВЛ с напряже- нием до 1 кВ: а — одностоечная с крюком; б — одностоечная с травер- сой; в — анкерная; 1 — пасынок; 2 — бандаж; 3 — стойка; 4 — крюк; 5 — траверса; 6 — раскосы; 7 — подкос; 8 — болт; 9 — ригель 374
В свободно стоящей одностоечной промежуточной опоре (рис. 11.5, а), деревянная стойка 3 с помощью проволочных бан- дажей 2 закреплена на пасынке 1. В основном применяются желе- зобетонные пасынки типа ПТО с трапецеидальным сечением и длиной 3,25 или 4,25 м, значительно реже — деревянные пасынки длиной 4,5 м. Длина сопряжения стойки с железобетонным па- сынком должна быть 1,1 м, а с деревянным — 1,3 м. Длина стойки для подвески пяти проводов должна быть не менее 7,5 м при па- сынке 3,25 м и не менее 6,5 м при пасынке 4,25 м. В верхней части опоры в шахматном порядке на расстоянии 200 мм ввернуты крю- ки 4; такое же расстояние выдерживается между верхним крюком и скосом стойки. Вместо крюков на опоре может быть смонтиро- вана траверса 5 (рис. 11.5, б) с раскосами 6 для изоляторов. В деревянной анкерной опоре на пасынках (рис. 11.5, в) стой- ка 3 опоры закреплена на пасынке 1 проволочными бандажами 2. Для восприятия усилий от одностороннего тяжения проводов опора снабжена деревянным подкосом 7, имеющим пасынок. Подкос со стойкой соединен врубкой и двумя болтами 8 или металлически- ми накладками. В верхней части опоры установлены крюки 4. Для прочности закрепления анкерных и особенно угловых опор в грунте к пасынкам стойки и подкоса крепятся деревянные или железо- бетонные ригели 9. Вопросы для самоконтроля I. 1. Для чего служат опоры? 2. Из чего изготавливаются опоры? 3. Какие материалы применяются для изготовления металлических опор? II. 1. Как подразделяются железобетонные опоры? 2. Какие типы опор вы знаете? 3. Чем обрабатывается древесина? 4. Какова конструкция деревянных опор ВЛ? III. 1. Дайте определение пасынка. 2. Что такое стойка? 3. Для чего служит траверса? 4. Для чего служат раскос и распорка? 5. Где и для чего устанавливаются подтраверсные брусья? 6. Что такое ригель? 11.3. Изоляторы, провода и тросы Изоляторы предназначены для подвески проводов к опорам и создания необходимого электрического сопротивления между про- водом, находящимся под напряжением, и опорой. Условия рабо- ты изоляторов определяют требования к их материалу и конст- рукции. 375
а) б) Рис. 11.6. Штыревые линейные изоляторы типов ШС (а) и ШД (б) Линейные изоляторы изготавливают из высоко- прочного электротехни- ческого фарфора, основ- ным сырьем для которо- го служит белая глина — каолин. Вместо фарфоровых изоляторов иногда приме- няются изоляторы из спе- циального закаленного стекла. У стеклянных изо- ляторов механическая прочность выше, а размеры и масса мень- ше. Кроме того, стеклянные изоляторы не имеют глазури, на ко- торой со временем появляются трещины, поэтому они отлича- ются большим сроком службы. К тому же стекло является более дешевым материалом. Для ВЛ с напряжением до 1 кВ используют также штыревые изо- ляторы типа ШН и ШЛН. Штыревые изоляторы типа ШС и ШД (рис. 11.6) устанавливают на стальных крюках. Провода ВЛ располагаются на головке или шейке штыревых изоляторов и прикрепляются к ней стальной оцинкованной проволокой (вязка). Крюки и штыри для крепления изоляторов показаны на рис. 11.7. Для ВЛ с напряжением до 1 кВ используются крюки типа КН, из- готавливаемые из круглой стали диаметром 12... 18 мм, или типа КВ в зависимости от типа изолятора. Провода являются одним из основных элементов линий элект- ропередачи. От правильного выбора материала, сечения и конст- рукции проводов и тросов зависят технико-экономические пока- затели электропередачи и стоимость сооружения линии. К проводам и тросам предъявляются следующие требования: материал проводов должен иметь хорошую электрическую про- водимость; материал проводов должен иметь малое электрическое сопро- тивление, что обеспечивает меньшие потери напряжения; провода и тросы должны облапать высокой механической проч- ностью, обеспечивая допуск больших тяжений по ним, что в свою очередь позволяет снижать высоту опор или увеличивать длину пролетов, уменьшая стоимость сооружения линий; материал проводов и тросов должен быть устойчивым к корро- зии, особенно для линий, проходящих вблизи морских побережий и промышленных предприятий, загрязняющих атмосферу. Для изготовления проводов применяются следующие материа- лы: медь, бронза, алюминий и его сплавы, сталь. 376
ЯП а) 0 22 б) в) Рис. 11.7. Детали для крепления изоляторов: а — крюк КН-16; б — крюк КВ-22; в — стальной штырь типа ШН или ШУ Медь. На линиях, сооруженных в ювоенный период, в основном ис- пользовались медные провода, име- ющие высокую электрическую про- водимость. Такие провода изготав- шваются из проволоки диаметром 2...3,5 мм, имеющей временное со- противление на разрыв 39 кг/мм2. Медные провода легко поддаются сварке и пайке. Медь устойчива к ат- мосферным воздействиям, но она подвержена окислению, особенно при наличии в атмосфере паров серы пли ее соединений. Рафинированная электротехни- ческая медь дорога и дефицитна, । юэтому медные провода используют- ся в настоящее время в основном на специальных воздушных линиях (на- пример, для монтажа контактной сети электрифицированного транс- порта) и в районах, где в атмосфере содержатся кислоты, щелочи, соли морской воды, быстро разрушающие другие проводниковые материалы. Алюминиевые провода имеют сопротивление в 1,6 раза больше, чем медь, поэтому для передачи одинаковой электрической мощ- ности на одно и то же расстояние требуются алюминиевые прово- да с сечением во столько же раз больше сечения медных проводов (наименьшее 16 мм2). Но если сравнить массу проводов из алюми- ния и меди, затраченных на монтаж одинаковых по длине линий, и их пропускную способность, окажется, что, имея большее се- чение, алюминиевые провода будут весить примерно в два раза меньше медных (плотность алюминия в три с лишним раза мень- ше меди). Поэтому, а также из-за низкой стоимости и достаточ- ной устойчивости к действию химически активных веществ (кро- ме щелочей, соляной кислоты и морских солей) алюминиевые про- вода почти повсеместно вытеснили медные. Алюминиевые провода изготавливаются из проволоки диаметром 1,7... 4,2 мм с временным сопротивлением на разрыв 15... 16 кг/мм2. Небольшая прочность алюминия на разрыв по сравнению с медью и бронзой является его основным недостатком как мате- риала для изготовления проводов и приводит к необходимости уменьшать длину пролетов линии, вызывая увеличение ее стои- мости. 377
Стальные провода при высокой механической прочности име- ют большое электрическое сопротивление, поэтому используют- ся при передаче небольшой электрической мощности на малые рас- стояния (в небольших городах и поселках). Для ВЛ применяются провода стальные однопроволочные (ПСО) диаметром 3...5 мм и стальные многопроволочные провода с присадкой меди (0,2 % — ПС или 0,4 % — ПМС). В отличие от однопроволочных проводов меднистые стальные провода различаются не по диаметру, а по сечению (например, провод ПС-50, ПСМ-7С). Применение однопроволочных проводов для воздушных линий ограничивается их низкой надежностью. Дефекты изготовления проволоки, повышенные механические нагрузки и вибрация силь- нее сказываются на прочности однопроволочных проводов. Одно- проволочные провода с большим сечением не производятся. Многопроволочные провода могут иметь различное число прово- лок из одного или разных металлов. Число проволок N в много- проволочном проводе с центральной проволокой можно выразить через число слоев проволок п: N= Зп (п - 1) + 1. В проводе с тремя центральными проволоками N= Зп1. Скрутка повивов провода может быть правой (проволоки скру- чиваются вверх слева направо) или левой. Навивка смежных по- вивов может производиться в разных направлениях, что обеспе- чивает сохранение проводом круглой формы и препятствует его раскручиванию под действием силы тяжести. Временное сопротивление многопроволочного провода в целом составляет 85... 90 % от суммы временных сопротивлений его про- волок, что объясняется различными условиями работы проволок в разных повивах. Особым видом многопроволочных проводов являются комби- нированные провода — сталебронзовые и сталеалюминиевые. Внут- ренние повивы таких проводов выполняются из высокопрочной стальной проволоки, а внешние — из бронзовой или алюминие- вой. Стальной сердечник увеличивает прочность провода. В стале- алюминиевых проводах удачно сочетаются достаточно высокая про- водимость алюминия с высокой механической прочностью стали. Сталеалюминиевые провода в настоящее время являются основ- ным видом проводов, применяемых при сооружении линий. В маркировке проводов указываются материал, из которого они изготовлены, и номинальное сечение их проводящей части. Мед- ные провода маркируются буквой М, алюминиевые — А, стале- алюминиевые — АС, АСО, АСУ (соответственно нормальные, об- легченные и усиленные, отличающиеся друг от друга различным соотношением сечений алюминия и стали). По условиям механической прочности для воздушных линий с напряжением до 1 кВ применяются однопроволочные и многопро- 378
полочные провода с сечениями не менее: алюминиевые — 16 мм2, сталеалюминиевые и биметаллические — 10 мм2, стальные мно- гопроволочные — 25 мм2, а также стальные однопроволочные про- вода с диаметром 4 мм. Расплетенные провода, а также однопроволочные стальные про- вода с диаметром выше 5 мм и однопроволочные биметалличес- кие провода с диаметром выше 6,5 мм применять запрещается. Грозозащитные тросы изготавливаются из оцинкованных вы- сокосортных стальных проволок, свитых в общий трос. Вопросы для самоконтроля I. 1. Для чего применяются изоляторы? 2. Из каких материалов изготавливаются изоляторы? 3. Дайте характеристику меди, применяемой для изготовления про- водов. 4. Дайте характеристику алюминия, применяемого для изготовле-ния проводов. II. 1. Что представляют собой однопроволочные и многопроволочные провода, каковы особенности их применения? 2. Что такое комбинированные провода, каковы их преимущества и особенности применения? 3. Поясните назначение и основные характеристики стальных про- водов. III. 1. Какие виды изоляторов вы знаете? 2. Какие детали используются для крепления изоляторов? 11.4. Монтаж воздушных ЛЭП Технологический процесс монтажа линии электропередачи (ЛЭП) включает в себя: подготовительные работы, в ходе которых знакомятся с рай- оном прохождения трассы, разбивают трассу, рубят просеки, роют котлованы под опоры, подготавливают разного рода производ- ственные, хозяйственные и коммунальные помещения; основные строительно-монтажные работы, в ходе которых раз- возят по местам, собирают и устанавливают опоры, доставляют и монтируют изоляторы, провода, тросы. Разбивка трассы воздушных линий и рытье котлованов под опоры. Разбивкой трассы называют комплекс работ по определению на местности проектных направлений воздушной линии и мест уста- новки опор. Трасса должна быть проложена на местности так, чтобы после сооружения линии обеспечивались нормальные условия движения транспорта и пешеходов, а также удобство обслуживания и ремонта всех элементов линии. 379
Минимально допустимые расстояния от опор и проводов ли- нии до подземных трубопроводов, канализационных труб и кабелей — 1 м, до пожарных гидрантов, водоразборных коло- нок, колодцев (люков) подземной канализации — 2 м, до бензи- нораздаточных колонок —5 м. Разбивку трассы начинают с того, что при помощи, теодолита определяют направление первого прямолинейного участка линии, а затем по этому направлению устанавливают две вешки: одну в на- чале участка, а другую на расстоянии 200... 300 м от нее (в зависи- мости от условий видимости). На полученном направлении в мес- тах размещения опор, указанных в проекте, временно устанавли- вают вешки, которые визируют с концов участка линии для проверки правильности расположения их в створе сооружаемой ВЛ, а затем удаляют, заменяя пикетными знаками. На каждом пикет- ном знаке указывается его номер, а также проектный номер опо- ры, подлежащей установке в этом месте. Пикетные знаки распо- лагают в центре будущих котлованов. В пункте изменения направления линии на А-образной угло- вой опоре необходимо предварительно произвести разбивку угла поворота трассы. Для этого, считая вершину опоры вершиной угла (рис. 11.8, а), откладывают по обеим его сторонам равные отрезки АВ и АС. Затем соединяют точки В и С, а середину отрезка ВС со- единяют с точкой А. Прямая AD и будет биссектрисой угла. Котло- ваны должны находиться на этой биссектрисе и быть отдалены от точки А на одинаковые расстояния, определяемые раствором ног устанавливаемой опоры. Разбивку котлованов под А-образные опо- ры целесообразно производить при помощи специальных шабло- нов, применение которых позволяет быстро и точно выполнять эту операцию. Углы поворота линии обозначаются угловыми пикет- ными знаками, на которых указывают их номер, угол поворота линии и проектный номер опоры. Произведенную разбивку трассы на местности сверяют с про- ектом; имеющиеся отклонения от проекта устраняют или согла- совывают с проектной организацией, а затем приступают к ры- тью котлованов под опоры. Опоры ВЛ, рассчитанной на напряжение до 1000 В, как пра- вило, не требуют устройства фундаментов, их устанавливают не- посредственно в грунт, поэтому после разметки оси трассы и цен- тров опор роют котлованы под опоры. Перед рытьем проверяют, правильно ли был установлен знак, обозначающий место установ- ки опоры. Для этого на двух соседних пикетах устанавливают дере- вянные вешки и на глаз определяют, находятся ли эти вешки и знак на проверяемом пикете на одной линии. Для рытья котлованов под опоры, устанавливаемые непосред- ственно в грунт, применяют специальные землеройные машины 380
Рис. 11.8. Разбивка котлована под угловую анкерную опо- ру (а) и форма котлована, отрытого вручную (б) на автомобильном или гусеничном ходу. Использование буровых машин исключает тяжелый и малопроизводительный ручной труд и гарантирует надежное закрепление опоры в грунте. Пробурен- ные котлованы представляют собой скважины, размер которых со- ответствует диаметру опоры, а стенки уплотнены инструментом бурильной установки. Для рытья котлованов прямоугольной фор- мы под опоры ВЛ используют экскаваторы Э-153 и Э-302Б на пневмоколесном ходу. Котлованы цилиндрической формы под одностоечные опоры роют при помощи автоямобуров и самоходных бурильно-крано- вых машин в несколько приемов, т.е., углубив бур на 0,4...0,5 м, его поднимают вместе с находящимся на нем грунтом и, увели- чивая частоту вращения бура, разбрасывают грунт. Затем бур по- вторно опускают в котлован и углубляют его еще на 0,4... 0,5 м. Эти операции продолжают до тех пор, пока не будет вырыт котлован требуемой глубины и ширины. Глубина котлованов под опоры определяется проектом в зави- симости от характера грунта, высоты и назначения опоры, кли- матических условия района, числа размещаемых на опоре прово- дов и их общего сечения, особых условий на трассе и др. Внешние границы котлованов на поверхности земли определяются углом ес- тественного откоса. Площадь основания котлована должна допус- кать перемещение комля опоры на 10... 15 см поперек оси трассы для более точной установки ее в створе линии. Котлованы под угловые и концевые опоры роют так, чтобы нетронутая стенка котлована находилась со стороны тяжения про- водов ВЛ. Вручную котлованы роют в местах, где имеются многочислен- ные и разветвленные подземные коммуникации (кабельные ли- нии, трубопроводы, туннели, коллекторы и др.). Вручную копают также котлованы для установки одной или двух-трех опор, когда парк механизмов находится далеко и перегонять бурильные уста- новки для выполнения малого объема работ нецелесообразно. 381
При ручной разработке грунта (рис. 11.8, б) для одностоечных опор копают котлован шириной (поперек трассы) 0,6...0,7 м и длиной (вдоль трассы) 1,8... 1,9 м. Вдоль линии котлован роют сту- пенями высотой 500... 700 мм каждая. Грунт отбрасывают от бров- ки котлована не менее чем на 0,5 м. Котлованы в месте установки опор следует рыть, соблюдая меры предосторожности, особенно после достижения глубины 0,4 м, из- за опасности повреждения находящихся в земле коммуникаций или сооружений. При обнаружении во время разработки котлована под- земного кабеля и каких-либо трубопроводов или появления запа- ха газа следует немедленно прекратить работы и сообщить об этом руководителю работ. Сборка опор. Деревянные опоры вывозят на трассу на автома- шинах-лесовозах или на обычных бортовых машинах с прицепа- ми-роспусками. Железобетонные стойки также можно перевозить на автомашине с прицепом, но значительно удобнее использовать для этой цели специальную платформу с гидроподъемником. Же- лезобетонные опоры очень чувствительны к ударам, поэтому их погрузку, перевозку и выгрузку следует производить с большой осторожностью. В частности, запрещается сбрасывать опоры с плат- формы при разгрузке и тащить их волоком по земле при переме- щении. Изоляторы и арматуру перевозят по трассе на автомашине в прочных деревянных ящиках или контейнерах, а барабаны с про- водами или тросами грузят и перевозят с применением механиз- мов, аналогичных тем, которые используются при кабельных ра- ботах. Деревянные опоры, как правило, собирают из заранее заготов- ленных и антисептированных заводским способом деталей, пред- ставляющих собой стандартные элементы (стойки, траверсы с го- товыми врубками, затесами и т.д.). Сборку начинают с обработки верхушки стойки на конус или клин. Наклонно затесывают и верхнюю часть деревянного пасын- ка. Далее приступают к соединению стойки 1 (рис. 11.9, а) с па- сынком 3. Jtyn. плотного сопряжения конец стойки и часть пасынка на уча- стке длиной 1300 мм затесывают так, чтобы ширина затеса состав- ляла не менее 125 мм. Затем размечают места расположения про- волочных бандажей 2 или припасовочных хомутов. Если стяжку осу- ществляют стяжными болтами, для них вырубают небольшие выемки. Все места, подвергнутые механической обработке, покрывают нагретым до 80... 90 °C антисептиком. В процессе припасовки стойку укладывают на подкладки затесанной плоскостью вверх, на стойку накладывают пасынок так, чтобы вырубки для стяжных болтов 382
а) б) в) Рис. 11.9. Способы соединения стойки с пасынком: а — проволочными бандажами со стяжны- ми болтами; б — припасовочными хомута- ми; в — проволочными бандажами; 1 — стой- ка; 2 — бандаж; 3 — пасынок; 4 — бандаж- ная шайба совпали. Затем обе соедини- мые детали временно скреп- 1яют скобами или струбци- нами. Бандаж делают из сталь- ной оцинкованной проволо- ки диаметром 4 мм или из неоцинкованной проволоки шаметром 5...6 мм, покры- той асфальтовым лаком. Чис- ю витков в бандаже зависит < > г диаметра проволоки (при шаметре 4 мм — 12 витков, при диаметре 5 мм — 10, при шаметре 6 мм — 8). Один ко- нец заготовленной бандаж- ной проволоки на участке тиной 20...25 мм загибают под прямым углом и забива- ют в стойку, затем проволо- ку плотно наматывают вок- руг стойки и пасынка, вы- равнивая и подвивая друг к другу витки бандажа. После того как нужное число витков намотано, проволоку обрубают или переку- сывают клещами-кусачками, а свободный конец просовывают под уложенные витки и временно загибают. Разделив число витков на две равные части, между ними просовывают лом или металличес- кий штырь и производят стягивание бандажа, причем по мере на- тяжения проволоки витки рихтуются и уплотняются ударами мо- лотка. По окончании стяжки свободный конец проволоки также забивают в опору. Последняя операция по соединению стойки с пасынком — это установка стяжных болтов. Через середины бан- дажа с обеих сторон стойки и сквозь отверстие, образованное ра- нее сделанными вырубками, продевают стяжной болт с надетой на него бандажной шайбой 4. С противоположной стороны на болт надевают вторую шайбу и затягивают гайку с таким расчетом, чтобы между каждой бандажной шайбой и цилиндрическими по- верхностями стойки и пасынка оставался зазор до 20 мм, необхо- димый для подтяжки бандажа в процессе осмотров и ремонтов ВЛ. Точно так же выполняют второй бандаж, после чего снимают скобы или струбцины. В такой же последовательности припасовывают деревянные опо- ры к железобетонным пасынкам (кроме затесывания пасынка и вырубки в нем выемки под стяжной болт). Надежное и прочное соединение обеспечивает припасовка опоры к железобетонному 383
пасынку специальными припасовочными хомутами (рис. 11.9, б). Для опор, рассчитанных на напряжение до 1000 В, можно приме- нять затяжку ломом проволочных бандажей скруткой с обеих сто- рон без применения стяжных бандажных болтов (рис. 11.9, в). В случае значительных нагрузок на опору, а также на участках с недостаточно плотным грунтом (например, болотистая местность, плывуны и т. д.) стойку опоры крепят на двух пасынках. Последо- вательность припасовки такая же, как при сборке опоры с одним пасынком, но следует иметь в виду, что проволочными бандажа- ми или припасовочными хомутами разрешается стягивать не бо- лее двух деталей. Поэтому сначала опору 1 (рис. 11.10) с пасын- ком 2 соединяют обычным способом, затем опору переворачива- ют на подкладках второй стесанной стороной кверху и привязывают второй пасынок. А-образные опоры (рис. 11.11) собирают в следующем порядке. Сначала к обеим стойкам припасовывают пасынки, затем стойки Рис. 11.10. Соединение стойки с двумя пасынками: 1 — опора; 2 — пасынок Рис. 11.11. Соединение вершины анкерной опоры: 7 — подтраверсник; 2 — траверса; 3 — стойка; 4 — болт; 5 — шпонка; 6 — ого- ловник 384
кладывают неразделанными вершинами одну на другую, а ком- 1П стоек разводят на проектное расстояние, развернув пасынки на внешнюю сторону угла, образованного стойками. Когда стойки 3 ыймут нужное положение, на их вершинах отмечают линию АВ. Затем стойки разъединяют и делают затесы по отмеченной линии. Натесанные вершины стоек прикладывают одну к другой, временно скрепляют строительными скобами, на стойках делают разметку под стяжные болты 4, размечают гнездо для деревянной или метал- шческой шпонки 5, а также размечают отверстия для болтов, кре- пящих подтраверсники 7, служащие для крепления траверсы 2. По разметке сверлят отверстия, вырубают пазы и скосы на верхушках (глубина вырубки не должна отличаться от проектной более чем на I мм, а зарубы, затем затесы и отколы древесины допускаются на мубину не более 0,1 диаметра бревна). Подготовленные к сборке части А-образной опоры маркируют и транспортируют на трассу. Гак как эти опоры имеют большие габаритные размеры, их сбор- ку производят непосредственно у котлована на трассе. При сборке под стяжные болты подкладывают накладки оголовника 6. Оснастку опор производят при изготовлении их на стройзаво- чах или, чтобы избежать повреждения изоляторов и арматуры при । ранспортировке, непосредственно на месте сооружения ВЛ. Ос- । кастка опор включает в себя разметку мест расположения крюков, сверление в опоре отверстий под крюки и установку в них крюков п изоляторов. Места установки крюков на опоре размеча- ются при помощи шаблонов, изготовленных из куска прямоугольной алюминиевой шины тол- щиной 3...4 мм. Шаблон (рис. 11.12) коротким изогнутым концом накладывают на вершину опоры сначала с одной стороны, а затем с дру- гой. Отсчитывают и отмечают места установки крюков соответственно по четным и нечетным отверстиям шаблона. Разметку отверстий в тра- версах для установки в них штырей производят также при помощи шаблона. Отверстия в опоре сверлят при помощи элек- трического инструмента. В случае отсутствия ис- точника энергии применяется бурав соответству- ющего размера или специальное приспособле- ние. Высверленное в опоре отверстие должно иметь диаметр, равный внутреннему диаметру нарезки крюка, и глубину, равную длине нарез- ной части крюка. Крюк ввертывается в тело опо- ры всей нарезной частью плюс 10... 15 мм при помощи ключа. I 40 Рис. 11.12. Шаб- лон для размет- ки отверстий под крюки 13 Нестеренко 385
На изоляторах при установке не должно быть трещин, ско- лов фарфора, стойких, не поддающихся очистке загрязнений и других дефектов. Грязные изоляторы необходимо вычистить. Чи- стить изоляторы металлическими щетками, скребками или ины- ми металлическими инструментами запрещается. Большинство загрязнений удаляется с поверхности изолятора сухой или мок- рой ветошью, а стойкие загрязнения — тряпкой, смоченной в со- ляной кислоте (ржавчина и др.). Работать с соляной кислотой следует в перчатках из кислотоупорной резины и в защитных оч- ках. Сборка железобетонных одностоечных опор заключается в ус- тановке траверс и ригелей и укладке заземляющего спуска (если это предусмотрено проектом). Стойку опоры выкладывают на под- кладках, траверсы выверяют по перпендикуляру к оси стойки и плоскости крепления проводов, а затем закрепляют болтами. Как правило, на место сборки траверсы поступают в собранном виде со штырями и подкосами, поэтому остается лишь выполнить ар- мировку изоляторов. Оснастка железобетонных опор производится практически так же, как и оснастка деревянных опор. Работы по оснастке выпол- няются до подъема и установки опор в котловане, что позволяет применять различные механизмы и таким образом намного облег- чить труд монтажников Подъем и установка опор. Установка собранной опоры в котло- ване — это операция, связанная с подъемом и перемещением круп- ногабаритного груза со значительной массой, поэтому при мон- таже воздушных линий широко применяются канаты, тросы, при- способления для строповки, шарниры, полиспасты и др. Одностоечные деревянные или железобетонные опоры устанав- ливают с помощью подъемного крана или бурокрановой установ- ки в следующем порядке. Собранную опору подтаскивают к котло- вану и укладывают так, чтобы ее центр тяжести примерно совпа- дал с центром котлована. Такелажный строп крепят на расстоянии 1... 1,5 м от центра тяжести опоры ближе к вершине (чтобы после подъема комель опоры был направлен вниз под действием силы тяжести). К нижней части опоры (либо пасынка, если он имеет- ся) на расстоянии около 3 м от конца привязывают веревочную оттяжку длиной 10... 15 м. Подъемный кран или бурокрановую уста- новку закрепляют на выносных опорах на расстоянии 0,5 м от края котлована, затем опускают крюк крановой лебедки и на него на- девают петлю такелажного стропа. После подъема низ опоры на- правляют в котлован, а во время спуска стойку разворачивают так, чтобы крюки или траверсы на опоре были направлены строго пер- пендикулярно оси трассы. После полного погружения положение опоры выверяют по отвесу и между стенками котлована и телом 386
опоры или пасынка забивают деревянные клинья для временного '.1 крепления. Далее котлован засыпают наполовину, снимают такелажный ipon, отводят подъемную установку и окончательно засыпают котлован. При отсутствии необходимых механизмов допускается устанав- швать вручную небольшое число одностоечных опор при условии »>блюдения необходимых мер предосторожности. Для подъема од- ностоечной опоры вручную ее предварительно поднимают на ру- ках настолько, чтобы вершина находилась на высоте 2,5...3 м от 1смли, после чего ее начинают поддерживать баграми и ухватами. Постепенно, перебирая баграми и ухватами, опору поднимают, при этом комель опоры, скользя по вертикально установленной в котловане доске, опускается в котлован. Когда комель опоры вста- нет на дно котлована, ее выравнивают по отвесу и проверяют, на- ходится ли она в створе линии, направлены ли вдоль линии плос- кости соединительных стоек с приставками и нет ли выступаю- щей кривизны опоры. Наиболее широко распространен способ установки А- и П-об- разных опор при помощи так называемой падающей стрелы, ко- I орая может быть изготовлена из дерева или металла. Более деше- ные деревянные стрелы отличаются и сравнительно малым весом. С ледует также отметить, что деревянные стрелы удобнее для пе- ревозки. Стрелы длиной от 10 м делают металлическими. Рассмотрим процесс подъема деревянной П-образной опоры с । юмощью деревянной падающей стрелы (рис. 11.13). Опору распо- 1агают вдоль линии так, чтобы ее пасынки находились над выры- । ыми котлованами. Стрелу 4 устанавливают на расстоянии 1... 1,5 м от края котло- ванов между пасынками опоры. К верхушке стрелы крепят два бо- ковых тяговых троса 5, связывающих стрелу с опорой, и подъем- ный трос 3, идущий к тяговому механизму. Чтобы избежать пере- мещения устанавливаемой опоры в сторону тягового механизма в начальный момент подъема, к ее пасынкам крепятся два троса 1 в качестве нижних тормозов. Для установки стрелы в рабочее положение необходим так назы- ваемый подстрелок, состоящий из двух бревен длиной по 3,5 ...4 м и представляющий собой уменьшенное подобие стрелы. Под пасынки опоры в начале подъема подкладывают отрезки бре- вен. Опору снабжают двумя расчалками 2, прикрепляемыми к вби- 1ым в землю якорям, которые предотвращают ее смещение в сторону при подъеме. Чтобы не осыпались стенки котлованов, в которые будут упираться ноги опоры при подъеме, их защищают досками. В качестве тяговых механизмов применяют полиспаст и лебед- ку или же автомобиль, а еще лучше — трактор. 387
Рис. 11.13. Подъем деревянной П-образной опоры с помощью пада- ющей стрелы: 1 — трос; 2 — расчалка; 3 — подъемный трос; 4 — стрела; 5 — тяговый трос; 6 — тормозной трос По мере того как опора поднимается вверх, нижние тормозные тросы начинают плавно отпускать. Как только ноги опоры достиг- нут дна котлованов, стрела выходит из работы. Чтобы она не упала, ее заблаговременно прикрепляют дополнительным тросом к опоре. Когда опора займет вертикальное положение, нижние тормоз- ные тросы выводят из работы. Вместе с тем в работу вводится верх- ний тормозной трос 6, закрепленный за среднюю часть траверсы. Далее отвесом выверяют вертикальность положения опоры. Необ- ходимые перемещения опоры выполняют с помощью тормозных и подъемных тросов и боковых расчалок. Если опора стоит косо, ее выравнивают, удаляя из-под высоко стоящей ноги грунт или же, наоборот, подкладывая обрезки досок под низко стоящую ногу. Ноги опоры при этом приподнимают домкратом. При подъеме и установке А-образных опор с помощью падаю- щей стрелы (рис. 11.14) их выкладывают у котлованов плашмя с таким расчетом, чтобы основания ног находились у края котлова- нов на расстоянии 0,3 м от них. К стенке котлована вертикально устанавливают доски для обеспечения скольжения ног опоры при установке. К верхушке опоры прикрепляют две оттяжки (расчалки) и тормозной трос. Оттяжки служат для удержания опоры от воз- можных поперечных перемещений во время подъема, а тормоз- 388
Рис. 11.14. Подъем и установка деревянной А-образ- ной опоры с помощью лебедок и падающей стрелы: I — тяговая лебедка; 2 — тяговый трос; 3 — падающая стрела; 4 — оттяжка; 5 — тормозной трос; 6 — тормозная лебедка; 7 — прокладки под ноги падающей стрелы ной трос удерживает опору от падения при установке ее в верти- кальное положение. Падающую стрелу располагают по оси опоры с наклоном в ее сторону на 15... 20° В основании стрелы под каж- дую ногу подкладывают доску для предотвращения вдавливания их в грунт. Тяговый трос от лебедки пропускают через вершину стрелы и прочно крепят к верхушке опоры, после чего произво- дят пробный подъем опоры на 0,5...0,8 м от земли для проверки прочности крепления троса и правильности положения стрелы и опоры. Высота стрелы должна быть на 1 ...2 м больше расстояния от центра тяжести опоры до ее основания. До начала подъема стрелу крепят к поперечному брусу опоры при помощи веревки с блоком, чтобы удержать ее от падения после выхода из работы. Опору поднимают медленно, без рывков и одновременно сле- дят за тем, чтобы ноги опоры, скользя по доскам, спускались в котлованы. После выхода стрелы из работы подъем опоры продол- жают непосредственно тяговым тросом. При подходе верхушки опоры к точке «перевала» тормозной трос подтягивают, следя за тем, чтобы он находился в натянутом положении до момента, когда опора окажется в вертикальном положении. При установке опор должны соблюдаться следующие требования: оси опор должны быть вертикальными (допустимо отклонение от вертикали на каждый метр длины деревянной опоры не более 5 мм, а железобетонной — не более 1 мм ); траверсы должны быть расположены горизонтально (допусти- мый перекос траверсы не более 10 мм на 1 м ее длины); опоры должны быть расположены в створе линии (допустимое отклонение от створа линии не более 100 мм). 389
После проверки правильности установки опоры котлован за- сыпают, уплотняя грунт трамбовками через каждые 30...40 см за- сыпки. Стоящую опору освобождают от такелажа, при помощи ко- торого осуществлялись ее подъем и установка. Запрещается под- нимать опоры при сильном ветре, а также убирать такелаж, багры и ухваты до полной засыпки котлована. Техника безопасности при установке опор. Решающим условием безопасной работы при монтаже опор является исправное состоя- ние такелажа. Все подъемные механизмы (лебедки, блоки, поли- спасты) должны быть зарегистрированы, т. е. в документах долж- ны быть записи о ежегодных осмотрах и испытаниях. Пометки о произведенном очередном испытании делают также на корпусе механизма несмываемой краской или кернением. До начала работ весь такелаж независимо от даты последних испытаний проверяют, устанавливая наличие трещин у крюков блоков, степень разработанности осей роликов, нарушение цело- сти повива тросов и прядей канатов. При любых неисправностях элементов такелаж нельзя исполь- зовать для работы. Перед началом подъема проверяют надежность закрепления тор- мозных тросов и расчалок, прочность крепления тяговых тросов опоры, подъемных тросов к автокранам и тракторам. Особенно тщательно проверяют исправность стрел и надежность их установки. Для более равномерного распределения давления на грунт под ноги стрел подкладывают доски или бревна. Во время подъема опоры никто из работающих не должен на- ходиться непосредственно под опорой, действующими тросами или в котловане, а также в районе возможного падения опоры или стрелы. Все рабочие должны быть расставлены по рабочим местам и находиться в поле зрения бригадира. Опора после подъема должна быть немедленно закреплена. Око- ло опор, временно закрепленных расчалками, ставят охрану. Влезать на опору разрешается только после полного ее закреп- ления. Во время работы на опоре под ней не должен никто нахо- диться, чтобы избежать несчастного случая в результате падения инструментов, деталей такелажа и др. Вопросы для самоконтроля I. 1. Что такое разбивка трассы ВЛ? 2. Каковы допустимые расстояния от ЛЭП до различных соору- жений? 3. Каков порядок разбивки трассы? II. 1. Как производится разбивка котлованов под опоры? 2. Какие механизмы применяются для рытья котлованов? 390
3. Каков порядок сборки опор при раздельной доставке всех элемен- тов на место монтажа? III. 1. Какие вы знаете способы соединения стойки с пасынком? 2. Что такое бандаж и как он выполняется? 3. Каков порядок сборки А-образных опор? 4. Как применяется шаблон для разметки креплений под крюки и штыри? 5. Каков порядок сборки железобетонных опор? 6. Какие вы знаете способы подъема и установки опор? 7. В чем заключается техника безопасности при установке опор? 11.5. Монтаж проводов и тросов Монтаж проводов и тросов состоит из их раскатки, соедине- ния, натягивания, крепления и заземления. Раскатка проводов. Провода и тросы доставляются к месту мон- тажа на автомобилях или тракторах. При погрузке, перевозке и выгрузке барабанов с проводами и тросами необходимо принять меры, исключающие возможность их повреждения. Так, бараба- ны во время транспортирования должны быть прочно закрепле- ны тросами и клиньями. Запрещается сбрасывать барабаны. Ка- тить их следует, ориентируясь на стрелку, имеющуюся на щеке барабана. Барабан устанавливают на трассе ВЛ с таким расчетом, чтобы намотанный на него провод использовать полностью без допол- нительного перемещения. Расположение барабана должно соответ- ствовать условиям раскатки и конструкции раскаточных механиз- мов. Раскатку проводов для ВЛ можно выполнять двумя способа- ми — волочением и с движущегося барабана. Волочение применяется при отсутствии раскаточных транспор- тных средств (автомашин, кабельных транспортеров) и в случа- ях, когда эти средства не могут быть использованы по условиям местности. Во время волочения по земле возможно повреждение провода, поэтому этот способ лучше всего использовать при мон- таже коротких линий и на участках, где имеются мягкий грунт, травяной или снежный покров. Как правило, раскатку волочени- ем совмещают с подъемом проводов на промежуточные опоры. Барабан с проводом устанавливают за 10... 15 м до опоры, с кото- рой начинают раскатку. Если отсутствуют кабельные домкраты либо специальные раскаточные станки, в земле роют котлован, в ко- торый можно свободно опустить барабан до половины. С помощью вала, уложенного на края котлована, барабан подвешивают, что- бы он мог свободно вращаться. После этого отматывают 25... 30 м провода, поднимают его на опору и надевают на раскаточный ролик, подвешенный к крюку. 391
Рис. 11.15. Монтажный клиновой зажим: 1 — обойма; 2 — клин; 3 — провод; 4 — отверстие На конец провода, свисающего с опоры, надевают клиновой монтажный зажим (рис. 11.15), который состоит из обоймы 1, сквозь верхнюю часть которой проходит провод 5, а в нижней части свободно перемещается стальной клин 2, имеющий в плоскости, обращенной к проводу, небольшую насечку. В обойме имеется от- верстие 4 для присоединения тягового троса. Для закрепления за- жима на проводе достаточно продеть его в верхнюю часть обой- мы, вручную подвинуть клин в сторону его меньшего угла (до прикосновения насечки с проводом), а затем сильно потянуть в ту же сторону провод. Чем больше тяговое усилие, приложенное к зажиму, тем сильнее клин прижимает провод к верхней части обоймы, исключая проскальзывание. После окончания натяжки зажим легко снимается с провода (для этого достаточно несильно ударить молотком по обойме со стороны, противоположной на- правлению натяжки). Когда зажим закреплен на проводе, к нему крепят тяговый трос и с помощью лебедки (при небольших пролетах и малых сечениях проводов — вручную) производят раскатку провода с барабана. После того как конец провода достиг следующей опоры, на нее также подвешивается ролик и раскатка продолжается. В это время барабан слегка притормаживают, чтобы провод с него не сбегал. Применение раскаточных роликов увеличивает сохранность про- водов при волочении. При раскатке с движущегося барабана конец провода закреп- ляют в начале монтируемого участка, а барабан устанавливают на транспортное средство. С началом движения последнего по трассе провод плавно сходит с барабана, не волочась по грунту, и его повреждения практически исключены. После раскатки провод под- нимают на опоры и надевают на раскаточные ролики. Для повышения производительности труда часто раскатывают несколько проводов одновременно. Соединение и ремонт проводов ВЛ. Обычно эти операции произ- водят сразу же после раскатки или даже во время раскатки прово- да перед подъемом его на опоры. 392
Рис. 11.16. Станок для соединения проводов обжатием: 1, 6 - рычаги; 2, 11 — шарнир; 3 — вкладыш; 4 — гнездо; 5 — рычаг-рукоятка; 7 — скоба; 8 — болт; 9 — отверстие; 10 — винт Соединение проводов ВЛ может выполняться скручиванием, об- жатием или опрессовкой в овальных соединителях, термитной свар- кой, с помощью болтовых соединений и другими способами. Обжатием провода соединяют на станке, устройство которого показано на рис. 11.16. Станок состоит из рычагов 1 и 6, соединенных шарниром 2, и скобы 7, связанной шарниром 11 с неподвижным рычагом 7. В ско- бе имеется отверстие 9 с внутренней нарезкой, в которое вверты- вают болт 8, вращаемый при обжатии рычагом-рукояткой 5. Ста- нок снабжен стальными вкладышами 3, состоящими из двух час- тей — верхней и нижней. Вкладыши крепятся винтами в гнездах 4. Винт 10 служит для регулирования усилия обжатия. На каждом вкладыше выбиты цифры, соответствующие опре- деленному сечению провода. Поскольку в работе участвуют одно- временно два вкладыша, на каждой паре выбивают одинаковые порядковые номера. По окончании работы вкладыши необходимо вынуть, промыть в бензине или керосине, смазать техническим вазелином и завер- нуть в плотную бумагу. Станок следует смазать машинным маслом. Как станок, так и вкладыши нужно хранить в сухом месте. Перед тем как приступить к соединению проводов, внимательно проверяют соответствие их расположения внизу последующему рас- положению на опорах. Чтобы предотвратить раскручивание пови- вов проводов и тросов, на их концы у мест соединений накладыва- ют бандажи из мягкой вязальной проволоки. Соединяемые концы подравнивают, обрезая ножовкой или на этом же станке, вставив режущие вкладыши. 393
Далее зачищают концы проводов на участке длиной не менее 1,3... 1,5 длины их заделки в соединительный зажим. Если провод сильно окислился, его повив расплетают и каждую проволоку за- чищают отдельно. Протерев сначала сухой тряпкой, затем пропи- танной бензином, а потом сухой, соединяемые концы покрыва- ют густым слоем технического вазелина или защитной пасты и за- чищают стальной щеткой. В той же последовательности зачищают внутренние контактные части соединителя, с той только разни- цей, что используют для этого стальной ерш. Защитная паста состоит из вазелина, предохраняющего контакт- ную поверхность от окисления, и цинковой пыли, которая буду- чи тверже алюминия врезается в металл провода и создает как бы контактные мостики по всей длине соединения. В настоящее вре- мя выпускают защитную пасту, в которой вместо цинковой пыли используется кварцевый песок. Приступая к соединению проводов обжатием, проверяют со- ответствие вкладышей 3 и овальных соединителей диаметру под- лежащих сращиванию проводов. Затем устанавливают вкладыши, следя за тем, чтобы имеющиеся на них буквы и цифры находи- лись с одной стороны. Упорным винтом 10 устанавливают мини- мальный зазор между вкладышами, равный 0,4...0,5 мм, и прове- ряют его щупом. Затем провода вставляют в соединитель с таким расчетом, чтобы концы выходили из него на 15...20 мм с обеих сторон. Риски на краях соединителя должны быть со стороны вы- ходящих концов провода. Соединитель с заправленными в него концами проводов встав- ляют во вкладыши и вращением рычага-рукоятки 5 производят об- жатие. При каждом обжатии после соприкосновения рычага 6 с упорным винтом 10 делают паузу на 1... 1,5 мин. Овальный соединитель типа СОАС (соединитель овальный для сталеалюминиевых проводов) представляет собой цельнотянутую металлическую гильзу, размер которой зависит от сечения соеди- няемых проводов. Медные провода соединяются в медных соеди- нителях, алюминиевые и сталеалюминиевые — в алюминиевых, а стальные многопроволочные — в стальных или медных. При под- готовке к соединению овальный соединитель очищают от грязи, промывают в бензине, насухо вытирают чистой ветошью и сма- зывают вазелином. Если на соединителе (или на проводе) имеют- ся следы коррозии, их удаляют стальной щеткой, а зачищенные места покрывают вазелином. Соединение алюминиевых и сталеалюминиевых проводов с сечениями до 95 мм2 путем скручивания овального соединителя (рис. 11.17) производят следующим образом. Подготовленные концы проводов 1 вводят в соединитель 2, закладывают его в при- способление МИ-189А (или МИ-190А) и закрепляют одним кон- 394
цом в неподвижном зажи- ме, а другим — в поворот- ной головке приспособле- ния. В этом положении с помощью рычага головку Рис. 11.17. Соединение проводов оваль- ным соединителем: с зажатым концом соеди- 7 _ провод; 2 _ соединитель нителя поворачивают на 4...4,5 оборота, после чего готовое соединение освобождают из за- жимов и вынимают из приспособления. Стальные провода соединяют овальными соединителями типа СОС по той же технологии, что и алюминиевые в соединителях типа СОАС, но в этом случае соединитель скручивают всего на 2...2,5 оборота. Кроме того, после монтажа соединения стальной корпус соединителя покрывают слоем антикоррозионной краски или смазывающего вещества марки ЗЭС. Соединение проводов и тросов опрессовкой производят на опрессо- вочном агрегате (рис. 11.18), состоящем из пресса 5 с рабочим пор- шнем диаметром 120 мм, в который вставляются матрицы 7 и <?; насоса 4 с ручными приводом, плунжером (диаметром 12 мм) и двумя шариковыми клапанами — всасывающим и нагнетающим; бака 1 для рабочей жидкости, вмещающего 2...3 л веретенного масла; вентиля 3 для спуска рабочей жидкости из пресса в бак, трубопровода 10, соединяющего насос и пресс. При большом объеме работ используют построенный по тому же принципу опрессовочный агрегат, приводимый в действие от двигателя автомобиля. Такой агрегат снабжен комплектами мат- риц для проводов разных сечений, которые нанесены на каждой Рис. 11.18. Агрегат для соединения проводов опрессовкой: 1 — бак; 2 — штуцер для манометра; 3 — вентиль; 4 — насос; 5 — пресс; 6 — заглушка; 7, 8 — соответственно верхняя и нижняя матрицы; 9 — инстру- ментальный ящик; 10 — трубопровод 395
матрице). Кроме того, матрицы разделяются на отдельные пары, порядковые номера которых также выбиваются на них. Перед началом работ, как и при соединении проводов обжати- ем, проверяют соответствие их расположения внизу последующе- му расположению на опорах, подравнивают и зачищают концы сращиваемых проводов. Кроме того, проверяют внутренние диа- метры и длину соединителей, которые должны быть указаны в рабочих чертежах. Допустимые отклонения: по длине соединителя ±5,0 мм, по внутреннему диаметру ±0,5 мм, по большому наруж- ному овалу ±0,5 мм, по малому овалу ±0,2 мм. В качестве соединителей используют алюминиевую и стальную трубки, соответственно предназначенные для сращивания алюми- ниевой и стальной жил. После проверки концы сращиваемых проводов и соедините- ли тщательно зачищают и покрывают антикоррозионным составом. Затем на концы проводов накладывают бандажи Б} (рис. 11.19, а), после чего на один из них (в данном случае правый) надевают алюминиевую трубку, при этом бандаж Б ослабляют и сдвига- ют по проводу за трубку, а на вышедший из нее конец наклады- вают бандаж Б2 (рис. 11.19, б). Трубку, в свою очередь, сдвигают по проводу на расстояние 0,8... 1 м от его конца. Далее на каж- дый провод на расстояниях от бандажей Б и Б2, равных 0,6 от длины стальной трубки L, накладывают бандажи Б2 (рис. 11.19, в), а бандажи Б и Б2 снимают. Разводят проволоки алюминиевых жил правого провода и, надрезав их (на половину толщины), отламы- вают. На концы обнажившегося повива стальных жил (размер К на рис. 11.19, г) накладывают бандажи Б4, затем эти концы очи- щают от заусенцев, промывают бензином и смазывают анти- коррозионным составом. Подготовленные таким образом сталь- ные жилы вводят в стальную трубку. Бандажи Б4 сначала сдвига- ют, а потом удаляют. Стальной соединитель с введенными в него проводами устанав- ливают в нижней матрице так, чтобы ее рабочая поверхность на- ходилась на середине монтируемого соединения, а выемки по бокам соединителя располагались вертикально по отношению к основанию матрицы. Затем устанавливают верхнюю матрицу. После этого матрицы с соединителем вставляют в пресс, опу- стив поршень в крайнее нижнее положение. Опрессовка ведется от середины соединителя к концам. Чтобы не допустить промежут- ков между отдельными обжимами, рабочая поверхность матрицы должна перекрывать на 6...8 мм уже опрессованный участок. Вы- полняя отдельные обжимы, добиваются того, чтобы матрицы со- шлись на расстояние 0,1 ...0,3 мм, что проверяют щупом. В случае искривления соединителя при опрессовке дефект исправляют, поворачивая нижнюю матрицу на 180° вогнутостью вниз. 396
Рис. 11.19. Соединение проводов опрессовкой: а — наложение бандажей б — наложение бандажа Б-^ и надевание алюминие- вой трубки; в — наложение бандажей 2>3; г — обнажение определенной части повива стальных жил После опрессовки возможные заусенцы снимают напильником, а соединитель и прилегающие к нему концы проводов обмазыва- ют техническим вазелином. Затем приступают к опрессовке алюминиевого соединителя, ра- нее надетого на провод. При этом в прессе устанавливают матри- цы, предназначенные для алюминиевого соединения. Обжим ве- дется от концов стального соединителя сначала с одной, а затем с другой стороны. Середину стального соединителя не опрессовы- вают. Чтобы предотвратить возможное вздутие провода у выхода из алюминиевого соединителя, на расстоянии 15...20 мм от его концов накладывают временные бандажи из мягкой проволоки. Алюминиевый соединитель опрессовывают также, как стальной. Монтаж соединителей в случае сращивания тросов осуществ- ляется в том же порядке, что и при соединении проводов. Чтобы устранить возможные явления коррозии, места выхода проводов и тросов из соединителей промазывают суриком, тер- тым на олифе. В последние годы широко применяется комбинированный метод соединения проводов, т. е. с помощью овальных соединителей и термитной сварки, выполняемой специальными сварочными кле- щами (рис. 11.20). Для выполнения такого соединения (рис. 11.21) при опрессов- ке проводов в овальном соединителе выпускают из него концы про- 397
Рис. 11.20. Клещи для термит- ной сварки проводов: 1 — защитный экран; 2 — тер- митный патрон; 3 — зажимное устройство; 4— провод; 5— пру- жина; 6 — рукоятка; 7 — стопор водов длиной, равной примерно 3/4 длины соединителя, которые затем сваривают в точке С. Сварку в термит- ном патроне производят в следующем порядке. Рукоятки 6 клещей (см. рис. 11.20) разводят в стороны и фиксиру- ют специальным стопором 7. Подготов- ленные к сварке провода 4 вводят в термитный патрон 2, каждый провод закрепляют в зажимных устройствах 3 так, чтобы разрез кокиля был сверху. Термитный патрон зажигают в месте, обозначенном краской или ярлыком, опускают защитный экран 1 и осво- бождают стопор. Горящая термитная масса расплавляет вкладыш и концы проводов, причем по мере расплавле- ния проводов их концы, расположен- ные в кокиле, движутся навстречу друг другу, так как пружина 5 сближает рукоятки клещей. После окончания сварки, когда расплавленный металл застынет, провода высвобождают из зажимных устройств, разгибают, сни- мают кокиль и зачищают место свар- ки. Петля, образованная в этом случае сваренными концами, не позволяет протягивать провод по раскаточным роликам, поэтому термитную сварку производят с монтажных вышек уже после того, как про- вод поднят на опоры, натянут и закреплен. Значительно удобнее другой способ. На рис. 11.22 показано со- единение концов провода 1 с помощью двух овальных соедините- лей 2 и дополнительного отрезка провода 3. В этом случае сначала на соединяемые концы свободно надевают овальные соединители и производят термитную сварку проводов в точке 4, а затем, вста- вив в оба соединителя дополнительный провод, соединяют с ним провода методами обжатия или скручивания. При этом термитная сварка обеспечивает надежный элек- трический контакт, а механическое усилие тяжения передается через со- единители и дополнительный отрезок провода. Такое соединение можно вы- полнять на земле, так как оно свобод- но проходит сквозь раскаточные ро- лики. Рис. 11.21. Соединение прово- дов соединителем и термит- ной сваркой 398
1 2 3 4 1 Рис. 11.22. Использование двух соединителей и термитной сварки: I — провод; 2 — овальный соединитель; 3 — дополнительный отрезок провода; 4 — точка термитной сварки Стальные однопроволочные провода можно соединять обычной электросваркой внахлестку с обеих сторон (рис. 11.23) с последу- ющим покрытием места соединения антикоррозионой краской. Разрешается также использовать бандажное соединение оцинко- ванной проволокой диаметром 1,5 мм (рис. 11.24). Для выполне- ния такого соединения концы проводов загибают под прямым углом на участке длиной не менее двух диаметров провода. Затем на один из проводов плотно, виток к витку, наматывают бандаж из проволоки на участке длиной 15 мм, после чего прикладывают второй провод, делают общий бандаж до загнутого конца и на- кладывают еще один 15-миллиметровый бандаж на втором про- воде. Длина бандажа, захватывающего оба провода, зависит от их диаметра: при диаметре 4 мм — не менее 40 мм, при 5 мм — не менее 50 мм и при диаметре 6 мм — не менее 80 мм. Для создания надежного контакта такое соединение пропаивают. Соединение голых монтажных многожильных проводов может осуществляться также при помощи болтовых зажимов, но только на опорах и при условии, что провода не будут испытывать меха- нических нагрузок. Болтовой зажим состоит из двух или трех (в за- висимости от сечения проводов) оцинкованных болтов с гайками и двух плашек с продольными канавками. Для обеспечения необ- ходимого контакта в зажиме диаметры отверстий, образуемых при соединении плашек, должны быть несколько меньше диаметров соединяемых проводов. При монтаже зажимов контактные поверхности плашек непос- редственно перед соединением проводов промывают бензином и смазывают тонким слоем технического вазелина. Поверхности за- жимов для соединения алюминиевых проводов зачищают сталь- ной щеткой по слою вазелина; также обрабатывают и поверхно- сти проводов. Затяжка болтов должна вестись ключом с усилием, 10 d Рис. 11.23. Соединение стальных однопроволочных проводов сваркой 399
Рис. 11.24. Бандажное соединение стальных однопроволочных проводов не превышающим 25 кН. Применять при этом какие-либо при- способления, увеличивающие силу затягивания, не допускается во избежание смятия соединяемых проводов или срыва резьбы болтов. Резьба болтов и гаек зажима смазывается вазелином или соли- долом. Применение контргаек обязательно. После затяжки болтов между плашками должен оставаться зазор 3...5 мм. Полное при- мыкание плашек зажима свидетельствует об отсутствии требуемо- го контакта, т. е. такой зажим необходимо сменить. Для предохра- нения контактных поверхностей от окисления наружные зазоры и места выхода проводов из зажима покрывают слоем (1...3 мм) пасты — свинцового сурика, разведенного на натуральной олифе. Через 8... 10 дней после монтажа зажима рекомендуется допол- нительно подтянуть его болты, так как вследствие уменьшения уп- ругости проводов давление между плашками и проводами за это время несколько снизится, что приведет к ухудшению контакта между ними и возможному нагреву участка соединения. Соединять провода из разных металлов или с разными сече- ниями разрешается только на опоре, чтобы исключить механичес- кие нагрузки. Не допускается соединять провода в местах прохода ВЛ над дорогами, путепроводами и другими сооружениями. Во время раскатки проводов их осматривают с целью обнару- жения возможных повреждений. Поврежденными считаются про- волоки, имеющие вмятины глубиной более половины своего ди- аметра или оборванные совсем. Если число поврежденных или оборванных проволок не превышает 10 % для алюминиевых или 20 % для сталеалюминиевых проводок, провод ремонтируют. При простом обрыве проволоки ее выправляют, укладывают в повив провода и накладывают на поврежденный участок прово- лочный бандаж длиной до 25 диаметров провода, предотвращаю- щий дальнейшее ее раскручивание. Если 2—3 проволоки оборва- ны в нескольких местах, их вырезают на одинаковой длине, на поврежденном участке вплетают недостающие проволоки и за- крепляют их концы проволочными бандажами. При ремонте про- водов используют также ремонтные муфты — обычный овальный соединитель на один размер меньше сечения ремонтируемого про- вода (например, для ремонта проводов сечением 50 мм2 берется соединитель, предназначенный для соединения проводов сечением 400
35 мм). Соединитель разрезают вдоль, разводят края так, чтобы его можно было надеть на провод, и надвигают на место поврежде- ния с таким расчетом, чтобы оно находилось примерно посере- дине. Разрезанные края соединителя заводят друг на друга и (сде- лав проволочный бандаж на проводе возле конца соединителя, ко- торый будет препятствовать его смещению) плотно обжимают его вокруг провода легкими ударами молотка, после чего опрессовы- вают с помощью пресс-клещей или ручного пресса. Расстояние между двумя проволочными бандажами или ремонтными муфта- ми должно быть не менее 15 м. Натягивание проводов. Раскатанные вдоль линии провода под- нимают шестами и забрасывают на крюки опор. Чтобы не спутать провода, рекомендуется поднять и натянуть сначала один (самый верхний) из них, а затем поочередно остальные. При подвешивании проводов необходимо соблюдать определен- ный порядок их размещения на опорах ВЛ. Это требование вызва- но тем, что при изменении температуры окружающей среды стрелы провеса проводов из разных материалов изменяются неодинако- во: наибольшее изменение стрелы провеса при минимальной и мак- симальной температурах свойственно алюминиевым проводам. При наиболее неблагоприятных условиях (например, при температуре окружающей среды, близкой к -40 °C) алюминиевый провод, рас- положенный в пролете ниже медного или стального провода, может приблизиться к ним на опасно близкое расстояние и даже кос- нуться их. Чтобы исключить возможность нарушения нормируемых расстояний между проходами при вертикальном расположении на опоре проводок из разных металлов, алюминиевый провод поме- щается выше других проводов, а стальной — ниже. При вертикаль- ном расположении на опорах ВЛ проводов из одного и того же металла может быть применен любой порядок их размещения, так как стрелы провеса в этом случае при любых изменениях темпера- туры окружающей среды будут изменяться в равной степени. Стрела провеса — это вертикальное расстояние от прямой, со- единяющей точки подвеса провода или троса на соседних опорах, до любой точки провода или троса в пролете (рис. 11.25). Если точ- ки подвеса провода находятся на одном уровне, то наибольшая стрела провеса будет в середине пролета. До натягивания проводов необходимо проверить исправность раскаточных роликов, а также посмотреть, нет ли перекрещива- ния проводов в пролете. Провода натягивают между двумя анкер- ными опорами, т. е. в пределах одного анкерного пролета. После раскатки и подъема на промежуточные опоры провод, надежно закрепив его на первой анкерной опоре, вытягивают по всему ан- керному пролету через раскаточный ролик, закрепленный на вто- рой анкерной опоре. 401
Рис. 11.25. Положение провода в пролете: АВ — наибольшая стрела провеса; ab — стрела провеса провода на расстоянии с от опоры После того как провод вытя- нут приблизительно до требуе- мой стрелы провеса, отметив вблизи второй анкерной опоры место установки монтажного клинового зажима, его опуска- ют на землю, устанавливают за- жим, а к зажиму крепят трос тя- гового устройства. Затем провод вновь поднимают на опору, накидывают на раскаточный ролик и приступают к натяги- ванию. Основной величиной, харак- теризующей тяжение провода, является его стрела провеса, т. е. натягивание провода должно быть выполнено так, чтобы реаль- ная стрела провеса соответствовала данным, определяемым по мон- тажным кривым, или данные таблицы, приведенной в проекте. Требуемая стрела провеса методом визирования в любом про- лете известной длины (рис. 11.26) устанавливается следующим об- разом. По монтажным кривым или таблицам определяют требуе- мую стрелу провеса и на расстоянии h от точек подвеса провода А и В на опорах 1 и 6 устанавливают специальные визирные рейки 2 и 5. Нижняя точка провода в пролете должна совпасть с визирной прямой 3. После установки визирных реек вытягивают провод 4 тяговым устройством. Для удобства визирования провод сначала немного пе- ретягивают, поднимая его на 0,3...0,5 м выше визирной линии, и Рис. 11.26. Установка требуемой стре- лы провеса методом визирования: 1, 6 — опоры; 2, 5 — визирные рейки; 3 — визирная прямая; 4 — провод; А — стрела провеса; Н— максимальное рас- стояние между проводом и землей в таком положении выдержива- ют несколько минут, чтобы он вытянулся под действием соб- ственного веса. Затем по коман- де монтера, находящегося на одной из опор и производяще- го визирование, провод плавно опускают до линии 3. Как толь- ко нижняя точка провода в пролете совпадет с визирной линией, монтер, визирующий стрелу провеса, подает сигнал остановки тягового устройства, полученная стрела провеса и будет соответствовать требуе- мой по условиям монтажа. 402
После достижения требуемой стрелы провеса тяговый трос от монтажного зажима отсоединяют. Монтер, находящийся на анкер- ной опоре, крепит провод к изолятору вязальной проволокой, ко- торая должна быть однородной с материалом провода. Так же на- тягивают и остальные провода линии. При вертикальном расположении проводов на опоре стрелу про- веса начинают устанавливать с верхнего провода, а при горизон- тальном — со среднего. Крепление проводов. Если нагрузка проводов на изолятор не пре- вышает его механической прочности (коэффициент запаса 2,5... 3), на промежуточных опорах применяют одинарное крепление их на шейке изолятора (рис. 11.27, а). При повышенных нагрузках, а также в населенной местности ис- пользуют промежуточное двойное крепление проводов (рис. 11.27, б). Для этого над основным изолятором 3, к которому привязан про- вод 7, устанавливают дополнительный изолятор 5 и с помощью плашечных зажимов 2 и дополнительного отрезка провода 4 за- крепляют провод вторично. Если угол поворота ВЛ не превышает 60°, то проводами огиба- ют изоляторы с внешней стороны угла поворота (рис. 11.27, в), если угол поворота превышает 60° то на опоре устанавливают допол- нительные изоляторы. Очень часто на угловых опорах выполняют двойное крепление проводов. Провода на изоляторах анкерных опор крепятся наглухо пет- лей с помощью болтовых плашечных зажимов. При таком анкер- ном одинарном креплении проводов (рис. 11.27, г) электрический контакт между проводами разных анкерных пролетов отсутствует, поэтому для создания непрерывной электрической цепи монти- руют перемычку (анкерную петлю). Точно так же выполняется одинарное крепление проводов на концевой опоре (но без анкер- Рис. 11.27. Способы крепления проводов на изоляторах: а — одинарное на шейке; б — промежуточное двойное; в — огибающее с внешней стороны; г — анкерное одинарное; 1 — провод; 2 — плашечный зажим; 3 — основ- ной изолятор; 4 — дополнительный участок провода; 5 — дополнительный изоля- тор; 6, 8 — изоляторы; 7 — анкерная петля 403
ной петли). При выполнении ответвлений на опорах устанавлива- ют многошейковые изоляторы типа РФО, и на одной из шеек про- вода используют одинарное крепление, а на другой — анкерное. Электрическая связь между линией и ответвлением осуществляет- ся через дополнительную перемычку, присоединяемую к прово- дам с помощью зажимов. Анкерное крепление провода с помощью плашечных зажимов выполняется достаточно просто и быстро. Конец провода, выхо- дящего из монтажного зажима, на котором продолжает держаться натянутый анкерный пролет, изгибают петлей, обе стороны ко- торой закладывают в канавки зажима. Затем петлю надевают на шейку изолятора, а сам зажим устанавливают на расстоянии 80... 120 мм от него, и в таком положении затягивают болты зажи- ма. После этого можно ослабить тяговый трос и снять с провода монтажный зажим, так как анкерный пролет с обеих сторон уже закреплен на изоляторах. Если свободный конец провода имеет зна- чительную длину и идет в следующий анкерный пролет с изоля- тора 6, оставляют достаточно свободную анкерную петлю 7, а затем на изоляторе 8 производят следующее анкерное крепление. Если свободный конец провода короткий, начинают раскатку следую- щего барабана с проводом и после анкерного крепления нового провода на изоляторе 8 соединяют концы двух проводов в анкер- ную петлю термитной сваркой. На анкерных опорах при необходимости выполняют переход с одной марки провода на другую. Для этой цели применяются пет- левые переходные зажимы типа ПП, с помощью которых концы проводов разных марок соединяют в анкерную петлю. После закрепления провода на анкерных опорах, привязывают провода на изоляторах всех промежуточных опор. Эта операция может производиться с гидроподъемников или телескопических вышек, а при монтаже ВЛ с напряжением до 1 кВ чаще всего не- посредственно с опоры. Для вязки алюминиевых или сталеалюми- ниевых проводов используют алюминиевую проволоку диаметром 3,5 мм, а для вязки стальных проводов — мягкую стальную оцин- кованную проволоку диаметром 2... 2,7 мм. Длина отрезка прово- локи для вязки должна быть не менее 300 мм. Чаще всего при креп- лении проводов на промежуточных опорах используют метод бо- ковой вязки на шейке изолятора. Расположение фазных проводов на опоре может быть любым, а нулевой провод, как правило, должен находиться ниже фазных. Над нулевым проводом размещают провода линии наружного ос- вещения. При монтаже ВЛ расстояния между проводами должны соответствовать данным, приведенным в табл. 11.1, расстояние от провода до поверхности опоры траверсы или другого элемента опоры должно быть не менее 50 мм. 404
Таблица 11.1 Расстояние между проводами ВЛ с напряжением до 1 кВ, мм Уровень гололеда Вертикальное расположение Горизонтальное расположение проводов в пролетах <30 м в пролетах >30 м I...II 400 200 300 III... IV 600 400 400 По окончании монтажа на опорах устанавливают постоянные знаки, содержащие порядковый номер опоры, год ее установки (на всех опорах) и номер линии или ее условное обозначение (на всех опорах ВЛ на участках ее параллельного следования с другими ВЛ). Кроме того, на опоры крепятся предостерегающие плакаты (на все в населенной местности и через одну в ненасе- ленной). Правила безопасности при монтаже проводов и тросов. Перед на- чалом монтажа проводов и тросов должны быть проверены, ис- пытаны и отремонтированы все подъемные механизмы, приспо- собления и инструменты. При работе на опоре работающий должен быть надежно за- креплен на ней монтерским поясом. Не разрешается влезать и ра- ботать со стороны внутреннего угла поворота линии во избежание возможного удара проводом при его срыве. Во время подъема гирлянд изоляторов и проводов на опоры, а также при раскатке и натяжке проводов находиться под опорой или проводом запрещается. Запрещается также сбрасывать с опо- ры инструменты или детали арматуры и спускаться вниз с помо- щью веревки и блока, применяемых для подъема гирлянд изоля- торов и проводов. С реальным приближением грозы все работы на опорах следует немедленно прекратить. Заземление воздушных линий. Последней операцией монтажа воз- душных линий является заземление. Штыревые изоляторы, устанавливаемые на опорах, при нор- мальных условиях работы обеспечивают надежную изоляцию про- водов от элементов опоры. Однако довольно часто напряжение на линии в сотни и даже тысячи раз может превышать номинальное напряжение, на которое рассчитана ее изоляция, т. е. может про- изойти пробой изоляторов и выход линии из строя. Напряжение, создающее опасность для изоляции ВЛ, называется перенапряже- нием. Чтобы ограничить перенапряжение и обеспечить безопасность людей, следует уменьшить сопротивление растеканию тока в зем- ле. Для этой цели устанавливается защитное заземление ВЛ. 405
Крюки и штыри железобетонных опор в сетях с заземленной нейтралью, а также арматуру этих опор заземляют путем присо- единения к заземленному нулевому проводу проводниками диа- метром не менее 6 мм. Крюки и штыри на деревянных опорах не заземляют, за исключением случаев, когда линия проходит по населенной местности с одно- и двухэтажной застройкой и не эк- ранирована высокими трубами, деревьями и т. п. Такая линия долж- на иметь защиту от атмосферных перенапряжений в виде заземля- ющих устройств с сопротивлением не более 30 Ом, устанавлива- емых на расстоянии 100...200 м друг от друга в зависимости от среднегодового числа гроз в данной местности. Обязательно зазем- ляют опоры с ответвлениями к вводам в здания и конечные опо- ры, имеющие ответвления к вводам (на этих же опорах рекомен- дуется устанавливать вентильные разрядники). К монтажу заземления приступают с рытья траншеи глубиной 0,5 м (в пахотной земле — до 1 м), начиная от опоры. Длина тран- шеи и число заземлителей указаны в проекте на сооружение ВЛ, а все работы по погружению заземлителей, обварку их полосой или прутом, защиту сварных стыков от коррозии выполняют в обычном порядке. После монтажа контура заземления на опоре выполняют зазем- ляющий спуск. Материалом для него служат стальная полоса или пруток такие же, какие применялись для соединения между со- бой заземлителей. Внизу спуск соединяют с контуром заземления, вверху — с металлическими частями опоры. На рис. 11.28, а пока- зан контур заземления, состоящий из заземлителей 2, соединяю- щей их полосы или прута 1 и спуска 3. Через каждые 300 мм спуск закрепляется на опоре скобами. Верхняя часть спуска выступает над вершиной опоры на 100 мм и служит молниеотводом. Для зазем- ления металлической арматуры опоры (рис. 11.28, б) к спуску 3 присоединяются болтовыми зажимами или сваркой перемычки 4, передающие нулевой потенциал земли на крюки 6 и нулевой про- вод 5. Согласно ПУЭ в электроустановках с глухозаземленной нейт- ралью нулевые провода прежде всего должны быть заземлены в на- чале ВЛ у источника питания (электростанции или трансформа- торной подстанции). При этом монтировать контур заземления у первой опоры нет надобности, так как нулевой провод ВЛ у ис- точника наглухо присоединен к его нулевой точке, сопротивле- ние заземления которой заведомо меньше, чем требуется для за- земления ВЛ. Кроме того, через каждый километр линии у опор устанавливается повторное заземление. Сопротивление каждого из повторных заземлителей должно быть не более 10 Ом для ВЛ мощ- ностью свыше 100 кВ -А и не более 30 Ом для ВЛ мощностью до 100 кВ-А. 406
Воздушные вводы. Воздушным вводом называют участок воздуш- ной линии, предназначенный для подачи электроэнергии от ВЛ к по- требителям внутри здания. Такой ввод можно выполнять неизолиро- ванными и изолированными мед- ными, алюминиевыми и стальны- ми проводами. Расположение ли- нии ввода относительно элементов здания может быть любым, рассто- яние от проводов ввода до высту- пающих и близко расположенных деталей здания должно быть не менее 200 мм, а угол между про- водами и стеной здания — не ме- нее 45° Для любой конструкции ввода габарит его проводов должен быть не менее 2,75 м (в порядке ис- ключения для изолированных про- водов 2,5 м). Длина воздушного ввода, т. е. расстояние от оси трассы ВЛ до Рис. 11.28. Контур заземления на деревянной одностоечной опоре: а — общий вид; б — заземление ар- матуры; 1 — соединительная поло- са; 2 — заземлитель; 3 — спуск; 4 — перемычка; 5 — нулевой провод; 6 — крюк места входа проводов в здание, не должна превышать 25 м. Сечение медного провода ввода должно быть не менее 4 мм2, алюминиево- го — не менее 10 мм2. Если рассто- яние от ВЛ до здания превышает 25 м, нужна дополнительная проме- жуточная опора. В этом случае воз- душный ввод рассматривается уже как участок ВЛ, поэтому здесь возможно применение медных про- водов с сечением от 6 мм2, а алюминиевых — от 16 мм2. Промежу- точные опоры устанавливают и в том случае, если натягивание ввода по прямой линии невозможно (например, если угол при вводе проводов в ближайшую стену менее 45° или по каким-либо причинам ввод должен быть выполнен на стороне здания, распо- ложенной перпендикулярно оси ВЛ). Монтаж воздушного ввода через стену здания (рис. 11.29) ведется в следующем порядке. В стене с соблюдением монтажных расстоя- ний закрепляют крюки с изоляторами (расстояние между крюками 200... 300 мм). На 100... 150 мм ниже крюков в стене пробивают про- ходы для проводов, в которые закладывают отрезки изоляцион- ной трубки. Края отверстий оформляют втулкой изнутри и корон- 407
к ой снаружи. Отверстие для провода может быть общим, но прово- да при этом должны быть проложены в отдельных трубках. В ка- менные стены можно вмазывать вертикальные или горизонталь- ные металлоконструкции с закрепленными на них штырями или крюками для армировки изоляторов. Если здание имеет малую высоту и требуемый нормами габарит выдержать невозможно, ввод монтируют через крышу (рис. 11.30), используя трубчатую стойку. На водогазовой толстостенной тру- бе 2 укрепляют подпятник 1 для крепления трубы к крыше и ме- таллическую траверсу 4 с установленными на ней изоляторами. Верхний конец стойки, предназначенный для ввода проводов, изгибают под углом 180° с радиусом изгиба, необходимым для данного диаметра трубы. В изогнутый конец трубы вставляют изо- ляционную втулку 5. Стойку надежно закрепляют на крыше под- пятником и оттяжкой 3 из стальной катанки (диаметром не ме- нее 4 мм). При монтаже стойки требуется, чтобы направление от- тяжки совпадало с линией тяжения проводов ввода. Расстояние от изоляторов до крыши должно быть не менее 2,5 м. При сдаче линии в эксплуатацию проверяют: все элементы ли- нии (путем осмотра с земли); прочность крепления траверс, под- косов пасынков, изоляторов и проводов (верховой осмотр); глу- бину установки опор (выборочно, но не менее 10 %); стрелу про- веса проводов; расстояние от низшей точки провисания проводов до земли; габариты проводов, сближений и пересечений. Рис. 11.29. Воздушный ввод в здание через стену Рис. 11.30. Воздушный ввод через крышу: 1 — подпятник; 2 — труба; 3 - оттяжка; 4 — траверса; 5 — изоляционная втулка 408
Вопросы для самоконтроля I. 1. Каковы основные этапы монтажа проводов и тросов? 2. Каковы правила установки барабана с проводом на трассе? 3. В чем состоят особенности раскатки проводов способами волочения и с движущегося барабана? 4. Как используется клиновый зажим при раскатке проводов? II. 1. Как производится соединение проводов обжатием? 2. Какова последовательность соединения проводов и тросов опрес- совкой? 3. В чем заключается комбинированный метод соединения проводов; какими способами в этом случае производится термитная сварка? 4. Как производится бандажное соединение стальных однопрово- лочных проводов? III. 1. Как поднимаются на опоры и натягиваются провода ВЛ? 2. Как устанавливается требуемая стрела провеса провода в пролете? 3. Что представляет собой промежуточное двойное крепление про- водов? 4. Каковы правила техники безопасности при монтаже ЛЭП? 5. Как производится заземление ВЛ? 6. Как выполняются воздушные вводы в здания? 11.6. Энергетика за рубежом Во всем мире большое внимание уделяется проблемам созда- ния линий электропередачи, особенно ЛЭП высокого напряжения. Широкое строительство сетей на 750 кВ продолжается в Кана- де, России и США, построены первые линии такого класса в Венгрии и Швеции, а проектируются в Болгарии, Польше, Ру- мынии, а также в Австралии, Бразилии и Венесуэле. Напряжение 750 кВ рассматривается как наиболее вероятная высшая ступень на- пряжения в большинстве стран Западной Европы. Линии электропередачи ультравысокого напряжения — УВН (выше 1000 кВ) — построены и строятся в России, США и Ита- лии. В России и США линии на 1200 кВ предполагается сочетать с сетями на 500 кВ, которые в этих странах широко распространены. Кроме того, в России построена линия передачи постоянного тока на 750 кВ для связи Экибастузского комплекса с централь- ной европейской частью России, а в США — линия передачи пе- ременного тока с напряжением примерно 1500 кВ и даже выше. Одновременно рассматривается вопрос о разумном верхнем пре- деле рабочего напряжения переменного тока. По предварительным оценкам он может составлять 1500...2000 кВ, причем справедливо отмечается, что этот выбор во многом будет определять экономи- ку. Стоимость электропередачи УВН значительно возрастает с по- вышением рабочего напряжения и тем самым ограничивает его це- лесообразный верхний предел. 409
В Италии, где широко используются сети на 400 кВ, планиру- с । ся в дальнейшем строить линии на 1050 кВ. Причины такого ре- шения не ясны. Даже при значительном возрастании потоков мощ- ности протяженность линий в Италии не может быть большой, в силу этого стоимость оборудования подстанции имеет определя- ющее значение. По-видимому, предполагается, что в процессе намеченных обширных исследований, для которых уже построены крупные установки, появится возможность существенно удешевить все эле- менты линий электропередачи УВН. Оборудование для линий на 750 кВ изготавливается в Англии, Италии, Канаде, России, США, Франции, Германии, Швейца- рии, Швеции и частично в Венгрии. Ряд фирм этих стран предпо- лагает также принять участие в поставках оборудования для ли- ний УВН. Значительный интерес представляет опыт эксплуатации элек- трических линий в Финляндии. К его положительным результатам следует отнести хорошо оправдавший себя опыт существенного со- кращения номенклатуры применяемых проводов. Конечно, усло- вия России значительно отличаются от условий Финляндии, од- нако очень широкий ассортимент проводов, принятый новым стан- дартом, вряд ли оправдан. Стандартизация проводов. С точки зрения строительства и ре- монта выгоднее применять по возможности однотипные провода. Линии на 400 кВ обычно выполняются сталеалюминиевыми про- водами 72/565 мм2 в пучках из двух или трех штук. В сети на 110 кВ чаще используются одиночные или двойные сталеалюминиевые провода 39/305 мм2, а на линиях с малыми нагрузками — стале- алюминиевые провода 25/152 мм2. Даже такое грубое классифи- цирование поперечных сечений проводов оказывается экономи- чески оправданным. Серьезные исследования фундаментов опор проводились в Швейцарии: сопоставлялись фундаменты из сборного железобе- тона, подобные применяемым в России, со шпальными. В послед- них необходимое число шпал соединяется между собой металли- ческими балками и нога опоры прикрепляется к этим балкам. Пред- почтение было отдано шпальной конструкции, как существенно более дешевой. Такой вывод заслуживает внимания. Шпальные фун- даменты широко распространены в Швеции и Канаде, Норвегии и Финляндии, т. е. во всех странах, богатых лесом. Учитывая, что шпалы, заложенные в грунт, мало подвергаются гниению, а так- же то, что в пропитке древесины достигнуты значительные успе- хи, следует рассмотреть целесообразность применения шпальных оснований для линий электропередачи в Сибири и на севере ев- ропейской части России. 410
Большой интерес представляет оригинальный способ предуп- реждения пляски расщепленной фазы, разработанный совместно инженерами Бельгии, Нидерландов и Германии. Способ основывается на известном положении, что особая под- верженность интенсивной пляске расщепленных фаз обусловли- вается невозможностью закручивания сводов между распорками, что, естественно, приводит к нарастанию одностороннего голо- леда или изморози, т. е. обледенелый провод приобретает форму крыла с большой подъемной силой. Так как форма осадки вдоль всего пролета примерно одинаковая, силы, действующие на каж- дый отрезок провода, совпадают, и пляска приобретает наиболее опасную форму полуволны с максимумом в середине пролета. Закручивание одиночных проводов в целых пролетах приводит к образованию иной формы осадки: на большей части своей дли- ны обледенелый провод приобретает форму овала и лишь на его концах отложения льда односторонние. В результате подъемная сила оказывается слабее и возникает не на всей длине провода. Соот- ветственно и пляска проявляется слабее или даже не возникает. Таким образом, именно расщепленная фаза чаще подвергается пляске, причем в самой опасной форме. С целью ее предупрежде- ния было предложено провода расщепленной фазы распорками не соединять или применять распорки с шарнирным закреплением, при котором провод может свободно вращаться в зажиме распор- ки. Этот оригинальный метод был с успехом реализован на ряде линий. В отношении синтетической изоляции проводов представляет интерес опыт Египета, где установлено, что даже изоляторы из эпоксидной смолы, т. е. далеко не лучшего синтетического мате- риала, имеют преимущества по сравнению с фарфоровыми при использовании в условиях интенсивного загрязнения. Было бы, од- нако, неправильно рекомендовать использовать изоляторы из эпок- сидной смолы в сильно загрязненных районах. Через 4...6 лет эк- сплуатации на их поверхности начинают появляться повреждения, так как эпоксидная смола требует специальной защиты от атмос- ферных воздействий и загрязнений. В настоящее время имеются ма- териалы, успешно работающие в сильно загрязненных районах, в первую очередь это силиконы и некоторые эластомеры. Большой интерес представляет вопрос о воздействии электри- ческой дуги на изоляторы. Разряды по поверхности гирлянд тарель- чатых изоляторов происходят в разных вертикальных плоскостях, т. е. на некоторой части изоляторов дуга горит в одной плоскости, на других — в другой. При этом переход отдельных дуг в одну об- щую, перекрывающую всю гирлянду, затруднен и требует опре- деленного времени. Опытным путем установлено, что когда плав- кие проволочки перекрывают два или три изолятора в гирлянде 411
п 1 семи изоляторов, шунтирование первоначальных опорных то- чек происходит не сразу, а лишь через 30 мс. Образование электри- ческой дуги, перекрывающей всю гирлянду, требует около 100 мс. При увеличении длины гирлянд влияние электродинамических сил уменьшается, и электрические дуги, каскадирующие по изолято- рам в середине гирлянды, сохраняются дольше. Электрическая дуга с меньшими токами вызывает более сильные повреждения изоля- торов, чем дуга с большими токами, так как она позднее отбра- сывается от гирлянды электродинамическими силами. Имеют зна- чение также схемы подвода тока к дуге и его отвода. Если схемы симметричны, то ось гирлянды соответствует положению устой- чивого равновесия электродинамических сил, и длительность го- рения местных электрических дуг вдоль гирлянды возрастает. Проведенные исследования показывают, что существующие защитные устройства изоляторов срабатывают с большим запаз- дыванием. Как правило, это время больше, времени срабатыва- ния основных защит выключателя. Следовательно, защитная ар- матура гирлянд не может предотвратить повреждения изоляторов, если только время отключения выключателя не будет сильно за- тягиваться в силу каких-либо неисправностей. Однако даже в этом случае влияние арматуры будет небольшим для дуги, каскадиру- ющей по изоляторам в средней части гирлянды. Все это усиливает позиции сторонников отказа от арматуры как средства защиты гирлянд от повреждений.
Глава 12. УСТРОЙСТВО И МОНТАЖ ШИНОПРОВОДОВ И ТРОЛЛЕЙНЫХ ЛИНИЙ 12.1. Классификация и устройство шинопроводов Шинопровод представляет собой устройство из неизолирован- ных или изолированных проводников, изоляторов и конструкций, которые служат для передачи и распределения электроэнергии в производственных помещениях, на территориях промышленных предприятий и т.д. По сравнению с обычными видами электропроводок шиноп- роводы, обеспечивая высокую надежность электроснабжения, требуют меньших затрат времени и средств при монтажных ра- ботах, а также позволяют производить перемещение электропри- емников в цехе при безопасном отсоединении и присоединении их и без перерыва в электроснабжении других электроприемни- ков. Кроме того, они занимают мало места и не требуют особого ухода. Конструкция шинопровода зависит от размеров шин, их фор- мы и взаимного расположения, а также от типа изоляторов и ис- пользуемого способа защиты шин от воздействия окружающей среды. Для питания силовых электроприемников в цехах промышлен- ных предприятий при напряжении до 1000 В применяют следую- щие шинопроводы: закрытые (шины располагаются в сплошном коробе); защищенные (шины имеют ограждения из сеток или перфори- рованных коробов для защиты от возможного прикосновения); открытые (шины не защищены от прикосновения и попадания случайных предметов). В последнее время для монтажа осветительных устройств боль- шой мощности широко применяют осветительные шинопроводы. Открытые шинопроводы представляют собой неизолированные шины, прокладываемые на изоляторах по опорным конструкци- ям на высоте не менее 3,5 м от пола и 2,5 м от настилов кранов. При этом должны быть выдержаны нормированные расстояния как между шинами, так и до окружающих их объектов. Защищенные шинопроводы по сравнению с открытыми имеют следующие преимущества: комплектную поставку, высокую завод- скую готовность, небольшие габаритные размеры, ремонтопри- 413
годность, повышенную надежность при эксплуатации, возмож- ность многократного использования и т.д. Номенклатура шинопроводов общепромышленного примене- ния приведена в табл. 12.1. Таблица 12.1 Номенклатура шинопроводов общепромышленного применения Тип шинопровода Сила тока, на которую рассчитан шинопровод, А Магистральные: ШМА59-Н 4000 ШМА68-Н 2500; 4000 ШМА73 1600 ШМА79 400; 1000; 1250; 1600; 2000; 3200 Распределительные: ШРА-73 250; 400; 630 ШРА-73В 250; 400; 630 ШРМ-75 100 Осветительные: ШОС67 25 ШОС73 63 ШОС73А 100 Троллейные: ШТМ70 200 ШТМ72 400 ШТМ73 250 ШТА75 250 ШТМ76 100 Примечание. В обозначениях шинопроводов: М — магистральный, Р — распределительный, ОС — осветительный, Т — троллейный, А — с алюминие- выми шинами, М (после Р или Т) — с медными шинами; цифры — год выпуска. Кроме того, выпускаются магистральные шинопроводы для аг- рессивных сред гальванических цехов типа ШМА-Х на токи 2500 и 4000 А и шинопроводы постоянного тока типа ШМАД и ШМАДК на токи 1600...6300 А. Шинопроводы комплектуются из отдельных секций различной конфигурации и назначения. Секции могут быть прямые, угловые, гибкие, вводные, ответ- вительные, компенсационные, переходные и подгоночные с уни- фицированной длиной, кратной 770 мм. Используя секции раз- личных конфигураций и вида, можно получить практически лю- бой шинопровод. 414
Шинопроводы закрытого и защищенного исполнения подраз- деляются на магистральные и распределительные. Магистральные шинопроводы типа ШМА (шинопровод магист- ральный с алюминиевыми шинами) предназначены для монтажа цеховых магистралей, питающихся от трансформаторных подстан- ций, и рассчитаны на силу тока 1600...4000 А, т. е. они служат для присоединения распределительных шинопроводов, силовых рас- пределительных пунктов, щитов и отдельных мощных электропри- емников. Секции магистральных шинопроводов состоят из 3, 4, 6 (трех спаренных) алюминиевых прямоугольных изолированных шин, расположенных вертикально и зажатых внутри перфорированно- го кожуха между специальными изоляторами (рис. 12.1). Магист- ральный шинопровод может включать в себя прямые и угловые секции с поворотом шин на ребро и плоскость, а также ответви- тельные вертикальные и горизонтальные (в том числе с автомата- ми и рубильниками) секции и др. Шины при сборке секций со- единяются в основном сваркой внахлест так, чтобы совпадали отверстия для одноболтовых сжимов. Сварка производится по реб- рам стыка. Места соединения шин изолируют эпоксидными соста- вами или лакотканью ЛЭС-0,15 на клее № 88. Рис. 12.1. Прямая секция магистрального шинопровода ШМА73: 7 — фазная шина; 2 — изолятор; 3 — эластичная прокладка; 4 — вер- хняя крышка; 5 — обойма; 6 — болт; 7 — боковая крышка; 8 — изоля- ционная перегородка между шинами; 9 — угольник крепления к опор- ной конструкции 415
Рис. 12.2. Поперечное сечение пакета шинопровода ШМА79: 1 — нижняя обойма; 2 — крепежный болт; 3 — скоба крепления; 4 — бо- ковина; 5 — фазная шина; б — ну- левая шина; 7 — изоляция шин; 8 — изоляционная втулка; 9 — верхняя обойма В шинопроводе ШМА73 кожух состоит из двух боковин двутавро- вого сечения и верхней и нижней перфорированных стальных кры- шек. Такой кожух является жестким и несущим. Боковины используют- ся в качестве нулевого провода. Шинопровод ШМА79 (рис. 12.2) имеет пакетную модульную конст- рукцию, в которой модулем служит пакет, образованный изолирован- ными шинами вместе с плотно при- жатым к ним на всем протяжении секции жестким кожухом. Двухпакетный шинопровод по- лучают механическим соединением между собой двух модулей. Однопа- кетные шинопроводы (модули) на разные токи (1000, 1250, 1600 и 2000 А) выполняются в унифици- рованном кожухе с одинаковыми габаритными размерами, что облег- чает выполнение перехода с одного номинального тока на другой в линии шинопровода. Из модулей на указанные токи компону- ются двухпакетные шинопроводы на токи 2500, 3200 и 4000 А. Соединение шин секций шинопровода ШМА79 выполняется сваркой. При необходимости используют специальную соедини- тельную секцию, состоящую из двух полусекций с одноболтовым сжимом на их стыке. Одна из полусекций имеет открытый паз (вме- сто отверстия), что облегчает сборку секции (рис. 12.3). Сварное соединение шин изолируют с помощью специального изолятора — гребенки, укрепляемой на верхней крышке кожуха. Шинопровод ШМА79 можно использовать в четырехпроводных сетях при напряжениях до 660/380 В. Нулевым проводом в нем яв- ляется четвертая шина с сечением, равным 50 или 100 % от сече- ния фазной шины. В современном производстве в некоторых случаях (для пита- ния, например, электродвигателей главных приводов прокатных станов, электрохимических установок и др.) требуются мощные электрические установки постоянного тока. Для присоединения таких электроприемников, а также для выполнения электричес- ких сетей общепромышленных установок напряжением до 1200 В предназначены магистральные шинопроводы постоянного тока ШМАД-70 и ШМАДК-70, рассчитанные на токи 1600... 6300 А. По- люсы таких шинопроводов выполнены из алюминиевых прямо- 416
Рис. 12.3. Секция ШМА79 с болтовым сжимом: а — секция в сборе; б — болтовой сжим перед соединением полусекций; 1, 4 — крепежные скобы; 2 — обойма; 3 — крепежный болт; 5 — крышка; 6 — боко- вина; 7, 12 — болтовые сжимы; 8 — изолятор болтового сжима; 9 — концы жил для сварного соединения; 10 — шина с открытым пазом; 11 — полусек- ция с открытым пазом; 13 - полусекция с болтовым сжимом угольных шин. Шины секций соединяются сваркой, а опорные уголки стыкуемых секций — шпильками обойм и дополнительно сваркой. Распределительные шинопроводы с алюминиевыми шинами типа ШРА предназначены для распределения электроэнергии между электроприемниками. Они выпускаются на номинальные токи 100, 250, 400 и 630 А. Секции распределительного шинопровода состоят из голых шин, расположенных горизонтально друг над другом внутри сплош- ного короба вдоль его вертикальной оси (рис. 12.4). Шины, зафик- сированы в пазах специальных изоляторов. Изоляторы закрепле- ны в окнах короба. Таким образом, шины могут перемещаться от- носительно изоляторов при колебаниях температуры. Нулевая шина внутри короба соединена с ним электрически. Распределительные шинопроводы комплектуются из прямых и различных фигурных секций, вводных и ответвительных коробок. Прямые секции име- ют по четыре окна с каждой стороны для штепсельного подклю- чения ответвительных коробок. В местах ответвления на алюмини- евые шины устанавливают медные накладки — неподвижные кон- такты штепсельного разъема. Окна закрыты крышками, которые снимают при монтаже ответвлений. Ответвительные коробки обо- рудуются автоматами, рубильниками, предохранителями, сигналь- ными устройствами. 14 Нестеренко 417
Шинопровод представляет собой стальной штампованный ко- роб с проложенными внутри медными изолированными провода- ми сечением 6 мм и пофазной расцветкой. В комплект шинопро- водов входят прямые, угловые, вводные и гибкие секции, ответ- вительные штепсели и торцовые заглушки. Прямые секции длиной 0,5; 1,5 и 3 м и фигурные секции соединяются между собой четы- рехполюсными штепсельными разъемами. Для чего на одном кон- це секции устанавливается штепсельная соединительная розетка, а на втором — клипсы, скрепляющие концы проводов со снятой изоляцией в четырехполюсный штепсель. Соединение проводов секций — штепсельно-винтовое, т. е. после того как штепсель од- ной секции вставлен в розетку, в других секциях затягивают вин- тами штепсельные контакты. Механическое соединение секций выполняется соединительными муфтами. На прямых секциях снизу через каждые 500 мм смонтированы штепсельные гнезда, закрытые откидными крышками, которые служат для подключения светильников штепсельной вилкой. Ко- роб каждой секции заземляется с помощью нулевого провода. Вводные секции шинопровода имеют коробку с зажимами для присоединения ее к источнику питания; зажимы рассчитаны на двойной номинальный ток, что позволяет устанавливать коробку в середине линии. Гибкие секции длиной 1 и 1,6 м выполняются в металлорукаве с проводами, соединенными со штепсельной розеткой на одном конце и вилкой на другом. В гибкой секции шинопровода ШОС73 участок длиной 1,1 м представляет собой металлорукав, в кото- ром проложены четыре провода сечением 25 мм2. Вводная секция имеет коробку с зажимами для присоединения алюминиевых или медных проводов сечением до 50 мм2. Гибкие секции используют- ся при переходах с одного уровня на другой, для выполнения обходов и поворотов, а также переходов через швы (температур- ные и осадочные). Шинопроводы крепятся на стенах, колоннах, фермах, перекры- тиях, стойках. Часто в качестве несущих конструкций использу- ются распределительные шинопроводы или специальные несущие трубы. Светильники подвешивают к несущим конструкциям или непосредственно к осветительным шинопроводам. При этом об- щая нагрузка на 1 м шинопровода ШОС73 при максимальном пролете 3 м должна составлять не более 20 кг, а на 1 м шинопро- вода ШОС67 при максимальном пролете 2м— 12 кг. Шинопроводы рекомендуется применять на производствах с изменяющимися технологиями (вызывающими изменение разме- щения светильников), а также по некоторым конструктивным со- ображениям, например при совместной прокладке распределитель- ного и ответвительного шинопроводов для люминесцентных све- 420
гильников, соединенных в непрерывную световую линию. Шиноп- ровод представляет собой выполненную на заводе готовую комп- лектную осветительную линию, монтаж которой заключается толь- ко в сборке и креплении готовых секций и целых установочных участков линии. Наличие штепсельного разъема обеспечивает под- ключение дополнительных светильников, а также их снятие для ревизии и ремонта без отключения всей группы светильников. Сети, состоящие из шинопроводов, более совершенны с точ- ки зрения монтажа, эксплуатации и промышленной эстетики. В та- ких сетях без полного их отключения можно безопасно в любом месте подключать или отсоединять электроприемники, а также ме- нять конфигурацию самих сетей с минимальными затратами вре- мени, труда и материалов. Применение шинопроводов обеспечи- вает полную индустриализацию монтажа электрических сетей. Открытые шинопроводы. Распределение энергии к электропри- емникам, а также ее подача от трансформаторной подстанции в цеха промышленных предприятий могут выполняться неизолиро- ванными шинами, проложенными на изоляторах. Такие шино- проводы, называемые открытыми, по условиям техники безопас- ности монтируют на высоте не менее 3,5 м. Открытый шинопровод представляет собой устройство, состо- ящее из стальных, алюминиевых или медных шин с прямоуголь- ным, коробчатым или трубчатым профилем, прикрепленных болта- ми или скобами к изоляторам, установленным на кронштейнах, стойках или иных опорных конструкциях. Опорные конструкции таких шинопроводов крепятся к строительным элементам здания (стенам, потолкам, фермам, колоннам). Троллейный шинопровод ШТА75 служит для питания мостовых кранов, кран-балок, тельферов, а шинопроводы ШТМ76, ШТМ73 и ШТМ72 — для питания электродрелей, электрошлифовальных машин и другого электрифицированного инструмента. Четырехпроводный шинопровод многоцелевого назначения ШТМ76 разработан для питания приводов подъемно-транспорт- ных механизмов грузоподъемностью до 5000 кг однофазных, трех- фазных или постоянного тока, однобалочных кранов и электри- фицированных инструментов. В него кроме прямых входят угловые 30, 40, 45, 50, 66 и 90°, присоединительные, компенсационные, разделительные и концевые секции, а также специальные секции для оборудования стрелок однорельсовых дорог и ввода кареток. Прямая секция троллейного шинопровода (рис. 12.6) представ- ляет собой стальной короб 5, к верхней крышке которого через одинаковые расстояния по всей его длине крепятся разъемные изо- ляторы 4, сжимающие три или четыре голых медных провода с фигурным сечением (троллей) таким образом, что они вдаются внутрь короба. Концы троллеев 2 выводятся из коробов секций 421
Рис. 12.6. Прямая секция троллейного шинопровода ШТМ72: 7 — серьга подвески; 2 — троллей; 3 — крепление изолятора; 4 — изолятор; 5— короб; 6 — соединительная муфта; 7— уступ короба вразбежку для удобства соединения сваркой. Стыки секций осу- ществляются в муфтах 6, имеющих серьги 1 для подвески. Короб внизу имеет сплошную продольную щель для вывода подвижных электрических цепей из скользящего контакта. Токосъем осуще- ствляется с помощью каретки (рис. 12.7), перемещающейся внут- ри короба по уступам на роликах 7. Боковые качания каретки пре- дотвращают распорные ролики 2. Щетки каретки прижаты пру- жинами к троллеям. В контактном блоке на каждый троллей устанавливают две медно-графитовые щетки, рассчитанные на ток 25 А (ШТМ70) или 100 А (ШТМ72). Сдвоенные каретки имеют вдвое больше щеток и номинальный ток 50 или 200 А. Каретки вводят в шинопровод через соединительные муфты. Для механи- ческого соединения каретки с тельфером или кран-балкой служит комплектная ведущая скоба. Угловые секции (рис. 12.8) устроены так же, как и прямые, но короб у них изогнут под углом 45 или 90° с радиусом закругления 422
160 250 I II II 1 Рис. 12.7. Каретка троллейного шинопровода: 7 — ходовой ролик; 2 — распорный ролик Рис. 12.8. Угловая секция троллейного шинопровода 423
800, 1200 и 1400 мм, что позволяет собрать шинопровод на трассе любой формы. Применение троллейных шинопроводов значительно уменьшает расход металла и трудовые затраты при монтажных работах по срав- нению с использованием открытых шинопроводов. Троллейные линии, служащие для питания подвижных подъем- но-транспортных механизмов (кранов, кран балок, элекгроталей), представляют собой трехфазные токопроводы, проложенные вдоль подкрановых путей. В качестве токопроводящих контактных про- водников в них применяются стальные шины из угловой стали, установленные на специальных троллейных изоляторах. Вопросы для самоконтроля I. 1. Каковы преимущества шинопроводов перед другими электро- проводками? 2. Каково назначение шинопроводов? 3. В каком исполнении могут быть шинопроводы? 4. В чем заключаются конструктивные особенности шинопроводов? II. 1. Что представляют собой открытые шинопроводы? 2. Что представляют собой защищенные шинопроводы? 3. Какова номенклатура шинопроводов? Ш. 1. Поясните назначение и-конструкцию магистральных шинопро- водов. 2. Поясните назначение и конструкцию распределительных шино- проводов. 3. Поясните конструкцию и назначение осветительных шинопро- водов. 4. Что представляют собой и для чего предназначены троллейные шинопроводы? 12.2. Монтаж шинопроводов Монтаж шинопроводов включает в себя две стадии: подготов- ку трассы и прокладку шинопровода. Выполнение шинопроводов из типовых секций при наличии в номенклатуре заводских поставок всех соединительных и ответви- тельных элементов, крепежных и опорных конструкций и деталей позволяет заблаговременно осуществлять комплектацию и сборку укрупненных блоков и линий шинопроводов в мастерских неза- висимо от строительной готовности здания. » Подготовка трассы для прокладки шинопровода состоит из раз- меточных, пробивных и крепежных работ. Разметку выполняют с соблюдением нормированных расстояний. Вторая стадия монтажа включает в себя подъем, подвеску, сты- ковку и закрепление секций шинопровода. После установки и за- 424
крепления блоки соединяют сваркой либо болтовыми сжимами. Далее присоединяют шинопровод к питающим цепям и монтиру- ют цепи заземления. При монтаже шинопроводов на токи выше 1500 А необходимо: снизить потери в шинодержателях, арматуре и стальных кон- струкциях от воздействия магнитных потоков, выполняя отдель- ные детали крепежных и опорных конструкций и шинопроводов из немагнитных материалов или создавая на пути магнитного по- тока воздушные зазоры; предотвратить образование замкнутых контуров при заземлении кожухов, изолируя отдельные их секции друг от друга; при этом каждую секцию заземляют только в одной точке опоры и изоли- руют от конструкций в остальных местах крепления. Пересечения шинопроводами температурных или осадочных швов строительных конструкций, а также проходы их по участ- кам, где могут возникнуть опасные механические напряжения (на- пример, вследствие температурных изменений или сильных виб- раций), осуществляются при помощи компенсаторов. Неразъемные соединения секций шинопроводов, как правило, выполняются сваркой с использованием дугового разряда. Строительные конструкции, на которых устанавливаются ши- нопроводы, должны быть из прочных несгораемых материалов. Про- ход шинопроводов сквозь стены и перекрытия осуществляется через проемы или изоляционные плиты. При выходе открытого шино- провода через перекрытие его токопроводящие части, расположен- ные на стене, должны быть надежно закрыты глухим коробом на высоте не менее 3,5 м; короб должен быть заземлен. Высота уста- новки от уровня пола в производственных помещениях, доступных для не инструктированного персонала, должна быть не менее 3,5 м для открытых шинопроводов внутренней установки и 2,5 м — для защищенных шинопроводов. Высота установки закрытых шиноп- роводов не нормируется. Внутри помещений расстояние от откры- тых шинопроводов до ближайших трубопроводов должно быть не менее 1 м, а до технологического оборудования — не менее 1,5 м. Для закрытых шинопроводов эти расстояния не нормируются. Монтаж открытых шинопроводов. Монтаж начинают с размет- ки трассы. Разметку выполняют с подмостей, лесов или телеско- пических вышек при помощи стальной рулетки и шаблонов. Трас- су прокладывают так, чтобы на ее пути не было цеховых комму- никаций в виде трубопроводов и вентиляционных коробов, так как выполнить обход шинопроводом подобных препятствий довольно сложно. Опорные конструкции для крепления открытых шинопроводов размещают на одной высоте от пола и на одинаковых расстояниях друг от друга, определяемых проектом. 425
Для изоляции шин от опорных конструкций применяются фар- форовые опорные (рис. 12.9) или специальные троллейбусные изо- ляторы серии К700, а также изоляционные клицы, состоящие из двух пластин с вырезами для одной шины или целого пакета. Для закрепления шины на изоляторе в ней высверливают отвер- стие под крепежный болт с пружинной шайбой. Такой простой способ крепления имеет существенный недостаток: в месте, где выс- верлено отверстие, уменьшается площадь поперечного сечения шины. Наиболее совершенный метод крепления шины — это уста- новка шинодержателей, удерживающих одну или несколько парал- лельно проложенных шин и не требующих дополнительных слесар- ных работ. Если открытый шинопровод с алюминиевыми шинами имеет длину более 15 м, то для компенсации температурных удлинений должны применяться шинные компенсаторы. В шинопроводах, рас- считанных на большие токи, каждую фазу выполняют из двух, трех или четырех шин, собранных внакат. Открытые шинопроводы прокладывают по стенам на кронш- тейнах, а по потолкам — на подвесках или мостовых конструкци- ях. Для защиты их от посторонних предметов и для предупрежде- Рис. 12.9. Изоляторы: а — опорный; б — троллейбусный; в клица ния прикосновения к ним применяют сетчатые огражде- ния, которые можно снимать при ремонтных работах. Открытые шинопроводы монтируются в следующем порядке. В соответствии с раз- меткой устанавливаются ме- таллоконструкции с изолято- рами, на которых, в свою оче- редь, прокладываются и закре- пляются шины, а затем шины присоединяются к источникам тока и электроприемникам. Металлоконструкции для шинопроводов изготавливают в МЭЗ, устанавливают на них изоляторы, шинодержатели или клицы, доставляют на мон- тажные объекты и крепят при- стреливанием, вмазыванием или приваркой к закладным де- талям. Шинные полосы заготавли- вают также индустриальным 426
методом в МЭЗ, где их обрабатывают, изгибают и соединяют в плети. В МЭЗ прямоугольные алюминиевые шины размером до 100 х Ю мм режут специальными ножницами. Алюминиевые шины с большими сечениями и профильные режут на шинорезных стан- ках или обычной слесарной ножовкой. Соединяют прямоугольные шины внахлестку двумя болтами при их ширине до 60 мм и че- тырьмя болтами при ширине 80 мм и более. Участок болтового со- единения алюминиевых шин предварительно обрабатывается под слоем вазелина на шинофрезном станке или Драчевым напильни- ком для создания надежного контакта. На болт под головку и под гайку надевают пружинящие шайбы. Но болтовые соединения алю- миниевых шин недостаточно надежны, так как в процессе эксп- луатации нередко отдельные их участки нагреваются настолько сильно, что возникает необходимость переборки соединения. Бо- лее надежным способом соединения шин является электродуго- вая сварка постоянным или переменным током, а также аргонно- луговая сварка. Сварные соединения шин с прямоугольным, коробчатым и трубчатым профилями показаны на рис. 12.10. Сварка шин произ- водится в специальных приспособлениях перед или, при наличии необходимых условий, после установки шин на опорных конст- рукциях. Для шинопроводов допускается применять алюминиевые шины с сечением не менее 120 мм2 и толщиной не менее 5 мм. Легкие шинопроводы (с сечением алюминиевых шин не более 40 * 5 мм) изготавливают комплектно в МЭЗ со всеми электросварными ответв- лениями, опорными конструкциями, изолирующими деталями, Рис. 12.10. Сварные соединения шин с прямоуголь- ным (а), коробчатым (б) и трубчатым (в) профилями 427
«ихними устройствами, секционными отключающими аппара- ми и др. Комплект шин маркируют пофазно, наматывают на сциальных приспособлениях в бухты диаметром около 2 м и в ком виде доставляют к месту монтажа. ( начала производят установку концевых и промежуточных опор- IX конструкции. Затем с помощью электрической лебедки раз- 1 ывают шины с кассеты и натягивают их поверх нижнего пояса рм, прикрепив конец шины к тяговому тросу лебедки. Во избе- iHiic повреждения шин от трения о поверхность ферм на проме- точных опорных конструкциях устанавливают раскаточные ро- ки. Установку начинают со средней шины. Закрепив один конец ее изоляторе с помощью концевого шинодержателя, а второй — в гяжном устройстве, производят предварительное натягивание и п.1 в анкерном пролете. 11атяжное устройство используют также в процессе эксплуата- и шинопровода для подтягивания шин, растягивающихся с те- нием времени вследствие текучести алюминия. 11сред размоткой и натягиванием одной из крайних шин кон- । натяжных конструкций укрепляют оттяжками во избежание пе- коса и поломки их от больших крутящих моментов. Размотку и сдварительное натягивание крайней шины производят так же, к и средней. Затем раскатывают вторую крайнюю шину, причем нцы натяжных конструкций дополнительно укреплять не тре- ? гея (возникновению крутящих моментов препятствует раска- 1ная первой крайняя шина). После этого снимают раскаточные чики и укладывают шины в шинодержатели, устанавливают «иные распорки и производят окончательное натягивание шин омощью натяжных винтов концевых шинодержателей. В шино- эжателях, установленных на промежуточных конструкциях, 1ны должны свободно перемещаться вдоль линии. Анкерные натяжные крепления делают по концам магистрали, л к же при переходе токопровода через температурные швы зда- я и в местах установки секционных разъединителей. (’пуски от шинопровода к электроприемникам выполняют ка- 1ями или проводами, проложенными в трубах и металлорука- i. ( квозь стену и перекрытие шинопровод пропускают через раз- овую изоляционную плиту, закрывающую проем. 11осле окончания монтажных работ шины и шинодержатели по- ipno окрашивают: фазу А — в желтый цвет, фазу В — в зеленый >а iy С — в красный. В шинопроводах постоянного тока положи- п.пую шину окрашивают в красный цвет, а отрицательную — в гий. Слой краски также защищает шины от коррозии и способ- iyc г их улучшенному охлаждению (теплоотдача окрашенных шин вппсльно выше). Если фаза шинопровода состоит из одной
шины, ее окрашивают со всех сторон, а в пакетах окрашивают только внешние поверхности шин. Не окрашивают болтовые со- единения, а также участки, предусмотренные для присоединения переносных или постоянных заземлителей (эти участки по краям окаймляют полосками, нанесенными черной краской). В шиноп- роводах, а также в распределительных устройствах красная шина должна находиться ниже других и дальше от стены, а зеленая — посередине. Монтаж открытых троллейных магистралей. Для монтажа откры- тых троллейных магистралей используются унифицированные кронштейны (рис. 12.11) с установленными на них изоляторами 1 и троллеедержателями 2. Кронштейны крепятся непосредственно к стенам или подкрановым балкам болтами или привариваются к закладным деталям (в случае, если подкрановые балки стальные). Для компенсации температурных удлинений шин между отдельны- ми секциями магистрали при монтаже длинных участков (от 30 м) применяются шинные компенсаторы. Наличие напряжения на троллейной линии определяется по троллейному светофору (рис. 12.12), который состоит из трех сигнальных ламп, смонтирован- ных на стальной стойке 1 и защищенных цветными стеклами 2. Д ля подключения светофора к троллеям служит соединительная коробка 3. От сигнальных ламп не требуется создания большой освещенно- сти, поэтому для увеличения срока их службы последовательно с каждой лампой включается резистор с сопротивлением 300 Ом (см. рис. 12.12, б). Монтаж троллейных магистралей начинают после того, как строительство здания полностью закончено и смонтированы под- Рис. 12.11. Кронштейны для троллейных магистралей: а — вертикальный; б — горизонтальный; 1 — изолятор; 2 — троллее- держатель б) 429
I a) б) Рис. 12.12. Троллейный светофор: а — конструкция; б — схема включе- ния; / — стойка; 2 — защитное стек- ло; 3 соединительная коробка крановые балки и рельсы. Заготав- ливаются троллейные блоки в МЭЗ по шаблонам или на кондук- торах. Кондуктор для сборки трол- леев (рис. 12.13) состоит из свар- ной стальной рамы 1, которая опирается на приваренные к ней подрамники 2. На раме смонтиро- ваны струбцины для удержания элементов блока при сборке. В про- межуточных струбцинах 4 зажи- мают шаблоны 3, по которым вы- полняется сборка блока, а с по- мощью средней и крайних струб- цин 5 конструкции блока тролле- ев крепят на стене при установке магистрали. Закрепив элементы блока 6, устанавливают в нем трол- леи 7. Готовый троллейный блок по- мещают в специальную кассету, доставляют к месту установки, ле- бедками поднимают на нужную высоту и монтируют с автовы- шек, монтажных тележек или ав- тогидроподъемников. Монтаж- ная тележка 2 (рис. 12.14) с ящи- ком 1 для хранения инструмента крепится на металлоконструкци- ях мостового крана. Над ней на кронштейне устанавливаются электролебедка 4 для подъема бло- ков и сварочный трансформатор 3. Монтаж троллейных шинопроводов. Троллейные шинопроводы прокладывают на стенах, бетонных и металлических колоннах, под- крановых балках, а также вдоль монорельсов, двутавровых балок, конвейеров и крепят к несущим конструкциям соединительными муфтами через каждые 3 м. Промежуточную подвеску применяют для дополнительного крепления угловых секций. Монтажные кон- струкции для крепления шинопроводов поставляются комплект- но заводами-изготовителями. Сборка троллейных шинопроводов производится на козлах. Ши- нопроводы комплектуются в блоки длиной 9... 12 м (три-четыре секции). Поднимать более крупные блоки не рекомендуется, так как это может привести к перекосу секций и образованию поро- гов между троллеями. 430
5 Рис. 12.13. Кондуктор для сборки троллеев в блоки: / — рама; 2 — подрамник; 3 — шаблон; 4, 5 — струбцины; 6 — элемент блока; 7 — троллей Рис. 12.14. Монтаж крановых троллеев: 1 — тележка; 2 — ящик; 3 — сварочный трансформатор; 4 — электролебедка 431
Рис. 12.15. Расположение шин при стыковке секций троллей- ного шинопровода: 1 — шинопровод; 2 — соедини- тельный зажим / 2 Сборка блоков производится в сле- дующем порядке: проверив размеры выступающих концов троллеев (рис. 12.15), на длин- ные их концы натягивают соедини- тельные зажимы и выполняют сты- ковку; к нулевому троллею прикрепляют заземляющую перемычку; устанавливают соединительную муфту, тщательно проверив стыков- ку рабочих плоскостей короба, на котором перемещаются ролики каретки токосъема; после закрепления соединительной муфты устанавливают крыш- ку и соединяют с ней заземляющими перемычками короб шино- провода в месте подключения питания и на концах линии. Поднимают блоки или секции шинопровода на крепежные кон- струкции с помощью мостовых или автомобильных кранов, элек- трических или ручных рычажных лебедок, самоходных выдвижных подмостей, гидравлических платформ или подъемников, а также автопогрузчиков со специальными приставками. Подъем шинопровода на проектную отметку лебедкой выпол- няется следующим образом: подъемный ролик закрепляют по центру над местом установки шинопровода (при невозможности жесткого крепления ролик фиксируется оттяжками); тяговый трос закрепляют по центру траверсы с блоком шино- провода и пропускают через подъемный ролик; к концам траверсы привязывают веревки, которыми с нулевой отметки корректируют положение блока. Крепятся троллейные шинопроводы к кронштейнам (рис. 12.16) соединительными муфтами или с помощью промежуточных под- весок, установленных непосредственно на коробе. Промежуточные подвески применяются также и для временного крепления (фик- сации) шинопровода при монтаже. Затем, установив вводные ка- ретки токосъемника, проверяют легкость их передвижения по всей троллейной линии. Чтобы уменьшить потери напряжения, троллеи из стали обыч- но дополняют устройством подпитки из алюминиевых шин, про- кладываемых параллельно троллеям. При этом стальная часть вы- полняет функции токосъема. Стальные троллеи и алюминиевые подпиточные шины соеди- няют через каждые 1,5 м сталеалюминиевыми планками: стальную часть планки крепят к стальному троллею, а алюминиевую — к под- питочной шине. 432
Рис. 12.16. Крепление шинопроводов с помощью кронштейнов: а — на железобетонных блоках; б — на металлических балках; в, е — при прокладке вдоль монорельса; г — при прокладке вдоль стены; д — при прокладке вдоль стены с колоннами На линиях большой протяженности примерно через каждые 36... 40 м в местах переходов через температурные швы устанавли- вают тепловые компенсаторы. В средней точке между двумя компен- саторами троллей закрепляют неподвижно. На остальных держате- лях должна быть обеспечена возможность их продольного переме- щения. Подвод электроэнергии к троллеям выполняется через специ- альную вводную секцию. На вводах, питающих троллеи, устанав- ливаются автоматические выключатели; коммутирующие аппара- ты ввода оборудуются приспособлением, обеспечивающим их за- пирание в отключенном положении. Троллеи после прокладки окрашивают. Рекомендуется приме- нять те же цвета, что и при ошиновке (желтый, зеленый, крас- ный). Поверхность токосъема троллеев не окрашивается. Монтаж закрытых и защищенных шинопроводов. Закрытые и за- щищенные шинопроводы монтируются укрупненными блоками, предварительно собранными в МЭЗ. Магистральные шинопрово- ды обычно комплектуются в блоки длиной до 12 м из трех-четы- рех секций по 3 м или из двух секций по 4,5 м. В соответствии с разбивкой трассы шинопровода секции сваривают или соединяют болтовыми сжимами. 433
Для выполнения разъемного соединения секций или блоков ис- пользуют болтовой сжим (рис. 12.17), состоящий из шпильки 2, которая проходит сквозь изолятор 10 и имеет две гайки — боль- шую 1 и малую 11. Соединяемые шины фиксируют в нужном по- ложении круглыми изоляторами 9 и шайбами 8 и 7 Для изоляции опорной шайбы 4 служит специальный изолятор 5 на гетинаксо- вой прокладке 6. Тарельчатые пружины 3 предотвращают ухудше- ние электрического контакта, вызываемое текучестью алюминия. Сварка шин производится подобно сварке алюминиевых прово- дов с большими сечениями. Концы шин зачищают металлической щеткой, соединяют внахлестку и зажимают в таком положении в специальных устройствах — кондукторах. Электродом при сварке служит круглый угольный стержень диаметром 16 мм или угольный стержень с квадратным сечением 18x18 мм. Присадочные прутки применяют специальные или нарезают из алюминиевой проволо- ки диаметром 10 мм. Перед сваркой их покрывают флюсом марки ВАМИ. После сварки место соединения изолируют стеклотканью или лакотканью с использованием эпоксидного компаунда. В последнее время в опытном порядке в месте сварки шин ус- танавливают также специальные пластмассовые пеналы. Рис. 12.17. Болтовой сжим: 1, 11 — гайки; 2 — шпилька; 3 — пружина; 4 — опорная шайба; 5, 9, 10 — изоляторы; 6 — гетинаксовая прокладка; 7, 8 - шайбы Лакоткани — это гибкие ру- лонные материалы, состоящие из какой-либо тканевой осно- вы, пропитанной электроизо- ляционным лаком. Тканевая основа может быть хлопчатобумажной, шелковой, капроновой и стеклянной (из стеклянного волокна). Лак пос- ле отвердевания образует на ла- коткани гибкую липкую плен- ку, которая обеспечивает высо- кие электроизоляционные свой- ства, а тканевая основа прида- ет ей механическую прочность. Использование в качестве пропитки эпоксидного компаун- да обеспечивает и высокие элек- троизоляционные свойства, и монолитность лакоткани после отвердевания, т. е. высокую механическую прочность. Отли- чаются также компаунды вы- сокими нагревостойкостью, хо- лодостойкостью и влагостойко- стью. 434
После завершения основных строительных работ и приемки по- мещения укрупненные блоки шинопровода доставляют на место монтажа на автомашине с прицепом. При этом секции или блоки укладывают на специальном трайлере в один ряд опорными угол- ками вниз. Укладка в два ряда производится только при транспор- тировке в специальных контейнерах. Укладка секций или блоков навалом не допускается. Разметка трассы прокладки шинопровода и мест установки опорных конструкций производится в соответствии с рабочими чертежами с помощью гидростатического уровня и отвеса или с помощью нивелира по отметкам чистого пола, перекрытий ферм, балок и других строительных конструкций. Отметки строительной части дает строительная организация. Монтаж магистральных шинопроводов. Магистральные шиноп- роводы прокладывают по фермам, колоннам, стенам и балкам или на стойках, установленных на полу,- или подвешиваются под пе- рекрытием. Для прокладки шинопроводов по стенам и потолкам приме- няются кронштейны (рис. 12.18, а), снабженные крепежными за- жимами. К стенам кронштейны крепятся дюбелями с распорной гайкой, а к колоннам — охватывающими хомутами. Если рассто- яние между колоннами превышает 3 м, при монтаже шинопро- водов используют подвесы (рис. 12.18, б), которые крепятся к по- толку или ферме с помощью вертикальных спусков или растяжек. К стойкам (рис. 12.18, в), позволяющим проложить шинопровод в любом направлении на удобной для монтажных и ремонтных ра- бот высоте, он крепится на закладных болтах Ml6, закладных ра- мах и т.д. Монтаж начинают со сложных узлов: вертикальных участков или присоединительных секций на подходах к комплектным трансфор- маторным подстанциям (КТП). Вертикальные участки начинают монтировать с нижней угловой секции, наращивая шинопровод вверх до отметки верхнего горизонтального участка. Горизонталь- ные (прямые) участки шинопровода, секции с компенсатором и подгоночные секции монтируют в последнюю очередь. Обычно в цехе устанавливают несколько КТП, и магистральные шинопро- воды между ними соединяются через секционные автоматические выключатели. При этом очень важно обеспечить фазировку соеди- няемых шинопроводов и чередование фаз с помощью специаль- ных секций, установленных на подходе к КТП. После выверки установки опорных конструкций по струне и уровню смонтированные блоки шинопроводов осторожно подни- мают автокранами, мостовыми кранами или лебедками, а креп- ление их, сборку и сварку стыков выполняют с автогидроподъем- ников, автовышек, самоходных подмостей или мостового крана. 435
514 Рис. 12.18. Опорные конструкции для магистральных шинопроводов: а — кронштейн; б — тросовый подвес; в — стойка Блоки длиной до 7,5 м поднимают с помощью специальных строп, а для подъема блоков большей длины используют траверсу (рис. 12.19), состоящую из швеллера или стальной трубы 1 с по- стоянными тросами 2. При использовании автогидроподъемника к нижнему поясу ферм крепят монтажный ролик, через который пропускают трос лебедки. К концу троса крепят траверсу с укрепленным на ней блоком. Лебедкой управляют с пола. Концы блока удерживают от разворота с помощью веревочных оттяжек. При монтаже с мостового крана на его настиле оборудуют мон- тажную площадку с ограждением. К ферме перекрытия крепят мон- тажный ролик, через который пропускают трос электролебедки, устанавливаемой на мосту крана. Если шинопровод устанавлива- ют ниже нижнего пояса ферм, то монтажный ролик крепят в узле этого пояса. Монтаж также можно выполнять с самоходных подмостей, а при работе в стесненных условиях, например в подвальных поме- щениях машинных залов, с гидравлической платформы, обору- дованной электроприводом. 436
0160 020 Рис. 12.19. Траверса для подъема блоков секций шинопроводов: 1 — стальная труба; 2 — постоянный трос После подъема и установки блоков производят стыковку смеж- ных секций. При этом опорные уголки секции, являющиеся нуле- выми проводами и заземляющей магистралью металлического ко- роба, сваривают между собой, создавая тем самым непрерывную цепь заземления и зануления. На концах соединительных уголков делают вырезы для обеспечения удобства их сварки (рис. 12.20). Крепление секций к опорным конструкциям на горизонтальных участках выполняют прижимами, обеспечивающими возможность Рис. 12.20. Схема подготовки опорных уголков шинопровода для сварки (а) и деталь (б) для вырезки полок опорного уголка и соединительной перемычки: 7 — опорный уголок секции шинопровода; 2 — перемычка 437
их продольного перемещения при температурных изменениях. На вертикальных участках шинопровод закрепляют на конструкциях болтами через отверстия, просверленные в опорном уголке. Шины секций магистральных шинопроводов соединяют бол- товыми сжимами или сваркой. Болтовые сжимы устанавливают на присоединенных и тройниковых секциях, а также в местах, где по каким-либо причинам невозможно производство сварочных работ. При этом необходимо учитывать, что болтовые сжимы по- ставляются в ограниченном количестве. Во всех остальных случаях шины секций соединяют сваркой. При соединении секций необходимо контролировать положе- ние концов шин: внутренняя поверхность крайней шины с боль- шим плечом изгиба (уткой) одной секции должна прилегать к наружной поверхности крайней шины с меньшим плечом изгиба другой секции. Шины подгоночных секций обрезают вразбежку с концов, не имеющих изгибов. Монтаж распределительных шинопроводов. Распределительные шинопроводы над полом, на стенах и колоннах прокладывают на специальных опорных конструкциях: стойках, кронштейнах, под- весах (рис. 12.21). Опорные конструкции устанавливают при под- готовке и комплектовании секций на расстоянии не более 3 м друг от друга. Секции шинопровода в МЭЗ тщательно осматривают для выявления возможных повреждений, удаляют консервирующее смазывающее вещество с контактных поверхностей токоведущих шин, токоведущих поверхностей коробов секций и корпусов ввод- ных и ответвительных коробок. После доставки секций на место установки из них собирают блоки длиной до 12 м, поднимают их на опорные конструкции и закрепляют зажимными болтами. При этом нулевая шина должна располагаться сверху. Короба смежных секций соединяют винта- ми и соединительными планками. Соединительные планки приваривают к лапкам, обеспечивая непрерывность цепи заземления. Проводники заземления прива- ривают к соединительной планке. После соединения секций мон- тажные окна закрывают крышками и закрепляют имеющимися на них прижимами. Вводные коробки устанавливают только в местах соединений секций или в конце шинопровода. Стальную трубу с проводами питающей линии вводят в коробку через отверстия в ее съемном дне или верхней крышке. Корпус коробки крепят к коробу шинопровода винтами. Обеспечив надежный контакт между съемным дном и корпусом коробки, корпус коробки заземляют перемычкой с проводником заземления. Присоединительные эле- менты вводной коробки располагают под соединением шин. Ответвительные коробки и коробки с указателем напряжения присоединяют через штепсельные окна. Заглушки, закрывающие 438
окна в местах установки коробок, снимают, а крепящие их винты используют для крепления коробок. Перед установкой к коробке подсое- диняют провода. При этом участок проводки длиной 0,5 м выполняют гибкими проводами для обеспечения возможности снятия коробки без ее отсоединения. Для ввода проводов с се- чением более 35 мм2 предварительно увеличи- вают до необходимого размера отверстие в зад- ней стенке короба. Провода крепят к коробке специальными скобами. Для надежного закрепления металли- ческой оболочки проводов ее зажимают болтом между двумя швеллерообразными элементами, один из которых приварен к коробке. К этому же болту подсоединяют заземляющий провод- ник электроприемника, питаемого через дан- ное ответвление от шинопровода. После окончания монтажа перед подачей на шинопровод напряжения проверяют наличие крышек на не занятых коробками монтажных и штепсельных окнах, наличие торцевых кры- шек на концах шинопровода, надежность всех контактов в цепи заземления от элекгроприем- ника до корпуса и контакта самого корпуса ши- нопровода с заземляющей сетью электроуста- новки. Монтаж осветительных шинопроводов. Под- готовка трассы для прокладки шинопровода состоит из разметочных, пробивных и крепеж- ных работ. Разметку необходимо выполнять с соблюде- нием нормированных расстояний: от опорных конструкций до перекрытий — 700 мм, от опор- ных конструкций до чистого пола — 2500 мм (в электротехнических помещениях не норми- руется). Расстояние между шинопроводами и стенами или другими строительными конструк- циями зданий должно быть не менее 50 мм для удобства съема крышек, а также по условиям охлаждения. При прокладке шинопровода параллельно теплопроводу расстояние между ними должно быть не менее 500 мм (при температуре тепло- провода выше 70 °C расстояние увеличивают или в) Рис. 12.21. Уста- новка шинопрово- дов на кронштей- нах (а), подвесках (б) и стойках (в): 1 — нулевая шина; 2 — болт зажимной 439
теплопровод дополнительно изолируют), а при пересечении их — не менее 100 мм (при дополнительной изоляции теплопровода с двух сторон от шинопровода на расстоянии не менее 500 мм). Рас- стояние между шинопроводами при параллельной прокладке долж- но быть не менее 50 мм. Расстояния между точками крепления шинопровода по длине трассы не должны превышать 3 м (в зависимости от длины сек- ций, из которых собирается шинопровод). При невозможности выполнения этого условия применяют стальной прямоугольный усиливавший профиль (60 х 30 х 3 мм), прокладываемый параллельно шинопроводу. Сборку блока шиноп- ровод — профиль выполняют в зоне монтажа до подъема в проек- тное положение. Если расстояние между точками жесткого крепления превышает 3 м, допускается промежуточное крепление шинопровода троса- ми с помощью подвесов в местах соединения секций. Разметку осей шинопровода производят по отметкам чистого пола с использованием гидростатического уровня. Разметку отдель- ных горизонтальных участков шинопровода сначала выполняют на полу, а затем ось шинопровода и место установки опорных конст- рукций с помощью отвеса переносят вверх на место крепления. Опорные конструкции крепятся к строительным основаниям раз- личными способами (в зависимости от массы шинопровода и ма- териала основания): распорными или забиваемыми дюбелями, сваркой с закладными деталями или через переходные детали, вмазными или сквозными анкерными штырями, болтами и шпиль- ками с гайками и шайбами. Подвеску и крепление шинопровода и светильников выполня- ют в соответствии с проектом и типовым альбомом. Для крепле- ния шинопровода используют специальные скобы, подвесы, хо- муты, стойки и другие крепежные детали. Осветительные шинопроводы устанавливают на стенах, колон- нах, фермах, перекрытиях, коробах распределительных шинопро- водов при их совместной прокладке, тросах, специальных несу- щих трубах. Опорные конструкции для шинопровода и светиль- ников устанавливают после окончания строительных работ. Одновременно выполняют монтаж узлов питающих линий. Секции шинопровода можно поднимать и устанавливать на опорные конструкции каждую в отдельности и блоками. Заготов- ку блоков шинопроводов выполняют в мастерских на специаль- ных технологических линиях. Такие блоки длиной 9 и 12 м в спе- циальных автоприцепах доставляют к месту установки. Сборку сек- ций шинопровода в блоки можно также проводить непосредственно на объекте, разместив их на полу в местах, с которых они должны быть подняты. 440
3 Рис, 12.22. Подготовка (а) и соединение (б) секций шинопровода ШОС67: 1 — сжимной винт; 2 — овальное отверстие; 3 — винт крепления полумуфты Перед соединением секций (рис. 12.22, а) ослабляют четыре винта 3, скрепляющие полумуфты (между полумуфтами должен образоваться зазор 3...4 мм). Далее вывертывают на 1,5—2 витка два сжимных винта 1 штепсельной розетки и при надетых полу- муфтах вставляют вилку в розетку, надвигая примыкающую сек- цию (рис. 12.22, б). Заход вилки в розетку контролируется по по- ложению сжимных винтов: при полном заходе вилки головки вин- тов должны находиться напротив овальных отверстий 2 нижней полумуфты. После затяжки сжимных винтов затягивают винты крепления полумуфты. Так выполняют электрическое и механи- ческое соединение секций любой конструкции (прямых, угловых, вводных и гибких). После сборки секций в блоки к ним крепят светильники, а затем блоки с помощью траверс поднимают, устанавливают на опор- ные конструкции, стыкуют между собой и закрепляют. Светильники доставляют на монтажный объект из МЭЗ, где их предварительно заряжают и подключают к ним шнуры и ответви- тельные штепсели. Проверив, светильники подвешивают с помо- щью хомута с крюком и закрепляют непосредственно на шино- проводе или кронштейнах и подвесах, а также на строительных конструкциях зданий. Подключают светильники к шинопроводу через смонтирован- ные в нем штепсельные розетки, для чего из штепсельного гнезда вынимают заглушку, и штепсель (рис. 12.23) вставляют в гнездо таким образом, чтобы его выступы совпали с прорезями в окне секции. При установке и извлечении штепселя нажимают на выступаю- щую часть элемента крепления последнего к коробу шинопровода. 441
Рис. 12.23. Присоединение штепселя к шинопроводу ШОС67: 1, 2 — соответственно нулевой и фазовый контакты; 3 — выступающая часть элемента крепления; 4 — элемент крепления штепселя к шинопроводу; 5 — заземляющий контакт штепселя При установке светильников на коробе шинопровода и тросо- вой подвеске усиливают места стыка секций дополнительными подвесами и ограничивают число и массу светильников (ШОС67 — до 12 кг на 1 м шинопровода, ШОС73 — до 20 кг при расстоянии между точками крепления 3 м). Соединением короба каждой секции с нулевым проводом в про- цессе ее изготовления обеспечивается заземление всей трассы ши- нопровода. Заземляющий контакт штепселя гарантирует его соединение с заземленным коробом до соприкосновения рабочих контактов с проводами секции при их сближении, а также после разъедине- ния рабочих контактов с проводами секции при разборке. Техника безопасности при монтаже шинопроводов. Монтаж ши- нопроводов связан с подъемом рабочих на высоту и использова- нием электроинструмента, поэтому в первую очередь следует со- блюдать правила безопасности, касающиеся этих видов работ. При монтаже шинопроводов подъемными механизмами мож- но пользоваться только в том случае, если они испытаны и осви- детельствованы по установленным правилам. Передвижение авто- вышек и подмостей разрешается только тогда, когда рабочая пло- щадка опущена до минимальной высоты. Если на площадке 442
находятся люди, трассу передвижения необходимо тщательно ос- мотреть, чтобы обеспечить свободное и плавное передвижение ме- ханизма. Работа на высоте с площадки автомеханизма допускается только при заторможенной специальными упорами или деревянными подкладками ходовой части машины. Если монтаж ведется на подкрановых путях действующих подъемных кранов, с троллеев следует снять напряжение и при- нять меры против возможного перемещения крана к месту мон- тажных работ. Для наблюдения за ходом работ выделяется рабочий. Смонтированный шинопровод нельзя использовать в качестве опорной конструкции при других работах, нельзя становиться на него, укреплять на нем настилы и т. д. Вопросы для самоконтроля I. 1. Назовите стадии монтажа шинопроводов. 2. Каково назначение шинопроводов типа ШМА, LIIPA, ШОС? 3. Каковы опорные конструкции, применяющиеся для шино- проводов типа ШМА, ШРА? 4. Какие способы применения шинопровода типа ШОС вы знаете? 5. Каково назначение компенсаторов в шинопроводах? 6. Каков порядок сборки шинопроводов? II. 1. Назовите этапы разметки трасс шинопроводов. 2. Какие способы прокладки шинопроводов вы знаете? 3. Из каких элементов состоят шинопроводы типа ШМА, ШРА? 4. Каким образом производят крепление шинопроводов на горизон- тальных и вертикальных участках? 5. Каковы правила заземления шинопроводов? 6. Какие варианты установки шинопроводов с помощью кронштей- нов вы знаете? III. 1. Каковы правила выбора опорных конструкций? 2. Какой вид электропроводки применяется на спусках от шинопро- вода? 3. Каковы способы соединения секций шинопровода типа ШМА? 4. Разрешается ли подвеска светильников к шинопроводу типа ШОС? 5. Какие специальные приспособления применяются для крепления шинопроводов? 6. Какова технологическая последовательность монтажа шинопро- водов? 7. Допускается ли совместная прокладка шинопроводов типа ШРА и ШОС? 8. Какова техника безопасности при монтаже шинопроводов?
Глава 13. УСТРОЙСТВА ПРИЕМА И РАСПРЕДЕЛЕНИЯ ЭЛЕКТРОЭНЕРГИИ 13.1. Общие сведения Вырабатываемая станциями электрическая энергия поступает к месту потребления через систему взаимосвязанных передающих, распределяющих и преобразующих электроустановок. Передача электроэнергии осуществляется по воздушным линиям электропередачи с напряжением от нескольких сот до сотен ты- сяч вольт. Электрическая энергия по системным воздушным сетям передается с напряжением 35, ПО, 150, 220 кВ и выше по шкале номинальных напряжений. Установки, служащие для приема и распределения электроэнер- гии, называются распределительными устройствами (РУ). Они со- держат коммутационные аппараты, сборные и соединительные шины, вспомогательные устройства (компрессорные, аккумуля- торные и другие), а также устройства защиты, автоматики и из- мерительные приборы. К РУ относятся центры питания (ЦП), распределительные пункты (РП), распределительные линии (РЛ). Центром питания называются РУ генераторного напряжения электростанции или РУ вторичного напряжения понижающей подстанции энергосистемы с системой регулирования, к которым присоединяются распределительные сети конкретного района. Распределительным пунктом называется подстанция промыш- ленного предприятия или городской электрической сети, предназ- наченная для приема и распределения электроэнергии с одним на- пряжением без ее преобразования. Распределительной называется линия, питающая ряд транс- форматорных подстанций от ЦП или РП а также крупные электро- установки. Распределительные устройства могут быть открытые (ОРУ — все или основное оборудование расположено на открытом воздухе) и закрытые (ОРУ — оборудование расположено в здании). Особо надо выделить наиболее распространенные комплектные распредели- тельные устройства (КРУ), состоящие из полностью или частич- но закрытых шкафов либо блоков со встроенными в них аппара- тами, устройствами защиты и автоматики, поставляемые в собран- ном или полностью подготовленном для сборки виде и выпуска- емые как для внутренней, так и для наружной установки. 444
Подстанцией называют электроустановку, служащую для пре- образования и распределения электроэнергии и состоящую из трансформаторов или других преобразователей энергии, распре- делительных устройств, устройств управления и вспомогательных сооружений. Подстанция, на которой напряжение переменного тока преоб- разуется с помощью трансформатора, называется трансформатор- ной (ТП). Если напряжение переменного тока на ТП преобразует- ся в более низкое, ее называют понижающей, а если в более высо- кое — повышающей. На трансформаторных подстанциях устанавливают трансфор- маторы, служащие для изменения напряжения. Одновременно с трансформацией напряжения обычно изменяется и число линий. Например, подходят к ТП одна или две линии высокого напря- жения, а отходят от нее несколько линий низкого напряжения. Различают два типа трансформаторных подстанций: открытые, в которых основное оборудование располагается на открытых пло- щадках, и закрытые, оборудование которых размещается в поме- щениях. Если на подстанции трансформация напряжения не произво- дится, а изменяется только число линий, то она называется рас- пределительной. Преобразовательные подстанции служат для выпрямления пере- менного тока или преобразования постоянного тока в переменный. На всех подстанциях устанавливают аппараты для переключе- ния электрических сетей и различные контрольно-измерительные приборы. Электрические сети подразделяются по напряжению на сети низкого — до 1 кВ и высокого — более 1кВ напряжения. Большинство промышленных предприятий получают электро- энергию от подстанций. На подстанциях устанавливается два и более трансформаторов, через которые энергия от энергосистемы по ли- ниям высокого напряжения (35, ПО или 220 кВ) передается на секционированные рабочие (или резервные) шины с напряжением 6... 10 кВ. Подстанция, питающаяся непосредственно от энергетической системы (либо заводской электростанции), называется главной по- нижающей подстанцией (ГПП) предприятия, а подстанция, на которой напряжение понижается непосредственно для питания электроприемников одного или нескольких цехов, — цеховой трансформаторной подстанцией (ТП). Трансформаторные и преобразовательные подстанции, как и распределительные устройства, поставляются комплектными (КТП, КПП) в собранном или полностью подготовленном для сборки виде. 445
Измерение тока и напряжения на шинах распределительных ус- тройств и в электрических цепях производится с помощью транс- форматоров тока или трансформаторов напряжения, служащих для понижения тока или напряжения первичных цепей электроуста- новок переменного тока, а также для питания катушек измери- тельных приборов, устройств релейной защиты и автоматики, при- соединяемых к их вторичным обмоткам. Применение измерительных трансформаторов позволяет: измерять любые напряжения и токи обычными измерительны- ми приборами со стандартными обмотками, рассчитанными на на- пряжение 100 В и ток 5 А; отделять измерительные приборы и реле от напряжений свыше 380 В, обеспечивая безопасность их обслуживания. Первичная обмотка измерительного трансформатора находится под воздействием измеряемой величины, а вторичная — замкнута на изме- рительные приборы и приборы защиты. Прикосновение к измерительным приборам, непосредственно включенным в цепь высокого напряжения, опасно для человека, поэтому в этом случае измерительные приборы и аппаратура автоматической за- щиты (реле) включаются во вторичную цепь измерительных трансформа- торов, связанную с цепью высокого напряжения только через магнит- ный поток в сердечнике. Кроме того, измерительные трансформаторы служат для расширения пределов измерения приборов переменного тока, подобно добавочным резисторам и шунтам. Применение измерительных трансформаторов с различными коэффициентами трансформации по- зволяет использовать приборы со стандартными пределами измерений (100 В и 5 А) при определении самых различных напряжений и токов. Различают два вида измерительных трансформаторов: трансфор- маторы напряжения и трансформаторы тока. Трансформаторы напряжения питают обмотки напряжения из- мерительных приборов и реле (вольтметров, частотомеров, счет- чиков, ваттметров, реле напряжения, мощности и др.) в установ- ках с напряжением 380 В и выше. Трансформаторы тока питают токовые обмотки измерительных приборов и реле (амперметров, счетчиков, ваттметров, реле тока, мощности и др.). Источниками электроснабжения большинства промышленных предприятий являются энергетические системы, но некоторые предприятия получают энергию от собственных заводских элект- ростанций. Выработка и распределение энергии в пределах пред- приятия от собственных электростанций производится в основном в генераторном режиме с напряжением 6 и 10 кВ. Принципиальную схему передачи и распределения электричес- кой энергии см. на рис. 1.5. Электрические цепи распределительных устройств и подстан- ций могут быть первичными и вторичными. 446
К первичным цепям относятся шиноустройства и токоведу- щие части аппаратов, соединяемые в определенной последова- тельности. Ко вторичным относятся цепи, с помощью которых в первич- ных цепях РУ подстанций осуществляются электрические изме- рения, релейная защита, сигнализация, дистанционное управ- ление и автоматизация, т. е. вторичные цепи обеспечивают кон- троль, защиту, удобное и безопасное обслуживание первичных цепей. На принципиальных схемах первичных цепей показывают все основные элементы электроустановки: шиноустройства, разъеди- нители, выключатели, предохранители, трансформаторы, реак- торы и др., а также соединения между ними. Кроме того, чтобы лучше представить себе работу установки и ее отдельных участков, в первичных схемах обычно показывают без электрических соеди- нений основные приборы и аппараты вторичных цепей, измери- тельные приборы, приборы релейной защиты и автоматики. Современные РУ могут иметь различные схемы соединений. На рис. 13.1 приведены упрощенные (без изображения приборов за- щиты и измерения) принципиальные схемы присоединений вво- дов, распределительных и отходящих линий к главным шинам РУ. Рис. 13.1. Принципиальные схемы линейных присоедине- ний к главным шинам РУ: а — через разъединитель и предохранители; б — с выключателем нагрузки; в — с выключателем мощности; г — с выключателем, разрядниками и разъединителями с заземляющими ножами; д — с реактором 447
Линия, приведенная на рис. 13.1, а, присоединяется к главным шинам РУ через плавкие предохранители, которые защищают ее от сверхтоков, и шинный разъединитель, служащий для отсоеди- нения ее в случае необходимости. Включать и отключать разъединителем линию под нагрузкой нельзя, т. е. надо убедиться в том, что нагрузка со стороны потре- бителя снята. Кроме того, необходимо помнить, что отключение свободной от нагрузки линии связано с разрывом ее зарядного тока, который тем больше, чем длиннее линия. Установленный вместо разъединителя выключатель нагрузки (см. рис. 13.1, б) позволяет отключать и включать линию при на- грузке в пределах номинальной. На рис. 13.1, в изображен выключатель, который позволяет включать и отключать линию при любых условиях: при нормаль- ных нагрузках, перегрузках и коротких замыканиях. В этом случае на присоединении устанавливаются измерительные трансформа- торы тока, а линейный и шинный разъединители служат для сня- тия напряжения с выключателя и трансформаторов тока при ос- мотре, ремонте, проверке и других работах. Так как действия с разъединителями возможны только при отключенном выключа- теле, который разрывает цепь тока, порядок отключения линии следующий: сначала отключают выключатель, затем линейный разъединитель и наконец шинный разъединитель. Порядок вклю- чения линии обратный. Такой вариант присоединения к РУ при- меняется для линий с большими нагрузками и большим током ко- роткого замыкания. На рис. 13.1, г показано присоединение, аналогичное изобра- женному на рис. 13.1, в, но с линейным разъединителем, имею- щим заземляющие ножи, и разрядниками. Обычно такая схема при- меняется для присоединения воздушных линий. Заземляющие ножи в этом случае служат для заземления и закорачивания линии пос- ле отключения, так как в отключенной линии возможно возник- новение электрических зарядов, индуктируемых атмосферным электричеством или рядом проложенными линиями. Разрядники предназначены для отвода в землю электрических зарядов атмос- ферного электричества, создающих во включенной линии значи- тельные перенапряжения, опасные для всей установки. В откры- тых РУ разрядники присоединяются непосредственно к главным шинам. Схема присоединения силового трансформатора небольшой мощ- ности с первичным напряжением 6 кВ и вторичным 0,4/0,23 кВ показана на рис. 13.2. Для отключения этого трансформатора от сети служит шинный разъединитель (отключение должно производиться только при холостом ходе трансформатора); защита от высокого и низкого напряжений выполняется плавкими предохранителями. 448
Рис. 13.2. Схема присоединения силового трансформатора мощ- ностью до 400 кВ А Рис. 13.3. Схема присоединения силового трансформатора мощ- ностью выше 400 кВ А На рис. 13.3 показано присоединение более мощного силового трансформатора. В эту схему входят выключатель, предназначенный для оперативных переключений, и релейная защита (РЗ), прибо- ры которой получают питание от измерительных трансформато- ров тока. Применение комплектных распределительных устройств и трансформаторных подстанций позволяет сократить сроки монтаж- ных работ, снизить их стоимость и улучшить качество. Вопросы для самоконтроля I. 1. Как осуществляется передача электрической энергии? 2. Что такое распределительные устройства? 3. Дайте определения центра питания, распределительного пункта, распределительной линии. II. 1. Дайте определение подстанции. 2. Какие типы трансформаторных подстанций вы знаете? 3. Для чего служат трансформаторы? 4. На какое напряжение рассчитываются электрические сети? III. 1. Поясните принципиальную схему передачи и распределения элек- троэнергии. 2. Поясните схему линейных присоединений к главным шинам, РУ 15 Нес герен ко 449
3. Каковы основные элементы трансформаторных подстанций? 4. Поясните схему присоединения силового трансформатора мощ- ностью до 400 кВ-А. 13.2. Силовые трансформаторы Конструкция и технические характеристики Силовые трансформаторы предназначены для преобразования (трансформирования) переменного тока одного напряжения в переменный ток другого напряжения — более низкого или более высокого. Трансформаторы широко применяются в системах передачи и распределения электрической энергии. При передаче от электро- станций к потребителям электроэнергия преобразуется неоднок- ратно: сначала напряжение повышается в целях уменьшения по- терь в линиях электропередачи, а затем снижается до значений, обеспечивающих эффективную и безопасную работу электротех- нических устройств. Преобразование напряжения с помощью трансформаторов позволяет в 7—8 раз повысить выработанную на электростанциях мощность генераторов. Поэтому повышение тех- нических характеристик трансформаторов (cos <р, КПД и др.) яв- ляется одной из важнейших проблем энергоснабжения, решение которой позволяет повысить надежность и качество работы потре- бителей электрической энергии. В настоящее время в России общая мощность установленных трансформаторов достигает 2 млрд кВт при суммарной мощности генераторов электростанций более 300 млн кВт. Трансформаторы, понижающие напряжение, называются по- нижающими, а повышающие напряжение — повышающими. Трансформаторы могут быть двухобмоточными и трехобмоточ- ными. Последние кроме обмоток низкого напряжения (НН) и вы- сокого (ВН) имеют обмотку среднего напряжения (СН). Трехоб- моточный силовой трансформатор позволяет снабжать потребите- лей электроэнергией с разным напряжением. Преобразование напряжения в трансформаторах осуществля- ется за счет переменного магнитного потока двух индуктивно свя- занных между собой обмоток. Обмотка, подключаемая к источ- нику электрической энергии, называется первичной, а обмот- ка, к которой подключается нагрузка — вторичной. Если через трансформатор необходимо осуществить питание двух и более нагрузок с разным напряжением, то выполняется соответствую- щее число вторичных обмоток. Условное обозначение на схемах дву- хобмоточного и трехобмоточного трансформаторов представлено на рис. 13.4. 450
Рис. 13.4. Условные обозначения двухобмоточного (а) и трехоб- моточного (б) трансформаторов В распределительных устройст- вах и подстанциях промышленных предприятий применяются трех- фазные двухобмоточные понижаю- щие трансформаторы, преобразу- ющие напряжения би 10 кВ соот- ветственно в 0,23 и 0,4 кВ. В зависимости от типа изолиру- ющей и охлаждающей среды раз- личают трансформаторы масляные (ТМ) и сухие (ТС). В ТМ основной изолирующей и охлаждающей средой являются трансформаторные масла, в ТС — воздух или твер- дый диэлектрик; в специальных случаях применяется негорючая жидкость — совтолом. По системе охлаждения различают трансформаторы: с масляным дутьевым охлаждением и естественной циркуля- цией масла; масляным дутьевым охлаждением и принудительной циркуля- цией масла; масляно-водяным радиатором и естественной циркуляцией масла; масляно-водяным радиатором и принудительной циркуляцией обеих сред. Масляный трансформатор состоит из балок магнитопровода 2 и 5 (рис. 13.5) и обмоток 3, жестко закрепленных на нем. Для за- щиты от воздействий окружающей среды они помещены в сталь- ной бак 1, герметично закрывающийся крышкой 11. Сквозь крышку с помощью проходных изоляторов (выводов) 13 и 14 цепи обмо- ток ВН выведены наружу. Над крышкой расположен расшири- тель 16, сообщающийся через трубопровод с баком. В разрез со- единительного трубопровода установлено газовое реле 18. Непо- средственно из бака наружу через крышку выведена выхлопная труба 75, нормально закрытая мембраной и предназначенная для аварийных выбросов газов и масла наружу. На крышке смонтиро- вана рукоятка, соединенная с переключателем напряжения 9, рас- положенным под крышкой, и валом, проходящим сквозь крышку в сальниковом уплотнении. Контакты переключателя могут быть электрически соединены с теми или иными регулировочными от- водами 4 обмоток высокого напряжения 3. Крышка сквозными подъемными шпильками соединена с магнитопроводом, нижняя балка которого установлена на дне бака. Наружная резьбовая часть подъемных шпилек 10 предназначена для навертывания съемных грузовых колец (рымов) 12. При работе трансформатор нагревается, так как в проводниках обмоток и в стали магнитопровода происходит потеря энергии. Для 451
Ъ о Рис. 13.5. Трехфазный силовой трансформатор мощно- стью 1000 кВ А с масляным охлаждением: 1 — бак; 2, 5 — соответственно нижняя и верхняя ярмовые балки магнитопровода; 3 — обмотка ВН; 4 — регулировоч- ный отвод к переключателю; 6 — магнитопровод; 7 — дере- вянная планка; 8 — отвод от обмотки ВН; 9 — переключа- тель; 10 — подъемная шпилька; 11 — крышка бака; 12 — подъемное кольцо; 13, 14 — соответственно выводы ВН и НН; 15 — выхлопная труба; 16 — расширитель (консерва- тор); 17 — маслоуказатель; 18 — газовое реле; 19 — цирку- ляционная труба; 20 — маслоспускной кран; 21 каток интенсивного удаления избытка тепла внутренний объем бака за- полняется специальным минеральным маслом. При этом часть мас- ла за счет невольного уклона крышки в противоположную сторо- ну находится в расширителе, исключая возникновение воздушных пузырей под крышкой. Устройство трансформаторов усложняется по мере роста их мощности. Так, при мощности до 25 кВ А баки выполняются глад- кими, при мощности 63... 1600 кВ А они оборудуются одним, дву- мя или тремя рядами охладительных труб, а при более высоких мощностях в них устанавливаются радиаторы и т.д. Рассмотрим отдельные части масляных трансформаторов. 452
Рис. 13.6. Активная часть масляного трансформатора: 1 — ярмо; 2 — обмотка ВН; 3 — обмотка НН; 4 — магнитопровод Основой конструкции трансформатора служит активная часть, состоящая из магнитопровода 4 (рис. 13.6) с расположенными на нем обмотками низкого напряжения 3 и высокого напряжения 2, отводов и переключающего устройства. Магнитопровод, набран- ный из отдельных тонких листов специальной трансформаторной стали, изолированных друг от друга покрытием, состоит из вер- тикальных стержней, соединенных верхним и нижним ярмом. Та- кая конструкция способствует уменьшению потерь от вихревых токов и потерь на нагрев от перемагничивания (гистерезис). Обмотки трансформаторов изготавливают из алюминиевых или медных проводов с прямоугольным или, реже, круглым сечением. В особых случаях применяют проводники с усиленной или тепло- стойкой изоляцией. Проводники большого диаметра обычно заме- няют несколькими проводниками меньшего диаметра, соединен- ными параллельно. Это увеличивает их гибкость и снижает потери от вихревых токов. На стержнях сердечников обмотки обычно располагают концен- трически: сначала на стержни надевают катушки с обмотками НН, 453
а поверх них устанавливают катушки с обмотками ВН. Такое рас- положение обмоток снижает перепады потенциалов между элемен- тами активной части трансформатора и позволяет упростить кон- струкцию изоляции и уменьшить ее толщину. Для увеличения механической прочности активной части и по- вышения динамической устойчивости обмоток к сквозным токам коротких замыканий в промежутки между стержнями магнито- провода и катушками НН, а также между катушками ВН и НН забивают деревянные клинья. Широко распространены трансформаторы с цилиндрическими и непрерывными обмотками (рис. 13.7 и 13.8). Соединительные провода, идущие от концов обмоток и их от- ветвлений и предназначенные для регулирования напряжения, на- зывают отводами. Их изготавливают из неизолированных медных проводов или проводов, изолированных кабельной бумагой либо гетинаксовой трубкой. а х 3 Рис. 13.7. Двухслойная цилиндри- ческая обмотка: J провод; 2 — изолирующая про- кладка (электрокартон); 3 — уравни- тельное кольцо; 4 — внутренний слой; 5 — рейка; а, х — выводы обмоток НН Рис. 13.8. Непрерывная обмотка: 7 — регулировочное ответвление; 2 — катушка; 3 — дистанционная проклад- ка из электрокартона; 4 — опорное изоляционное кольцо; 5 — бумажно- бакелитовый цилиндр 454
Гетинакс — слоистый материал, в котором наполнителем являются листы пропитанной лаком бумаги толщиной 0,1...0,12 мм. Процесс производства гетинакса заключается в пропитке бумаги ба- келитовыми лаками и разрезании ее на листы определенных размеров, которые после сушки собирают в пакеты определенной массы и толщи- ны, прессуют между нагретыми до 160 °C стальными плитами гидрав- шческого пресса и охлаждают. При таком прессовании расплавленная смола склеивает пропитанные листы бумаги и переходит в неплавкое состояние. Гетинакс обладает повышенной механической прочностью и приме- няется при температуре не выше 105 °C. Переключающие устройства обмоток трансформатора служат лля ступенчатого изменения напряжения в определенных преде- лах, а также для поддержания номинального напряжения на за- жимах вторичной обмотки при изменении напряжения на пер- вичной. С этой целью обмотки ВН трансформаторов снабжают регули- ровочными ответвлениями, которые подсоединяют к переключа- телям. Необходимость регулировки напряжения вызвана тем, что в энергосистемах возможны различные отклонения от нормального режима электроснабжения, которые приводят к неэкономичной работе приемников, преждевременному износу и сокращению сро- ков их службы. В трансформаторах могут быть два вида переключений ответв- лений: под нагрузкой (РПН — регулирование под нагрузкой) и без нагрузки после отключения трансформаторов от сети (ПБВ — переключение без возбуждения). С помощью ПБВ и РПМ можно поддерживать напряжение во вторичных обмотках трансформато- ров близким к номинальному. Переключение осуществляется за счет изменения числа витков с помощью регулировочных ответвлений обмоток, т. е. изменения коэффициента трансформации, который показывает, во сколько раз напряжение обмотки ВН больше напряжения обмотки НН или во сколько раз число витков обмотки ВН больше числа витков об- мотки НН. Коэффициент трансформации К = — = — = — (02 Е2 U2.9 где о>1, (о2 — число витков первичной и вторичной обмоток; Е2 — ЭД С первичной и вторичной обмоток; U2 — напряжения на выводах первичной и вторичной обмоток при разомкнутой вто- ричной цепи. 455
9 10 11 Рис. 13.9. Переключатель типа ТПСУ: Коэффициент трансформа- ции можно определить с помо- щью вольтметров, подключен- ных к выводам обмоток при ра- зомкнутой вторичной обмотке (при холостом ходе). Пределы регулирования вто- ричных напряжений для раз- ных трансформаторов различ- ны: на ±10 % это 12 ступенями по 1,67 % или 16 ступенями по 1,25 % с помощью РПН; на ±5 % — четырьмя ступенями по 2,5 % с помощью ПБВ. Переключатели имеют раз- личное конструктивное испол- нение, но принцип действия у них одинаковый: соединение с регулировочными ответвле- ниями обмоток неподвижных контактов и системы подвиж- ных контактов, соединяющих те или иные неподвижные I — контактный болт; 2 — контактный сегмент; 3 — контактный вал; 4 — изоля- ционная часть вала (бакелитовая трубка); 5 — фланец цилиндра; 6 — бумажно-баке- литовый цилиндр; 7 — резиновое уплот- няющее кольцо; 8 — крышка бака транс- форматора; 9 — фланец; 10 — стопорный болт; 11 колпак привода (рукоятка) контакты; при этом переклю- чение осуществляется приво- дом, размещенным на крыш- ке или стенке бака, а переклю- чатель устанавливается на активной части трансформато- ра. В трансформаторах мощно- стью до 1000 кВ А монтируют переключатели марок ТПСУ-9-120/11 иТПСУ-9-120/10 (рис. 13.9). Устройство РПН состоит из переключателя ответвлений, кон- такторной группы, токоограничительногсмэлемента, привода и вспомогательной аппаратуры (автоматики, сигнализации и др.). Пе- реключения осуществляются без обрыва цепи тока. Переключатель ответвлений переводится в новое положение при отсутствии тока в его цепи. Контакторы служат для коммутации цепей с токами и обору- дуются устройствами гашения электрических дуг. Токоограничи- тельные элементы (дроссель, резистор) предназначены для огра- ничения токов в момент короткого замыкания регулировочной ступени обмотки при безобрывном переключении. Цикл РПН с использованием дросселя протекает в течение нескольких секунд. Быстродействующее устройство РПН с резисторами срабатывает 456
ja доли секунды, кроме того, оно имеет малые габариты и про- стую компоновку в трансформаторе, но изготавливается оно из высококачественных материалов с высоким классом точности. Активная часть трансформатора погружается в бак, представ- ляющий собой стальной резервуар овальной формы, заполненный трансформаторным маслом. Трансформаторное масло относится к группе жидких диэлектриков, основное назначение которых — отвод теплоты от нагревающихся внут- ренних частей электрооборудования, гашение электрической дуги в мас- ляных выключателях, усиление электрической прочности твердой изо- ляции и герметизация электрических аппаратов. Масло должно отвечать ряду требований: электрическая прочность (минимальное пробивное напряжение) при 20 °C и частоте тока 50 Гц должна быть не ниже 15 кВ; кислотное число — не более 0,05 мг на 1 г масла; температура вспышки паров — не ниже +135 °C; температура за- стывания — не выше -35 °C; зольность — не более 0,005 %. Трансформаторное масло не должно содержать водорастворимых кис- лот, щелочей и механических примесей. Масло, являясь охлаждающей средой, отводит тепло, выделя- ющееся в обмотках и магнитопроводе, и отдает его в окружаю- щую среду через стенки и крышку бака, кроме того, оно повыша- ет степень изоляции между токоведущими частями и заземленным баком. Для увеличения поверхности охлаждения трансформатора баки изготавливают ребристыми, вваривают в них трубы или снабжают съемными радиаторами. Только у трансформаторов мощностью до 25 кВ - А стенки бака гладкие. Радиаторы присоединяются к стен- кам баков патрубками со специальными радиаторными кранами. У верхнего торца к стенкам бака приваривают раму из угловой или полосовой стали, к которой крепят крышку на прокладках из мас- лоупорной резины. В нижней части бака у трансформаторов любого типа имеется кран для взятия пробы и слива масла, а в днище трансформато- ров мощностью выше 100 кВ -А — пробка для спуска осадков пос- ле слива масла через кран. Через второй кран, установленный на крышке бака, в него заливают масло. Оба крана одновременно слу- жат для присоединения к ним маслоочистительных аппаратов. Ко дну бака трансформаторов массой выше 800 кг приваривают те- лежку с поворотными катками. Конструкция катков позволяет изме- нять направление передвижения трансформаторов. Для подъема трансформатора на баке имеется четыре кольца (рыма). Активная часть поднимается за скобы в верхних консолях магнитопровода. На крышке бака размещаются вводы, расширитель и защитные устройства (выхлопная предохранительная труба, реле давления, газовое реле, пробивной предохранитель). К стенкам бака прива- 457
ривают подъемные крюки, прикрепляют манометрический сигна- лизатор (у трансформаторов мощностью свыше 1000 кВ-А) и ус- танавливают фильтры. Вводы представляют собой фарфоровые проходные изоляторы, через которые обмотки трансформатора присоединяются к элект- рическим сетям. Фарфор относится к электрокерамическим материалам. Из него изго- тавливают изоляторы для высокого и низкого напряжений. Исходная электрофарфоровая масса состоит из глинистых веществ (42...50%), кварца (20...25 %), калиевого полевого шпата (22...30%) и измельченных бракованных фарфоровых изделий (5... 8 %). При изготов- лении изоляторов в измельченные компоненты вводят 20...22% воды, после чего тестообразную фарфоровую массу подвергают вакуумной об- работке с целью извлечения из нее воздушных включений. Монолитный цилиндр, полученный в вакуум-прессе, на выходе из мундштука разре- зается на заготовки, из которых изготавливают (оформляют) изоляторы различного типа. Покрытие фарфоровых изделий жидкой глазурной суспензией (глазурью), отличающейся большим содержанием стеклообразу- ющих компонентов, обеспечивает повышение механической проч- ности изоляторов и устойчивость их к влаге и атмосферным за- грязнениям. Большинство трансформаторов оборудовано расширителями (рис. 13.10), обеспечивающими постоянное заполнение бака мас- лом и уменьшение поверхности соприкосновения масла с возду- хом, а следовательно, защищающими масло от увлажнения и окис- ления. У расширителя есть отверстие для всасывания и вытеснения воз- духа при изменении уровня содержащегося в нем масла (дыхатель- ная пробка). Он имеет цилиндрическую форму и закрепляется на кронштейне, установленном на крышке 6 трансформатора. Расширитель сообщается с баком трансформатора через трубу, которая не выступает ниже внутренней поверхности крышки транс- форматора и заканчивается внутри расширителя выше его дна во избежание попадания осадков масла в бак 1. Внутренняя поверх- ность расширителя имеет покрытие, служащее для защиты его от коррозии и предохранения масла от соприкосновения с металли- ческой поверхностью. В нижней части расширителя имеется отвер- стие для слива масла с пробкой. Объем расширителя определяется из расчета, что уровень мас- ла должен оставаться в его пределах как летом при температуре +35 °C и полной нагрузке трансформатора, так и зимой при мини- мальной температуре м^сла и отключенном трансформаторе. Обыч- но объем расширителя составляет 11... 12 % от объема масла в баке трансформатора. Для наблюдения за уровнем масла на боковой 458
Рис. 13.10. Расширитель: 7 — бак; 2 — маслоуказатель; 3 — маслоуказательное стек- ло; 4 — угольник; 5 — запирающий болт; 6 — крышка транс- форматора; 7 — газовое реле; 8 — плоский кран; 9 — тру- бопровод; 10 — опорная пластина стенке расширителя имеется маслоуказатель 2, выполненный в виде стеклянной трубки в металлической оправе. В герметичных масляных трансформаторах и трансформаторах с жидким негорючим диэлектриком защита поверхности масла осу- ществляется сухим азотом, а в трансформаторах, заполненных со- втолом-10, — сухим воздухом. Негерметичные масляные трансфор- маторы мощностью от 160 кВ А, в которых масло в расширителе соприкасается с окружающим воздухом, имеют термосифонный или адсорбционный фильтр. А трансформаторы мощностью от 1 МВ-А с естественным масляным охлаждением и азотной подушкой — тер- мосифонный фильтр (кроме трансформаторов с жидким негорю- чим диэлектриком). Масляные трансформаторы мощностью от 1 МВ-А с расшири- телем снабжаются защитным устройством, предупреждающим повреждение бака при внезапном повышении внутреннего давле- ния более 50 кПа. К защитным устройствам относятся выхлопная труба со стеклянной диафрагмой и реле давления, которые рабо- тают следующим образом. Нижний конец выхлопной трубы соединяется с крышкой бака, а на верхний ее конец устанавливается тонкая стеклянная мемб- рана (2,5...4 мм) диаметром 150, 200 или 250 мм, которая, разру- 459
Рис. 13.11. Газовое реле ПГ-22: 1 — корпус; 2 — нижний ртутный контакт; 3 — опорный стержень для крышки; 4 — сое- динительный провод; 5 — верхний ртутный контакт; 6 — крышка реле; 7 — фарфоровый изолятор; 8 — зажим; 9 — кран; 10 — рамка для рабочих элементов; 11 — ось вращения верхнего поплавка; 12 — верхний поплавок; 13 — груз; 14 — скоба; 75 — нижний попла- вок; 16 — ось вращения нижнего поплавка; 17 — пробка спускного отверстия шаясь при определенном давлении, выпускает газ и масло нару- жу, не допуская деформации бака. Основными элементами реле давления, размещаемого на внутренней стороне крышки транс- форматора, являются ударный механизм и стеклянная диафрагма. При достижении определенного давления в баке ударный меха- низм срабатывает, разбивает диафрагму и обеспечивает тем самым свободный выход газам. В масляных трансформаторах и трансформаторах с жидким ди- электриком и азотной подушкой без расширителя реле атмосфер- ного давления срабатывает при повышении внутреннего давления более 75 кПа. Трансформаторы мощностью от 1 МВ-А с расширителем, имеют также газовое реле, которое реагирует на повреждения внутри бака (электрический пробой изоляции, витковое замыкание, мест- ный нагрев магнито провода), сопровождающиеся выделением газа или резким увеличением скорости перетекания масла из бака в расширитель. Выделение газа происходит в результа- те разложения масла и дру- гих изоляционных материа- лов под действием высокой температуры, возникающей в месте повреждения. Газо- вое реле (рис. 13.11), уста- навливаемое обычно на тру- бопроводе, который соеди- няет расширитель с баком, имеющим наклон к гори- зонтали от 2 до 4°, представ- ляет собой металлический корпус (резервуар) 1, в ко- торый встроены два распо- ложенных один над другим поплавка 12 и 15, снабжен- ных ртутными контактами 5 и 2. Поплавки могут повора- чиваться на осях 11 и 16, опирающихся на подшип- ники. Нормально корпус реле заполнен трансформа- торным маслом, а ртутные контакты разомкнуты. При повреждениях в трансфор- маторе выделяющиеся газы 460
поднимаются к расширителю, скапливаются в верхней части реле п вытесняют масло. Вследствие понижения уровня масла верхний поплавок опускается, вращаясь вокруг оси, ртуть в его колбочке переливается, замыкает ртутные контакты и приводит в действие предупредительную сигнализацию. При опускании нижнего по- плавка замыкаются ртутные контакты, вызывающие отключение трансформатора. При коротком замыкании в трансформаторе процесс газооб- разования протекает интенсивно, под действием газов масло выб- расывается в сторону расширителя, оба поплавка опрокидывают- ся, и трансформатор мгновенно отключается. Пробивные предохранители служат для защиты от пробоя обмо- ток ВН на обмотки НН. Устанавливают их на крышке бака и под- соединяют к нулевому вводу НН, а при напряжении 690 В — к ли- нейному вводу. При пробое изоляции между обмотками ВН и НН промежуток между контактами, в котором проложены тонкие слюдяные пла- стины с отверстиями, пробивается, и вторичная обмотка оказы- вается соединенной с землей. Для заземления трансформаторов служит специальный зазем- ляющий контакт с резьбой (не менее Ml2), расположенный в до- ступном месте нижней части бака со стороны обмотки НН и обо- значенный четкой несмывающейся надписью «Земля» или знаком заземления. Поверхность заземляющего контакта должна быть глад- кой и зачищенной; заземление осуществляется подсоединением стальной шины с сечением не менее 40 х 4 мм. Температура обмоток трансформаторов не должна превышать 160 °C. Так как измерить непосредственно температуру обмоток весьма сложно, обычно измеряют температуру масла в баке, ко- торая зависит от нагрузки трансформатора и температуры окру- жающей среды. По нормам максимальная температура верхних слоев масла не должна превышать 95 °C, но практически она даже в жаркие дни не превышает 70 °C, однако при одной и той же нагрузке темпе- ратура масла летом выше, чем зимой. Для измерения температуры масла на трансформаторах устанав- ливаются ртутные термометры со шкалой от 0 до 150 °C или тер- мометрические сигнализаторы (ТС) со шкалой от 0 до 100 °C. По- следние снабжены двумя передвижными контактами, которые можно устанавливать на любую температуру в пределах шкалы. Пер- вый контакт, включенный в сигнальную цепь, при определенной температуре масла подает сигнал, а в случае дальнейшего ее по- вышения второй контакт, соединенный с реле, отключает транс- форматор. На трансформаторах мощностью от 6300 кВ А устанав- ливаются термометры сопротивления. 461
Термосифонный фильтр (рис. 13.12) предназначен для поддер- жания изоляционных свойств масла и, следовательно, продления срока его службы. Он представляет собой цилиндрический аппа- рат, заполненный активным материалом — сорбентом (поглоти- телем продуктов старения масла). Фильтр присоединяют к баку трансформатора двумя патрубками и промежуточными плоскими кранами. Работа фильтра основана на термосифонном принципе: более нагретое масло верхних слоев, проходя через охлаждающее устройство, опускается вниз. Термосифонный фильтр подсоединен параллельно радиаторам, следовательно, масло проходит через него сверху вниз и непрерывно очищается. Такие фильтры устанавлива- ются на трансформаторах мощностью от 160 кВ А. Для сушки и очистки увлажненного и загрязненного воздуха, поступающего в расширитель при температурных колебаниях мас- ла, все трансформаторы снабжаются воздухоочистительным фильт- Рис. 18.12. Термосифонный фильтр: 1 — радиаторный кран; 2 — загрузоч- ный люк; 3 — пробка с отверстием для выпуска воздуха; 4 — силикагель; 5 — сетка; 6 — дно с отверстиями; 7 — проб- ка для отбора пробы масла; 8 — пробка для слива масла; 9 — корпус фильтра; 10 — стенка бака трансформатора Рис. 13.13. Воздухоочисти- тельный фильтр: 1 — дыхательная трубка расши- рителя; 2 — соединительная муфта; 3 — смотровое окно; 4 — бак трансформатора; 5 — мас- ляный затвор; 6 — указатель уровня масла в затворе; 7 — кронштейн 462
ром — воздухоосушителем (рис. 13.13), размещенным на дыхатель- ной трубке 1 расширителя. Воздухоосушитель представляет собой цилиндр, заполненный силикагелем. В нижней части цилиндра рас- полагается масляный затвор 5 для очистки засасываемого воздуха, а в верхней — патрон с индикаторным силикагелем, который при увлажнении меняет свою окраску с голубой на розовую. Особенности конструкции сухих трансформаторов. Масляный трансформатор взрыво- и пожароопасен, поэтому, когда недопу- стимо их применение, используют сухие трансформаторы или трансформаторы с негорючим заполнителем (совтолом, пирано- лом, кварцевым песком). Сухие трансформаторы можно устанав- ливать непосредственно в цехах промышленных предприятий без устройства специальных трансформаторных камер. Силовые трехфазные сухие трансформаторы (рис. 13.14) в защи- щенном исполнении выпускаются мощностью от 160 до 1600 кВ-А Рис. 13.14. Силовой трехфазный сухой трансформатор: 1 — активная часть; 2— ввод ВН; 3,9 — соответственно коробки вводов ВН и НН; 4 — крышка люка; 5 - кожух; 6, 8 — соответственно кольцо и пла- стина для подъема трансформатора; 7 — шина; 10 — тележка; 11 — каток 463
с обмотками, рассчитанными на высокое напряжение 6 (10) кВ и низкое напряжение 0,23; 0,4 и 0,69 кВ. ГОСТ 14074—76 преду- сматривает также выпуск сухих трансформаторов мощностью ме- нее 160 кВ А (25, 40, 66, 100 кВ А). Сухой трансформатор состоит из защитного кожуха и актив- ной части, связанной с крышкой. Обмотки его выполнены из мед- ного провода, изолированного стеклопряжей, пропитаны глиф- талевым лаком и покрыты эмалью. Кожухи таких трансформаторов изготавливаются разборными, из листовой стали, прямоугольной формы. В их стенках имеются вентиляционные жалюзи для охлаж- дения обмоток и магнитопровода. Обмотки ВН имеют дополнительные ответвления для измене- ния коэффициента трансформации относительно номинального на ±5 % со ступенями по 2,5 %. Переключения производятся толь- ко после отключения обмоток ВН и НН от сети. Переключающее устройство представляет собой гетинаксовую панель с зажимами, прикрепленную угольниками к верхней ярмовой балке. К ней под- водятся дополнительные ответвления; переключения производятся специальными перемычками. Сухие трансформаторы изготавливаются с вводами ВН, распо- ложенными слева или справа. Сухие трансформаторы мощностью 160, 250 и 400 кВ А снаб- жаются только опорной рамой-салазками, а трансформаторы мощностью 630, 1000 и 1600 кВ-А — тележкой с катками, кото- рые можно переставлять для продольного и поперечного пере- движений. Обозначение трансформаторов В обозначении трансформаторов условно буквами отражается их конструкция, а также основные электрические параметры. Буквы обозначают: первая — число фаз (О — однофазный, Т — трехфазный), вторая или две — вид охлаждения (М — естествен- ное масляное, С — сухое без масла, Д — дутьевое, Ц — циркуляци- онное, ДЦ — принудительное циркуляционное с дутьем), третья — число обмоток (Т — трехобмоточный). Буква Н, расположенная далее, указывает на наличие устрой- ства для регулирования под нагрузкой, а вторая буква Н означа- ет, что трансформатор заполнен негорючим жидким диэлект- риком. Кроме того, для трансформаторов с напряжением от 110 кВ при- меняют некоторые дополнительные обозначения: Г — грозоупор- ное исполнение, В — со встроенными трансформаторами тока на вводах ВН и др. Для автотрансформаторов, которые в отличие от трансформаторов имеют одну обмотку, сначала указывают букву А. 464
Первая цифра, стоящая после буквенного обозначения транс- форматора, показывает номинальную мощность (кВ-А), вторая — номинальное напряжение обмотки ВН (кВ); в последнее время добавляют еще две цифры, означающие год разработки транс- форматора данной конструкции. Например, марка трансформа- тора ТМ-1000/10—63 расшифровывается так: трехфазный, с есте- ственным масляным охлаждением, двухобмоточный, мощность 1000 кВ А, напряжение обмотки ВН 10 кВ, конструкция 1963 г. Распределение трансформаторов по габаритам Трансформаторы условно в зависимости от мощности и класса изоляции обмоток подразделяются на семь групп — габаритов (табл. 13.1). Основными техническими данными, характеризующими транс- форматор, являются номинальные мощность (кВ А) и напряже- ние обмоток ВН и НН (кВ), группа соединения обмоток, номи- нальные токи обмоток (А) и напряжение короткого замыкания Цс, (%) Таблица 13.1 Характеристика силовых масляных трансформаторов Габарит Напряжение, кВ Мощность, кВ-А I 6...10 16, 25, 40, 63, 100 II До 35 160, 250, 400, 630 III До 35 1000, 1600, 2500, 4000, 6300 IV До 35 10000, 16000, 25 000, 32 000, 40000, 63 000, 80000 ПО 2500, 63 000, 10000, 16000, 25 000, 32 000, 40000, 63 000, 80000 150...220 До 40 000 у НО 10 0000... 40 0000 150...220 63 000... 320 000 VI 150 и 220 0т400000 350 и 500 Любая VII От 750 » 465
Трехфазные силовые трансформаторы изготавливают следующих мощностей: 10, 16, 25, 40, 63 кВ-А, а также с десятикратно уве- личенной мощностью, т. е. 100, 160, 250, 400, 630 кВ-А и т.д. Схемы трансформаторов и группы соединения их обмоток по- казаны на рис. 13.15. Группу соединений определяют углом сдвига вектора вторич- ного линейного напряжения относительно вектора первичного линейного напряжения. Для удобства принято пользоваться часо- вым обозначением угла сдвига векторов. При любой схеме соеди- нения обмоток угол сдвига может быть кратным только 30°, по- этому окружность (360°) делится на 12 равных частей. При этом угол сдвига отсчитывается только по часовой стрелке, т. е. группе соединения 1 соответствует сдвиг между векторами вторичного и первичного напряжений 30°, группе 6 — 180° и т.д. Группе 0 соот- ветствует группа 12, т. е. угол сдвига между векторами в этом слу- чае равен нулю. Холостым ходом, или холостой работой, трансформатора назы- вают режим, при котором его вторичная обмотка разомкнута, а на зажимы первичной — подано напряжение. Ток холостого хода составляет 3,5... 10 % от тока номинальной нагрузки трансформа- тора. Рис. 13.15. Схемы и группы соединения обмоток трехфазных двухобмо- точных трансформаторов: Y — звездой; А — треугольником; Y — звездой с выводом нейтрали; над чертой — соединение обмоток ВН; под чертой — НН; 11 — угловое смещение векторов линейных напряжений обмоток ВН и НН в 330’ (30’ х 11) 466
Номинальной мощностью трансформатора называют условную расчетную мощность, которую трансформатор, установленный фактически на открытом воздухе, может, не прерываясь, отдавать в течение всего срока службы при номинальных температурных ус- ловиях (выбираются из расчета максимальной температуры окру- жающего воздуха 35 °C и среднегодовой 5 °C). Напряжение короткого замыкания UK 3 характеризует индуктив- ное сопротивление обмотки и измеряется в процентах от номи- нального. Оно показывает, какое напряжение нужно подать на обмотку ВН, чтобы в короткозамкнутой обмотке НН проходил ток, равный номинальному току этой обмотки. Например, если UK,3 равно 5,5 %, а номинальное напряжение обмотки ВН 10 кВ, то для получения в короткозамкнутой обмотке НН номинального тока надо подать на обмотку ВН 550 В (5,5 % от 10 кВ). Для отечественных трансформаторов £7к.з составляет от 5,5 до 7,5 %. Напряжение короткого замыкания характеризует распре- деление нагрузок между трансформаторами при их параллельной работе. Если у включенных на параллельную работу трансформа- торов UK 3 равны, нагрузка распределяется между ними пропор- ционально их мощности, а при одинаковых мощностях трансфор- маторов, включенных на параллельную работу, нагрузка распре- деляется между ними обратно пропорционально С7К 3. Напряжение указывают на паспортных табличках, укрепленных на кожухе трансформатора. Условия параллельной работы трансформаторов следующие: равенство номинальных первичных и вторичных напряжений; тождественность групп соединения обмоток; равенство напряжений короткого замыкания. Рекомендуемое д ля параллельно соединенных трансформаторов отношение максимальной и минимальной мощностей 3:1. Нагрузка между двумя параллельно работающими трансформа- торами должна распределяться согласно выражению £ Si ( с Л ( гт Л 131 ном 2к.з < ^2 ном / ^Лк.з > где 51,— полные мощности двух параллельно работающих транс- форматоров; ^ном, 52Н0м — номинальные мощности этих же транс- форматоров; £71кз, С^к-з — напряжения короткого замыкания этих же трансформаторов. Вопросы для самоконтроля I. 1. Для чего предназначены силовые трансформаторы? 2. Какие обмотки напряжения имеют трансформаторы? 467
3. Поясните процесс преобразования напряжения в трансформаторах. 4. Что представляют собой трансформаторы масляные и сухие? IL 1. Каковы основные элементы силового трехфазного трансформатора? 2. Что представляет собой активная часть трансформатора? 3. Какие трансформаторные обмотки вы знаете? 4. Поясните процесс передачи электроэнергии между обмотками трансформатора. III. 1.Из какого материала изготавливают изоляторы? 2. Каковы назначение и конструкция расширителя? 3. Для чего служат переключающие устройства трансформатора? 4. Каково назначение газового реле в трансформаторе? 5. Что такое электрический пробой изоляции? 6. Что такое тепловой пробой изоляции? 7. Каково назначение воздухоочистительного фильтра? 8. Поясните особенности конструкции сухих силовых трансфор- маторов. 9. Какие схемы и группы соединений обмоток трехфазных трансфор- маторов вы знаете? 10. Дайте определения холостого хода, номинальной мощности, напря- жения и короткого замыкания. 13.3. Монтаж силовых трансформаторов Технология монтажа силовых трансформаторов предусматривает следующую последовательность работ: приемка монтажной площадки или помещения для монтажа; приемка трансформатора в монтаж, проверка герметичности; предварительная оценка состояния изоляции; ревизия трансформатора (в случае необходимости); подготовка узлов и деталей трансформатора; подготовка к контрольному прогреву, подсушке и сушке; суш- ка трансформатора (при необходимости после предварительной оценки состояния изоляции); заливка трансформатора и пропитка изоляции маслом после сушки; проверка изоляционных характеристик после заливки масла, окончательная сборка и монтаж трансформатора и всех узлов, пе- рекатка его на место установки; испытание и наладка, включение трансформатора. Погрузка, транспортировка и выгрузка трансформаторов На стадии подготовки предприятие-заказчик должно поставить на монтажную площадку необходимое подъемно-транспортное, та- келажное, инвентарное оборудование, обеспечить наличие элек- 468
гроэнергии, материалов, инструментов и приспособлений, а так- же готовность фундаментов с рельсовыми путями. Поскольку трансформаторы имеют большие массы, в их мон- таже значительное место занимают такелажные работы. Трансформаторы I... III габаритов перевозят полностью собран- ными и залитыми маслом до нормального уровня, за исключени- ем трансформаторов мощностью от 2600 кВ А, которые транспор- тируют с демонтированными радиаторами. Перевозку трансфор- маторов осуществляют, как правило, железнодорожным или ав- томобильным транспортом соответствующей грузоподъемности (автомашинами, тракторными прицепами и др.); на шоссейных или грунтовых дорогах допускается применять специальные сани, конструкция которых должна соответствовать нормам на перевоз- ку, схемам погрузки и способам крепления на безрельсовом транспорте. Перевозка трансформаторов волоком или на металлических ли- стах запрещается. Выгрузку трансформаторов производят подъемными кранами. Сняв все распорки, упоры и растяжки, укрепляющие трансфор- матор на платформе, его поднимают за четыре крюка, приварен- ных к стенам бака, а небольшой трансформатор — за подъемные рамы на крышке. Стропы для подъема трансформаторов подбирают такой дли- ны, чтобы угол расхождения их ветвей не превышал 60°, а угол наклона к вертикали — 30° Увеличение угла расхождения стропов и наклона к вертикали вызывает усиление натяжения. При невоз- можности выполнения этого условия применяют траверсу. В местах соприкосновения стропов с острыми краями груза не- обходимо подкладывать прокладки для предохранения тросов от перетирания. Последние не должны касаться выступающих частей трансформатора (вентилей, радиаторов, вводов, выхлопной тру- бы и др.). Сначала делают пробный подъем трансформатора на вы- соту до 200 мм, затем опускают его на место и, если не обнаруже- но никаких отклонений, приступают к разгрузке. Перед началом разгрузки необходимо убедиться, что масса раз- гружаемого трансформатора соответствует допустимой нагрузке крана, а также испытать его тормозные устройства. При отсутствии крана трансформаторы выгружают с помощью лебедок и домкратов. После выгрузки и транспортировки трансформатор надо под- готовить к монтажу или длительному хранению. Соблюдение ус- ловий доставки и хранения трансформаторов обеспечивает возмож- ность их включения без предварительной сушки. Трансформатор принимает заказчик вместе с представителем транспортирующей организации. При внешнем осмотре проверя- ют надежность его крепления на платформе, наличие и исправ- 469
ность комплектующих приборов и изделий по накладной постав- щика и ведомости демонтажа, отсутствие вмятин на баке, радиа- торах, расширителе, выхлопной трубе, герметичность уплотнений, целость сварных швов и фарфоровых вводов, а также сохранность пломб на всех кранах для масла. Результаты приемки оформляют- ся актом. Трансформаторы, транспортируемые с завода с установленны- ми расширителями и заполненные маслом, хранят как резервные, подготовленные к эксплуатации: проверив уровень масла в рас- ширителе, при необходимости доливают его; периодически, от- крыв пробку грязевика расширителя, выпускают скопившиеся там осадки; проверяют электрическую прочность масла и при необхо- димости очищают его. На трансформаторах, транспортируемых заполненными маслом ниже уровня крышки (от 100 до 200 мм), но с демонтированны- ми расширителями, необходимо установить расширитель не по- зднее чем через 6 мес. после отправки с завода-изготовителя и долить чистое сухое масло. Проверяют также нет ли примесей в масле, залитом и находя- щемся в баке трансформатора. Если срок хранения трансформатора превышает 6 мес., уста- навливают расширитель временно и доливают в трансформатор масла, при этом монтируют воздухоосушитель, через который по- лость расширителя будет сообщаться с окружающим воздухом. В период хранения следует также контролировать уровень масла в расширителе и при необходимости доливать его. При хранении транс- форматора более года надо не реже одного раза в 3 мес. производить испытание пробы масла на электрическую прочность (пробой). Герметичность уплотнений проверяют перед началом монтажа или перед доливкой масла. Если трансформатор транспортировал- ся с расширителем и заполненный маслом, то о герметичности его уплотнений можно судить по отметкам маслоуказателя. До проверки герметичности не разрешается подтягивать уплот- няющие болты. Герметичность трансформаторов, транспортировав- шихся с маслом, но без расширителя, проверяют по давлению мас- ла в течение 3 ч, для чего устанавливают на крышке трубу высо- той 1,5 м и диаметром 1... 1,5" с резьбой и уплотняющей гайкой на нижнем конце и воронкой на верхнем. Трансформатор считают герметичным, если при проверке не наблюдалось течи в местах, расположенных выше уровня масла. Допускается также проверка путем создания в баке избыточного давления 15 кПа. В этом случае трансформатор считается герметичным, если за 3 ч давление по- нижается не более чем на 2 кПа. Радиаторы должны храниться под навесом. Надо помнить, что внутреннее ржавление устранить невозможно, поэтому необходи- 470
мо проследить за надежностью уплотнения их торцов заглушками с резиновыми прокладками. Расширитель, поступивший отдельно, при невозможности не- медленной его установки на трансформатор следует освободить от остатков масла, промыть сухим маслом и тщательно уплотнить все его пробки и заглушки. Вспомогательную аппаратуру (газовое реле, термометры, оборудование для охлаждающего устройства, запас- ной изоляционный материал) хранят в закрытом сухом месте в заводской упаковке. Выхлопную трубу, каретку с катками и другие детали, транс- портируемые без специальной упаковки, можно хранить на дере- вянных настилах под навесом, защищающим их от прямого попа- дания осадков. При приемке в монтаж трансформаторы тщательно осматри- вают. Проверяют крепления, целость сварных швов, отсутствие течи масла из бака, комплектность деталей (соответствие заводским упа- ковочным документам, спецификациям и техническим условиям на поставку). Осматривают и проверяют состояние радиаторов, вво- дов, расширителей, вспомогательных деталей и др. Убеждаются в отсутствии поломок, повреждений, заводских дефектов, а также в сохранности отделки и окраски, наличии пломб на масляных кра- нах. Поверхности фарфоровых деталей должны быть полностью покрыты глазурью, не иметь трещин и отбитых краев. Приемка трансформатора в монтаж оформляется соответству- ющим актом. Одновременно заказчик получает техническую до- кументацию завода-изготовителя: паспорт, протоколы испытаний, ведомость демонтажа и др. Ревизия трансформаторов Для силовых трансформаторов на напряжение до 35 кВ ревизия активной части не предусматривается при условии соблюдения тре- бований, изложенных в ГОСТе и инструкции по их транспорти- ровке, хранению, монтажу и вводу в эксплуатацию. Условиями монтажа трансформатора без ревизии являются от- сутствие внешних повреждений (по результатам осмотра) и внут- ренних дефектов (по данным измерений в процессе приемки). Решение о монтаже без ревизии принимает монтажная орга- низация на основании анализа документов, составленных в про- цессе транспортировки, разгрузки, хранения и приемки транс- форматора. Решение оформляется протоколом, составленным с участием представителей заказчика и пусконаладочной органи- зации. При обнаружении нарушений требований инструкций (ОДХ 458003—70 и РТМ 16.687000—73) или повреждений и дефек- тов трансформатора производят ревизию его активной части. 471
Ревизия трансформатора заключается в его вскрытии, осмот- ре, проверке, устранении обнаруженных неисправностей и выпол- нении герметизации активной части. Если во время осмотра вскры- того трансформатора будут обнаружены дефекты, вопрос о спо- собе проведения ревизии решается на месте монтажа с учетом конструкции трансформатора и характера дефекта. Если внутрь трансформатора попали какие-либо металлические детали, необходимо поднять активную часть и полностью слить мас- ло из бака. Поэтому при работах, связанных со вскрытием транс- форматора, надо осторожно обращаться с гайками, болтами, шай- бами, шплинтами и другими деталями, а ручной инструмент при- вязывать. Упавшие в бак и не извлеченные оттуда металлические детали могут привести к аварии. Если необходимо выполнить сушку изоляции трансформатора, ревизию проводят после ее окончания. Рассматриваемые трансфор- маторы очень редко подвергаются ревизии, но при необходимос- ти ее выполняют не электромонтажники, а специализированная организация или электромонтеры-эксплуатационники в соответ- ствии с инструкцией. При вскрытии трансформатора для ревизии его активная часть контактирует с окружающим воздухом, т. е. увлажняется, поэтому время ревизии ограничивается (табл. 13.2). В зависимости от условий монтажа ревизия может производиться в любых помещениях или на открытом воздухе. В обоих случаях дол- жны быть исключены условия, при которых возможна конденса- ция влаги, содержащейся в воздухе, на частях трансформатора. Для этого температура его активной части должна быть всегда выше температуры окружающей среды. Ревизию в помещении с температурой 20 °C и выше при отно- сительной влажности воздуха до 65 % производят без прогрева ак- тивной части. В этом случае трансформатор выдерживают в помеще- нии до вскрытия в течение времени, необходимого для выравнива- ния температур. При температуре воздуха в помещении О...2О°С Таблица 13.2 Допустимая продолжительность пребывания активной части трансформатора на открытом воздухе, при минусовой температуре Мощность трансформатора, кВА Напряжение трансформатора, кВ Относительная влажность воздуха, % Продолжитель- ность ревизии, ч до 65 65... 80 более 80 До 6300 До 35 кВ 24 16 12 12 От 10 000 От 35 кВ 16 12 8 8 Любая От 110 кВ 16 12 8 8 472
перед ревизией активную часть прогревают до температуры, пре- вышающей на 10 °C и более температуру воздуха. Если же в поме- щении температура менее 0 °C, независимо от влажности воздуха перед началом ревизии активную часть прогревают до температу- ры, превышающей температуру воздуха не менее чем на 20 °C. В слу- чае, когда в помещении относительная влажность воздуха более 80 %, в течение всего времени ревизии должен быть обеспечен по- догрев активной части с превышением любой температуры окру- жающего воздуха не менее чем на 10 °C. Температура активной ча- сти измеряется на верхнем ярме магнитопровода. Вне помещения при температуре 20 °C и выше и относитель- ной влажности воздуха до 65 % ревизия может проводиться без по- догрева активной части, а при относительной влажности воздуха 65...80% — с предварительным ее подогревом до значений, пре- вышающих окружающую температуру не менее чем на 10 °C. При температуре от 0 до 20 °C и влажности воздуха до 80 % должен быть обеспечен постоянный подогрев активной части до температуры, превышающей окружающую не менее чем на 10 °C. При отрица- тельных температурах независимо от влажности воздуха перед нача- лом работ активную часть прогревают до установившегося превы- шения значений окружающей температуры не менее чем на 20 °C. При влажности более 80 % независимо от температуры воздуха обеспечивают постоянный подогрев активной части до темпера- туры, превышающей окружающую не менее чем на 10 °C. Обязательным условием проведения ревизии трансформаторов вне помещения является ясная сухая устойчивая погода. Темпера- туру и влажность воздуха контролируют каждый час. Объем и последовательность работ при ревизии трансформаторов 1. Установить трансформатор по уровню, выверяя горизонталь- ность рамы бака по разъему. 2. Снять заглушки на крышке и стенках бака (болты при сня- тии заглушек отпускают равномерно по всему периметру разъема). 3. Снять заглушку с временными вводами (если они были уста- новлены для предварительного измерения характеристик изоля- ции). 4. Удалить цилиндры маслонаполненных вводов, закреплен- ных на заглушках (снятые цилиндры хранить в масле или герме- тичной упаковке). 5. Снять транспортные крепления активной части к баку, ос- лабить распорные винты, если они предусмотрены конструкцией трансформатора. 6. Снять приводы и изоляционные валы переключателей, если они препятствуют подъему активной части трансформатора или 473
съемной части бака. Промаркировать валы и приводы (снятые валы хранить в масле или в герметичной упаковке). 7. Проверить крепление отводов. Отсоединить отводы от вво- дов, контакторов, переключателей и других деталей, которые пре- пятствуют подъему активной части трансформатора или съемной части бака. Подвязывать их так, чтобы они не мешали подъему ак- тивной части на бак, если он укреплен. 8. Отсоединить заземление активной части на бак, если оно препятствует ее подъему или подъему съемной части бака. 9. Снять крышку, поднять активную часть трансформатора или снять съемную часть бака (при снятии крышки или съемной части бака отпускать болты равномерно по всему периметру разъема). Подъем производить в строгом соответствии с указаниями габа- ритного чертежа, при этом следить за тем, чтобы между баком и активной частью был зазор по всему периметру. Подъем с перекосом запрещается. 10. Установить активную часть на деревянных подкладках, вы- ложенных горизонтально по уровню. Запрещается производить работы, если активная часть транс- форматора или съемная часть бака находится на весу. 11. Установить временные стеллажи для обеспечения удобных и безопасных условий при ревизии активной части и проведении ра- бот на съемной части бака. Использование в качестве опор при работах на активной части отводов, деревянных креплений, обмоток и других изоляционных деталей трансформатора не допускается. 12. Снять транспортные крепления отводов, руководствуясь ука- заниями чертежей. 13. Определить отношение ДС/С с помощью приборов ЕВ-3 или ПКВ-7. 14. Проверить затяжку доступных стяжных шпилек ярм, креп- лений отводов, барьеров, переключателей и других элементов ак- тивной части. Замеченные ослабления устранить, подтянув гайки. 15. Проверить затяжку винтов и домкратов осевой прессовки обмоток. На время затяжки домкратов внутренних обмоток в случае не- обходимости разрешается вывернуть мешающие прессующие винты наружных обмоток. Эти винты затянуть при прессовке наружных обмоток. Подтягивание винтов и домкратов производить равномер- но по всей окружности. Затянуть контргайки. 16. Проверить затяжку, подтянуть разъемные соединения отво- дов и затянуть контргайки. 17. Осмотреть изоляцию доступных частей обмоток, отводов, переключателей, цилиндров, установки вводов и других изоляци- онных элементов. Замеченные повреждения устранить. 474
18. Осмотреть состояние доступных контактных поверхностей переключателя. 19. Проверить схему заземления активной части в соответствии с чертежом и измерить сопротивление изоляции: стяжных шпилек бандажей и ярм относительно активной части и ярмовых балок; прессующих колец относительно активной стали и ярмовых балок; ярмовых балок относительно активной стали; электростатических экранов относительно обмоток и активной стали (если они предусмотрены конструкцией). Проверив исправность цепи между заземляющими шинами эк- ранов, установить на место и закрепить заземление экранов. 20. Определить отношение ДС/С в конце ревизии перед опус- канием активной части или установкой съемной части на бак. При- ращения значений ДС/С, полученных в конце и начале ревизии (приведенные к одинаковой температуре), не должны превышать, указанных в технических условиях. 21. Промыть активную часть струей горячего трансформатор- ного масла, которое должно соответствовать всем предъявляемым требованиям. 22. Удалить остатки масла со дна бака. Промыть и очистить до- ступные внутренние части бака. 23. Параллельно с работами на активной части рекомендуется на съемной части бака или на баке произвести следующие работы: установить патрубки вводов ВН. При уплотнении разъемов под- тянуть болты одновременно по всему периметру; собрать и закрепить на вводах ВН или установках трансформа- торов тока бакелитовые цилиндры; установить на бак краны для системы охлаждения, а на краны — заглушки; подготовить к подключению масловакуумную систему. 24. Спустить активную часть в бак, установить крышку или по- ставить на место съемную часть бака. 25. Восстановить заземление активной части на бак (если это предусмотрено конструкцией) и схему отводов. 26. Произвести герметизацию разъемов крышки или съемной части. Резиновые прокладки уплотнений рекомендуется предвари- тельно приклеить резиновым клеем к раме разъема. При разделке стыков прокладок их концы на длине 60...70 мм следует срезать на нет. Середину стыка расположить напротив одного из болтов. При уплотнении разъемов подтягивать или отпускать болты необ- ходимо одновременно по всему периметру (даже при разной плот- ности по разъему). Затяжка считается нормальной, если проклад- ка сжата на 2/3 первоначальной толщины. 475
27. Установить и уплотнить карманы вводов высокого напря- жения. 28. Установить на бак и закрепить трансформаторы тока. 29. Установить и закрепить вводы ВН, подсоединить отводы к вводам так, чтобы конус изоляции отвода вошел в экран ввода. Установить наклонные вводы с помощью специальной траверсы и стропов различной длины, приняв необходимые меры по пре- дотвращению их опрокидывания. 30. Установить коробки вводов НН и сами вводы НН, подсое- динить к ним отводы. Установку вводов НН и подсоединение к ним отводов производить после заливки трансформатора маслом до уровня верхних ярмовых балок. 31. Установить пофазно изоляционные валы с приводом пере- ключателей в соответствии с маркировкой. Закрепить привод пе- реключателя и выполнить его герметизацию. Проверить по табли- це, приведенной в чертеже отводов, правильность всех операций. Особое внимание обратить на согласование положений привода и переключателя. 32. Установить на люки и крышки постоянные заглушки и уп- лотнить их. 33. Подготовить трансформатор к вакуумированию. Установить на бак задвижки, краны и временный маслоуказатель, подсоеди- нить трубопроводы временной масловакуумной системы. 34. Произвести вакуумирование и заливку масла (при установ- ленных вводах или усиленных заглушках на патрубках, карманах, коробках входов, а также при снятых расширителе и выхлопной трубе). Рассмотрим подробнее процесс ревизии силового трансформа- тора. Для проведения ревизии трансформатор устанавливают в гори- зонтальное положение, проверяют его герметичность и берут пробу масла на сокращенный анализ, а затем сливают его (начало реви- зии). В процессе разборки снимают приводы переключателей на- пряжения, отключают подводы цепей от контакторов, ослабляют транспортные крепления, отключают обмотки от вводов и отсое- диняют цепь заземления активной части на бак. Снимают крышку и вынимают активную часть или снимают колокол в трансформа- торах с нижним разъемом бака. Для подъема активной части применяют лебедки ручные или с электроприводом, блоки, тали с червячной передачей и универ- сальные, облегченные и многоветьевые стропы. У всех подъемных устройств и приспособлений перед началом работ необходимо про- верить грузоподъемность и исправность тормозных устройств. В стро- пах не должно быть порванных проволок, сильно проржавевших мест, «барашков» и др. Приспособления для крепления строп к ак- 476
тивной части предусмотрены конструкцией трансформатора в за- висимости от его мощности. Началом подъема активной части трансформатора считается мо- мент вскрытия крышки бака или любого смотрового люка. Крат- ковременное вскрытие какой-либо заглушки, например для уста- новки термометра, не учитывается при определении продолжи- тельности осмотра. После проверки правильности строповки и работы тормозных устройств поднимают активную часть на 100...200 мм, выдержи- вают ее в течение нескольких минут и снова опускают в бак. Затем снова поднимают ее на 200... 300 мм выше уровня бака и подстав- ляют противень для сбора масла. Поднятую активную часть перемещают в сторону от бака и опус- кают на выкладку из шпал или досок, рассчитанную на полную ее массу. При ревизии активной части проверяют состояние изоляци- онных прокладок, плотность сборки стали магнитопровода, за- тяжку всех болтовых креплений, состояние и крепление обеих обмоток, отсутствие смещений и деформаций, надежность соеди- нений, состояние изоляторов, действие переключателя. Одновре- менно с устранением обнаруженных неисправностей (подпрессов- кой, подтяжкой болтов и гаек и др.) производят необходимые из- мерения. Дефектом бака является течь масла. Места просачивания следу- ет помечать мелом на баке, заполненном разогретым маслом. Как показывает практика, единственным надежным средством устра- нения течи является заваривание бака. Попытки применения раз- личных клеев и замазок не дали положительных результатов. Про- верка бака производится при слитом масле. Сварка выполняется на промытом баке. Заваренные места закрашивают мелом, а с дру- гой стороны смачивают керосином. Если керосин проступает на меловой обмазке, выполненная сварка не пригодна. После ремонта бака очищают его раму от ржавчины и остатков старых уплотнений. Поврежденные прокладки заменяют новыми из маслоупорной резины или других видов уплотнителей. Резино- вые прокладки устанавливают на резиновом клее по протертой бензином поверхности. Пробковые, клингеритовые и другие про- кладки устанавливают на любом маслостойком лаке. Внутреннюю поверхность и дно бака очищают от грязи и про- мывают сухим трансформаторным маслом. Радиаторные краны ос- матривают, очищают и плотно закрывают. В подготовленный бак плавно опускают активную часть, строго соблюдая горизонталь- ность положения ее на стропах (при обнаружении загрязнения об- моток активную часть предварительно промывают сухим трансфор- маторным маслом). 477
После фиксации в баке активной части присоединяют концы обмоток трансформатора к вводам и электрической цепи, ранее отключенным от контакторов, в соответствии с маркировкой. Вос- станавливают цепь заземления активной части на бак. Вынимают из баков привод устройства регулирования напряжений и валы, хранящиеся во время ревизии в масле, и устанавливают их на транс- форматоре по заводским рискам, нанесенным на их конусных дисках. Проверяют работу контакторов. Снимают циклограмму переключающего устройства и заливают бак контакторов сухим маслом с пробивным напряжением не менее 30 кВ. Проверив ка- чество резиновой прокладки в разъеме бака, устанавливают крышку трансформатора и крышки всех люков, открытых при ревизии, обеспечивая их герметичность затяжкой резьбовых соединений на прокладках. В заключение ревизии трансформатор заливают маслом. Заливку трансформатора, рассчитанного на напряжение до 35 кВ, про- изводят без создания вакуума маслом с температурой не ниже 1 °C и при температуре активной части превышающей температуру масла. Транспортируемые отдельно расширители, выхлопные трубы и радиаторы испытывают и промывают на месте монтажа только в случае обнаружения повреждений или нарушения герметизации. Радиаторы промывают трансформаторным маслом и испытывают давлением масла в трубе, равной по высоте расстоянию от ниж- ней точки крепления радиатора до верхней точки маслорасшири- теля плюс 0,5 м. Продолжительность испытания 30 мин. При появ- лении течи дефектное место заваривают автогеном, и испытание повторяют. После испытаний радиаторы промывают подогретым до 40...50 °C трансформаторным маслом с помощью центрифуги (сепаратора) или фильтр-пресса до исчезновения следов грязи на его фильтровальной бумаге. Фланцы радиаторов закрывают за- глушками на прокладках. Для проверки сварных соединений мас- лоуказателя и расширителя сливают через грязевик имеющиеся в нем остатки масла и промывают его внутреннюю поверхность сухим и чистым маслом. Пробки и масломерное стекло прополас- кивают в масле. Проверяют наличие контрольных полос, соответ- ствующих уровням масла при 35, 15 и 35 °C. Внутреннюю полость расширителя очищают от ржавчины и тщательно промывают су- хим маслом. Чистку расширителя трансформаторов последних конструкций производят через съемную боковую крышку. Затем проверяют ис- правность стеклянной мембраны, выхлопной трубы, уплотнения, надежность мест сварки. Неисправную мембрану заменяют новой, вырезанной из стекла толщиной 2,5...4 мм. Внутреннюю поверх- ность выхлопной трубы очищают от пыли и ржавчины. С нижнего 478
се фланца удаляют старые уплотнения и проверяют пробку для вы- пуска воздуха, находящуюся под верхним фланцем. После этого испытывают герметичность трубы, заполняя ее трансформаторным маслом в течение 3 ч. Очистка и сушка трансформаторного масла От качества трансформаторного масла зависят надежность и дли- тельность работы трансформатора. Сравнив пробивную прочность масла при выпуске трансформатора с завода со значениями, по- лученными перед включением его в работу, можно определить сте- пень увлажненности трансформатора. Важное значение имеют и другие характеристики масла. Сни- жение температуры вспышки и увеличение кислотного числа ука- зывают на разложение масла в результате чрезмерного местного нагрева трансформатора. Постоянное окисление масла обусловли- вается повышенной температурой (до 80...90 °C) трансформатора при эксплуатации, воздействием прямых солнечных лучей, хими- ческих веществ, входящих в лаковую изоляцию, влаги и металлов (особенно меди). Вода, не только снижает электрическую прочность масла, но и ускоряет процессы его окисления и разрушения изоляции, осо- бенно хлопчатобумажной. Трансформаторное масло должно удовлетворять ряду требова- ний: хорошо отводить тепло от нагретых частей трансформатора, иметь высокие теплоемкость и теплопроводность, а также малую вязкость; не содержать кислот серы, поскольку даже небольшое количество этих веществ действует разрушающе на изоляцию об- моток; обладать высокой электрической прочностью, т. е. не со- держать воды, которая резко ее снижает. Температура воспламе- нения масла должна быть значительно выше рабочей температу- ры трансформатора (обычно 180 °C). Трансформаторное масло подвержено старению, т. е. со време- нем изоляционные свойства масла ухудшаются, поэтому его пе- риодически необходимо очищать от посторонних веществ, а че- рез определенное время менять. Образуемые при старении твердые смолообразные примеси могут быть не растворимыми и растворимыми в горячем масле. Выпадая в виде осадка на обмотках и других частях трансформатора, они затрудняют теплоот- вод от нагретых частей, а растворяясь в масле, значительно ухудшают его электрическую прочность. В процессе старения масла в нем также образуются кислоты и влага, которые резко снижают уровень изоляции в трансформаторах. Применяют три метода испытания трансформаторного масла: полный химический анализ, сокращенный анализ и определение 479
только электрической прочности. Трансформаторное масло, име- ющееся у предприятия-заказчика и предназначенное для заливки или доливки в трансформатор, подвергают полному химическому анализу, а масло из баков трансформаторов, прибывающих с за- вода-изготовителя, — сокращенному. Масло, не отвечающее нор- мам при испытании на пробой, подвергают сушке. Перед включением трансформатора под напряжение из бака вновь отбирают пробу масла для сокращенного анализа, заключа- ющегося в определении электрической прочности, температуры вспышки, кислотного числа и реакции водной вытяжки или со- держания взвешенного угля и механических примесей. Полный анализ проводится по всем показателям в соответствии ГОСТ 10121-76. Для отбора проб масла в трансформаторах предусмотрены соот- ветствующие краны и пробки. Пробу необходимо отбирать с большей тщательностью, так как грязь, волокна, пыль и влага, попавшие при этом в масло, могут привести к искажению результатов измерения и неправильному заключению о его состоянии. Условия отбора проб масла из трансформаторов приведены в табл. 13.3. С целью удаления вредных примесей и влаги масло подвергают очистке и сушке с помощью центрифуги (сепаратора) и фильтр- пресса. Характеристики способов и операций по очистке и сушке масла приведены в табл. 13.4. Барабан сепаратора, предназначенный для пурификации, имеет верхнюю тарелку с горловиной и нижнюю тарелку с подводящи- ми отверстиями, а барабан сепаратора, предназначенный для кла- рификации, — верхнюю тарелку без горловины и нижнюю тарелку без подводящих отверстий, при этом производительность последнего в среднем на 25...30 % выше, а следовательно, он имеет преиму- щественное применение при очистке трансформаторного масла. При механической очистке масла (центрифугами и фильтр- прессами) удаляются продукты, находящиеся в масле только в не- растворенном виде — вода, уголь, механические примеси. Воздух же, находящийся в масле, ускоряет процесс его старения, поэто- му лучше применять вакуумные центрифуги. Рекомендации по выбору маслоочистительного аппарата и тем- пературы подогрева масла в зависимости от наличия в нем при- месей приведены в табл. 13.5. Очистку масла, содержащего значительное количество влаги (сырого), следует вести сначала способом пурификации, а затем способом кларификации или фильтр-прессом. При последователь- ном включении центрифуги и фильтр-пресса температура входя- щего масла указывается для центрифуги. 480
Для сушки масла в монтажных условиях применяют передвиж- ные мастерские на базе автоприцепа, укомплектованные сепара- тором и другим необходимым оборудованием. Сушка и очистка масла центрифугой или фильтр-прессом — дли- тельный и трудоемкий процесс, например сушка емкости с мас- лом в 45...50 т затягивается до семи суток. Необходимость в сушке трансформатора может возникнуть толь- ко при нарушенных правилах его транспортирования, хранения и монтажа. Таблица 13.3 Условия отбора проб масла Операция Технологические указания Подбор посуды Взять стеклянную банку с широким горлом и притертой пробкой или стеклянную и удобную бутылку с корковой пробкой, обернутой пергаментной бумагой.Емкость посуды должна быть не менее 0,5 л при испытании на электрическую прочность, 0,7...0,8 л — для сокращенного анализа и 1,5 л — для полного химического анализа Подготовка посуды Промыть с мылом и щелочным раствором, просушить посуду в течение 2 ч при температуре 90 °C и закрыть пробками. Сделать наклейки с маркировкой (номер, дата отбора, аппарат и др.) При повторном использова- нии бутылок обязательно каждый раз менять пробки Температурные условия для отбора посуды Летом в сухую погоду, зимой — в морозную, без осадков. Температура посуды для отбора пробы не должна отличаться от температуры заливаемого масла более чем на 3...5 °C. Отбор пробы производиться при температуре масла не ниже +5 °C Подготовка к отбору пробы Обтереть чистой тряпкой кран от пыли и грязи. Спустить в ведро З...5л масла. Вторично спустить немного масла для промывки крана. Промыть два раза посуду маслом из бака трансформатора Отбор масла на пробу из трансфор- матора Производить из нижнего бокового крана или специального крана-пробки. Из трансформаторов, транспортируемых без масла, — через пробку в дне бака. После отбора масла посуду немедленно закрыть пробкой. Для транспортировки пробки залить парафином или сургучом. Стеклянную посуду, внесенную в холодное время с улицы в помещение, вскрывать после того, как она нагреется до температуры помещения 16 Нестеренко 481
Таблица 13.4 Способы сушки и очистки трансформаторного масла Способ Характеристика способа Область применения Центрифугиро- вание (сепара- ция) в зависи- мости от харак- тера загрязне- ния масла: В барабане центрифуги под дей- ствием центробежной силы масло разделяется на несколько слоев: по стенкам — наиболее тяжелый слой загрязнений, далее — более легкие слои воды и масла, а в центре — наиболее легкие жидкость или воздух Очистка масла, содержащего значительное количество загрязнений и воды осветление (кларификация) Центрифуга используется с барабаном-кларификатором для отделения от масла механических примесей и воды, при этом продукты очистки собираются в грязевике барабана Очистка масла от шлака, угля и воды, содер- жащейся в нем в небольшом количестве (0,3...0,4 %), не требующем отвода очистка (пурификация) Центрифуга используется с барабаном-пурификатором, при этом загрязненное масло, содер- жащее 3 % и более воды, рассмат- ривается как смесь двух жидкостей с различным удельным весом, кото- рые можно отделить друг от друга Очистка масла от воды с ее не- прерывным от- водом Сепарация с помощью центрифуги открытого типа (без вакуума) Удаление наиболее опасной примеси масла — воды в виде осадка или эмульсии (т. е. находящейся во взвешенном состоянии). Но масло при этом значительно насыщается воздухом — окисляется Удаление влаги, находя- щейся в масле во взвешенном состоянии Использование вакуумного сепаратара Более глубокая и полная сушка трансформаторного масла, удаление из него влаги и воздуха, а также сушка масел, обладающих гигроскопичностью Удаление из масла раство- ренных в нем влаги и воздуха 482
Окончание табл. 13.4 Способ Характеристика способа Область применения Использование определенного температурного режима при сепарации С повышением температуры масла взвешенная в нем влага удаляется легче и производительнее, чем при нормальной температуре. Произво- дительность центрифуги повышает- ся, но при этом возрастает раствори- мость влаги в масле. Нагрев следует производить в пределах 40... 60 °C Удаление из масла влаги и воздуха Фильтрация масла фильтр- прессами Очистка масла происходит в результате продавливания его через фильтровальную бумагу (картон), которая не только задерживает загрязнения, но и впитывает воду. Листы картона нарезают, пробивают в них отверстия и сушат в сушильном шкафу в течение 24 ч при 80... 85 °C. Просушенный картон опускают в бак, заполненный сухим трансформаторным маслом Очистка масла с незначитель- ным количест- вом воды и загрязнении Таблица 13.5 Рекомендации по выбору аппарата для очистки масла и температуры его подогрева Примеси, содержащиеся в масле Тип аппарата для очистки масла Температура подогрева масла, °C Уголь ФП 45...50 Растворимый шлам, выпадающий в осадок при понижении температуры Ц-кл 29...35 Вода Ц-кл или ФП 35...45 Уголь и шлам нерастворимый Последовательно Ц-кл и ФП 35...45 Угольи вода Ц-кл или ФП 50...55 Вода и шлам нерастворимый Ц-кл или ФП, последовательно Ц-кл и ФП 30...35 Уголь, вода и шлам Ц-кл и ФП 30...35 Примечание: ФП — фильтр-пресс; Ц-кл — центрифуга с барабаном-кла- рификатором. 483
Контроль состояния изоляции трансформатора Допустимость включения трансформаторов без сушки опреде- ляется результатами комплекса испытаний и измерений с учетом условий, в которых он находился до начала монтажа и в процессе его выполнения. Условия включения трансформаторов без сушки и необходи- мость сушки их активной части регламентируются Инструкцией по контролю изоляции трансформаторов перед вводом в эксплуа- тацию, а также Инструкцией транспортирования, хранения, мон- тажа и ввода в эксплуатацию силовых трансформаторов на напря- жение до 35 кВ включительно без ревизии их активных частей. Краткая характеристика методов контроля влажности. Существу- ют следующие методы оценки степени увлажнения главной изо- ляции трансформаторов, залитых маслом: измерение 15 и 60-секундного сопротивления изоляции обмо- ток (Т?15 и Я60) и нахождение коэффициента абсорбции; измерение тангенса угла диэлектрических потерь обмоток; измерение емкостей обмоток при частоте тока 2 и 50 Гц и оп- ределение отношения С2/С50 (метод «емкость —частота»); определение отношения ДС/С обмоток в начале и конце осмот- ра, в случае если при монтаже производился осмотр активной ча- сти трансформатора без масла (метод «емкость —время»); измерение емкостей холодных и нагретых обмоток и определе- ние их отношения Сгор/Схол, если по условиям монтажа необхо- димо подогреть трансформатор в масле (метод «емкость — темпе- ратура»). Коэффициент абсорбции определяется зависимостью сопротив- ления изоляции обмоток от времени приложения напряжения. Из- мерив мегомметром сопротивление изоляции обмоток через 15 и 60 с после подачи напряжения, можно найти коэффициент аб- сорбции, равный отношению R^/R^. Если при температуре 10...30 °C отношение R^/Ris равно 1,3, коэффициент абсорбции соответствует норме. Тангенс угла диэлектрических потерь tg 5 характеризует общее состояние изоляции, являясь показателем ее увлажнения и потерь в ней. Отношение активной мощности, потребляемой изоляцией при подаче напряжения, к реактивной называется тангенсом угла ди- электрических потерь и измеряется в процентах. Значение tg 5 обмоток трансформатора с напряжением до 35 кВ и мощностью менее 2500 кВ А не должно превышать 1,5% при 10 °C; 2 % - при 20 °C; 2,6 % - при 30 °C и 8 % - при 70 °C. Если к отрезку металлического проводника сначала подключить по- стоянное напряжение, а затем — переменное с равным действующим 484
значением, то потери энергии в том и другом случае будут одинаковы, т. е. = Р Потери же энергии в диэлектрике при переменном напряжении бу- дут во много раз больше потерь энергии при постоянном напряжении, т. е. Р~ » Р_ Диэлектрическими потерями называют энергию, рассеиваемую в еди- ницу времени в диэлектрике при воздействии на него электрического поля и вызывающую его нагрев. Активная мощность, Вт, теряемая в диэлектрике при постоянном напряжении U, В, определяется по формуле Р = UI, где / — ток прово- димости через диэлектрик, А. Активная мощность, Вт, теряемая в диэлектрике, при переменном напряжении, В, определяется по формуле Ра= U22nfCtgb, где f — частота тока, Гц; С — емкость диэлектрика (изоляции), Ф; 5 — угол диэлектрических потерь. Из формулы видно, что при заданных напряжениях U, частоте тока f и емкости диэлектрика С активные потери в нем зависят от значения tg5. Углом диэлектрических потерь называется угол, дополняющий до 90’ угол сдвига фаз ср между током и напряжением в емкостной цепи (рис. 13.16). В случае идеального диэлектрика вектор тока в такой цепи будет определенно опережать вектор напряжения на угол 90°; при этом угол 5 будет равен нулю. Чем больше рассеиваемая в диэлектрике мощ- ность, переходящая в тепло, тем меньше угол сдвига фаз <р и тем больше угол диэлектрических потерь 5, а следовательно, и его функция tg5. У жидких и твердых диэлектриков высшего класса tg8 = (2...6)- Ю 4, у остальных tg 8 = 0,002...0,05. Таким образом, tg 5 определяет потери энергии в диэлектриках. Рис. 13.16. Векторные диаграммы и эквивалентные схемы — последовательная (а) и параллельная (б), для определения потерь диэлектрика 485
Метод «емкость — частота» основан на зависимости емкости обмоток от частоты проходящего по ним тока при неизменной температуре. Специальным прибором контроля влажности (ПКВ-7 или ПКВ-13) при температуре 10...30 °C измеряют емкость обмоток при частоте тока 2 Гц (С2) и 50 Гц (С50). Отношение С2/ С50 должно быть не более 1,1 при 10 °C; 1,2 — при 20 °C и 1,3 — при 30 °C. Метод «емкость —время» основан на определении относитель- ного прироста емкости испытуемой обмотки А С/ С во времени при одной и той же температуре, что позволяет обнаружить даже не- значительное увлажнение изоляции трансформатора. Метод «емкость — температура» основан на изменении диэлек- трической постоянной изоляции, а следовательно, и емкости об- моток в зависимости от температуры. Влияние температуры на диэлектрическую постоянную увлаж- ненной изоляции проявляется сильнее, чем сухой. Максимально допустимое значение отношения Сгор/ Схол обмоток в масле состав- ляет 1,1. Измерение параметров изоляции производят при ее темпера- туре не ниже 10 °C и не ранее чем через 12 ч после окончания за- ливки бака трансформатора маслом. Включение трансформаторов без сушки. Допустимость включе- ния трансформатора без сушки определяется следующими крите- риями. 1. Уровень масла в трансформаторе в пределах отметок масло- указателя. 2. Уровень масла ниже отметок маслоуказателя, но обмотки и переключатель напряжения покрыты маслом. 3. Герметичность трансформатора испытана избыточным давле- нием столба масла высотой 1,5 м в течение 3 ч. 4. Пробивное напряжение масла не ниже 25 кВ для трансформа- торов с напряжением до 15 кВ и не ниже 30 кВ для трансформато- ров напряжением 15...35 кВ. 5. Снижение пробивного напряжения на 5 кВ (см. п. 4). 6. Коэффициент абсорбции 7?бО/7?15> 1,3 при температуре 10... 30 °C. 7. Сопротивление R^o соответствует паспортным нормам, 7гбо/7?15> 1,3 при температуре 10...30°C. 8. Сопротивление соответствует паспортным нормам или 7? 60>Я пер (7?пер — заводское значение R^q, пересчитанное к мон- тажным условиям). 9. Отношение емкостей обмоток С2/С50 соответствует нормам. 10. Тангенс угла диэлектрических потерь tg 5 соответствует нор- мам (измеряется с помощью моста МД-16). 486
Таблица 13.6 Варианты сочетания критериев для определения возможности включения трансформаторов различных групп в эксплуатацию без сушки Группа трансформа- тора Мощность трансформатора, кВ-А Варианты сочетания критериев I До 100 1,4; 2,4; 2,10; 1,5,9; 1,5,11 100... 1000 1,4,6; 2,4,6,9; 2,4,6,10; 1,5,6,9; 1,5,6,10; 1,4,9; 1,4,10 II 1600... 6300 1,4,7; 2,4,7,9; 2,4,7,10; 1,5,7,9; 1,5,7,10; 1,4,9; 1,4,10 III 10 000 и более 3,4,8,9; 3,4,8,11 11. Значение tg8 соответствует нормам или tg8< l,3tg8nep (tgSnep — заводское значение, пересчитанное к монтажным усло- виям). Приведенные критерии получают по специально разработан- ным методикам в соответствии с нормами испытания электрообо- рудования. В зависимости от условий транспортировки и хранения, а так- же от мощности и напряжения трансформаторы подразделяются на пять групп: Т группа — трансформаторы мощностью до 1000 кВ-А, с на- пряжением до 35 кВ включительно, транспортируемые с маслом и расширителем; II группа — трансформаторы мощностью от 1600 до 6300 кВ А, с напряжением до 35 кВ включительно, транспортируемые с мас- лом и расширителем; III группа — трансформаторы мощностью 10000 кВ А и выше, с напряжением до 35 кВ включительно, транспортируемые с мас- лом без расширителя. К IV и V группам относятся трансформаторы с напряжением 110 кВ и выше и здесь не рассматриваются. Допустимость включения трансформатора без сушки опреде- ляется различным сочетанием приведенных выше критериев (табл. 13.6). Контрольный прогрев, контрольная подсушка и сушка трансформаторов Трансформаторы любой мощности подвергаются контрольно- му прогреву в следующих случаях: 487
если имеются признаки увлажнения масла, с которым прибыл трансформатор, или время хранения на монтаже без доливки масла превышает время, указанное в инструкции (но не более 7 мес.); если время пребывания активной части трансформатора на воз- духе превышает время, определенное инструкцией (но не более чем вдвое); если характеристики изоляции не соответствуют нормам. Контрольный прогрев трансформатора обычно осуществляют за счет потерь в обмотках при постоянном токе или индукцион- ных потерь в стали бака. Более экономичным является метод нагрева обмоток постоян- ным током, так как в этом случае нет необходимости наматывать поверх бака индукционную обмотку и потребление электроэнер- гии резко уменьшается. Дополнительный нагрев возможен от электронагревательных приборов закрытого типа, размещаемых под дном бака. Мощность электронагревателей выбирают из расчета 1... 2 кВт при атмосфер- ном давлении на 1 м2 от поверхности дна бака. Контрольный прогрев производят при атмосферном давлении в собственном баке, заполненном маслом, за счет тепла в обмот- ках, выделяемого при прохождении по ним постоянного тока. Трансформатор с помощью постоянного тока нагревают до тех пор, пока температура верхних слоев масла не превысит наиболь- шую из температур, указанных в его паспорте, на 10 °C, а при на- греве его за счет индукционных потерь в баке — на 20 °C. Во всех случаях в режиме контрольного прогрева температура верхних слоев масла не должна превышать 75 °C. Целью контрольного прогрева является улучшение характери- стик изоляции до уровня, удовлетворяющего условиям включения без сушки. Если по результатам измерения после прогрева эта цель не до- стигнута, производят контрольную подсушку. Также ее произво- дят, если срок хранения трансформатора без доливки масла более 7 мес., но менее одного года. Контрольная подсушка отличается от контрольного прогрева тем, что в баке трансформатора создают разрежение, равное 46 кПа, а верхние слои масла нагревают до 80 °C. Для обеспечения возможности создания вакуума в баке, за- полненном маслом, последнее сливают до уровня примерно на 150 мм ниже крышки. Оптимальное время режима подсушки после достижения вер- хними слоями масла температуры 80 °C составляет 36 ч для трансформаторов мощностью до 80000 кВ А и 54 ч — для транс- форматоров большей мощности. Через каждые 12 ч подсушки для выравнивания температуры и влажности масло прокачивают че- 488
Рис. 13.17. Схема подсушки трансформатора: J — бак трансформатора; 2 — вакуумметр; 3 — кран; 4, 5 — соответственно масляный и ваку- умный насосы; стрелками обозначено движение масла рез трансформаторы в течение 4 ч. Для про- качивания применяют шестеренчатые масло- насосы, имеющие про- изводительность не ме- нее 4м3/ч. Когда характеристи- ки изоляции достигнут нормы, подсушка пре- кращается (но не рань- ше чем через 24 ч после достижения температу- ры 80 °C). Схема подсушки трансформатора показана на рис. 13.17. Если контрольная подсушка не дает положительных результа- тов, трансформатор подвергают сушке. Сушку трансформаторов любых мощностей обязательно про- изводят в следующих случаях: наличие следов воды на активной части или баке; превышение нормированной продолжительности пребывания активной части на воздухе более чем вдвое; хранение трансформатора без доливки масла более одного года; несоответствии характеристик изоляции нормам после конт- рольной подсушки. Наиболее распространенными являются следующие способы сушки: в собственном баке индукционным нагревом; собственном баке нагревом токами нулевой последовательнос- ти (для трансформаторов мощностью 100...400 кВ А); нагревом бака инфракрасным излучением; в стационарном сушильном шкафу при максимальном вакууме; специальной камере (шкафу) без вакуума. Сушку производят в одном из трех режимов: с естественной вентиляцией; принудительной вентиляцией; в вакууме с подсосом воздуха. Допустимое разрежение зависит от конструкции бака и напря- жения трансформатора. При сушке в волнистых баках или в баках с установленными радиаторами допустимое разрежение — 200 мм рт. ст. (27 кПа), а при сушке в гладких баках — 350 мм рт. ст. (4 кПа). Наиболее широко применяется сушка активной части трансфор- матора за счет индукционных потерь в кожухе, возникающих при нагреве последнего вихревыми токами, образующимися в резуль- тате воздействия переменного магнитного потока. При изменении 489
магнитного потока с помощью специальной намагничивающей об- мотки, наматываемой на кожух и питаемой переменным током, вихревые токи нагревают кожух, а следовательно, через воздуш- ную прослойку нагревается и активная часть. Перед сушкой масло из бака трансформатора необходимо пол- ностью слить. Для обеспечения равномерности нагрева обмотку располагают по нижней и верхней частям бака, оставляя около 1 /4 его высоты свободной. В нижней части бака укладывают 60...65 % от общего числа витков обмотки. Нагрев регулируют подбором числа витков обмотки. Расчеты сечения провода, числа витков намагничивающей об- мотки, а также мощности, необходимой для нагрева трансформа- тора, приведены в соответствующих справочниках. Для устранения отставания нагрева нижней части бака от верх- ней дополнительно подогревают дно бака трансформатора возду- ходувкой или с помощью закрытых электропечей. Теплоизоляция бака создает благоприятные условия для ускорения сушки и эко- номии электроэнергии. Ее обычно выполняют двухслойной из ас- бестовых листов толщиной 4...5 мм, а крепят шпагатом или ки- перной лентой (но не проволокой). Крышку утепляют во избежа- ние конденсации на ней влаги. Для контроля температуры устанавливают термопары в средней части обмотки и термометры на баке. Надежность уплотнений проверяют путем плавного увеличения разрежения. Затем производят пробный нагрев трансформатора. Примерно в течение часа на разных ступенях регулировки сопос- тавляют результаты измерения токов с расчетными данными и наблюдают за скоростью нагрева бака. Если результаты пробного нагрева удовлетворительны, трансформатор считают готовым к сушке. Сушка трансформатора за счет индукционных потерь начина- ется с разогрева, при котором необходимо обеспечить плавный рост температуры кожуха (регулировкой числа витков). Продолжи- тельность разогрева кожуха трансформаторов средней мощности колеблется в пределах 12... 15 ч. Необходимо тщательно контролировать температурный режим сушки, не допуская увеличения температуры обмоток более 105 °C и кожуха более 120 °C. Сушка производится под вакуумом. Первым показателем окончания сушки является установившее- ся (в течение 6 ч) сопротивление обмоток при постоянных разре- жении и температуре обмоток. Второй показатель — исчезновение или незначительное выде- ление конденсата. После окончания сушки и снижения темпера- туры обмоток трансформатора до 75... 80 °C его бак заполняют вы- 490
сушенным маслом под вакуумом (при отсутствии контакта с воз- духом) через нижний кран. Трансформаторы на напряжение до 35 кВ включительно разрешается заливать без вакуума при темпера- туре масла не ниже 10 °C. В процессе сушки и заливки трансфор- матора маслом температуру нагрева бака и активной части регу- лируют периодическим включением и отключением питания на- магничивающей обмотки. Схема сушки трансформатора за счет индукционных потерь приведена на рис. 13.18. Сушка трансформатора инфракрасными излучениями выпол- няется в тепляках или закрытых камерах. Электромагнитные волны, вызывающие большой нагрев пластинки и находящиеся за красным спектром, где глаз уже не обнаруживает све- та, называются инфракрасными. Их испускает любое нагретое тело даже в том случае, когда оно не светится. Например, нагретая печь или бата- реи отопления в квартире испускают инфракрасные волны, вызываю- щие заметное нагревание окружающих тел. Поэтому инфракрасные вол- ны часто называют тепловыми. Длина не воспринимаемой глазом инфракрасной волны превышает длину волны красного света. Максимум энергии излучения электричес- кой дуги и лампочки накаливания приходится на инфракрасные лучи. Рекомендуется инфракрасный обогрев сопровождать обдувом подогретым воздухом. При этом необходимо следить за равномер- ным обогревом всех сторон активной части. Рис. 13.18. Схема сушки трансформатора за счет индукционных потерь: 1 — вакуумная установка; 2 — кран для регулирования разряжения; 3 — ваку- умметр; 4 — временные вводы для измерения; 5 — трансформатор; 6 — на- магничивающая обмотка; 7 — труба для продувки горячим воздухом; 8 — пи- тающие кабели; 9 — электрическая печь; 10 — отстойник для слива масла; 11 — заземление бака; 12 — сепаратор (центрифуга) 491
Сушка в тепляке горячим воздухом от воздуходувки, являюща- яся длительным и устаревшим способом удаления влаги из обмо- ток, все еще широко применяется вследствие своей простоты и возможности использования общеупотребительной оснастки. После того как с активной части стечет масло, ее помещают в камеру, выполняемую из отдельных щитов. Устройство утепления из войлока, стружек, бумаги, опилок и горючих материалов не допускается. Нагрев производится змеевиками, размещенными в камере, через которые пропускается пар под низким давлением, или воздуходувками для отсоса паров, выделяющихся из сердечни- ка при сушке. Вверху камеры устанавливается вытяжная труба вы- сотой 0,5 м с задвижкой. В обмотки вставляют три или четыре тер- мометра, также помещают термометры на стенках и крышке ка- меры. Выбор способа сушки зависит от многих обстоятельств: степе- ни увлажненности трансформатора и его размеров; наличия ис- точников нагрева, оборудования, приспособлений и т.д. Однако во всех случаях выбор должен определяться временем сушки и расходом электроэнергии. По окончании сушки трансформатора его бак заполняют мас- лом. Трансформаторы с напряжением до 35 кВ включительно зали- вают без вакуума маслом, имеющим температуру не ниже +10 °C. При этом температура активной части трансформатора должна быть выше температуры масла. Трансформаторы с напряжением 110 кВ и выше заливаются под вакуумом, на который рассчитана их кон- струкция: при напряжении ПО... 150 кВ — 350 мм рт. ст. (47 кПа), при напряжении 220...500 кВ остаточное давление не более 10 мм рт. ст. (1,3 кПа). Подготовка и заливка трансформаторов маслом производится в следующем порядке: 1. Присоединяют трубы вакуум-насоса в линии подачи масла к соответствующим патрубкам и фланцам на крышке бака. 2. Для создания одинакового вакуума соединяют штуцер рас- ширителей маслонаполненных вводов с баком трансформатора. 3. На баке устанавливают временной измеритель уровня масла для контроля скорости заливки. 4. На крышке устанавливают вакуумметр или прибор ВСБ-1 для измерения остаточного давления в баке, обеспечивающие точность контроля вакуума и остаточного давления. 5. Закрыв вентиль маслопровода на крышке бака, открывают там же вентиль вакуум-провода и равномерно, ступенями по 100 мм рт. ст. (13,3 кПа), через каждые 15 мин создают разрежение в баке (до значений, указанных ранее), после чего закрывают вен- тиль на крышке бака и останавливают вакуум-насос. 492
Проверяют через 1 ч. показание вакуумметра или прибора для измерения остаточного давления: натекание не должно превышать 20 мм рт. ст. (2,7 кПа). 6 После проверки герметичности активную часть выдерживают в баке под вакуумом (трансформаторов с напряжением 110... 150 кВ в течение 2 ч, а с напряжением 220...500 кВ в течение 20 ч). 7. Включают вакуум-насос, открывают вентиль маслопровода на крышке и начинают заполнение бака трансформаторным маслом, которое должно быть проверено на электрическую прочность и tg 5. Заливку масла в бак производят со скоростью не более 3 т/ч. Температура заливаемого масла должна быть: для трансформато- ров с напряжением 220...500 кВ — не ниже 45 °C, а с напряжени- ем 110... 150 кВ — не ниже 10 °C. Температуру и скорость поступле- ния масла в бак контролируют в процессе всей заливки. 8. При уровне заливки на 150...200 мм ниже крышки подачу масла прекращают, отключают систему заливки и пропитывают изо- ляцию под вакуумом: трансформаторов с напряжением 110... 150 кВ в течение 6 ч, а с напряжением 220...500 кВ в течение 10 ч. 9. Постепенно подавая воздух через силикагелевый воздухоосу- шитель, снимают разрежение и пропитывают изоляцию при атмос- ферном давлении: трансформаторов с напряжением 110... 150 кВ в течение 3 ч, а с напряжением 220...500 кВ в течение 5 ч. Сборка и установка трансформаторов Окончательная сборка трансформатора производится после за- ливки его маслом в следующем порядке: 1. Устанавливают постоянные вводы (перед заливкой трансфор- матора маслом, если не производилась сушка изоляции и не были установлены временные вводы для вакуумирования и замеров со- противления изоляции во время сушки). 2. Монтируют систему охлаждения (монтаж циркуляционной си- стемы охлаждения типа Ц и выносной системы охлаждения типа ДЦ выполняют после установки трансформатора на фундамент). 3. Устанавливают на бак расширитель и выхлопную трубу. 4. Устанавливают газовое реле и сигнальные манометрические термометры. 5. Устанавливают термосифонные фильтры. Присоединяют к рас- ширителю воздухоосушитель и трубопровод для доливки масла. 6. Монтируют силовые и контрольные кабели в соответствии в чертежами. 7. Устанавливают газоотводящие трубопроводы. 8. Доливают в трансформатор масло и заполняют маслом систе- мы охлаждения. 9. Перекатывают и устанавливают на фундамент. 493
Монтаж вводов и трансформаторов тока. Монтаж маслона- полненных вводов трансформаторов на 110 кВ и выше выполняют в следующем порядке: 1. Закрепляют на подготовленных для установки и испытанных вводах также предварительно подготовленные бумажно-бакелито- вые цилиндры. 2. Устанавливают на резиновой прокладке, приклеенной к крыш- ке бака, переходный фланец с трансформатором тока (рис. 13.19). 3. На верхнюю часть фланца трансформатора тока наклеивают резиновую прокладку. 4. Снимают с отвода контактный зажим и пропускают через него киперную ленту. Ввод вместе с укрепленным на нем бумажно-бакелитовым ци- линдром стропят и поднимают, располагая его в центре переход- ного фланца и трансформатора тока. 5. Закрепив за киперную ленту отвод, опускают на него ввод, следя за тем, чтобы провод отвода не сворачивался и не переги- бался. 6. Закрепляют отвод в вводе штифтом, а ввод закрепляют на фланце трансформатора, обеспечивая герметичность уплотнения. Рис. 13.19. Установка трансформатора тока на переходном фланце (а) и схема испытания его герметичности (б): 1 — пробка для выпуска воздуха; 2 — переходный фланец; 3, 4 — соответственно первая и вторая обмотки трансформатора тока; 5 — фланец для установки ввода; 6 — крышка бака трансформатора; 7 — верхняя закладка коробки выводов; 8 — контактная шпилька; 9— составной изолятор; 10 — коробка выводов; 11 — отвод вторичной обмотки; 12 — деревянный брусок, устанавливаемый на время транс- портировки; 13 — трансформатор тока, установленный на переходном фланце; 14 — резиновый шланг; 15 — бачок с маслом; 16 — стойка с подставкой 494
7. Наворачивают и уплотняют контактный зажим, закрывают и уплотняют люки, уплотняют пробки в отверстиях выпуска воздуха. 8. Устанавливают съемные вводы, уплотнив их резиновыми про- кладками, пропускают отводы и закрепляют их; обеспечив надле- жащее уплотнение, устанавливают контактный зажим. Монтаж прямотрубных радиаторов и вентиляторов, расшири- теля и выхлопной трубы. Монтаж прямотрубных радиаторов и вен- тиляторов производят в следующем порядке: 1. Устанавливают на трансформатор кронштейны для крепле- ния вентиляторов и обдува радиатора, производят ревизию элек- тродвигателя и крыльчатки, устанавливают радиаторы с вентиля- торами, как показано на рис. 13.20. 2. Снимают заглушки с радиаторных кранов и проверяют, не просачивается ли масло, очищают фланцы радиаторных кранов, проверяют уплотняющие прокладки (из маслостойкой резины тол- щиной 10 мм), в случае необходимости их заменяют. Промывку и испытание радиатора выполняют лишь при обна- ружении повреждении или при нарушении герметизации. 3. Поднимают прямотрубный радиатор, подготовленный к ус тановке и испытанный, автомобильным краном К-32 (грузоподъ емность э т; за приваренную в верхней части скобу, уста- навливают его на шпильки верхнего радиаторного кра- на и навинчивают крепящие гайки на несколько витков резьбы. Аналогично устанавли- вают радиатор на шпильки нижнего радиаторного крана. 4. После установки ради- атора на шпильки верхнего и нижнего радиаторных кра- нов равномерно затягивают гайки, обеспечив также рав- номерное уплотнение. Установив таким образом несколько радиаторов, рас- положенных под расшири- телем, монтируют сам рас- ширитель и соед инительный трубопровод с газовым реле. Монтаж начинают с кре- пления на крышке транс- форматора двух кронштей- Рис. 13.20. Установка радиаторов и вен- тиляторов: 7 — вентилятор; 2 — радиатор; 3 — радиатор- ный кран; 4 — кронштейн; 5 — распредели- тельная коробка; 6 — бак трансформатора 495
нов, на которых устанавливают расширитель без крепления. Затем, удалив из соединительного патрубка промежуточное звено между маслорасширителем и баком трансформатора, на его место на клин- геритовых прокладках, покрытых глифталевым или бакелитовым лаком, устанавливают газовое реле, предварительно проверенное в лаборатории. Располагаться реле должно строго горизонтально. Маслопровод между расширителем и баком трансформатора должен иметь ук- лон в сторону бака не менее 2° После установки газового реле, выверки и закрепления масло- провода закрепляют расширитель хомутами. В смонтированном корпусе газового реле закрепляют поплав- ковую систему так, чтобы стрелка на ее крышке указывала направ- ление движения масла от бака трансформатора к расширителю. Реле уровня масла устанавливают на фланце дна расширителя на уплотняющей прокладке. Его действие проверяют при испы- тании расширителя на герметичность (маслом) с помощью лам- почки, которая гаснет при превышении установленного уровня масла, после чего ее отсоединяют и подключают контрольный кабель через сальник в коробке выводов. Расширитель заливают маслом. Затем устанавливают остальные радиаторы. При этом ра- нее установленные радиаторы через нижний кран при открытой пробке для выпуска воздуха заполняются маслом из расширителя. После появления масла из воздуховыпускного отверстия его герме- тически закрывают пробкой и открывают верхний кран радиатора. Под каждым радиатором на кронштейнах монтируют по два вентилятора. Устанавливают магистральные и распределительные коробки и прокладывают по стенке бака кабель марки АВРГ в ме- талл орукаве, закрепляя его скобами. Затем (при автоматическом управлении вентиляторами) монтируют шкаф управления типа ШД-2. После монтажа электропитания вентиляторов измеряют со- противление изоляции всех электрических цепей (норма 0,5 МОм при 10...30°C), проверяют вращение валов электродвигателей и нет ли биений крыльчаток вентиляторов. Подключив электродви- гатели к трехфазной сети, проверяют правильность направления вращения крыльчаток (против часовой стрелки, если смотреть со стороны крыльчатки). Выхлопную трубу подсоединяют вместо заглушки, находящейся на крышке трансформатора, закрепляют на новой уплотняющей прокладке и затягивают равномерно на все болты. Для обеспече- ния большей устойчивости трубу скрепляют с расширителем или крышкой трансформатора специальной планкой. Термометричес- кий сигнализатор монтируют на специальной пластине, приварен- ной к стене бака. 496
После монтажа системы охлаждения устанавливают термоси- фонные и воздухоосушительные фильтры. Монтаж термосифонного фильтра производится в следующем порядке: 1. Разобрать фильтр и фильтрующее устройство, промыть су- хим трансформаторным маслом и вновь собрать. 2. Установить фильтр на баке трансформатора аналогично ус- тановке радиатора. 3. Засыпать в фильтр через люк заранее подготовленный сухой просеянный силикагель марки КСК и промыть его сухим чистым трансформаторным маслом. 4. Заполнить фильтр маслом из бака трансформатора при не- значительно открытом нижнем радиаторном кране и открытой пробке для выпуска воздуха на верхнем патрубке. 5. При появлении масла в отверстии для пробки закрыть ради- аторный кран и дать отстояться маслу в фильтре в течение 1,5 ч, после чего выпустить немного масла из отстойника. 6. Открыть оба радиаторных крана, заполнить фильтр маслом полностью, открыть пробку для выпуска воздуха и долить масло в расширитель до нормального уровня. Порядок монтажа воздухоосушительного фильтра следующий: 1. Разобрать, очистить и просушить его; заполнить патрон индикаторным силикагелем, установить стек- ло в смотровом окне; 2. Засыпать в цилиндр предварительно просушенный и просе- янный силикагель марки КСМ так, чтобы под крышкой остава- лось свободное пространство (15...25) мм; 3. Привести в рабочее состояние гидравлический затвор, т. е. за- лить через патрубок чистое сухое масло до отметки нормального уровня; 4. Установить фильтр и присоединить его к трансформатору че- рез дыхательное отверстие расширителя. Доливку масла в трансформатор и заполнение маслом системы охлаждения производят в следующем порядке: 1. Через верхнюю дыхательную пробку или через специальный трубопровод расширителя доливают в трансформатор масло до уровня максимальной отметки маслоуказателя со скоростью не более 4 т/ч. Характеристики масла должны соответствовать нормам (если доливается масло другой марки, необходимо проводить ис- пытание их на смешиваемость). 2. Открывают нижние задвижки охладителей или плоские кра- ны радиаторов и выворачивают воздуховыпускные пробки в их верх- них частях, а также в верхних частях коробок выводов 6...35 кВ, установок трансформаторов тока, патрубков вводов, термосифон- ных фильтров, адсорберов и др. 497
3. После появления масла в отверстиях воздуховыпускных про- бок последние вворачивают на место и уплотняют. Открывают верх- ние задвижки или плоские краны охладителей и радиаторов. 4. Доливают масло до отметки маслоуказателя, соответствую- щей температуре масла внутри бака. Если в пробе масла, взятого из трансформатора, обнару- живаются увлажненность или загрязненность (механические при- меси, повышенная кислотность), то производят перезарядку филь- тра, т. е. его разбирают, очищают внутреннюю поверхность от грязи, шлама и промывают чистым сухим маслом; при необходимости заменяют сорбент. В качестве сорбента в термосифонных фильтрах могут исполь- зоваться дробленый или гранулированный крупнопористый сили- кагель марки КСК и активная окись алюминия марки А-1 с зер- нами размером 2...7 мм. Количество сорбента и объем термоси- фонного фильтра должны определяться из следующей нормы: 1 % от полной массы масла в трансформаторе. Для зарядки воздухоосушительных фильтров применяется су- хой крупный мелкопористый силикагель марки КСМ с зернами размером от 0,2 до 7 мм, пропитанный раствором хлористого каль- ция. Индикаторный силикагель дополнительно пропитывается ра- створом хлористого кобальта. Сорбенты, поставляемые в негерметичной упаковке (ящиках, бумажных мешках), перед засыпкой в фильтры необходимо про- сушивать прокаливанием при температуре 140 °C в течение 8 ч или при 300 °C в течение 2 ч. Индикаторный силикагель следует су- шить при температуре 100... 120 °C в течение 15... 20 ч и, если сушка производится в металлической таре, дно и стенки ее должны быть выложены картоном для полного исключения соприкосновения индикаторного силикагеля с металлом. Приготовление раствора для пропитки и пропитка силикагеля должны производиться в резиновых перчатках и под вытяжным колпаком. Просушенные сорбенты во избежание повторного ув- лажнения необходимо хранить в герметической таре в сухом месте. Сорбенты, поставляемые в исправной герметичной железной таре (в железных запаянных барабанах), можно применять без суш- ки, но вскрытие тары должно производиться непосредственно перед засыпкой их в фильтры. Установка трансформатора на фундамент. После сборки транс- форматор поднимают на шпальную выкладку высотой 0,7 м, под- водят под него каретки, устанавливают их шкворнями в отверстия балок, приваренных к днищу бака, и крепят к балке четырьмя бол- тами каждую, затягивая их до полного прилегания пластин каре- ток к балкам, но не до отказа. Трансформатор поднимают со шпаль- ной выкладки и убирают ее. Затем его опускают катками кареток 498
на железнодорожный путь подстанции и окончательно затягива- ют резьбовые крепления кареток. Перекатку трансформаторов на фундамент производят по рель- совому пути на собственных каретках, закрепив тросы за специ- альные приспособления на баке. Перекатывают его, используя элек- тролебедки или тракторы и полиспасты, плавно, без рывков, со скоростью не более 8 м/мин. При этом направление тяговых уси- лий должно совпадать с направлением движения. Изменение направления перекатки производится следующим образом: приподнимают трансформатор гидравлическими домкратами; выворачивают болты, крепящие каретки к пластинам на дон- ных балках, и разворачивают каретки. При этом реборды катков устанавливают в соответствии с габаритным чертежом; опускают трансформатор на каретки и крепят каретки к баку болтами; не снимая собственных катков, устанавливают трансформатор на фундамент. Трансформатор перемещают до фундамента, напротив которого в рельсовом пути устанавливают крестовину. Трансформатор ос- танавливают на пути так, чтобы центр каждой из четырех кареток располагался над пересечением рельсов. Домкратами приподнимают его с одной стороны над рельсами, чтобы была возможность по- вернуть две каретки. Установив страховочные упоры, поворачива- ют его вокруг шкворней на 90° и снова закрепляют две каретки. Опустив эти каретки уже на рельсовый путь фундамента, так же поворачивают две каретки с противоположной стороны трансфор- матора. По правилам монтажа трансформатор должен находиться в та- ком положении, чтобы уклон его крышки обеспечивал надежную работу газового реле. При размещении расширителя на узкой стороне трансформа- тора уклон должен составлять 1 % (или Г), а при расположении его на широкой стороне — 1,5° Для создания уклона под катки кареток со стороны расширителя подкладывают стальные проклад- ки, толщина которых b = с/, где с = 0,01 или 0,015 — относитель- ное значение нормированного уклона; / — расстояние между шквор- нями соседних кареток в направлении уклона, мм. В любом случае толщина подкладок под каждым катком должна быть не менее 10 мм, а длина — не менее 150 мм. Катки на рельсах фиксируют упорами, а бак трансформатора заземляют. После этого к выводам трансформатора присоединяют внешние цепи. Ошиновку трансформатора выполняют так, чтобы не создавать механических напряжений в фарфоре и других деталях вводов. Для ошиновки применяют алюминиевые кабели и шины, которые 499
подсоединяют к медным шпилькам вводов трансформаторов че- рез медно-алюминиевые наконечники или переходные пластины. Используют также переходные пластины, изготовленные из лис- тового плакированного алюминия. У трансформаторов небольшой мощности перемычка между вво- дами низкого напряжения и распределительным щитом обычно выполняется проводами марок АПРТО или ПРТО, которые про- кладывают по стальной полосе, прикрепляемой болтами к крыш- ке бака трансформатора. Испытание и наладка трансформатора. Испытание трансфор- маторов на маслоплотность производится до установки воздухо- осушительного фильтра путем создания избыточного давления столба масла высотой 0,6 м над максимальным рабочим уровнем масла в расширителе в течение 3 ч. При этом температура масла в баке трансформатора должна быть выше нуля. Трансформатор счи- тается маслоплотным, если при испытаниях не наблюдалось течи масла из разъемов и соединений его бака. При подготовке трансформатора к включению необходимо: 1. Выполнить наладку системы охлаждения. 2. Наладить работу газовой защиты, для чего проверить: правильность установки газового реле, верхний кран на крыш- ке которого должен быть расположен не менее чем на 50 мм ниже минимально возможного уровня масла в расширителе; соответствие установленной в газовом реле сменной лопатки уставке, обеспечивающей срабатывание реле; несработываение газового реле при пуске и остановке цирку- ляционных насосов при всех возможных в эксплуатации комбина- циях переключения вентилей в системе маслопровода; сопротивление изоляции цепей газового реле мегомметром на 500 В. 3. Проверить и наладить работу реле уровня масла, контакты которого при снижении уровня масла в расширителе ниже допу- стимого должны замкнуться, а при заполнении расширителя — ра- зомкнуться. 4. Проверить работу и установить в рабочее положение стрелки манометрических термометров. Замыкание цепей и срабатывание сигнализирующей и отклю- чающей аппаратуры проверяют переводя стрелки манометричес- ких термометров вручную. Установка стрелок в рабочее положе- ние производится на основании указаний предприятия-изготови- теля. 5. Проверить вторичные цепи встроенных трансформаторов тока и работу токовой защиты. Вторичные цепи трансформаторов тока должны быть подсое- динены к приборам или защитным реле. Вторичные обмотки транс- 500
форматоров тока, не участвующие в работе, должны быть закоро- чены. Сопротивление изоляции вторичных цепей проверяется ме- гомметром на 1000 В (сопротивление изоляции не нормируется). Защитные реле должны срабатывать от тока. Далее переходят к пробному включению трансформатора. Подготовка к пробному включению. Перед включением транс- форматора на номинальное напряжение необходимо: 1. Убедиться в исправности всех защит (газовой, максимальной токовой, дифференциальной и др.). Контакты газового реле при первом включении соединить на отключение масляного выклю- чателя. 2. Проверить действие и блокировку механизмов включения и отключения масляных (или воздушных) выключателей. 3. Проверить работу переключающего устройства регулирова- нию напряжения под нагрузкой (РПН) с приводом и правиль- ность положения всех указателей. 4. Проверить работу установки охлаждения трансформаторов, правильность положения всех радиаторных кранов и задвижек, а также крана, соединяющего бак и расширитель, и задвижек сис- тем принудительной циркуляции масла (все необходимые краны и задвижки должны быть открыты). 5. Проверить уровень масла в расширителе и маслонаполнен- ных вводах, состояние всех уплотнений, а также наличие и состо- яние маслоуказательных стекол на расширителе и вводах и стек- лянной диафрагмы на выхлопной трубе. 6. Проверить состояние фарфоровых изоляторов вводов (отсут- ствие повреждений, пыли, краски, грязи) и надежность контак- тов в ошиновке и проводах. 7. Проверить заземление трансформатора. 8. Открыть пробки для выпуска воздуха (на вводах, переход- ных фланцах и люках) и выпустить воздух, попавший в транс- форматор. 9. Удалить посторонние предметы с крышки трансформатора и убедиться в отсутствии закороток. Если между окончанием монтажа и включением трансформа- тора прошло более 3 мес. (что недопустимо), необходимо допол- нительно: взять пробу масла при температуре не ниже +5 °C и провести его испытание; измерить сопротивление изоляции обмоток и проверить отно- шение Лбо/7?15; измерить сопротивление постоянному току обмотки при рабо- чем положении переключателя. Включение трансформатора. Трансформатор включают под на- пряжение только с задействованными защитами, чтобы в случае 501
неисправности он мог отключиться. Включение допускается не ра- нее чем через 12 ч после последней доливки масла. Сигнальные контакты газового реле устанавливают на отключение трансфор- матора, а максимальную токовую защиту — с нулевой выдержкой времени. Трансформатор включают с номинальным напряжением на холостой ход не менее чем на 30 мин для прослушивания и на- блюдения за его состоянием. Нормальная работа трансформато- ра сопровождается ровным звуком (без резкого гудения, повышен- ного местного шума, треска). При прослушивании трансформато- ра на холостом ходу разрешается включать выносную систему охлаждения типа ДЦ при отключенной основной системе охлаж- дения. При этом температура верхних слоев масла не должна пре- вышать 75 °C. Трансформатор следует отключить в следующих случаях: при повышенном (либо неравномерном) шуме или треске внут- ри него; ненормально возрастающей температуре масла, выбросе масла из расширителя или разрыве диафрагмы выхлопной трубы; течи масла, вызывающей резкое снижение уровня масла в рас- ширителе; отсутствии масла в расширителях маслонаполненных вводов; появлении трещин и сколов на изоляторах вводов и при нали- чии на них признаков дугового перекрытия, а также при появле- нии других явных признаков нарушения его нормальной работы. После снятия напряжения устанавливают рабочую уставку мак- симальной токовой защиты и производят 3...5 включений транс- форматора на полное номинальное напряжение для проверки на- стройки защиты от бросков намагничивающего тока. При удовлетворительных результатах пробного включения трансформатор можно включить под нагрузку и сдать в эксплуа- тацию. Через 10 дней, а затем через месяц после включения транс- форматор под нагрузку, необходимо взять пробы масла и испы- тать их. Вопросы для самоконтроля 1. 1.Что проверяется при внешнем осмотре трансформатора? 2. Каковы основные требования, предъявляемые к трансформа- торному маслу? З. Что такое старение масла? 4. Какие вы знаете методы контроля влажности изоляции? 5. Что такое диэлектрические потери в изоляции? 6. Какими методами осуществляется контрольный прогрев? 7. Как монтируются маслонаполненные вводы и радиаторы транс- форматора? 502
II. 1. Каковы условия монтажа трансформатора без ревизии? 2. Каковы условия отбора проб масла? 3. Как определяется влажность изоляции методом «емкость—частота»? 4. Как контролируется влажность изоляции методом «емкость- температура»? 5. Поясните принцип сушки за счет индукционных потерь в кожухе? 6. Как монтируется расширитель трансформатора? III. 1. Каким образом заливают масло в трансформаторы до 35 кВ? 2. Какие аппараты применяют для очистки трансформаторного масла? 3. Назовите условия включения трансформаторов без сушки? 4. Какова последовательность заливки трансформаторного масла? 5. Как монтируются термосифонные и воздухоосушительные фильт- ры трансформатора? 6. Как произвести подготовку трансформатора к пробному вклю- чению? 13.4. Трансформаторы тока Устройство и схемы включения трансформаторов тока Трансформаторы тока применяются для измерения больших то- ков, когда невозможно непосредственное включение измеритель- ных приборов в контролируемые цепи. Использование трансфор- маторов тока позволяет устанавливать измерительные приборы на любом расстоянии от контролируемых цепей, концентрируя их в одном месте — на щите или пульте управления. Трансформатор тока состоит из замкнутого магнитопровода, на- бранного из тонких литых листов электротехнической стали, и двух обмоток — первичной и вторичной. Первичная обмотка трансформатора тока включается последо- вательно в линию (рис. 13.21), а его вторичная обмотка замыкает- ся непосредственно на амперметр и цепи тока других измеритель- ных приборов, которые тоже соединяются между собой последо- вательно, так как ток в них должен быть один и тот же. Суммарное сопротивление амперметра и цепей тока измери- тельных приборов относительно мало (обычно меньше 1 Ом), по- этому трансформатор тока работает в условиях, близких к услови- ям короткого замыкания силового трансформатора. Изменение тока в первичной обмотке трансформатора вызы- вает изменение тока в его вторичной обмотке, при этом вторич- ный ток пропорционален первичному. Соотношение между токами и витками обмоток трансформа- тора тока имеет вид А _ _ v- Т “ ЛТ.Т? /2 ^2 503
Рис. 13.21. Устройство, схема включения транс- форматора тока (а) и его обозначение (б) где 1[, 12 — соответственно первичный и вторичный токи; <оь ю2 — соответственно число витков первичной и вторичной обмоток; Ку т — коэффициент трансформации. При этом магнитный поток, создаваемый током вторичной об- мотки, направлен против магнитного потока, создаваемого током первичной обмотки, т. е. при их сложении образуется очень малый поток, замыкающийся в стали сердечника трансформатора. Когда же поток во вторичной обмотке отсутствует, например при обры- ве ее цепи, в магнитопроводе трансформатора тока действует пол- ный магнитный поток, создаваемый током первичной обмотки, т. е. весь первичный ток оказывается намагничивающим Z10a>i = 1 • Нормально Лом1 составляет примерно 0,5% от /]Ш]. Многократ- ное же увеличение намагничивающей силы, вызывающее очень большое возрастание магнитного потока (ограниченное насыще- нием сердечника), определяет потери в стали приблизительно про- порциональные его квадрату, т. е. сильное нагревание стали сер- дечника, опасное для целости изоляции, которое в итоге может привести к короткому замыканию на землю высокого напряжения. Кроме того, увеличение магнитного потока при размыкании вторичной цепи вызывает появление во вторичной обмотке ЭДС £2 порядка сотен вольт и до 1,5 кВ в трансформаторах, рассчитан- ных на большие токи. Следовательно, возникает опасность для жизни человека. Поэтому, если необходимо отключить измеритель- ные и защитные приборы при включенном трансформаторе тока, концы его вторичной обмотки замыкают накоротко. 504
Вторичный номинальный ток во всех трансформаторах тока составляет 5 А (в неко- торых специальных случаях — 1 А). В целях безопасности один зажим вторичной обмотки и стальной кожух трансформа- тора тока заземляются. Особенности работы транс- форматора тока определяют- ся тем, что у него независи- мой величиной является не первичное напряжение, а Рис. 13.22. Проходной трансформатор тока: 1 — первичная обмотка; 2 — зажимы вто- ричной обмотки; 3 — изолирующий ци- линдр; 4 — сердечник первичный ток /j, который в большинстве случаев во много раз больше вторичного тока /2> поэтому число витков первичной обмотки (0] должно быть во много раз меньше числа витков вто- ричной обмотки €02- Для больших токов первичная обмотка вы- полняется в виде провода, продетого в окно стального сердечника (рис. 13.22). Напряжение на зажимах первичной обмотки трансформатора тока во много раз меньше его вторичного напряжения (так как w? > Mi), а следовательно, если его вторичное напряжение несколько вольт, то первичное часто составляет порядка сотых долей вольта. Увеличение сопротивления вторичной цепи трансформаторов тока почти не влияет на первичный ток /ь а вызывает лишь уве- личение намагничивающей силы и уменьшение /2(1)2, так как чем больше сопротивление вторичной цепи, тем больше должны быть ЭДС Е2 и магнитный поток, ее наводящий. Но чем больше Е2, тем больше нарушается основное условие точной работы транс- форматора тока: ЛоШ, << Поэтому в трансформаторах тока должно указываться максимально допустимое сопротивление в цепи вторичной обмотки, обеспечивающее допустимые погреш- ности, т.е. это сопротивление тем меньше, чем выше точность трансформатора тока. Точность измерений зависит от погрешности (ошибки) самих измерительных трансформаторов и присоединяемых к ним при- боров. Погрешности измерений трансформаторов тока разделяются на погрешности по коэффициенту трансформации, т. е. по напряже- нию или току, и угловые. Погрешность по коэффициенту трансформации влияет на вто- ричные напряжения или токи при заданных первичных величи- нах. От нее зависит правильность показаний приборов, подсоеди- ненных ко вторичной обмотке измерительных трансформаторов. 505
Угловая погрешность, влияющая только на показания приборов ваттметрового типа (ваттметры, фазометры, счетчики, реле мощ- ности), определяется: постоянными факторами, зависящими от конструктивных параметров трансформатора (электрического со- противления обмоток, магнитного сопротивления магнитопрово- да и др.), и переменными факторами, зависящими от эксплуата- ционных условий, т. е. от параметров нагрузки вторичной обмот- ки трансформатора. Погрешности измерительного трансформатора определяют его класс точности, т.е. классам точности 0,2; 0,5; 1; 3; 10 соответ- ствуют определенные значения допустимых погрешностей (в про- центах) при номинальных токах. В промышленных установках ис- пользуются преимущественно трансформаторы тока классов точ- ности 0,5; 1; 3, для включения измерительных приборов служат трансформаторы классов точности 0,5 и 1, а трансформаторы тре- тьего класса точности обычно применяются для включения при- боров релейной защиты и простейших измерительных приборов (щитовых вольтметров, амперметров). При включении приборов через измерительные трансформаторы возникает погрешность, обычно не превышающая 1 % от измеряемой величины. Трансформаторы тока выбирают по следующим параметрам: номинальному напряжению, рабочему току, классу точности вто- ричной обмотки, а также значениям термической и динамичес- кой устойчивости при прохождении токов короткого замыкания. Трансформаторы тока в распределительных устройствах обес- печивают: расширение пределов измерительных приборов с токовыми об- мотками (амперметров, ваттметров, счетчиков); питание токовых обмоток реле, а в некоторых случаях обмоток отключающих устройств приводов силовых выключателей; отделение вторичных цепей от первичных. Последний фактор имеет особое значение, так как определяет безопасность обслуживающего персонала. Вторичные обмотки трансформаторов тока и их корпуса, как правило, соединяют с землей. Для правильного соединения нескольких трансформаторов тока в общую схему и присоединения к ним приборов необходимо знать их полярность, т. е. соответствуют ли начало и конец первичной обмотки началу и концу вторичной обмотки, для чего их марки- руют: начало первичной обмотки, включаемой в линию, обозна- чают Л1, а ее конец — Л2; начало и конец вторичной обмотки обо- значают соответственно И1 и И2. В зависимости от характера нагрузки, задач измерения и видов релейной защиты в линиях трехфазного тока измерительные транс- форматоры устанавливают на одной, двух или трех фазах. 506
Рис. 13.23. Схемы соединения трансформаторов тока: а — полная звезда; б — треугольник; в — неполная звезда; г-на разность токов; д — на сумму трех токов; е — последовательное соединение двух обмоток одной фазы; ж — параллельное соединение двух обмоток одной фазы Различные схемы соединения трансформаторов тока приведе- ны на рис. 13.23. Из них схемы полная звезда и треугольник при- меняются при необходимости контроля тока во всех трех фазах линии (например, в некоторых видах релейных защит); схема не- полная звезда и схема на разность токов двух фаз — в сетях с изоли- рованной нейтралью, а схема на сумму трех токов — в релейных защитах от замыканий на землю. Если со вторичных обмоток двух трансформаторов одной фазы необходимо получить возможно большую мощность, применяет- ся их последовательное соединение, а параллельное соединение тех же обмоток позволяет увеличить ток во вторичной цепи. 507
Конструкции трансформаторов тока По конструкции трансформаторы тока подразделяют на опор- ные, проходные, шинные, встроенные, разъемные и втулочные. В зависимости от числа витков первичной обмотки различают одно- и многовитковые трансформаторы тока, а также с одной вторичной обмоткой или несколькими. При монтаже РУ на напря- жение 6... 10 кВ применяют трансформаторы тока с литой и фар- форовой изоляцией, а при напряжениях до 1 кВ — с литой, хлоп- чатобумажной и фарфоровой. Одновитковые трансформаторы тока (рис. 13.24, а) конструк- тивно проще, имеют меньшие размеры, дешевле и более устой- чивы при коротких замыканиях, чем многовитковые. Существен- ным их недостатком является невысокая точность при измерении малых токов. Применяются они для внутренней установки на пер- вичные токи от 400 до 6000 А. В основном многовитковые трансформаторы с одним сердеч- ником (рис. 13.24, б) применяются для внутренней установки на номинальные первичные токи от 5 до 600 А и для наружной уста- новки на токи от 1000 до 2000 А. В многовитковых трансформаторах тока с двумя сердечниками каждый из сердечников имеет свою вторичную обмотку, а пер- вичная обмотка у них общая (рис. 13.24, в), т. е. получается как бы сдвоенный трансформатор тока. Каждая вторичная обмотка тако- го трансформатора рассчитана на определенную номинальную на- грузку, при которой он будет работать в пределах своего класса точности. Обычно одну из вторичных обмоток используют для включения измерительных приборов, а другую — для реле защиты. При этом обмотки могут быть од инаковых или разных классов точ- ности. В некоторых случаях трансформаторы тока (на 110 кВ и выше) изготавливают с тремя и четырьмя сердечниками. Рис. 13.24. Принципиальные схемы трансформаторов тока: а — одновиткового; б — многовиткового с одним сердечником; в — многовитко- вого с двумя сердечниками; 1 — первичная обмотка; 2 — изоляция; 3 — сердеч- ник; 4 — вторичная обмотка 508
Обозначение трансформаторов тока Буквы в обозначении трансформаторов тока означают следую- щее: Т — трансформатор тока, П — проходной, О — одновитко- вый, М — многовитковый, Л — с литой изоляцией, Ф — с фарфо- ровой изоляцией. Также в обозначении могут быть цифры, опре- деляющие номинальное напряжение. Отсутствие буквы П указывает на то, что трансформатор тока не проходной, а опорный. Может быть также указан класс точности, а при наличии двух сердечни- ков под чертой указывают номинальный первичный ток. Кроме того, могут быть добавлены буквы, характеризующие исполнение трансформатора тока: нормальное (без дополнительных обозначе- ний); усиленное по термической или динамической устойчивости (У); для дифференциальной защиты (Д); для защиты от замыка- ний на землю (3). Трансформатор тока ТПЛ-10 (проходной с литой изоляцией), рассчитанный на номинальный ток до 400 А, применяется в КРУ внутренней установки. Он имеет один или два прямоугольных ших- тованных сердечника 3 (рис. 13.25), на верхних стержнях которых расположены катушки вторичных обмоток 5 (одна или две). Пер- вичную обмотку 7 изготавливают из изолированного провода (для малых токов) и шинной меди (для больших токов). Изоляция ли- той эпоксидной смолой выполнена между обмотками и от зазем- ленных деталей. Эпоксидные смолы — сиропообразные жидкости или твердые веще- ства желтой или светло-коричневой окраски широко применяются в электротехнике в качестве основы электроизоляционных заливочных Рис. 13.25. Конструкция трансформатора тока ТПЛ-10: 1 — корпус; 2 — болт заземления; 3 — сердечник (магнитопровод); 4 — винт; 5, 7 — соответственно вторичная и первичная обмотки; 6 — контактные плас- тины; 8 — угольник 509
компаундов, а также в качестве клеящих лаков и клеев. Их достоинством является очень малая объемная усадка (0,6... 1,0%) при отвердевании. Кроме того, затвердевшие эпоксидные смолы обладают большой меха- нической прочностью и стойкостью к воде. Монолитный эпоксидный корпус 1 защищает обмотки от ме- ханических повреждений. В нижней части стержня магнитопрово- да прикреплены два стальных угольника 8, которые служат осно- ванием трансформатора, имеющего опорно-проходную конструк- цию. Одновитковый трансформатор тока ТШЛ-0,5 называется шин- ным, поскольку в качестве первичной обмотки в нем использует- ся токопроводящая шина (рис. 13.26). Применяется он в закрытых установках с напряжением до 0,66 кВ. Имеет О-образный магни- топровод, на стержнях которого выполнена вторичная обмотка. Выводы первичной обмотки (линейные) — медные пластины с отверстиями для болтовых соединений, расположение которых в корпусе зависит от типа трансформатора тока. Начало и конец вторичных обмоток (измерительных) соединяют с внешними це- пями специальными контактными пластинами и винтами, распо- ложенными на одной из сторон монолитного корпуса. Трансформатор тока ТПЛМ-10 (проходной с литой изоляцией модернизированный) внутренней установки, рассчитанный на но- минальный первичный ток до 400 А, применяют в шкафах комп- лектных распределительных устройств. Он состоит из одного или двух прямоугольных шихтованных сердечников с обмотками. Ка- тушечная группа, залитая эпоксидным компаундом, представляет Рис. 13.26. Шинный трансформа- тор тока ТШЛ-0,5 собой монолитный изоляцион- ный блок. Основанием трансфор- матора служат два стальных угольника, укрепленных на сер- дечнике. В горизонтальных полках угольников имеются четыре от- верстия для крепления транс- форматора. На вертикальной полке одного из угольников рас- положен болт заземления, обо- значенный буквой 3. На сер- дечнике установлена табличка с техническими данными транс- форматора. Трансформатор тока ТПЛУ-10 рассчитан на токи от 10 до 100 А и имеет усиленное исполнение по защите от токов короткого за- мыкания. Класс точности сердеч- 510
ника 0,5. Если в обозначении это- го трансформатора есть буква Р, это означает, что сердечник до- пускает присоединение вторич- ной цепи для питания релейной защиты. Так же, как и трансфор- маторы тока ТПЛ-10, он имеет один или два прямоугольных сер- дечника из трансформаторной стали, на верхние стержни кото- рых надета вторичная обмотка из изолированного провода. Поверх вторичной обмотки размещается первичная, которая на малые токи выполняется из изолирован- ного провода, а на большие — из голой меди. В последнем случае межвитковои изоляцией служат полосы электрокартона. Трансформаторы тока серии ТПОЛ (рис. 13.27), рассчитанные для работы в любом положении (горизонтальном, вертикальном, наклонном), устроены по тому Рис. 13.27. Трансформатор тока се- рии ТПОЛ с литой изоляцией: 1 — выводы первичной обмотки; 2 — литой корпус; 3 — выводы вторичной обмотки; 4 — фланец е принципу, что и трансфор- маторы серии ТПЛ, но их первичная обмотка состоит из одного витка — стержня, к которому с обеих сторон присоединяются шины первичной цепи. Изоляцией между их первичной и вторичной об- мотками и между первичной обмоткой и заземленными деталями служит также литая эпоксидная смола. Эпоксидный корпус обра- зует сплошной изоляционный слой, который обеспечивает надеж- ную защиту внутренних частей от механических повреждений. Трансформатор тока ТПОЛ-10 применяют на подстанциях и в РУ промышленных предприятий. Трансформатор ТПФ-10 (проходной с фарфоровой изоляцией на напряжение 10 кВ) состоит из одного или двух сердечников 1 (рис. 13.28), охватывающих фарфоровые изоляторы 2. Вторичная обмотка 3, состоящая из одной или двух катушек, надета на стер- жень сердечника, а первичная обмотка 4, состоящая из несколь- ких витков круглого изолированного провода или ленточной меди, продета через отверстия изоляторов. Начало и конец первичных обмоток Л1 и Л2 приварены к медным контактным пластинам 5, выведенным наружу через прямоугольные отверстия в торцевых крышках 6 трансформатора. На фланце 8 укреплены изолирован- ные колодки 9, на которые через изоляционные трубки (втулки) выведены начало и конец вторичных обмоток И1 и И2, а также 511
Рис. 13.28. Конструкция трансформатора тока ТПФ-10: 1 — сердечник; 2 — изолятор; 3, 4 — соответственно вторичная и первич- ная обмотки; 5 — контактная пластина; 6 — крышка; 7 — кожух; 8 — фла- нец; 9 — изолированная колодка; 10 — отверстие для крепления; 11 — болт заземления болт заземления 11. По углам фланца расположены отверстия 10 для крепления трансформатора тока. От механических поврежде- ний обмотки защищены прямоугольным кожухом 7. Габаритные размеры и масса трансформатора тока серии ТПФ-10 значитель- но больше, чем у трансформаторов серии ТПЛ. В цепях с напряжением до 500 В для измерения тока и мощно- сти, а также учета энергии применяют катушечные опорные транс- форматоры тока простой конструкции, состоящие из магнитопро- вода, на который наложены две обмотки (первичная — для вклю- чения в измеряемую цель и вторичная — для присоединения приборов). Опорный катушечный трансформатор тока с фарфоровой изо- ляцией ТКФ-3 (рис. 13.29) применяют в закрытых установках с напряжением до 3 кВ. Катушка вторичной обмотки этого транс- форматора, намотанная на каркас из пропитанного картона и рас- положенная внутри фарфорового изолятора 2, надета на магни- топровод 6. Катушка первичной обмотки трансформатора заложена в углубление изолятора и закрыта металлическим кожухом 3. Для использования в наружных установках с напряжением 35 кВ и выше служат опорные трансформаторы тока в маслонаполнен- ном фарфоровом корпусе серий ТФН, ТФНУ, ТФНД, ТФНДК (Н — наружный, У — усиленный, К — каскадный, Д — для диф- ференциальной защиты). 512
Трансформаторы тока серий ТФН, ТФНУ и ТФНД (рис. 13.30, а) выпускают на номинальные напряжения 35, ПО и 220 кВ и номи- нальные первичные токи до 2000 А. Обмотки таких трансфор- маторов помещаются в фар- форовом корпусе 3, залитом трансформаторным маслом и укрепленном на металли- ческом основании 4. На верх- нем торце фарфорового кор- пуса укреплен чугунный мас- лорасширитель 1 с маслоука- 5 а тел ем и зажимами 2 пер- вичной обмотки. Сердечник со вторичной обмоткой, укрепленный на основании, охватывается первичной обмоткой (в ви- де восьмерки). Концы вто- ричных обмоток выведены на зажимы, помещенные в Рис. 13.29. Трансформатор тока ТКФ-3: / — установочный угольник; 2 — фарфоро- вый изолятор; 3 — защитный кожух; 4 — за- жимы первичной обмотки; 5- зажимы вто- ричной обмотки; 6 - магнитопровод чугунные герметичные коробки на основании трансформатора. Трансформаторы тока серии ТФНКД (рис. 13.30, б) выпуска- ют на номинальное напряжение до 500 кВ. Для защиты линий от замыкания отдельных жил кабелей на землю выпускают трансформаторы тока серии ТЗР (для защиты от замыкания на землю, разъемный), имеющие разъемный маг- нитопровод, что позволяет надевать их на смонтированные трех- фазные бронированные кабели диаметром не более 65 мм. Такой трансформатор состоит из сердечника и ярма, набран- ных из отдельных полос электротехнической стали. На сердечнике размещается вторичная обмотка, концы которой выведены на изо- ляционную колодку. Первичной обмоткой может служить кабель. Лапка трансфор- матора должна иметь болт диаметром 8 мм для присоединения заземляющей шины. В нормальных условиях геометрическая сумма токов, проходя- щих по жилам кабеля, равна нулю или близка к нему, т. е. сердеч- ник трансформатора почти не намагничивается, и во вторичной обмотке не образуется ЭДС, способная вызвать срабатывание при- соединенного к ней реле. 1 7 Нестеренко 513
2 2 Рис. 13.30. Опорные трансформаторы тока для наружной установки: а — ТФНД-220; б — ТФН КД-500; 1 чугунный масло- расширитель (колпак); 2 — зажимы первичной обмотки; 3 — фарфоровый корпус; 4 — основание (тележка); 5 — зажимы вторичной обмотки Если произойдет замыкание на землю одной из фаз защищае- мой установки или участка сети либо нарушится равномерность загрузки по фазам, т. е. суммарный магнитный поток уже не будет равен нулю и вызовет ток во вторичной обмотке, замкнутся кон- такты в цепи сигнализации или отключится защита. Выпускаются также другие трансформаторы аналогичного на- значения, например с литой изоляцией серии ТЗЛ и хлопчатобу- мажной изоляцией серии ТЗ. В схемах РУ и подстанций для питания отключающих обмоток приводов используются трансформаторы тока серии ТКБ с ших- тованным сердечником, на боковых стержнях которого надеты пер- вичная и вторичная обмотки. Начала и концы обмоток выведены на щиток, укрепленный на верхней части магнитопровода. Особенностями трансформаторов тока серии ТКБ являются быстрое насыщение железа и стабильность вторичного тока. Для измерения силы тока и питания схем защиты в сетях с напряжением до 1 кВ применяются катушечные трансформаторы тока серии ТК с хлопчатобумажной изоляцией. 514
Вопросы для самоконтроля I. 1. Для чего служат трансформаторы тока? 2. Поясните конструкцию трансформатора тока. 3. Какие измерительные трансформаторы вы знаете? 4. Как включаются трансформаторы тока в цепь? И. 1. Какие трансформаторы тока вы знаете? 2. Какие могут быть погрешности у трансформаторов тока? 3. По каким характеристикам выбирается трансформатор тока? III. 1. Как различаются трансформаторы тока по конструкции? 2. Как подразделяются трансформаторы тока по числу витков пер- вичной обмотки? 3. Как обозначаются трансформаторы тока? 4. Какие схемы соединения трансформаторов тока вы знаете? 5. Дайте характеристику трансформаторам тока серий ТПЛ-10, ТШЛ-0,5, ТПФ-10. 6. В каких электроустановках и на какие напряжения применяются трансформаторы тока серий ТФН, ТФНУ, ТФНД? 13.5. Монтаж трансформаторов тока Монтаж трансформаторов тока включает в себя ревизию и про- верку их перед установкой и непосредственно установку. Предварительно трансформаторы тока проверяют в монтажных мастерских. Там же, если необходимо, сушат их обмотки. Если со- противление изоляции обмоток менее 1 МОм, для этого исполь- зуют тепловоздуходувку или сушильную камеру с температурой воздуха не выше 90 °C. Во время сушки сопротивление изоляции измеряют через каждые полчаса. Сушку трансформаторов с напря- жением 1... 10 кВ можно считать законченной, когда сопротивле- ние их изоляции будет не менее 10 МОм. Ревизия трансформаторов. Подлежащие монтажу трансформа- торы тока подвергают ревизии, проверяя комплектность аппарата и крепежных деталей, состояние фарфоровых частей и кожуха, це- лость обмотки и колодки вторичных выводов, наличие обозначе- ний выводов и паспортной таблички, правильность обозначений (полярность) выводов, состояние выводных стержней и резьбы на них, наличие и исправность гаек и шайб. Монтаж начинают с разметки по шаблонам расположения отверстий и крепежных кон- струкций (плит, угольников) в месте установки трансформаторов, затем сверлят необходимые отверстия и устанавливают соответству- ющие конструкции. Проверка трансформаторов перед установкой. Принимая для монтажа, трансформатор осматривают, чтобы убедиться в отсут- ствии повреждений отдельных частей, наличии обозначений вы- водов и паспортной таблички. Кроме того, обязательно проводит- 515
ся серия электрических испытании в центральных мастерских или наладочными бригадами. Так, по схеме, приведенной на рис. 13.31, а, проверяют вто- ричные обмотки трансформатора, чтобы убедиться в том, что они не имеют обрыва (в случае обрыва стрелка мегомметра при вра- щении его рукоятки показывает бесконечность). Проверить вторич- ные обмотки можно и с помощью малогабаритного моста Уитстона. В этом случае об обрыве свидетельствует бесконечно большое со- противление, получаемое при измерении. Состояние изоляции первичной и вторичной обмоток проверя- ют по схемам, показанным на рис. 13.32, б, в. Проверка ведется с помощью мегомметра, рассчитанного на напряжение 1000... 2500 В. Сопротивление изоляции не нормируется, но должно быть в пер- вичной обмотке не менее 50 МОм, а во вторичных — не менее 10 МОм. Окончательное решение о состоянии изоляции трансформато- ра тока принимается после испытания его повышенным напря- жением промышленной частоты в течение 1 мин (вторичные об- мотки — напряжением 2000 В, а первичные — напряжением, оп- ределяемым ГОСТом). Рис. 13.31. Схемы для проверки трансформаторов тока: а — отсутствия обрыва в цепи вторичной обмотки; б — сопротивления изо- ляции первичной (пунктир) и вторичной обмоток; в — сопротивления изо- ляции между первичной и вторичной обмотками; 7 — зажим первичной об- мотки; 2 — первичная обмотка; 3 — корпус трансформатора; 4 — зажимы вто- ричной обмотки; 5 — мегоомметр 516
Правильность маркировки выводов и соответствие их заводским обозна- чениям проверяют по схеме, приве- денной на рис. 13.32, в которой ис- пользуются гальванометр с нулем по- середине шкалы и батарейка от кар- манного фонаря или портативная ак- кумуляторная батарея на 6... 12 В. Если полярность обмоток правиль- ная, стрелка прибора в момент замы- кания цепи батареи должна откло- ниться вправо. Отклонение стрелки прибора влево указывает на то, что полярность вторичной обмотки обрат- на полярности, обозначенной в завод- ской маркировке. Установка трансформаторов. Транс- форматоры тока монтируют на кон- струкциях или проходных плитах, а также на стальных перегородках в камерах КРУ Их поднимают на про- ектные места вручную за фланцы и укрепляют болтами, сначала без за- тяжки. Основные вертикальные оси транс- форматоров должны находиться в од- ной плоскости или располагаться сим- Рис. 13.32. Схема проверки по- лярности обмоток: 7 — первичная обмотка; 2 — вто- ричная обмотка; 3 — батарейка; 4 — рубильник; 5,6— зажимы об- моток; 7 — гальванометр метрично по отношению к осям ближайших элементов установ- ки, с которыми они в дальнейшем будут соединяться шинами. Выверку осуществляют перемещением в пределах зазоров отвер- стий на плите или конструкции. По окончании выверки постепенно и равномерно затягивают крепящие болты. При монтаже трансформаторов тока необходимо выполнять сле- дующие требования: при установке в проемах стен и перекрытий между корпусом трансформатора и стеной необходимо оставлять по всему периметру зазор 2... 3 мм (в который затем закладывается лист толя) для обес- печения возможности его свободного демонтажа и предохранения корпуса от коррозии; не следует устанавливать трансформаторы вплотную один к дру- гому, поскольку это нарушает их охлаждение (между их корпуса- ми должен оставаться просвет не менее 100 мм); в горизонтальных перекрытиях и опорных конструкциях для удобства обслуживания трансформаторы тока нужно устанавливать так, чтобы их плиты с паспортной табличкой были обращены вверх 517
или в сторону коридора управления (при установке на вертикаль- ных стенах ячеек); при номинальном токе трансформатора более 1500 А обязатель- но принимать меры для предотвращения нагрева близко располо- женных стальных деталей; питающие шины высокого напряжения (например, подходя- щие от сборных шин) нужно присоединять к зажимам трансфор- матора с пометкой Л1 (начало обмотки), а отходящие шины — к зажимам Л2 (конец обмотки). В этом случае и зажимы вторичной обмотки с пометками И1 и И2 будут соответствовать началу и кон- цу обмотки; не допускать действия на токопроводящие стержни и изолято- ры изгибающих усилий от присоединенных к зажимам трансфор- маторов шин и проводов. Вторичные обмотки, не присоединенные к приборам, должны быть замкнуты накоротко и заземлены непосредственно на зажи- мы трансформатора. Установленный трансформатор тока также за- земляют. Вторичную обмотку заземляют гибким медным проводом, присоединив его к болту заземления на корпусе трансформатора тока. Вопросы для самоконтроля I. 1. Что включает в себя монтаж трансформаторов тока? 2. Что проверяют при ревизии трансформаторов тока? 3. В чем заключается проверка трансформаторов тока перед уста- новкой? II. 1. Какие требования необходимо выполнять при монтаже трансфор- маторов тока? 2. Как подключается трансформатор тока в цепь? 3. Что при монтаже трансформаторов тока подлежит обязательному заземлению? III. 1. Начертить и пояснить схемы, применяемые для проверки транс- форматоров тока. 2. Поясните схему проверки полярности обмоток. 13.6. Трансформаторы напряжения Трансформаторы напряжения применяются для питания кату- шек напряжения электроизмерительных приборов, реле, цепей сигнализации, управления и автоматики. От обычного силового трансформатора они отличаются небольшой мощностью. Напри- мер, мощность наиболее распространенного трансформатора на- пряжения НОМ-10 составляет всего 720 В-А. Устройство и схема трансформатора напряжения показаны на рис. 13.33. Его первичная обмотка, являющаяся вместе с тем об- 518
моткой высокого напряжения с большим числом витков, включа- ется на измеряемое напряжение Uy, а вторичная обмотка, являю- щаяся обмоткой низкого напряже- ния, замыкается на вольтметр и цепи напряжения других приборов. Обе обмотки концентрические. Об- мотка ВН окружает обмотку НН так же, как в силовых трансформа- торах. Все измерительные приборы соединяются между собой парал- лельно, чтобы в них было одно и то же вторичное напряжение транс- форматора. Сопротивление вольтметра и цепей напряжения измерительных приборов относительно велико Рис. 13.33. Устройство трансфор- матора напряжения, нагружен- ного вольтметром и частотоме- ром (а) и его условное обозна- чение (б) (порядка тысяч Ом), т. е. трансформатор напряжения работает в условиях, близких к условиям холостого хода силового трансфор- матора. Следовательно, внутренние падения напряжения IZ и /2^2 в его обмотках относительно малы, и можно считать, что = Ех и U2 = Е2 , а так как Ех/Е2 = (Oj/a? = К^, то напряжение U = KTU2, т. е. вторичное напряжение связано с первичным постоянным со- отношением, равным коэффициенту трансформации. В цепи измерительного прибора вторичное напряжение транс- форматора должно совпадать по фазе с первичным. Это достигает- ся соединением обмоток трансформатора напряжения согласно группе 0. Таким образом, трансформатор напряжения передает во вторичную цепь пропорционально измененное значение первич- ного высокого напряжения и его фазу и позволяет на основании измеренного низкого напряжения U2 определить высокое напря- жение C/j. Правильная передача фазы важна не только для вольтметра или частотомера, но и для ваттметра и счетчика. На шкале вольтметра, постоянно работающего с определенным трансформатором напряжения, наносят значения первичного на- пряжения. Соответственно ваттметры и счетчики, предназначен- ные для постоянной работы при известных коэффициентах транс- формации измерительных трансформаторов, градуируются с уче- том этих коэффициентов. Вторичное номинальное напряжение во всех трансформаторах напряжения имеет одно и то же стандарт- ное значение — 100 В. В целях безопасности обслуживающего персонала один зажим вторичной обмотки и стальной кожух трансформатора напряже- 519
ния должны быть заземлены. Тем самым предупреждается возник- новение высокого напряжения между присоединенными к транс- форматору измерительными приборами и землей при поврежде- нии изоляции между обмотками. Каждый трансформатор напряжения характеризуется двумя мощностями: номинальной и максимальной. Номинальная мощность определяет перегрузку, т. е. предел на- грузки, при которой гарантируется работа трансформатора в ус- тановленном для него классе точности. Максимальная мощность определяет предел нагрузки трансформатора по допустимому на- греву его обмоток. При нагрузках выше номинальной мощности (и до максимальной) трансформатор напряжения выходит из сво- его класса точности. В этом случае он работает как силовой, т. е. используется для питания линий освещения, цепей сигнализации и др. Трансформаторы напряжения различают по числу фаз — одно- фазные и трехфазные; числу обмоток — двухобмоточные и трехоб- моточные; классу точности; способу охлаждения — с масляным охлаждением и естественным воздушным (сухие) и роду установ- ки — внутренние и наружные. В сетях, подстанциях и РУ промышленных предприятий при- меняют трансформаторы напряжения классов точности 1 и 3, а для учета электроэнергии — класса 0,5. Буквы в обозначении трансформаторов напряжения означают: Н — напряжение, О — однофазный, М — масляный, С — сухой, К — залитый компаундом (в обозначении НОСК) или с компен- сационной обмоткой (в обозначении НТМК), И — пятистержне- вой, Т — трехфазный (в обозначении НТМИ). Цифры после букв указывают номинальное напряжение обмот- ки ВН. Выводы первичной обмотки ВН трехфазных трансформа- торов маркируют буквами А, В, С, а вторичной обмотки НН — а, Ь, си цифрой 0. В однофазных трансформаторах выводы соответ- ственно обозначаются А, Хи а, х. Трансформаторы напряжения понижают ВН до 100 В, что не- обходимо для питания приборов и цепей вторичных устройств, а также релейной защиты от замыкания на землю. В распределительных устройствах и подстанциях с напряже- нием 6... 10 кВ применяют преимущественно трансформаторы НОМ-6-10, НТМИ-6-10 или НТМК-6-10. Масляный трансформатор напряжения серии НОМ показан на рис. 13.34. Он состоит из бака 2, заполненного маслом, магнито- провода, обмоток 8 и выводов на крышке бака в виде проходных изоляторов 3 и 4. Магнитопровод однофазный, броневого типа. Об- мотки намотаны на цилиндр из слоев электрокартона одна поверх другой. Обмотка ВН состоит из двух последовательно соединен- 520
7 a) б) Рис. 13.34. Трансформатор напряжения серии НОМ: а — общий вид; б — выемная часть; 1 — сливная пробка; 2 — бак; 3, 4 — проходные изоляторы; 5 — болт заземления; 6 — винтовая пробка; 7 — контакт высоковольтного вывода; 8 — обмотки; 9 — сердечник них катушек и имеет два электростатических экрана для защиты от перенапряжения. На крышке смонтированы выводы первично- го и вторичного напряжений, расположена пробка для доливки мас- ла. На баке 2 закреплен болт 5 для заземления трансформатора. Тепло, выделяемое трансформатором при работе, отводится за- полняющим его маслом, которое, нагреваясь, расширяется. Мас- ло не должно доходить до крышки, т. е. под крышкой должно быть небольшое воздушное пространство, связь которого с окружаю- щей атмосферой осуществляется через неплотную резьбу пробки. При монтаже трансформатора из-под крышки удаляют кожаную уплотнительную шайбу, установленную заводом в целях предуп- реждения течи масла при транспортировке. В трансформаторах напряжения тропического исполнения до- полнительно устанавливается воздухоосушающий фильтр для очи- стки от влаги и промышленных загрязнений воздуха, поступаю- щего при температурных колебаниях масла. Схемы включения однофазных трансформаторов напряжения и присоединения к ним измерительных приборов приведены на рис. 13.35. Два однофазных трансформатора напряжения (см. рис. 13.35, а) соединяются в открытый треугольник, если необходимо включить 521
б) Рис. 13.35. Схемы включения однофазных трансформаторов напряжения: а — соединение двух однофазных трансформаторов в открытый треугольник; б — соединение трех однофазных трансформаторов в звезду; VI — вольтметры линей- ного напряжения; V2 — вольтметры фазного напряжения измерительные приборы и реле только на междуфазные либо толь- ко линейные напряжения. Три однофазных трансформатора напря- жения (см. рис. 13.35, б) соединяются в звезду с глухим заземле- нием нейтрали обмоток, если необходимо включить измеритель- ные приборы и реле и на междуфазные (вольтметры VI) и фазные (вольтметры V2) напряжения. Глухое заземление нейтрали обмот- ки высокого напряжения позволяет следить при помощи вольт- метров V2 (или реле) за состоянием изоляции первичной сети. При нормальном состоянии изоляции вольтметры V2 показывают фаз- ное напряжение. При полном (глухом) замыкании на землю од- ной из фаз стрелка вольтметра поврежденной фазы будет стоять на нуле, а два вольтметра исправных фаз будут показывать между- фазное напряжение. Трехфазные трансформаторы напряжения с масляной изоляци- ей серий НТМК и НТМИ внутренней установки, предназначен- ные для питания различных приборов и одновременного контро- ля изоляции, на напряжение до 18 кВ, изготавливают трехстерж- невым и пятистержневым магнитопроводами. 522
Трансформатор НТМК-6 (рис. 13.36) повышенной точ- ности служит для присоединения счетчиков, фазометров, реле мощности и других приборов с обмотками тока и напряжения. Трансформатор НТМИ-10 (рис. 13.37) с пятистержневым магни- топроводом имеет три обмотки — одну первичную и две вторичные, уложенные на трех средних стер- жнях. Первичная обмотка и ос- новная вторичная обмотка соеди- нены в звезду. Нейтральные точ- ки этих обмоток выведены на крышку трансформатора для за- земления. К основной вторичной обмотке присоединяют цепи пи- тания измерительных приборов, а к дополнительной — цепи кон- троля изоляции сети, реле замы- кания на землю и приборы сиг- нализации. Дополнительная вто- ричная обмотка соединена в ра- зомкнутый треугольник: ее нача- ло и конец выведены на крышку трансформатора для присоедине- Рис. 13.36. Трансформатор напряжения НТМК-6 ния приборов, контролирующих состояние изоляции (вольтмет- ра или реле напряжения). При нормальном состоянии сети на- пряжение на выводах обмотки разомкнутого треугольника равно нулю, так как равна нулю сумма электродвижущих сил, индук- тируемых в дополнительных обмотках. При однополюсном замы- кании в сети магнитный поток неповрежденных фаз, замкнув- шись через крайние стержни магнитопровода, нарушит нулевое равенство индуктируемых ЭДС, и на выводах обмотки появится напряжение, вследствие чего через обмотку присоединенного вольтметра (или реле) потечет ток. Стрелка вольтметра отклонится от нулевого положения, а реле, сработав и замкнув контакты, включит сигнал, оповещающий о наличии замыкания в сети. Схемы включения трансформаторов напряжения серий НТМК и НТМИ, а также схема включения измерительных приборов и реле для контроля изоляции во вторичные обмотки трансформа- тора серии НТМИ показаны на рис. 13.38. Трансформаторы напряжения с литой изоляцией из эпоксид- ных смол лишены недостатков масляных трансформаторов, т. е. они 523
б) Пробка для заливания масла 0427 а) Рис. 13.37. Общий вид (а) и схема соединения обмоток (б) трехфазного пятистержневого трансформатора напряжения НТМИ-10 Заводской щиток Рис. 13.38. Схемы включения трехфазных трансформаторов напряжения серий НТМК (а), НТМИ (б) и схема включения приборов и реле во вто- ричные цепи трансформатора серии НТМИ (в) в) 524
не требуют постоянного кон- троля и периодической за- мены масла; не имеют огра- ничений при монтаже в по- мещениях с повышенной пожарной опасностью, а так- же на передвижных установ- ках; имеют меньшие массу и размеры. Например, однофазный трансформатор напряже- ния НОЛ-11-06 (рис. 13.39) с литой изоляцией имеет магнитопровод броневого типа, на среднем стержне которого расположены об- Рис. 13.39. Трансформатор напряжения НОЛ-11-06: МОТКИ, Пропитанные ЭПОК- 1 — контакт высоковольтного вывода; 2 — СИДНЫМ компаундом. Кон- литой блок; 3 - контакт вывода вторичной ЦЫ первичной обмотки И обмотки; 4 — блок заземления; 5-кронштейн соединяются с высоковольтными выводами в верхней части транс- форматора, а концы вторичных обмоток подведены к контакт- ным зажимам в нижней части. Магнитопровод и обмотки залиты эпоксидом в сплошной литой блок. 13.7. Монтаж трансформаторов напряжения При монтаже трансформаторов напряжения необходимо выпол- нять следующее требования: при установке трансформатора на двух угольниках для беспре- пятственного доступа к спускному крану передний угольник дол- жен быть обращен ребром вниз; маслоспускной кран и указатель уровня масла должны быть об- ращены в сторону коридора обслуживания. В пробках с дыхатель- ными отверстиями следует удалить прокладки; изоляционное расстояние (в свету) между головками изолято- ров и расстояния между ними и осями фаз должны быть выдержа- ны в соответствии с проектным чертежом; расстояния между кожухами трансформаторов для обеспечения нормального охлаждения должны быть не менее 100 мм (в свету); к трехфазным трансформаторам серий НТМК и НТМИ шины ВН должны присоединяться следующим образом: желтая фаза к выводу А, зеленая — к выводу В, красная — к выводу С (вывод X заземляется); вывод ВН однофазного трансформатора серии НОМ с пометкой А присоединяется к любой из трех шин высокого на- пряжения (если устанавливают три однофазных трансформатора, 525
то все выводы, имеющие пометку X, соединяются общей шиной и заземляются); корпуса трехфазных и однофазных трансформаторов напряже- ния должны присоединяться к заземляющей магистрали отдель- ными шинами. Первичные и вторичные обмотки трансформато- ров напряжения должны закорачиваться на выводах и надежно за- земляться на весь период монтажа. Ревизия трансформаторов напряжения проводится аналогично ревизии трансформаторов тока. Проверка трансформаторов перед монтажом. При внешнем ос- мотре трансформаторов напряжения устанавливают, целы ли фар- форовые выводы и их армировка, не поврежден ли бак, нет ли течи масла между баком и крышкой или из-под фланцев выводов. Кроме того, проверяют уровень масла, исправность маслоуказа- теля, наличие паспортной таблички. Электрические испытания трансформаторов напряжения ана- логичны электрическим испытаниям трансформаторов тока и за- ключаются в измерении сопротивления изоляции обмоток, опре- делении полярности выводов высокого и низкого напряжений и коэффициента трансформации. Кроме того, так как трансформа- торы напряжения являются маслонаполненными аппаратами, бе- рут пробу масла для испытания его на электрическую прочность и химического анализа. Изоляцию трансформатора напряжения проверяют мегоммет- ром на 1000...2500 В. При этом замеряют сопротивление изоля- ции обмоток высокого и низкого напряжений по отношению к кор- пусу и между ними. Требования к изоляции трансформаторов напряжения те же, что и к изоляции трансформаторов тока. Для общей оценки состояния междувитковой изоляции обмо- ток и стали трансформаторы напряжения испытывают током про- мышленной частоты, измеряя ток холостого хода при номиналь- ном напряжении и при напряжении в 1,3 раза больше номиналь- ного. Напряжение подают на вторичную обмотку. Под повышенным напряжением трансформатор выдерживают в течение 1 мин. По- лученные значения сравнивают либо с данными заводских испы- таний, либо с опытными данными, зафиксированными при ис- пытании аналогичных трансформаторов напряжения. При неудовлетворительных результатах измерения обмотки су- шат тепловоздуходувкой при температуре воздуха не выше 90 °C или током. При этом напряжение, подводимое к первичной обмотке, подбирают с таким расчетом, чтобы замкнутая накоротко цепь вторичной обмотки обтекалась током, составляющим 80...85 % дли- тельно допустимого тока для трансформатора, подвергающегося сушке. Силу тока во вторичной обмотке контролируют ампермет- 526
ром. При сушке выводы трансформаторов напряжения должны быть замкнуты между собой и заземлены. Полярность выводов проверяют аналогично проверке полярно- сти выводов трансформаторов тока. Постоянный ток подводят к обмотке высокого напряжения, а гальванометр включают в обмотку низкого напряжения. При проверке полярности обмоток трехфаз- ных трансформаторов напряжения источник тока присоединяют поочередно к зажимам ВН — А и В, Ви С, Си А, а измерительный прибор присоединяют соответственно к зажимам НН — а и б, би с, си а, во всех трех случаях стрелка прибора должна отклониться вправо, что будет свидетельствовать о правильности маркировки. В противном случае необходимо перемаркировать зажимы. Установка трансформаторов напряжения. Монтаж включает в себя три основные операции: установку опорной конструкции; подъем на рабочее место и установку трансформатора напря- жения; присоединение заземления. Опорные конструкции для трансформаторов напряжения мо- гут быть разного исполнения. Поднимают трансформаторы вруч- ную блоком или талью за кожух, но не за изоляторы. Во время установки зажимы первичной цепи (ВН) должны быть закороче- ны и заземлены, а провода вторичной цепи (НН) отсоединены, так как при случайном подключении к ним проводов осветитель- ной или силовой сети на выводах первичной обмотки трансфор- матора появится высокое напряжение. Вторичные обмотки трансформаторов напряжения присоеди- няют к проводникам вторичных цепей лишь по окончании всех монтажных работ, т. е. перед началом наладочных работ и после удаления монтажного персонала из помещения распределитель- ного устройства. Это необходимо для того, чтобы не допустить слу- чайной подачи на шины распределительного устройства высоко- го напряжения вследствие обратной трансформации. Устанавли- вать аппараты следует так, чтобы маслоспускной кран и указатель уровня масла были обращены в сторону коридора обслуживания. Устанавливая трехфазные трансформаторы напряжения, следует учитывать, что при подсоединении к ним шин необходимо соблю- дать общий порядок чередования фаз. В однофазных трансформа- торах вывод, имеющий маркировку X, заземляют. Если устанав- ливают три однофазных трансформатора, все выводы X соединя- ют общей шиной и заземляют. Когда устанавливают два трансформатора напряжения и соеди- няют их в открытый треугольник, рабочую фазу НН заземляют, если это предусмотрено проектом. Корпус каждого трансформа- тора присоединяют к заземляющему устройству отдельной шиной. 527
Перед включением трансформатора под напряжение вынима- ют картонную шайбу, заложенную под болт маслоналивного от- верстия, обеспечивая тем самым возможность свободного «дыха- ния» трансформатора во время работы. Вопросы для самоконтроля I. 1. Каково назначение трансформаторов напряжения? 2. Каково устройство трансформаторов напряжения? 3. Как трансформаторы напряжения включаются в цепь? 4. Какие мощности характерны для трансформаторов напряжения? IL 1. Дайте характеристики трансформаторам серий НОМ, НМТК, НТМН. 2. Что служит охлаждающей средой в трансформаторах напряжения? 3. Как различают трансформаторы напряжения по числу фаз, числу обмоток, классу точности, охлаждению, роду установки? III. 1. Какие требования необходимо выполнять при монтаже трансфор- маторов напряжения? 2. В чем заключается проверка трансформаторов напряжения перед монтажом? 3. Поясните схемы включения двух однофазных трансформаторов в открытый треугольник и трех однофазных трансформаторов в звезду. 4. Поясните схемы включения трехфазных трансформаторов напря- жения серий НТМК и НТМИ.
Глава 14. МОНТАЖ КОМПЛЕКТНЫХ ТРАНСФОРМАТОРНЫХ ПОДСТАНЦИЙ 14.1. Основные сведения о комплектных трансформаторных подстанциях на 6(10) кВ Комплектная трансформаторная подстанция (КТП) состоит из трансформаторов и блоков (КРУ или КРУН и других элементов), поставляемых в собранном или полностью подготовленном для сборки виде. В эксплуатации КТП надежны и безопасны, так как их конст- рукция исключает возможность случайного прикосновения к то- коведущим частям. Ревизия и замена поврежденной коммутаци- онной аппаратуры осуществляются быстро, без сложных демон- тажных или монтажных работ и отключения прочих электропри- емников, питаемых подстанцией. Комплектные трансформаторные подстанции подразделяются: по мощности трансформаторов и их числу; первичному напряжению; расположению (одно- или двухрядные, магистральные); характеристике окружающей среды, для которой предназначе- ны (например, для тропиков); виду установки (внутренняя и наружная); схеме подключения к линии (глухое подсоединение, подсое- динение через разъединитель и предохранители, подсоединение через выключатель нагрузки ВНП-17). Применяются они главным образом как понижающие транс- форматорные подстанции для электроснабжения промышленных и коммунальных потребителей. Для электроснабжения промышлен- ных предприятий используют КТП внутренней и наружной уста- новки на напряжение до 10 кВ включительно мощностью от 160 до 2500 кВ А. Комплектные трансформаторные подстанции внутренней (КТП) и наружной (КТПН) установки состоят из блока ввода высокого напряжения 6 (10) кВ, силового трансформатора (одного или двух) и комплектного распределительного устройства низкого на- пряжения (0,4 кВ) с предусмотренной проектом защитно-комму- тационной аппаратурой, приборами измерения, сигнализации и учета электроэнергии. Высоковольтные блоки выполняются в виде короба со съемной дверью на лицевой стороне (для КТП мощностью до 630 кВ А) 18 Нестеренко 529
или шкафа из листовой стали с наружными (верхней и нижней) и внутренней (верхней сетчатой) дверями и комплектуются трех- полюсными разъединителями с сетчатым ограждением и предох- ранителями типа ПК или без них. Сетчатая дверь шкафа имеет бло- кировку с приводом от разъединителя. Шкафные вводы высокого напряжения (для КТП мощностью 630... 2500 кВ-А) комплекту- ются выключателем нагрузки ВНП-17 с ножами заземления и двумя приводами (к выключателю и ножам заземления). Между выключателем и сетчатой дверью имеется блокировка, не позволя- ющая включать выключатель при открытой сетчатой двери. В высо- ковольтном блоке размещается сухая разделка питающего кабеля. Трансформаторы от высокого напряжения при холостом ходе или номинальной нагрузке отключаются выключателями нагруз- ки, а при перегрузке или коротком замыкании — предохраните- лями. Силовые трансформаторы серии ТМЗ с боковыми вводами, при- меняющиеся в КТП, имеют герметичный бак повышенной проч- ности с азотной защитой, а также электроконтактные вакууммет- ры (для контроля внутреннего давления), реле давления, термо- сигнализаторы и термосифонные фильтры (в ТМЗ от 1 кВ). Наряду Рис. 14.1. Однотрансформаторная подстанция КТП 630/6-10/0,4: 7 — шкаф распределительного устройства НН; 2 — силовой трансформатор мощностью 630 кВ-А; 3 — шкаф ввода ВН (вы- соковольтный блок); 4 — высоковольтный кабель 530
с трансформаторами серии ТМЗ с естественным масляным охлаж- дением в КТП используют трансформаторы серии ТНЗ с совтоло- вым заполнением и сухие — со стекловолокнистой изоляцией. Комплектное распределительное устройство на 0,4 кВ состоит из шкафа вводов и шкафов отходящих линий со встроенными вы- движными автоматами втычного исполнения, измерительными, защитными и сигнальными приборами и аппаратами. Двухтранс- форматорные подстанции имеют дополнительно еще один шкаф ввода низкого напряжения и секционный шкаф. Каждый шкаф со- стоит из шинной и коммутационной частей, разделенных метал- лическими перегородками. Подстанции не имеют распределитель- ных устройств высокого напряжения. Аппараты управления и за- щиты от высокого напряжения расположены в распределительных устройствах, к которым эти подстанции присоединяются кабелем. ввода 10 кВ автоматов отходящих линий а) автоматов отходящих линий ввода 10 кВ Рис. 14.2. Общий вид (а) и схема (б) комплектной трансформаторной подстанции КТП-630/10: 1,2— главные автоматы; 3 — секционный автомат; 4 - автоматы отходящих линий 531
На рис. 14.1 показан общий вид комплектной подстанции КТП-630/6-10/0,4, которая состоит из силового трансформатора 2, шкафа 3 ввода высокого напряжения и шкафа 1 распределитель- ного устройства низкого напряжения. Ввод высокого напряжения размещается в специальном сталь- ном кожухе на баке трансформатора. Проходные изоляторы высо- кого напряжения входят внутрь кожуха из масляного бака. В кожу- хе могут также размещаться две концевые заделки силовых кабе- лей. Контактное устройство позволяет подключать две жилы кабелей к каждой фазе, что обеспечивает возможность соединения несколь- ких КТП цепочкой или в кольцо. На крышке бака трансформатора установлены расширительный бачок с маслоуказателем уровня и воздухоосушителем и газовое реле. Противоположная узкая сторона масляного бака трансфор- матора соединяется кожухом с блоком распределительного устрой- ства низкого напряжения. Внутри кожуха располагаются выводы низкого напряжения трансформатора, которые соединяются ши- нами с автоматическим воздушным выключателем (автоматом) его ввода. Рис. 14.3. Схема комплектной трансформаторной подстанции наружной установки 532
Блок распределительного устройства низкого напряжения смон- тирован в стальном шкафу и состоит из вводного автомата, шести предохранителей (выключателей) на токи до 200 А и двух предох- ранителей (выключателей) на токи до 400 А. К предохранителям внутри шкафа присоединяются отходящие линии низкого напря- жения. КТП для внутренней установки с двумя трансформаторами мощностью по 630 кВ-А на напряжение 10/0,4 кВ и закрытыми шка- фами показана на рис. 14.2. Шкафы выполнены из листовой стали и соединены между собой встык. В крайних шкафах ввода устанав- ливаются шины с двумя трехполюсными разъединителями для при- соединения кабелей и выключатели нагрузки с предохранителя- ми ВНПЗ-17, а за ними располагаются силовые трансформаторы. В следующих шкафах размещаются приборы, главные автоматы и автоматы отходящих линий и секционный автомат. Секционный воздушный автомат 3 нормально отключен. При исчезновении напряжения, например на трансформаторе левой секции, отключается главный автомат 1 и включается секцион- ный автомат 3, восстанавливая напряжение в секции. Комплектные трансформаторные подстанции для наружной установки выпускаются промышленностью на высокие напряже- ния. Мощности их трансформаторов составляют 25... 1000 кВ А при напряжении 6 (10) кВ и 630... 16000 кВ-А при напряжении 35 кВ. КТПН могут быть также однотрансформаторного исполнения. Схема такой подстанции представлена на рис. 14.3. 14.2. Объемные подстанции Новым техническим решением, обеспечивающим дальнейшее повышение уровня индустриализации монтажа, сокращение сро- ков сооружения объектов, улучшение качества строительства, яв- ляется применение объемных подстанции на напряжение 6 (10) кВ одно- и двухтрансформаторного исполнения. Строительная часть такой подстанции состоит из отдельных объемных блоков, изготавливаемых на заводе железобетонных из- делий. Все необходимые отверстия и монтаж внутреннего обору- дования подстанции выполняются также на заводе. Для крепления электрооборудования в блоки закладывают специальные металли- ческие детали. Отдельные элементы (панели) подстанции соеди- няют между собой металлическими деталями с помощью сварки или болтов в объемные блоки. Заводы поставляют подстанцию целиком или отдельными объемными секциями, которые собирают при монтаже. Объемные КТП снабжаются устройствами, обеспечивающими их вентиля- цию, отопление, освещение и связь. Кроме того, в конструкции 533
Рис. 14.4. Комплектная объемная трансформа- торная подстанция с двумя трансформаторами мощностью по 400 кВ А 1 распределительное устройство на 0,4 кВ; 2, 3 — объемные блоки; 4 — контакторная станция; 5 — си- ловой трансформатор; 6 — сборка 6 (10) кВ на 5 мест; 7 — фундамент предусматриваются все присоединительные элементы, необходи- мые для подвода внешних коммуникаций. Строительные работы для таких подстанций, устанавливаемых на открытом воздухе, сво- дятся к планировке площадки или укладке фундамента ленточно- го типа из кирпича или железобетонных блоков. Для подстанций, устанавливаемых внутри производственного корпуса, выполняют бетонную площадку, а объемные блоки из- готавливают из железобетона или металла. В зависимости от числа 534
2 3 Рис. 14.5. План комплектной объемной трансформаторной под- станции на два трансформатора мощностью по 630 кВ А: 1 — трансформаторы; 2, 3, 4, 5 — железобетонные блоки и мощности трансформаторов, числа и типа шкафов распредели- тельных устройств высокого и низкого напряжений строительная часть такой подстанции может состоять из одного или нескольких объемных блоков, являющихся вполне законченными элемента- ми, не требующими какой-либо доработки на месте установки. Объемная подстанция на два трансформатора мощностью по 400 кВ А представлена на рис. 14.4. Она состоит из двух объемных железобетонных блоков 2 и 4, изготавливаемых на заводе, и раз- мещенных в них трансформаторов и распределительных устройств. На рис. 14.5 представлен план подстанции на два трансформа- тора мощностью по 630 кВ-А. Она состоит из четырех железобе- тонных блоков 2, 4, 3 и 5, предназначенных для размещения рас- пределительных устройств на напряжение 6(10) или 0,4 кВ и сило- вых трансформаторов 1. Распределительные устройства на 6... 10 кВ собирают из камер КСО-366, а РУ на 0,4 кВ — из панелей ЩО-70. Каждый блок выполняется из вибропрокатных скорлуп толщиной 88 мм. Электрооборудование во всех блоках монтируется на заводе. Масса полностью смонтированного блока без трансформаторов со- ставляет около 14 т. Наружные поверхности такой подстанции ок- рашивают, а двери делают стальными. Перевозка каждого блока объемной подстанции осуществляет- ся отдельно, их габаритные размеры допускают транспортировку 535
по железным и автомобильным дорогам. Приемка железобетонных объемных блоков в тех случаях, когда они доставляются строите- лями для монтажа электрооборудования в МЭЗ или непосредствен- но на место установки, заключается в проверке расположения зак- ладных конструкций, кабельного подполья, маслосборной ямы, качества отделки потолков, стен, полов и кровли. Необходимым условием при приемке подстанций, состоящих из нескольких бло- ков, является проверка их сопрягаемости и комплектности дета- лей для их сборки. Первые объемные КТП выполнялись только из железобетон- ных элементов и изготавливались вместе со строительной частью на железобетонном заводе, где производились также установка, ревизия и наладка смонтированного электрооборудования. Затем они доставлялись на трайлере к месту монтажа и устанавливались на заранее подготовленную площадку или фундамент. Для пуска такой подстанции необходимо было лишь присоединить внешние кабельные или воздушные линии. Объемные трансформаторные подстанции из железобетонных панелей все чаще стали вытесняться подстанциями с металличес- ким каркасом, обшитым стальным оцинкованным гофрированным листом. Такая подстанция изготавливается также вне строительной площадки, т. е. на заводе или в монтажных мастерских в ней мон- Рис. 14.6. Монтаж трансформаторной подстанции из объемных блоков на строительной площадке 536
тируется все электрооборудование (кроме трансформаторов) и в готовом виде она доставляется на объект и устанавливается на фун- дамент (рис. 14.6). Объемная металлическая подстанция дешевле и менее материалоемкая, чем подстанция из железобетонных пане- лей и тем более кирпичная. Масса такой подстанции без транс- форматора не превышает 5 т. 14.3. Объемные электротехнические помещения Индустриальные панельные электротехнические помещения (ИПЭП) предназначены для размещения в них щитов (распреде- лительных, релейных, станций управления), комплектных транс- форматорных подстанций, шкафов и камер распределительных устройств, преобразовательных агрегатов и другого электрообору- дования. Панельные электропомещения могут быть четырех исполне- ний: ИПЭП-1 шириной 3000 мм, ИПЭП-2 — 4000 мм, ИПЭП-3 — 5000 мм и ИПЭП-4 — 6000 мм. Длина таких помещений 4800 мм и более, а высота 3540 мм. ИПЭП представляет собой пространственную сборно-разбор- ную конструкцию (рис. 14.7), состоящую из стального каркаса 1 и трехслойных ограждающих стеновых 3 и кровельных 4 панелей из Рис. 14.7. Индустриальное панельное электротехническое помещение: / каркас; 2 — окна; 3, 4 — соответственно стеновые и кровельные панели 537
стального оцинкованного листа с пенополиуретановым заполни- телем, содержащим пламягасящие добавки. Каркас ИПЭП выпол- няется из гнутого швеллера в виде П-образных рам, соединяемых между собой в верхней части ригелями. Расстояние между стойка- ми каркаса не более 3600 мм. Ограждающие стеновые панели толщиной 60 мм выполняются глухими, с остекленным окном, дверью и проемами для электри- ческих и сантехнических коммуникаций. Окна шириной 1000 мм и высотой 1200 мм находятся на высоте 1200 мм от пола. Проемы для ввода кабелей, шинопроводов и присоединения вентиляци- онных основных коробов шириной 1000 мм и высотой 400 мм рас- полагаются в стеновых панелях на расстоянии 200 мм от низа пе- рекрытия. Проемы для ввода кабелей и шинопроводов предусмат- риваются также по периметру кровельных панелей. Они могут располагаться в любом месте панели, а также по несколько про- емов в одной панели. Все проемы закрываются заглушками из сталь- ного листа, в которых делают вырезы для прохода коммуникаций. Панели могут быть унифицированными, что обеспечивает их взаимозаменяемость и облегчает установку. Панель с дверью мож- но устанавливать в любом месте по периметру помещения, кроме углов с боковых сторон и около стоек каркаса. Панели с проема- ми можно размещать в ряду не чаще чем через одну глухую па- нель. Для установки навесного электрооборудования предусматрива- ется специальная рамная конструкция шириной 2000 мм с тремя горизонтальными рейками, расположенными на высоте 800, 1400 и 1800 мм от пола. Рамная конструкция имеет отличительную ок- раску. Помещения могут иметь подвесной потолок, используемый для размещения устройств освещения и вентиляции, при этом высо- та помещения должна быть не менее 3000 мм. Собирают ИПЭП непосредственно на месте их установки на чи- стом бетонном полу без использования закладных элементов. К мо- менту сборки ИПЭП при необходимости вывода кабелей вниз в полу помещения должны быть подготовлены каналы для их под- вода. 14.4. Монтаж комплектных трансформаторных подстанций Монтаж КТП сводится к доставке собранных блоков или всей подстанции к месту размещения, подъему и установке их на фун- дамент. В помещении или на площадке, где устанавливается КТП (КТПН), должны быть полностью закончены основные и отделоч- ные строительные работы. 538
Кабельные каналы и проемы должны быть выполнены точно в соответствии с чертежами. Строительные работы по их устройству, включая покрытие плитами, должны быть закончены, а трубы для прохода кабеля — заложены в соответствии с проектом. Способы доставки блоков КТП на место монтажа определяют- ся конкретными условиями строительства данного объекта. Целе- сообразно обеспечивать доставку блоков на место с помощью кра- нов и автомобильного или железнодорожного транспорта без про- межуточной выгрузки. До начала монтажа обязательно проверяют закладные основа- ния под трансформаторы. Они должны быть установлены по уров- ню и точно соответствовать чертежу проекта (отклонения от уров- ня не должны превышать 1 мм на 1 м длины и 5 мм на всю длину). Несущие поверхности обоих швеллеров должны быть в одной строго горизонтальной плоскости и выступать из чистого пола на 10 мм. Не менее чем в двух местах швеллеры необходимо присоединить к контуру заземления полосовой сталью 40 х 4 мм. Монтаж КТП включает в себя следующие операции: доставку блоков оборудования на место, их установку на закладные осно- вания, выверку по шнуру и отвесу, стягивание болтами, привар- ку к основанию, электрическое соединение блоков одного с дру- гим или прокладку сборных шин, подключение кабелей, ревизию и регулировку аппаратов. Погрузку и выгрузку блоков КТП и трансформаторов выпол- няют только с помощью подъемного крана грузоподъемностью 20 т. При строповке в местах изгибов стропов необходимо устанав- ливать надежные распорки, предохраняющие окраску оборудова- ния от повреждения, особенно если блоки поставляются не в ящиках, а в обшивке. Блоки в помещении устанавливаются с по- мощью лебедок на катках, специальных тележек и приспособле- ний. Перед окончательной установкой на направляющие швелле- ры блоки распаковывают. При сборке подстанций соединяют выводы обмоток низкого напряжения трансформатора с распределительным устройством, устанавливают автоматы, монтируют заземление. Шины соединя- ют обычно с помощью сжимных плит. При этом контактные по- верхности шин нельзя зачищать стальными щетками и наждачной шкуркой во избежание повреждения противокоррозионного по- крытия, поэтому для их очистки используют чистую ткань, смо- ченную в бензине. Блоки устанавливают поочередно, предваритель- но сняв специальные заглушки, закрывающие выступающие кон- цы шин, и подъемные скобы с опорных швеллеров. Проверяют совпадение вертикальных и горизонтальных осей втычных контак- тов и ножей, а также выдвижных автоматических выключателей низкого напряжения, определяют с помощью динамометра уси- 539
лие нажатия, которое у каждого втычного контакта должно быть 100 Н. Кроме того, проверяют совпадение осей симметрии под- вижных и неподвижных вспомогательных контактов, которые долж- ны иметь провал 1,5... 2 мм. Для вкатывания и выкатывания авто- матических выключателей применяют специальное устройство, по- ставляемое заводом. Установку объемных комплектных трансформаторных подстан- ций проводят следующим образом. Роют котлован и строят из кир- пича или железобетонных блоков фундамент. На фундаменте раз- мещают блоки со смонтированным на заводе оборудованием, за исключением силовых трансформаторов, которые привозят отдель- но и устанавливают позже. После установки силовых трансформаторов выполняют рабо- ты по присоединению кабелей высокого и низкого напряжений к устройству внешнего контура заземления. Монтаж завершается проверкой исправности проводок и при- боров, надежности крепления болтовых соединений, исправнос- ти электрической изоляции, присоединением кабелей высокого напряжения к трансформаторам и кабелей отходящих линий, а также присоединением к сети заземления металлических частей конструкции. Вопросы для самоконтроля I. 1. Что представляет собой КТП? 2. Как подразделяются КТП? 3. Из каких элементов комплектуется КТП? II. 1. Каковы основные характеристики КТП 630/6-10/0,4? 2. Охарактеризуйте комплектную трансформаторную подстанцию наружной установки. Ш. 1.Что представляет собой объемная подстанция? 2. Каковы основные элементы объемной трансформаторной под- станции? 3. Поясните последовательность монтажа трансформаторной под- станции из объемных элементов. 4. Что представляет собой объемное электротехническое помещение? 5. Какие требования предъявляются к строительным организациям перед монтажом подстанций?
Глава 15. МОНТАЖ КОМПЛЕКТНЫХ РАСПРЕДЕЛИТЕЛЬНЫХ УСТРОЙСТВ 15.1. Конструкция комплектных РУ на 6 (10) кВ Комплектные распределительные устройства внутренней (КРУ) и наружной (КРУН) установок предназначены для приема и рас- пределения электрической энергии трехфазного переменного тока промышленной частоты и применяются на различных электро- станциях, подстанциях энергосистем и промышленных предприя- тий, а также в электроснабжении сельскохозяйственных и других объектов. Распределительные устройства набираются из отдельных шка- фов со встроенными в них электрическими аппаратами, прибора- ми измерения, релейной защиты, автоматики, сигнализации и уп- равления. Комплектные распределительные устройства на 6 (10) кВ по спо- собу установки в них аппаратов и приборов могут быть двух ти- пов: КСО — это устройства с камерами, в которых электрообору- дование, аппараты и приборы смонтированы стационарно без вы- движных элементов с частичным ограждением, и КРУ — устройства на выкатной тележке с выдвижными элементами и в шкафах, яв- ляющихся одновременно их сплошным защитным ограждением. Преимущество КРУ заключается в возможности обеспечения бесперебойного электроснабжения потребителя благодаря простоте замены вышедшего из строя аппарата, установленного на выдвиж- ном элементе, резервным. Шкафы КРУ бывают одностороннего (прислоненного типа) и двустороннего (свободно стоящие, т. е. с проходами около них с двух сторон) обслуживания. Камеры сборные КСО, подлежащие только одностороннему обслуживанию устанавливаются в элект- ротехнических помещениях. Комплектные распределительные устройства почти полностью вытеснили РУ старого Tima, оборудование которых поставляется россыпью и собирается на месте монтажа. КРУ и КСО изготавливают и собирают на заводах полностью со всей необходимой аппаратурой и оборудованием. Поэтому со- кращаются и упрощаются проектные работы; упрощается соору- жение строительной части; значительно уменьшаются трудозатра- ты, стоимость и длительность сооружения распределительных уст- ройств. Надежность работы и безопасность эксплуатации электро- 541
установок, составленных из крупных блоков заводского изготовле- ния, также значительно выше, чем установок, собранных из отдель- ных аппаратов, приборов и оборудования и конструктивно не при- способленных для компактного монтажа и взаимной блокировки. Монтаж КРУ состоит из установки в подготовленном помеще- нии готовых комплектных камер, соединения их между собой в определенных сочетаниях согласно проектным схемам и выпол- нения внешних соединений. Использование КРУ и КТП может слу- жить образцом индустриальных методов монтажа. Выкатная часть у всех однотипных КРУ одинаковая, что очень удобно при эксплуатации, поскольку обеспечивает взаимозаменя- емость, т. е., имея запасной выкатной элемент, можно быстро про- извести ревизию, профилактический осмотр, а также при необ- ходимости заменить электрооборудование (выключатель, транс- форматор напряжения, разрядник) в любой камере. КРУ и КСО выпускаются разных серий и типов, перечень их конструкций очень обширный, поэтому здесь рассматриваются только основные принципы их устройства. КРУ, предназначенные для приема и распределения электро- энергии между отдельными присоединениями, выполняются в виде шкафов. Шкафы КРУ различных серий отличаются габаритными размерами, конструкцией, встраиваемой аппаратурой и ее техни- ческими характеристиками, а также ошиновками и проводками вторичных цепей. Шкафы оборудуются встраиваемыми выключа- телями высокого напряжения, штепсельными разъединителями, трансформаторами тока или напряжения, предохранителями вы- сокого напряжения, разрядниками, аппаратами релейной защи- ты, приборами учета и измерения электроэнергии. Шкафы КРУ любого типа состоят из корпуса, выкатной части (тележки) и релейной камеры (шкафа). На тележках устанавлива- ются выключатели, трансформаторы напряжения и разрядники. Выкатная часть подсоединяется к неподвижной части камеры с по- мощью разъемных (штепсельных) контактов. Сборные шины мон- тируются на малогабаритных опорных изоляторах. Измерительные приборы и приборы управления, релейной за- щиты и сигнализации размещаются в верхней фасадной части ре- лейной камеры, а измерительные трансформаторы тока и кабель- ные вводы — в задней неподвижной ее части. Рассмотрим устройство шкафа КРУ серии К-ХП (рис. 15.1), состоящего из корпуса 4, выкатной тележки 3 и релейного шка- фа 2. Корпус шкафа выполнен из стали, что обеспечивает необхо- димую прочность и ограничивает разрушения при возникновении коротких замыканий и выбросе газов. Конструктивное исполнение шкафов КРУ для одностороннего и двустороннего обслуживания одинаково. 542
Рис. 15.1. Шкаф КРУ серии К-ХП с масляным выключателем: 1 — шинный отсек; 2 — релейный шкаф; 3 — выкатная тележка; 4 — корпус с аппаратурой Корпус шкафа разделен металлическими перегородками на от- секи: шинный и шинных разъединителей, выкатной тележки, трансформаторов тока и кабельных заделок. В шинном отсеке, раз- мещенном в верхней части шкафа, расположены сборные шины с отпайками, окрашенные в цвета, соответствующие фазировке. Для осмотра и ревизии сборных шин и изоляторов в шинном от- секе (при снятом напряжении) имеется съемная или откидываю- щаяся крышка. Под отсеком сборных шин располагаются шинные разъединители, которые отделяют аппараты от сборных шин в момент отсутствия токовой нагрузки и создают видимый разрыв цепи присоединения, позволяя оператору работать на отключен- ном аппарате. Отсек выкатной тележки является основным. На выкатной те- лежке устанавливают оборудование, подлежащее ревизии без сня- тия напряжения со сборных шин подстанции, например масля- ные выключатели с приводами, разрядники, предохранители и др. Соединение аппаратов, смонтированных на тележке, со сборны- 543
ми шинами и другими элементами схемы осуществляется штеп- сельными контактами втычного исполнения, играющими роль шинного и линейного разъединителей. Выкатная тележка обычно может занимать три положения: ра- бочее, контрольное (испытательное) и ремонтное. Рабочим назы- вается такое положение тележки в корпусе шкафа, когда цепи первичных и вторичных соединений включены в схему и обеспе- чивают нормальную работу шкафа. В контрольном положении те- лежки цепи первичных соединений отключены штепсельными разъединителями, а цепи вторичных соединений включены в схе- му и обеспечивают возможность опробования работы привода выключателя. В ремонтном положении тележка находится вне кор- пуса шкафа и все ее штепсельные контакты разомкнуты. Выкатывание тележки из шкафа и вкатывание ее из ремонтно- го положения в контрольное осуществляется вручную с помощью ручек, укрепленных на передней стенке. Вкатывание тележки из контрольного положения в рабочее и выкатывание обратно вы- полняют с помощью рычажного механизма доводки. Задняя стенка отсека может быть складывающейся или с от- верстиями, закрывающимися шторками. При вкатывании тележ- ки в шкаф отверстия автоматически открываются, а при выкаты- вании — шторки их снова закрывают. На боковых стенках укрепле- ны отдельные части механизмов открывания и закрывания задней стенки, фиксации положения тележки и доводки, заземления, а также привод заземляющих разъединителей. В нижней части отсе- ка расположены направляющие для колес тележки. Вверху и вни- зу задней части тележки закреплены подвижные контакты шин- ных и кабельных разъединяющих устройств, а также штепсельные разъемы цепей вторичных устройств. Ошибочные операции персонала в КРУ автоматически блоки- руются. Конструкцией предусмотрена блокировка следующих дей- ствий: вкатывания тележки в рабочее положение при включенном выключателе; выкатывания тележки из рабочего положения при включенном выключателе; вкатывания тележки в рабочее положение при включенном за- землении (заземлителе); включения заземлителя в рабочем положении тележки; включения выключателя в промежуточных нефиксированных положениях тележки. Первые две блокировки предотвращают включение и отключе- ние рабочего тока контактами разъединителя, на что они не рас- считаны. Следующие две блокировки исключают короткое замы- кание, а последняя — обеспечивает безопасность персонала. 544
Релейный шкаф представляет собой сварную металлическую конструкцию с дверью и съемной верхней крышкой. В нем разме- щаются приборы измерения и учета электроэнергии, аппараты управления, защиты и сигнализации. На задней его стенке может быть установлено до 15 реле, на переднем поясе — блинкеры, ключи управления и сигнальные лампы, а на двери — два счетчика и два измерительных прибора. К нижней части релейного шкафа при- крепляют наборные штепсельные контакты (неподвижную их часть) для связи с аппаратурой, размещенной на тележке, т.е. в нижнем отсеке размещаются неподвижные контакты разъедини- тельного устройства, трансформаторы тока (в том числе нулевой последовательности), заземляющие ножи и кабельные заделки. Все части оборудования, расположенного в отсеках шкафа, нор- мально не находящиеся под напряжением, но которые могут ока- заться под напряжением из-за нарушения изоляции, заземляют на корпус шкафа, соединенный сваркой с закладными швеллерами, присоединенными к контуру заземления. Для визуального осмотра аппаратуры высокого напряжения, установленной в шкафу, без снятия напряжения за сплошной двух- створчатой дверью имеется сетчатая дверь. Камеры КРУ с электромагнитным выключателем типа ВЭМ-6 имеют существенные преимущества, которые определяются сле- дующими достоинствами этого выключателя: повышенными электрическими параметрами электродинами- ческой и термической стойкости; повышенной износоустойчивостью дугогасящей части; большим ресурсом работы без ревизии и ремонта. КРУ с электромагнитными выключателями широко применя- ются на блочных тепловых и атомных электростанциях с энерго- блоками мощностью 300, 500, 800, 1000 и 1200 МВт; плавучих электростанциях; подстанциях метрополитена и металлургических комбинатах, так как они пожаро- и взрывобезопасны, не требуют масла или другой дугогасящей среды, гарантируют низкий уро- вень коммутационных перенапряжений. Комплектные распределительные устройства серии K-XXV с электромагнитными выключателями предназначены для приема и распределения электрической энергии на собственные нужды теп- ловых и атомных электростанций с электроблоками мощностью 300 МВт и выше, а также для использования на электроподстан- циях с трансформаторами мощностью 63 МВ-А и выше. Шкаф такого КРУ (рис. 15.2), состоящий из корпуса 7, выд- вижного элемента 2 и релейного шкафа 3, имеет все современ- ные блокировки, включая оперативные блокировки внешних при- соединений выдвижного элемента и привода заземляющего разъе- динителя. 545
Рис. 15.2. Шкаф КРУ серии K-XXV отходящей линии с выключателем: 7 — корпус; 2 — выдвижной элемент; 3 — релейный шкаф; 4 — разгрузочный клапан; 5, 6 — соответственно отсек и крышка сборных шин; 7 — алюминиевая шина; 8 — опорный изоля- тор; 9 — гибкая связь; 10, 11 — соответственно отсеки шин- ных и линейных разъемных контактов главной части цепи; 12 — отсек выдвижного элемента Корпус шкафа разделен на четыре отсека: отсек 5 сборных шин, отсеки 10 и 11 соответственно шинных и линейных разъемных кон- тактов главной цепи и отсек 12 выдвижного элемента. В отсеке сборных шин на опорных изоляторах 8 проложены алю- миниевые шины 7, от которых отходят отводы на все номиналь- ные токи. Для удобства монтажа сборных шин сверху отсек имеет крышку 6. Неподвижные шинные разъемные контакты установлены на опорных изоляторах. В отсеке линейных разъемных контактов рас- положены измерительные трансформаторы тока и трансформато- ры защиты от замыканий на землю, ножи заземляющего разъеди- нителя и шины кабельной сборки. В отсеке выдвижного элемента размещаются: приводное устрой- ство для подъема шторок и заземляющего разъединителя с блоки- 546
ровками, направляющие для вкатывания и швеллеры с отверсти- ями для фиксации выдвижного элемента, а также контакты защит- ного заземления. На выдвижном элементе могут быть установле- ны: выключатель, трансформатор напряжения либо разрядники. Сверху отсек закрыт разгрузочным клапаном 4. Выдвижной элемент может занимать рабочее, контрольное и ремонтное положения. Передняя панель выдвижного элемента яв- ляется фасадом шкафа КРУ и на ней расположены: гибкая связь 9 со штепсельным разъемом, ручка механизма фиксации и блоки- ровки, рукоятка ручного отключения выключателя, проем с двер- цей для рычага ручного включения выключателя, окно для наблю- дения за положением вала выключателя. В нижней части передней панели выступает кронштейн для установки рычага доводки или водила для перемещения выдвижного элемента по помещению. На выдвижном элементе установлены: механизм фиксации и блоки- ровки; шинные и линейные подвижные контакты главной цепи; контакты защитного заземления, обеспечивающие его заземление в рабочем, контрольном и промежуточном положениях с двух сто- рон; тяги, приводящие в движение защитные шторки и оборудо- вание, для размещения котброго предназначен выдвижной эле- мент. В контрольном положении выдвижной элемент фиксируется одним, а в рабочем — двумя фиксаторами, связанными между со- бой системой рычагов. В релейном шкафу колодка штепсельного разъема установлена с левой стороны. Из-за большой высоты релейный шкаф постав- ляется отдельно. Для связи сборных шин одной секции при двухрядном располо- жении шкафов используют стандартные шинные мосты (токопро- воды) для коридоров управления шириной 1910, 2310, 2810, ЗОЮ и 3600 мм. Отдельно поставляется комплект дугогасительной камеры для каждого электромагнитного выключателя ВЭМ-6. Шкаф КРУ серии К-101 с выключателем ВВТ 10-1600-20, в кото- ром использована вакуумная дугогасительная камера КДВ-10-630/ 1600-20 (рис. 15.3), представляет собой сборно-сварную конструк- цию и имеет оригинальную компоновку: отсек 11 сборных шин расположен внизу, а линейный отсек 6 с трансформаторами тока 9 — над ним. Каркас шкафа, состоящий из двух замкнутых металлических сварных рам 7 и 5, соединенных между собой съемными горизон- тальными связями 3 сверху и снизу, образует отсек 2 выдвижно- го элемента, на который устанавливается релейный шкаф 4. С од- ной стороны шкафа горизонтальная рама 10, прикрепленная к вер- тикальной сварной раме, вместе с рамой основания образует отсек сборных шин 11, который закрывается съемной крышкой. С дру- 547
Рис. 15.3. Шкаф КРУ серии К-101 с вакуумным выключателем: 1 — фасадная рама; 2 — отсек выдвижного элемента; 3 — горизонтальные связи рам; 4 — релейный шкаф; 5— глав- ная рама; 6 — линейный отсек; 7 — поворотно-съемная крышка; 8 — заземляющий разъединитель; 9 — транс- форматор тока; 10 — горизонтальная рама; 11 — отсек сборных шин гой стороны шкафа — те же рамы, соединенные с верхней пово- ротно-съемной крышкой 7, образуют линейный отсек 6 с транс- форматорами тока 9, линейными неподвижными разъемными контактами главных цепей и кабельной разделкой (либо кабельной сборкой для присоединения четырех кабелей сечением 3 х 240 мм2). Поворотно-съемная крышка открывается таким образом, что го- ризонтальная и вертикальная ее части складываются вокруг соеди- няющей их оси и вместе поднимаются. В этом случае образуется свободный доступ персонала к кабельным присоединениям, транс- форматорам тока, заземляющему разъединителю. 548
Шкафы КРУ серии К-101 рассчитаны на номинальное напря- жение 10 кВ; максимальное напряжение 12 кВ; номинальные токи шкафа 630, 1000 и 1600 А и сборных шин 1000, 1600, 2000, 3200 А. Термическая стойкость в течение 3 с — 20 кА; электродинамичес- кая стойкость — 52 кА. Масса шкафа 500 кг. В настоящее время кроме шкафов КРУ, предназначенных для внутренних установок, широко применяются шкафы для наруж- ных установок (КРУН) на напряжение до 10 кВ, которые по кон- структивным особенностям можно разделить на три группы: 1. Шкафы с коридором управления, у которых задняя и боко- вые стенки одновременно являются стенками помещения РУ. Пе- редняя стенка такого шкафа оформляется аналогично передней стенке шкафа КРУ. Эти шкафы состоят из крыши, боковых стенок с дверями и передней стенки (К-37, К-33 М). 2. Шкафы индивидуального исполнения с выдвижными элемен- тами, на которых устанавливаются выключатели, трансформато- ры напряжения, разрядники, выкатываемые при открытых перед- них дверях (K-VI-V; K-IX; КРУН-6/10/Л). 3. Шкафы индивидуального исполнения со стационарными вы- ключателями или другими аппаратами (КРН-10). КРУН могут быть трех типов: выкатные, стационарные, объем- ные (с однорядным и двухрядным расположением ячеек). Выкат- ные КРУН разделяются на отсеки и компонуются так же, как и выкатные КРУ внутренней установки. Стационарные КРУН не имеют выкатных тележек, снабжен- ных штепсельными разъединителями, что определяет необходи- мость применения отдельных разъединителей с приводами. Такие шкафы разделяются перегородками на отсеки. В качестве основных аппаратов в них применяются масляные выключатели ВМГ-10 и разъединители РВ-10, а следовательно, имеется соответствующая механическая блокировка от неправильных действий. Объемные КРУН изготавливаются нормального и малого габа- ритов с однорядным и двухрядным расположением ячеек. К объем- ным относятся КРУН серии К-37 (рис. 15.4), которые изготавли- ваются с выдвижными элементами (выключателем, трансформа- торами напряжения, трансформаторами тока и разрядниками, разъединителем, силовыми предохранителями) и без выдвижных элементов (с трансформаторами для собственных нужд, аппара- турой высокочастотной связи, конденсаторами). КРУН серии К-37 состоит из отдельных шкафов с брызгоза- щитным кожухом. Шкафы КРУН не предназначены для одиноч- ной установки. В каждом шкафу выполнены необходимые блоки- ровки, в том числе оперативные блокировки внешних присоеди- нений. 549
Рис. 15.4. Комплектное распределительное устройство для наружной установки серии К-37: 1 — кронштейн шинного ввода; 2, 3 — соответственно изо- ляторы ОПШ и ИП-10; 4 — кронштейн ввода токопровода; 5 — барьер; 6 — изолятор ШФ-10; 7, 10, 16 — кронштейны; 8 — шкаф КРУН; 9 — релейный шкаф; 11 — вытяжной вентиля- тор; 12 — коридор управления; 13 — провода освещения; 14 — крыша; 75 — релейный шкаф с аппаратурой защиты транс- форматора от высокого напряжения; 17, 19 — выпрямитель- ные устройства; 18 — передняя стенка; 20 — дверь; 27 — торцо- вая стенка; 22 — кабельная приставка Для уменьшения воздействия солнечных лучей наружные по- верхности шкафов выкрашены в белый цвет. В целях обеспечения нормальной эксплуатации в условиях повышенной солнечной ак- тивности шкафы имеют вторую крышу из асбоцемента, которая исключает попадание солнечных лучей на металлическую крышу. Воздушный зазор между двумя крышами, равный 150 мм, обес- печивает естественную вентиляцию. В шкафах вводов на крыше блока сборных шин устанавлен крон- штейн шинного ввода 1, а в шкафах отходящей воздушной ли- нии — кронштейн линии 7. Шкафы ввода могут быть рассчитаны на шинный ввод, ввод токопровода и кабельный ввод, а также могут быть с выдвижным выключателем или выдвижным разъединителем (глухой ввод). 550
При выполнении ввода кабеля, рассчитанного на 1600 А, к шкафу дополнительно устанавливается приставка 22, что увели- чивает его глубину на 400 мм. Коридор управления 12 собирается из отдельных элементов (торцовых 21 и передней 18 стенок и крыши 14) с помощью бол- товых соединений. Внутри этого коридора на передней стенке на кронштейнах 16 размещаются: релейный шкаф 15 с аппаратурой защиты и управления трансформатора (110/35/6-10 кВ); аппара- тура дугогасящих катушек на 6, 10 и 35 кВ; выпрямительные уст- ройства 19 (типа БПНС-66) и 17 (типа БПНС-1) для питания электромагнитных приводов выключателей на ток 3200 А и це- пей управления. На торцовых стенках 27 установлены вытяжные вентиляторы 77, обеспечивающие 5—6-кратный обмен воздуха. Снаружи торцовых стенок установлены выключатели общего ос- вещения и автоматический выключатель пуска вентилятора, зак- рытые брызгозащитным кожухом. Двери 20 расположены в тор- цовых стенках. Проемы для дверей, рассчитаны на выкатывание наибольшего по габаритным размерам выдвижного элемента. Шкафы вводов КРУН серии К-37 (рис. 15.5) состоит из корпу- са 3, выдвижного элемента 7, блока сборных шин 6 и релейного шкафа 5. Задняя стенка 8 шкафа является общей для корпуса и блока сборных шин, крепится болтами и имеет в своей нижней части дверцу 10 на шарнирах с болтами. Корпус шкафа разделен: на отсеки выдвижного элемента 2, шинных разъемных контак- тов 7, трансформаторов тока и линейных контактов. Неподвиж- ные разъемные контакты в линейном отсеке 72 установлены на трансформаторах тока. В этом же отсеке размещены: заземляющий разъединитель 13, изоляционные перегородки (для шкафов на 1000 и 1600 А), между трансформаторами тока для увеличения элект- рической прочности; трансформаторы тока 19 для защиты от за- мыкания на землю. В отсеке выдвижного элемента размещаются приводные устройства заземляющего разъединителя и шторочно- го механизма; направляющие ролики, предотвращающие перекос выдвижного элемента; заземление выдвижного элемента и лампа освещения 4. Отсеки шинных и линейных контактов отделены перегородка- ми. В вертикальной перегородке имеются проемы, которые закры- ваются шторками. При выкатывании выдвижного элемента из кор- пуса шкафа нижняя шторка опускается, а верхняя — поднимается. В закрытом положении шкафа нижняя шторка может быть подня- та и зафиксирована для обеспечения доступа к трансформаторам 77, силовым кабелям 77, кабельным разделкам 18 и заземляющему разъединителю. На передней стенке шкафа находятся смотровые окна для на- блюдения за состоянием шинных контактов; надписи, указываю- 551
Рис. 15.5. Шкаф вводов КРУН серии К-37: а — шинного; б — токопровода; в — кабельного; 1 — выдвижной элемент; 2 — отсек выдвижного элемента; 3 — корпус шкафа; 4 — лампа освещения; 5 — релей- ный шкаф; 6 — блок сборных шин; 7 — отсек шинных контактов главной цепи; 8 — задняя стенка шкафа; 9 — каркас; 10 — дверца; 11 — трансформаторы тока; 12 — линейный отсек; 13 — заземляющий разъединитель; 14 — ввод шинопрово- да; 75— кронштейн для кабеля; 16 — кабельная приставка; 77 — силовой кабель; 18 — кабельная разделка; 19 — трансформатор тока для защиты от замыкания на землю щие положение съемной ручки заземляющего разъединителя, и паспортная табличка. Выдвижной элемент в корпусе имеет три фиксированных по- ложения: рабочее, контрольное и разобщенное, а также нефик- сированное — ремонтное. Из ремонтного положения в разобщен- ное выдвижной элемент перемещается вручную; из разобщенного положения — в контрольное или рабочее и обратно — механизмом перемещения. 552
Шкаф ввода 14 шинопровода поставляется только в составе КТП. Для шкафов кабельного ввода поставляется сборка, которая размещается в кабельной приставке 16. Клапан разгрузки давления, расположенный между задней стой- кой релейного шкафа и перегородкой, отделяющей отсек сбор- ных шин, входит в блок сборных шин. Камеры сборные одностороннего обслуживания (так же, как и шкафы КРУ) применяют на подстанциях с простыми схемами главных соединений, на которых по электрическим параметрам возможна установка выключателей ВМГ-10, ВМП-10К или вы- ключателей нагрузки. КСО широко применяются для питания вре- менных электроустановок, электроснабжения строительных пло- щадок и т.п. Конструктивно КСО представляет собой унифицированный сварной каркас из гнутой листовой стали. Камера делится по вы- соте листовой сталью или асбоцементными плитами на три отсе- ка, в которых соответственно размещаются: в верхнем — сборные шины и шинный разъединитель, в среднем — масляный выклю- чатель (или выключатель нагрузки) и трансформатор тока, в ниж- нем — линейный разъединитель и кабельные заделки. На фасаде верхней и нижней частей камеры закрепляются двери, а к сред- ней части приварен стальной пояс из листа толщиной 2...3 мм, на котором монтируют приводы выключателей и разъединителей. Аппаратура измерения, защиты и управления размещается на верхней двери, за которой установлено сетчатое ограждение, до- пускающее осмотр оборудования внутри без снятия напряжения. По верху камеры проходит световой карниз, служащий одновре- менно световым табло, внутренним освещением и коробом для контрольных кабелей. Безопасность и определенная последовательность операций по обслуживанию обеспечивается в КСО соответствующей механи- ческой блокировкой, которая не позволяет, например, опериро- вать с разъединителем при включенном выключателе, включать заземляющие ножи при включенном линейном разъединителе, от- крывать дверь при включенном шинном разъединителе. Сборные камеры выпускаются двух серий: КСОЗ-66 и КСО2-72. Первые изготавливают по 12 типовым схемам для комплектова- ния РУ на напряжение 6(10) кВ и вместо масляных выключателей в них используют выключатели нагрузки. Такие камеры должны устанавливаться только в специальных электротехнических поме- щениях и обслуживаться обученным персоналом. На рис. 15.6 показана камера КСОЗ-66, которая состоит из свар- ного корпуса, выполненного из гнутого листа, и передней сетча- той двери. Корпус камеры унифицированный. Размер камеры в основании 1000 х 1000 мм, высота 2080 мм. Внутри корпуса на за- 553
Рис. 15.6. Сборная камера КСОЗ-66: 1 — привод выключателя нагрузки; 2 — предохранитель; 3 — выключатель нагруз- ки; 4 — трансформатор тока; 5 — главная шина воде-изготовителе монтируют оборудование по одной из типовых схем. Камера КСО2-72 (рис. 15.7), также предназначенная для комп- лектования распределительных устройств, имеет унифицирован- ный типовой корпус, сваренный из гнутого стального листа тол- щиной 2,5 мм. На лицевой стороне камеры имеется панель для установки приборов защиты и измерений, а также приводов 2 разъединителей и масляного выключателя 5. В средней части каме- ры по вертикали располагаются два шкафа: верхний — для откры- тых аппаратов управления и защиты и проводов вторичных цепей, нижний — для наборных зажимов вторичных цепей. С лицевой сто- роны камеры имеются две сетчатые двери для доступа к выключа- ющим аппаратам и измерительным трансформаторам высокого напряжения. Внутри камеры монтируют аппаратуру, а на верх- ней раме — опорные изоляторы главных шин. Камера имеет длину 1000 мм, ширину 1200 мм и высоту 2870 мм. Изготавливают ее по 554
Рис. 15.7. Сборная камера КСО2-72: 1, 4 — соответственно шинный и линейный разъединители; 2 — привод разъеди- нителя; 3 — привод масляного выключателя; 5 — масляный выключатель схеме с двумя заземляющими ножами на шинном и линейном разъединителях. Номенклатура камер охватывает 27 видов прин- ципиальных схем первичных соединений. КСО2-72 рассчитана на номинальные токи первичных цепей 400, 600 и 1000 А, напряже- ние 6... 10 кВ и ток отключения 20 кА. В них применяются масля- ные выключатели ВМГ-10 до 1000 А с приводами ПЭ-11 и ПП-67 и выключатели типа ВМГП с приводом ППВ-10. В качестве шин- ных разъединителей используются разъединители фигурного ис- полнения типа РВФЗ с заземляющими ножами. Ошиновку камер выполняют шинами из алюминиевого сплава марки АД31Т1. 555
Камеры КСО2-72 не предназначены для стыковки с камерами КСО других серий. Устанавливаются они в один или два ряда в по- мещении РУ При двухрядном расположении камер их сборные шины соединяются шинным мостом открытого исполнения без разъединителей или с двумя разъединителями для обеспечения их секционирования. При этом ширина коридора между двумя ряда- ми камер составляет 2000... 3750 мм. Шинный мост без разъедини- телей устанавливается в любой камере в ряду РУ, а с разъедини- телями — только в крайних камерах, так как приводы разъедини- телей размещаются только на передних панелях шириной 200 мм. Рис. 15.8. Сборная камера КСО2-66: 1, 4 — двери соответственно кабельного отсека и отсека выключателя; 2 — при- вод выключателя; 3 — привод разъединителя; 5 — сборная шина; 6 — шинный разъединитель; 7 — сетчатая дверь; 8 — отсек выключателя; 9 — трансформатор тока; 10 — отсек линейного разъединителя 556
Минимальная высота помещения РУ, предназначенного для КСО2-72 без шинного моста или с шинным мостом без разъеди- нителей, до балки составляет 3,7 м и до потолка — 3,9 м; а для камер с шинным мостом с разъединителями высота до балки — 3,9 м и до потолка — 4,1 м. Камеры КСО2-66 разделяются глухой перегородкой на отсек 8 масляного выключателя со сборными шинами, шинным разъеди- нителем 6 и трансформаторами тока 9 и отсек линейного разъе- динителя 10 (рис. 15.8). В перегородке между отсеками установлены проходные транс- форматоры тока. Отсеки спереди закрываются дверями 1, 4, а с одного бока камера имеет глухую металлическую стенку. Приводы выключателя и разъединителя установлены на среднем листе ка- меры, между дверями. За дверью отсека выключателя установлена дополнительно сетчатая дверь 7, которая открывается только при отключенных приводах шинного 6 и линейного разъединителей. Дверь 1 кабельного отсека сблокирована с приводом 3 шинного разъединителя. Для заземления сборных шин применяется метал- лический канал шириной 500 мм, в котором установлены приво- ды разъединителей шинных мостов. В комплекте с камерами шинных вводов поставляется проход- ная плита с изоляторами на 600 и 1000 А и шинами. 15.2. Установка КРУ До начала монтажа принимают помещение и оборудование КРУ под монтаж и выполняют заготовительные работы в МЭЗ. Комп- лектные распределительные устройства устанавливают в помеще- ниях, где полностью закончены основные и отделочные строитель- ные работы. Размеры монтажных проемов для камер КСО2-72 должны со- ставлять 1300 х 3100 мм, а для камер КСОЗ-66 — 1300 х 2300 мм. За- кладные основания монтируют по уровню и в соответствии с черте- жом проекта. Уклон основания не должен превышать 1 мм на 1 м длины и 5 мм по всей длине. Несущие поверхности из двух отрих- тованных полос угловой стали должны располагаться в одной стро- го горизонтальной плоскости на уровне чистого пола. Не менее чем в двух местах уголки или швеллеры необходимо присоединять к контуру заземления полосовой сталью 40 х 4 мм. Кабельные кана- лы и проемы должны быть выполнены точно по чертежам. Трубы для прохода кабеля должны выступать из стены или фундамента не менее чем на 30 мм. При установке шкафов КРУ в помещении ширина прохода с их фасадной стороны при однорядной установке должна быть равна длине выкатной тележки плюс 0,8 м, а при двух- рядной — длине выкатной тележки плюс 1 м. Расстояние от шка- 557
фов до боковых стен помещения при односторонней установке должно составлять не менее 0,1 м. Блоки ставят на направляющие уголки и швеллеры в строгой последовательности, предусмотрен- ной проектом. Монтаж КСО и КРУ начинают с установки крайнего корпуса и к монтажу следующего корпуса приступают только после про- верки правильности положения по вертикали и горизонтали пре- дыдущего. При необходимости под основания помещают стальные подкладки и приваривают их. По окончании установки соединяют болтами корпуса блоков также начиная с крайнего. При этом сна- чала затягивают нижние болты, затем верхние. После затягивания болтов проверяют по шнуру прямолиней- ность установки корпусов по верху и при необходимости регулиру- ют их положение стальными подкладками. Вкатыванием тележки проверяют правильность установки шкафов КРУ, т. е. совпадение их подвижных и неподвижных частей, а также четкое фиксирова- ние положения тележки роликами. Корпус КРУ считается установленным правильно и может быть окончательно закреплен при выполнении следующих условий: корпус и тележка не качаются; нижняя рама корпуса располагается горизонтально; подвижные и неподвижные части разъединяющих контактов первичных и вторичных цепей совпадают; ролики механизма доводки четко фиксируют положение те- лежки; зазоры между осью крепления коромысел защитных шторок и роликами тележки примерно одинаковые; контрольные отверстия смежных корпусов совпадают; зазор между стенками смежных корпусов не превышает 1 мм; закрытые двери шкафов расположены в одной вертикальной плоскости. Особо проверяют работу шторок, которые должны поднимать- ся и опускаться без перекосов и заеданий, а также действие меха- нической блокировки. Окончательно выверенные шкафы и камеры жестко прикреп- ляют электросварным швом длиной 60... 70 мм к направляющим в четырех углах, благодаря чему обеспечивается заземление корпуса. В шкафах снимают листы шинного отсека, освобождают от вре- менного крепления ответвительные шины, удаляют верхние час- ти шинодержателей и на шинодержатели укладывают сборные шины с учетом цвета фаз. Ответвительные шины присоединяют к сборным болтам или сжимам, затем сборные и ответвительные шины закрепляют на шинодержателях. Участки сборных шин в пределах одного щита сваривают, а между различными щитами соединяют болтами или сжимами. 558
После монтажа шин устанавливают приборы и аппараты, де- монтированные на время перевозки, и присоединяют их к пер- вичным и вторичным цепям согласно схемам. Контактные поверх- ности сборных шин промывают бензином и смазывают тонким слоем вазелина. Нельзя зачищать эти поверхности напильником или наждачной шкуркой, так как они покрыты на заводе специаль- ным сплавом олова с цинком для защиты от коррозии. После ус- тановки сборных шин всей секции выполняют затяжку болтов в контактных соединениях, а затем прокладку магистральных шин вторичных цепей. Смонтированные шкафы, камеры или блоки тщательно очи- щают от пыли и грязи и приступают к ревизии оборудования. Все элементы осматривают, подтягивают крепежные болтовые соеди- нения, а также винты в зажимах, блок-контактах и других устрой- ствах вторичной цепи. Осматривают выключатели и приводы. Выключатели должны быть залиты чистым сухим трансформаторным маслом. На всех тру- щихся частях механизмов проверяют наличие смазки и при необ- ходимости добавляют ее. Далее измеряют мегомметром сопротив- ление изоляции вторичных обмоток измерительных трансформа- торов тока. Проверяют регулировку масляных выключателей и приводов при ручном включении, блок-контактов, работу меха- низмов доводки, блокировки и выкатывания тележек КРУ, а так- же работу разъединяющих и других контактов по заводской инст- рукции. Затем присоединяют отходящие и питающие кабели и кабели вторичных цепей по чертежам проекта. При современном индустриальном монтаже распределительных устройств основными операциями являются: доставка собранных блоков к месту монтажа, перевозка их внутри помещения, подъем и установка. Шкафы или камеры РУ транспортируют до места монтажа в упакованном виде, шкафы и блоки КРУ — только в вертикальном положении. КСО допускается транспортировать че- рез постоянные или временные проемы в горизонтальном поло- жении фасадной стороной вверх. Погрузку и выгрузку блоков вы- полняют с помощью подъемного крана. При строповке в местах изгибов стропов устанавливают надежные распорки, предотвра- щающие повреждение окраски оборудования. Перемещение по чи- стому полу рекомендуется производить на тележках типа ТПБ, с помощью которых обеспечивается самопогрузка и саморазгрузка блоков КРУ Заводы-изготовители отправляют КРУ и КСО в деревянной упаковке, не рассчитанной на длительное воздействие атмосфер- ных осадков, поэтому по прибытии на место их помещают в сухое закрытое помещение, освобождают от упаковки, очищают от пыли, стружки и подвергают тщательному наружному осмотру. 559
Если позволяют местные условия и имеются соответствующие подъемно-транспортные средства, то на место монтажа доставля- ют блоки, скомплектованные из трех шкафов. В противном случае в шкафах КРУ снимают скобы для крепления тележек на время транспортировки, выкатывают их из шкафов, снимают болты, скрепляющие шкафы между собой, и доставляют каждый шкаф в отдельности. При приемке электрооборудования КРУ и КСО в монтаж про- веряют целость упаковки, комплектность элементов оборудования согласно упаковочной ведомости, нет ли механических повреж- дений, наличие и целость пломб на приборах, наличие крепеж- ных винтов, комплектность сборных и ответвительных шин и т.п. Заземление комплектных распределительных устройств. По окон- чании установки КРУ (КСО) все металлические конструкции, на которых они установлены, присоединяют к сети заземления. За- землению подлежит также все оборудование КРУ, не имеющее металлического соединения с заземленным корпусом камеры. Приборы и оборудование, установленные на заземленных метал- лических конструкциях, сварные поверхности которых имеют на- ружный электрический контакт с корпусом РУ, специально за- землять не следует. Заземление КРУ осуществляют приваркой ниж- них рам корпусов камер к магистрали заземления либо к закладным частям, присоединенным к магистрали заземления не менее чем в двух местах. Для сдачи в эксплуатацию выполняют проверку и наладку ре- лейной защиты и сигнализации и производят испытания в объе- ме, предусмотренном ПУЭ. Вопросы для самоконтроля I. 1.Что представляют собой КРУ и КРУН? 2. Как подразделяются КРУ по способу установки аппаратов? 3. Каковы классификация и назначение КСО? 4. Назовите основные элементы камер КСО. 5. В какой последовательности монтируются камеры КРУ? II. 1. Каковы основные характеристики и конструкция КРУ серии КХП с масляным выключателем? 2. Какие виды блокировок в КРУ вы знаете? 3. Чем отличаются КСОЗ-66 и КСО2-66? 4. Поясните конструкцию камеры КСОЗ-66. 5. По каким критериям определяется правильность монтажа? III. 1. Каковы преимущества КРУ с электромагнитным выключателем типа ВЭМ-6, 2. Каково конструктивное исполнение КРУ серии К-37? 3. Возможна ли стыковка КСО2-72 с другими КСО и почему? 4. Какие элементы заземляются в шкафах КРУ и камерах КСО?
Глава 16. МОНТАЖ ИЗОЛЯТОРОВ И ШИН 16.1. Монтаж опорных и проходных изоляторов Изоляторы в распределительных устройствах и подстанциях предназначены для механического крепления и электрической изо- ляции шин и токоведущих частей высоковольтных аппаратов. По способу установки и назначению изоляторы делятся на подстан- ционные и аппаратные, опорные, проходные и подвесные (пос- ледние называют иногда линейными), а также для внутренней и наружной установок. Опорные изоляторы (рис. 16.1, а) служат для крепления токове- дущих частей и изоляции их друг от друга и от заземленных частей. Рис. 16.1. Конструкции изоляторов: а — опорного ОФ-10-375ов; б — проходного П-10/400-750; 7 — чугунное основание с овальным фланцем; 2 — фарфоровый кор- пус; 3, 4— соответственно чугунные колпачок и фланец; 5 — токо- ведущая шина; 6 — верхний и нижний металлические колпачки 19 Нестеренко 561
Рис. 16.2. Опорные изоляторы для внутренней установки: а — ОФ-Ю-375кр; б — ОМА-10; 1 колпачок; 2 — фарфоровый корпус; 3 — фланец; 4 — болт Опорный изолятор состоит из фарфорового корпуса 2, чугунного основания 1 с фланцем и чугунного колпачка 3. В колпачке опорного изолятора для внутренней установки (рис. 16.2, а) имеются гнезда с резьбой для крепления шинных конструкций, а во фланце — сквозные отверстия для крепления изоляторов. Болт 4 предназначен для присоединения фланца изо- лятора к заземляющему устройству. Фланцы опорных изоляторов могут быть круглой, овальной или квадратной формы. Фарфоровый полый корпус является изолирующей деталью. Металлические детали соединены с фарфором цементной связкой, фланцы изготавливаются из немагнитных материалов (чугуна, силумина). Изоляторы также могут быть эпоксидными. Опорные изоляторы различают по роду установки (внутренние и наружные), напряжению (3, 6, 10 кВ) и механической прочно- сти (разрушающие нагрузки около 3,7; 7,4; 12,3; 19,6 кН и более). В обозначении опорных изоляторов указывают: тип изолятора — О (полностью опорный), материал — Ф (фарфоровый), номиналь- ное напряжение (6 или 10 кВ), разрушающую нагрузку и форму фланца (ов — овальный, кр — круглый, кв — квадратный). Напри- 562
мер, опорный изолятор, рассчитанный на разрушающее усилие 3,7 кН и напряжение 10 кВ, с овальным фланцем обозначают ОФ-Ю-375ов. Перед установкой изоляторы подвергают осмотру и отбраков- ке: проверяют нет ли трещин, сколов и других механических по- вреждений. Допускается наличие у изоляторов отбитых краев об- щей площадью не более 1 см2, но хорошо отшлифованных и по- крытых двумя слоями бакелитового лака, и легких царапин на фарфоре, также покрытых бакелитовым лаком. Поверхность фарфо- ра должна быть полностью покрыта глазурью без следов замаз- ки, если замазка осталась, ее очищают деревянными лопаточка- ми. Использовать для этого металлические предметы не разре- шается. Проверяют также состояние металлической арматуры изолято- ров и прочность армировочного шва. Слой замазки шва должен быть равномерным по всей окружности армировки, а на изоляторах для внутренней установки армировочный шов необходимо покрыть лаком. Ржавчину на арматуре удаляют тряпкой, смоченной в ке- росине, заусенцы — напильником во избежание ранения рук при монтаже. Монтаж опорных изоляторов состоит из их установки, вывер- ки и закрепления, присоединения фланцев к контуру заземления и окраски головок и фланцев. Изоляторы, устанавливаемые флан- цами непосредственно на заземленные металлические конструк- ции, дополнительно не заземляют. Опорные защищенные изоляторы для прокладки по ним шин монтируют главным образом на металлических конструкциях в мастерских и доставляют на место установки в виде блоков (зача- стую с уже проложенными шинами). К строительным конструк- циям такие блоки крепят гайками и вмазанными на первом этапе монтажа шпильками или приваривают к металлическим деталям, заложенным в строительных конструкциях. При установке опорных изоляторов необходимо учитывать сле- дующие требования СНиП: центры головок (чугунных колпачков) изоляторов должны со- впадать с продольной и поперечными осями разметки; плоскости колпачков изоляторов каждого комплекта (из трех штук), а также определенного участка или камеры должны быть расположены на одном уровне (±2 мм); расстояния между осями изоляторов разных фаз, от осей изо- ляторов до заземленных конструкций и между отдельными изоля- торами одной фазы (вдоль оси фазы) должны соответствовать проекту (±5 мм); при установке на оштукатуренных стенах (или перекрытиях) фланцы изоляторов не должны быть утопленными; 563
заземляющие болты должны располагаться со стороны зазем- ляющей магистрали; прокладки не должны выступать за пределы фланцев изоляторов; крепление изоляторов должно обеспечивать их замену без раз- резания ошиновки. Установку изоляторов для ошиновки выполняют в следующем порядке: сначала ставят крайние изоляторы и по центрам их голо- вок натягивают шнур, затем по шнуру устанавливают и выравни- вают по высоте остальные изоляторы, используя прокладки из толя, картона либо из листовой стали (при установке на металло- конструкциях). После окончательной выверки в вертикальной, горизонтальной или наклонных плоскостях (овальные отверстия и использование крепления на сдвоенных угольниках позволяют регулировать расстояние между изоляторами) крепежные болты или шпильки затягивают гайками. Для защиты изоляторов от повреждений при монтаже распре- делительного устройства и отделочных работах после окончатель- ной установки их обертывают толем, картоном или бумагой и об- вязывают шпагатом. При необходимости фарфоровые изоляторы защищают экраном или асбестом от брызг горячего металла и дей- ствия высоких температур. Проходные изоляторы (рис. 16.1, б) предназначены для изоля- ции токоведущих стержней или шин при прохождении их через заземляемые перегородки и конструкции в распределительных ус- тройствах, корпуса аппаратов, а также через стены и перекрытия. Проходной изолятор состоит из фарфорового корпуса 2, верх- него и нижнего колпачков 6, чугунного фланца 4 и медной или алюминиевой токоведущей шины 5. Колпачки и фланцы скрепля- ются с фарфоровым корпусом цементирующим составом или ме- ханическим способом. Фланец 3 проходного изолятора, показанного на рис. 16.3, имеет отверстия для крепежных болтов и болт 5 для присоединения за- земления. Токоведущая шина 1 крепится стальными шайбами 4, находящимися в торцах изолятора. На номинальные токи до 2000 А проходные изоляторы изго- тавливаются с алюминиевой токопроводящей шиной, которая крепится шайбами, установленными в их внутренней полости. Обозначение изолятора, например П-10/400-750, читается следу- ющим образом: проходной, номинальное напряжение 10 кВ, но- минальный ток 400 А и минимальное разрушающее усилие на изгиб 7,5 кН. При проверке и отбраковке к проходным изоляторам предъяв- ляются те же требования, что и к опорным. Дополнительно про- веряют размеры токопроводящего стержня, нет ли в нем конус- ности, а также наличие гаек и центрирующих шайб. 564
При установке проход- ных изоляторов также необ- ходимо выполнить дополни- тельные требования, опре- деляемые наличием токо- проводящего стержня и фор- мой фланца. Чаще всего проходные изоляторы устанавливают на асбоцементных или сталь- ных плитах. При номиналь- ном токе проходных изоля- торов 1000 А и выше сталь- ные плиты изготавливаются из двух половин, которые соединяют планками из не- магнитного или маломаг- нитного материала, с зазо- ром 5... 6 мм между ними по всей длине. При установке проходных изоляторов в железобетон- ных плитах их стальная ар- матура не должна образовы- вать замкнутого магнитного контура вокруг отдельных фаз, иначе стальные плиты и Рис. 16.3. Проходные изоляторы: а - П-10/600-375; б - П-10/2000; 1 - токо- ведущая шина; 2 — фарфоровый корпус; 3 — фланец; 4 — стальная шайба; 5 — болт для присоединения заземления стальная арматура будут нагреваться индуктируемыми в них токами. Проходные плиты с изоляторами устанавливают в проемах, оставленных в строительных конструкциях, и выверяют их уста- новку в горизонтальной и вертикальной плоскостях с помощью уровня и рейки. Отклонение их осей от проекта допускается ±2 мм. Проходные изоляторы размещают на плите, закрепляют без за- тяжки болтами и гайками и тщательно выверяют по уровню и отвесу. Основные вертикальные оси изоляторов должны находиться в одной плоскости или располагаться параллельно ближайшим эле- ментам установки, с которыми они в дальнейшем будут соедине- ны шинами. Отклонение осей опорных и проходных изоляторов каждой фазы, а также осей отдельных изоляторов от положения, предусмотренного проектом, допускается не более ±5 мм. После выверки затягивают стяжные болты изоляторов гайками. При окончательной отделке распределительного устройства ар- матуру опорных и проходных изоляторов окрашивают черной эма- левой краской. Места присоединения фланцев к заземлению не ок- рашивают. 565
Вопросы для самоконтроля I. 1. Каково назначение изоляторов? 2. Как подразделяются изоляторы по способу установки? 3. Где применяются опорные изоляторы? 4. Где используются проходные изоляторы? II. 1. Какова конструкция опорных изоляторов? 2. Поясните конструкцию проходных изоляторов. 3. Прочитайте обозначение изоляторов ОФ-10-375 и П10/450-750. III. 1. Какие требования необходимо выполнять при установке опорных изоляторов? 2. Какова последовательность установки опорных изоляторов? 3. Как устанавливаются проходные изоляторы? 16.2. Монтаж шин Одним из главных элементов распределительного устройства являются шины. Они изготавливаются из алюминия и стали, реже из меди из-за ее высокой стоимости, хотя она является наилуч- шим проводниковым материалом. При переменном токе до 200 А и постоянном токе используют плоскую, круглую или трубчатую сталь. Медные плоские шины для ошиновки РУ применяют толь- ко в специальных случаях, обоснованных в проекте. Шины из алю- миниевого сплава марки АД31Т1 выбирают по условиям динами- ческой устойчивости к токам короткого замыкания, что дает зна- чительный экономический эффект. Сечение и форма шин зависят от тока, условий охлаждения, а также от номинального напряжения установки, при больших значениях которого и определенных метеорологических услови- ях возникает коронирование, т. е. стекание электрических заря- дов с ребер в атмосферу. Поэтому в процессе монтажа нельзя изменять способ установки, размеры шин и расстояния между точками их крепления, а также устанавливать шины из другого материала. Шины, прокладываемые в распределительных устройствах, под- разделяются на сборные (главные), ответвительные и соединитель- ные. Сборные шины служат для приема энергии от источника питания и дальнейшего распределения ее между потребителями. Ответвительными шинами соединяют сборные шины с ближай- шими аппаратами и между собой, соединительными шинами — один аппарат с другим. В распределительных устройствах мощных установок сборные шины выполняются пакетами (из двух, трех и более полос в фазе), а также коробчатыми профилями, сварен- ными из двух шин швеллерной формы. В качестве шин могут ис- пользоваться также неизолированные проводники с прямоуголь- ным, трубчатым и круглым сечениями. 566
Заготовку шин, как правило, осуществляют индустриальным способом в мастерских по замерам на специальных технологичес- ких линиях. В настоящее время в рабочих чертежах предусматривается неза- висимо от степени готовности строительной части заготовка в ма- стерской целых узлов ошиновки или отдельных ее звеньев вместе с опорными конструкциями; на месте монтажа производят толь- ко их сборку. Ошиновка может быть в блочном исполнении (выполнена по чертежам в мастерской в виде отдельных блоков), макетном (от- дельные элементы изготовлены по чертежам и подогнаны на спе- циально сделанном макете установки) и индивидуальном (выпол- нена по снятым с натуры замерам, применяется в основном для одиночных шин). Полосы ошиновки собирают вместе с опорными конструкция- ми, изоляторами, шинодержателями и другими деталями. Комп- лектные шинные устройства (например, ошиновка трансформа- торов) состоят из смонтированных на каркасе разъединителей с приводом, шин, опорных изоляторов и проходной плиты. Откры- тые шинные магистрали для канализации электроэнергии от внут- рицеховых подстанций до распределительных пунктов цеха заго- тавливают в мастерских, наматывают на кассеты и транспортиру- ют на место монтажа в комплекте с натяжными устройствами, компенсаторами и другими деталями. Комплектные шинные устройства в виде готовых заготовок по- ставляют заводы. Изготовление таких заготовок непосредственно на месте монтажа является весьма трудоемкой и неэффективной работой, которая допускается на небольших объектах с незначи- тельным объемом ошиновки. Перед установкой шины следует рассортировать по сечениям и длине, чтобы обеспечить минимальные отходы при монтаже. Монтаж шин включает в себя следующие операции', отбор и от- браковку, правку, разметку, резку и изгибание, обработку кон- тактных поверхностей и сверление в них отверстий, сборку отдель- ных узлов и блоков с опорными изоляторами и металлоконструк- циями (например, шинных мостов и переходов), сварку сборных и приварку ответвительных шин или их болтовое соединение, ок- раску. На технологической линии выполняют следующие работы', прав- ку на плоскость и ребро, разметку, получение мерных отрезков; вырубку или сверление отверстий; изгибание; сварку встык и при- варку ответвлений; опрессовку, выравнивание, зачистку и консер- вацию контактных поверхностей; окраску заготовок и сборку го- товых заготовок шин в пакеты, блоки, узлы и комплекты. Рассмот- рим некоторые операции монтажа. 567
Правку шин выполняют только в том случае, если шины имеют кривизну более 2 мм на 1 м длины. Правку производят в холодном состоянии одновременно на ребро и плоскость на специальном станке, имеющем вальцы. На рис. 16.4 правка на плоскость осуще- ствляется горизонтальными роликами 3, на ребро — вертикаль- ными роликами 4. Кроме того, такие вальцы имеют направляющие ролики 2 и отбойные 5, предназначенные для предотвращения де- формации шин при выходе из них. Бухта шин устанавливается на оси 1. Минимальный размер обрабатываемых шин 30 х 3 мм, а мак- симальный — 140 х 12 мм. При малых объемах работ шины правят на правильной плите или тавровой балке вручную киянкой или молотком через смяг- чающую алюминиевую прокладку. Резка шин выполняется различными механизмами: рычажны- ми или пресс-ножницами, дисковой пилой, а при толщине шин более 10 мм маятниковой пилой. Изгибание шин производится по эскизам и шаблонам, изготов- ленным из стальной проволоки диаметром 3... 5 мм по замерам на месте. Различают следующие виды изгибов шин (рис. 16.5): на плос- кость, ребро, «штопором» (поворот шины вокруг ее оси на угол до 90°) и «уткой». Изгибание шин с малыми сечениями на плоскость и ребро вы- полняется ручными шиногибами, а шин с большими сечениями (не менее 80 х 8 мм) — приводными гидравлическими. Для изги- Рис. 16.4. Вальцы ВПШ-140М для правки шин: 1 — ось для установки бухты шин; 2 — направляющий ролик; 3, 4 — соответствен- но горизонтальные и вертикальные ролики; 5 — отбойный ролик 568
>25 >50 Рис. 16.5. Виды изгибов шин: а — на плоскость; б — на ребро; в — «штопором»; г — «уткой» бания шин «уткой» или «штопором» служат специальные штампы на винтовом или гидравлическом прессе. Механизмы и приспособ- ления, используемые при изгибании шин, показаны на рис. 16.6. Изгибать шину на ребро рекомендуется в нагретом состоянии. Однако температура нагрева алюминиевых шин не должна быть выше 250 °C, медных — более 350 °C, а стальных — выше 600 “С. В случае перегрева шины становятся хрупкими и при изгибании на них появляются незаметные трещины. Температуру контролируют термопарами. Усовершенствованные гидравлические шиногибы позволяют изгибать шины на ребро без предварительного подо- грева. При изгибании шин необходимо выполнять следующие требо- вания: внутренний радиус изгиба шин с прямоугольным сечением дол- жен быть при изгибах на плоскость не менее двойной толщины шины, а при изгибах на ребро — не менее ее ширины; длина шин на изгибе «штопором» должна быть не менее двукратной ее ши- рины; изгиб шины в местах присоединений должен начинаться на рас- стоянии не менее 10 мм от края контактной поверхности; 569
1000 б) Рис. 16.6. Пресс и штампы для изгибания шин «уткой» (а) и приспо- собления для изгибания шин «штопором» (б) стыки сборных шин при болтовом соединении должны отстоять от головок изоляторов и мест ответвлений не менее чем на 50 мм. Подготовка контактных соединений. Контактное соединение образуется в месте соприкосновения двух шин. Такие соединения могут быть разъемными, выполняемыми с помощью сквозных болтов или сжимов, и неразъемными, т. е. сварными. Контактные поверхности при выполнении болтовых соединений должны быть плоскими и ровными. Подготовка шин для болтового контактного соединения вклю- чает в себя разметку отверстий, их сверление, обработку контакт- ных поверхностей и другие операции. Разметку отверстий производят по эскизу, на котором обяза- тельно должны быть указаны расстояния до мест крепления, из- 570
гибов и соединений с точностью ± 1 мм. При разметке применяют шаблоны с просверленными для болтов отверстиями, по центру которых проходит керн. Шаблоны позволяют накернить отверстия без разметки их осей. Сверлить отверстия можно по кернению или с помощью кон- дуктора. Однако лучшим способом выполнения отверстий является про- сечка их штампом на прессе. Проштампованные по разметке от- верстия не требуют последующей обработки, их края получаются чистыми, без заусенцев. Диаметр отверстий должен быть немного больше диаметра болтов (для болтов с диаметром 6... 8, 9...12 или 13... 18 мм отверстия делают соответственно на 1; 1,5 и 2 мм боль- ше). В пакете шин отверстия сверлят одновременно, для чего его собирают и жестко зажимают в кондукторе. Обработка контактных поверхностей заключается в полном уда- лении с алюминиевых шин оксидной пленки, с медных шин — окиси меди, а со стальных шин — ржавчины. Обработку выполняют вращающимися стальными щетками или диском с кардолентой. При незначительном объеме ошиновки допускается контакт- ные поверхности обрабатывать вручную драчевым напильником и щеткой с кардолентой. Металлическую пыль удаляют чистой тряп- кой, а обработанную поверхность покрывают тонким слоем тех- нического вазелина. Окончательная обработка алюминиевых шин производится наж- дачной или стеклянной бумагой № 1, 2 и 3 под слоем вазелина. После зачистки загрязненный вазелин удаляют тряпкой и заме- няют чистым. Шлифовку и полировку контактной поверхности не производят, так как это ухудшает контакт. Болтовые соединения шин выполняют непосредственно вна- хлестку, внахлестку с высадкой «утки», встык с помощью накла- док, внахлестку с помощью сжимов (рис. 16.7). Все крепежные изделия для разборных контактных соединений (болты, гайки, шайбы) должны иметь защитные покрытия. Но в сухих помещениях при соединении шин из однородных металлов допускается применять вороненые стальные болты, гайки и шай- бы. На болтовых контактных соединениях не надо устанавливать контргайки, за исключением электроустановок, подверженных вибрации, и во взрывоопасных зонах. Для стопорения болтовых соединений шин (медных, стальных и из алюминиевых сплавов) служат стальные пружинные шайбы (разрезные). При соединени- ях алюминиевых шин пружинные шайбы не применяют, а под головку болта или гайку со стороны алюминиевой шины устанав- ливают увеличенные шайбы. Если в контактном соединении ис- пользованы тарельчатые пружины (шайбы), то нет необходимос- ти ставить контргайки или пружинные шайбы. 571
Рис. 16.7. Болтовые контактные соединения шин: а — внахлестку; б — внахлестку с высадкой «утки»; в — встык с помощью накла- док; г — внахлестку с помощью сжимов Гайки на контактных соединениях располагают так, чтобы при эксплуатации был удобен их осмотр из коридора (область обслу- живания). Затяжку гаек лучше всего выполнять с помощью специ- ального гаечного ключа с ограничением крутящего момента, а при его отсутствии — с помощью обычного гаечного ключа, но при этом запрещается удлинять его рычаг для повышения усилия за- тяжки. Правильная затяжка гаек определяет качество монтажа, т. е. контакта, и надежность соединения. Плотность контакта после за- тяжки проверяют щупом толщиной 0,02 мм, который по периметру соединения не должен заходить более чем на 6 мм. Заготовленные шины рекомендуется маркировать, условно обозначая места их ус- тановки. Болтовые соединения шин в эксплуатации требуют регу- лярного контроля за состоянием контактов, проверки их темпера- туры, периодического подтягивания болтов, а временами и зачист- ки контактных поверхностей. Поэтому вместо болтовых соединений рекомендуется применять сварные соединения, в особенности для алюминиевых шин, так как они в местах соединений подвержены окислению и холодной текучести металла под действием давления болтов. Сварка обеспечивает более надежные по сравнению с болто- выми контактные соединения шин и, следовательно, повышает надежность ошиновки в целом. Выполнение сварных соединений по сравнению с болтовыми менее трудоемко и более экономич- но, так как производится встык. Поэтому сварку шин следует при- менять во всех случаях, за исключением тех, когда по условиям эксплуатации необходимо иметь разъемные соединения. 572
Сварка алюминиевых шин имеет некоторые особенности. Алю- миний при нагреве не меняет цвета, поэтому трудно контролиро- вать ход его расплавления. Кроме того, при нагреве не наблюдает- ся постепенного размягчения алюминия, а при температуре 659 °C он сразу расплавляется. Учитывая эту особенность алюминия, а так- же способность растекаться и хрупкость при высоких температу- рах, приводящую к провалам нагретого металла, при сварке шов преимущественно должен занимать нижнее горизонтальное поло- жение. Главным же затруднением является способность алюминия быстро покрываться на воздухе оксидной пленкой, температура плавления которой около 2100 °C, т. е. пленка вследствие своей ту- гоплавкости препятствует слиянию капель металла свариваемых частей, а также оставаясь в шве, снижает его механическую проч- ность и проводимость. Для удаления оксидной пленки с поверхности изделий приме- няют флюсы, которые защищают также и жидкую ванну от окис- ления в процессе сварки. Расплавленные флюсы растворяют ок- сидную пленку и превращают ее в легкоплавкий шлак, всплыва- ющий на поверхность сварочной ванны. Шлак в процессе сварки защищает поверхность расплавленного металла от дальнейшего окисления. В электромонтажной практике при элекгродуговой свар- ке алюминиевых шин используют флюс марки ВАМИ. Наиболее распространенными являются ручная дуговая сварка угольным электродом (которая до последнего времени имела са- мое широкое применение) и ручная аргонно-дуговая сварка не- плавящимся вольфрамовым электродом. Дуговая сварка шин осуществляется с помощью постоянного и переменного тока. Источниками тока являются сварочные преоб- разователи и трансформаторы, а также сварочные полупроводни- ковые выпрямители, предназначенные для выпрямления перемен- ного тока в постоянный сварочный ток без вращающихся преоб- разователей. Сварные швы различают по форме сечения и расположению в пространстве, т. е. сварка бывает нижней горизонтальной, верти- кальной и потолочной. При нижней сварке сварочная дуга нахо- дится над свариваемыми деталями. Этот способ считается наибо- лее доступным и производительным. Вертикальная и потолочная сварки требуют больших навыков от сварщика и применяются редко. В качестве источников питания используют сварочные агрега- ты ПС-300, ПСО-300, ВД301 на номинальный сварочный ток до 300 А, а также ПС-500, ПСО-500 и ПСУ-500 на номинальный сва- рочный ток до 500 А и др. В комплект инструментов и принадлежностей сварщика шин входят: электродержатель, проволочная щетка, зубило, молоток, 573
сосуд для флюса и кисточка для его нанесения, маска для защиты глаз и лица от лучей сварочной дуги и брызг металла. В мастерских шины сваривают на специальных сварочных сто- лах, а непосредственно на объекте — с помощью переносных при- способлений. Сварку шин выполняют в такой последовательнос- ти: очищают их кромки проволочными щетками; устанавливают переносные приспособления на шины, выверяют их и закрепля- ют в нужном положении; наносят флюс на кромки свариваемых шин; производят сварку; снимают переносные приспособления, очищают шов от флюса, шлака, приливов и окрашивают. Шины толщиной до 12 мм сваривают за один проход свароч- ной дуги, направляя ее на кромки в начале шва и далее в зазор между ними. Расплавив кромки шин, опускают в сварной шов при- садочный пруток, обмазанный флюсом, и расплавляют его дугой. Концом присадочного прутка перемешивают расплавленный ме- талл в сварочной ванне, обеспечивая его уплотнение и удаление шлаков. В конце шва дугу разрывают. Для получения высокого ка- чества соединения во время сварки и в период охлаждения шва запрещается двигать шины, так как могут появиться трещины. Ответвительные шины приваривают к кромкам сборных шин с помощью специального приспособления. После сварки необходимо полностью удалить проволочной щеткой остатки флюса и шлака со сваренного стыка, поскольку при наличии влаги они с течением времени вызовут коррозию алюминия, которая приведет к разрушению соединения. Для пре- дохранения от коррозии сварные швы покрывают глифталевым лаком или краской, которой окрашивают шины. Глифталевые лаки — это растворы глифталевой смолы в смесях спир- та и жидких углеводородов и других подобных растворителях. Это термо- реактивные лаки с высокой клеящей способностью, гибкость их пленок выше, чем у пленок бакелитового лака, а влагостойкость ниже. Для обеспечения хорошего качества сварных швов следует строго соблюдать технологию сварки. Чаще всего встречаются следующие дефекты сварных швов: непровары, трещины, наплывы, пережо- ги металла, раковины. Каждый сваренный стык шин надо осмот- реть и все обнаруженные дефекты устранить. Наиболее эффективна при соединении алюминия и его спла- вов аргонно-дуговая сварка неплавящимся (вольфрамовым) элек- тродом, которая вытесняет в последнее время способы, требую- щие использования флюса. К достоинствам вольфрамовых контактов можно отнести: устойчивость в работе; малый механический износ ввиду высокой твердости мате- риала; 574
способность противостоять действию дуги и отсутствие прива- риваемое™ вольфрама вследствие его большой тугоплавкости; малую подверженность эрозии, т.е. электрическому износу с образованием кратеров и наростов в результате местных перегре- вов с плавлением металла. Недостатками вольфрама как контактного материала являются: трудная обрабатываемость; образование на воздухе оксидных пленок; необходимость применения больших контактных давлений для получения небольших значений сопротивления контактов. Ручную аргонно-дуговую сварку вольфрамовым электродом вы- полняют на установках «Удар-300», «Удар-500», УДГ-301, УДГ-501. Для полуавтоматической аргонно-дуговой сварки служат полуав- томаты, например ПРМ (полуавтомат ранцевый монтажный) — самый удобный в монтажных условиях. Ручную аргонно-дуговую сварку вольфрамовым электродом применяют для соединения шин из алюминия и его сплавов тол- щиной до 6 мм (алюминиевый сплав АД-31 следует соединять только аргонно-дуговой сваркой), а ручную дуговую сварку уголь- ным электродом — для соединения шин из алюминия толщиной 30 мм и более при нижнем положении шва. Последняя использу- ется и для соединения шин меньшей толщины при невозможно- сти выполнения аргонно-дуговой сварки. Сварка алюминиевых шин в любых пространственных положе- ниях в среде защитных газов является наиболее прогрессивным способом, поскольку не требует использования флюса и очистки швов от его остатков и шлаковой корки. В среде защитных газов производится ручная дуговая сварка неплавящимся (вольфрамо- вым) электродом с введением в шов присадки, а также автомати- ческая и полуавтоматическая сварка плавящимся электродом. Для сварки в среде защитных газов применяют аргон марок А, Б и В, который обеспечивает разрушение оксидной пленки. Установка и крепление шин. Заготовленные шины после марки- ровки их в соответствии с эскизами доставляют на место установ- ки. Шины должны располагаться симметрично и однообразно, что не только придает опрятный вид установке, но и облегчает пер- соналу ее эксплуатацию. Нельзя приближать шины к заземленным частям установки или к шинам другой полярности на расстояние, меньше допустимого нормами для номинального напряжения мон- тируемого РУ При прокладке шин используют: сжимы и шинодержатели на плоскость и ребро, шинные компенсаторы, междушинные распор- ки, переходные пластины. При непосредственном креплении требуется точная разметка шин и сверление или выдавливание в них овальных отверстий. При 575
креплении шинодержателями сверлить или выдавливать отверстия в шинах не требуется, что значительно упрощает монтаж. Шинодержатели и сжимы при переменном токе более 600 А не должны создавать замкнутого магнитного контура вокруг шин. Для этого одну из накладок или все стяжные болты, расположенные по одной из сторон шины, выполняют из немагнитного материа- ла либо устанавливают магнитный шинодержатель, который не об- разует замкнутый контур. Монтируют заготовленные шины в следующем порядке: устанавливают шинодержатели на опорных изоляторах; раскладывают шины и выверяют их положение в шинодержа- телях; соединяют участки сборных шин с компенсаторами; устанавливают, выверяют и присоединяют ответвления; при необходимости вторично окрашивают выправленные шины. Выверку сборных шин по продольной оси производят по натя- нутой стальной проволоке. Кроме того, проверяют горизонталь- ность каждого участка шин с помощью рейки и уровня. Шины крепят плашмя или на ребро на изоляторах болтами, скобами или в шинодержателях (рис. 16.8). При всех способах крепления должна быть обеспечена возмож- ность свободного перемещения шинных полос вдоль их оси при нагреве токами нагрузки и токами короткого замыкания. Иначе от возникших при нагреве внутренних напряжений шины, как гово- рят, «поведет» (они деформируются), а при протекании мощных токов короткого замыкания может быть даже разрушена ошиновка. В конструкциях шинодержателей предусмотрен зазор 1,5... 2 мм (рис. 16.9), благодаря которому шины не могут быть зажаты в них наглухо. С этой же целью в однополосных шинах, прокладывае- мых на колпачках изоляторов, выполняют овальные крепежные отверстия, а под головки болтов прокладывают пружинные шайбы. Чтобы при большой длине шин избежать деформаций из-за линейных расширений, устанавливают компенсаторы, состоящие из набранных в пакет тонких (0,1 ...0,25 мм) медных или алюми- ниевых (соответственно материалу шин) лент, суммарное сечение которых равно сечению шины. Ленты по концам, сваренные в об- щий монолит, как правило, приваривают встык в месте разреза шин. Способ присоединения шин к контактным зажимам (выводам) аппаратов зависит от конструкции выводов и материала шин. Су- ществуют следующие способы присоединения: одноболтовое и многоболтовое непосредственное (с помощью сквозных болтов с гайками и шайбами); гаечное непосредственное (шину зажимают между двумя кон- тактными гайками, навернутыми на нарезной токопроводящий стержень аппарата); 576
д) Рис. 16.8. Способы крепления шин: а — однополосных плоским болтом; б — однополос- ных плоскими болтами и планкой; в — круглых на головке изолятора скобой; г — многополосных плос- ких плашмя в шинодержателях; д — многополосных плоских на ребро в шинодержателях: 1 — шина; 2 — пружинная шайба; 3 — болт; 4 — нормальная стальная шайба; 5 — стальная планка; 6, 9 — соответственно стальные скоба и ^кладыш; 7— верхняя планка из ста- ли или немагнитного материала; 8 — шпилька; 10 — нижняя планка; 11 — прокладка из электрокартона через плоские медно-алюминиевые переходные пластины. В последнее время для присоединения к зажимам аппаратов алюминиевые шины оконцовывают пластинами из сплава марки АД31Т1, т. е., исключая расход меди, уменьшают материальные затраты. К плоским выводам аппаратов непосредственно присоединя- ют медные, алюминиевые и стальные шины; к выводам, выпол- ненным в виде нарезного стержня, — медные. С помощью специ- альных медных или латунных гаек увеличенных размеров подклю- чают алюминиевые шины, если номинальный ток аппарата не более 600 А. Контакт плоских алюминиевых шин с медными стерж- 577
Зазор 1,5...2 мм Зазор 1,5...2мм б) Рис. 16.9. Крепление шин шинодержателями на плос- кость (а) и ребро (б): 1 — верхняя планка; 2 — шина; 3 — нижняя планка; 4 — кар- тонная прокладка; 5 — стальная шпилька; 6— латунная шпилька невыми выводами аппаратов при токах от 600 А осуществляют через специальные медно-алюминиевые переходные пластины. Эти пла- стины используют и для всех присоединений в помещениях с влаж- ной средой или активными газами, вызывающими усиленное окисление в местах непосредственных контактов алюминия с медью. Медно-алюминиевая (МА) пластина состоит из отрезков мед- ной и алюминиевой шин, сваренных встык на специальной сва- рочной машине. Алюминиевой частью ее приваривают к алюми- ниевой шине, а в медной части сверлят отверстие для присоеди- нительного болта. Контактные поверхности мест присоединения шин к выводам аппаратов должны быть тщательно обработаны на специальном шиношлифовальном или шинофрезерном станке при заготовке их в мастерских. Как исключение допускается обработка плоскости контакта полудрачевым напильником. Плоскость контакта необ- ходимо проверять угольником, между ребром которого и плоско- стью не должно быть просвета. В зазор между контактными повер- хностями после присоединения не должен входить стальной щуп толщиной 0,05 мм. Для соединения с зажимами аппаратов следует применять кон- трящие приспособления. При использовании тарельчатых пружин контрящие приспособления не ставят. Примеры присоединения алюминиевых шин показаны на рис. 16.10. 578
2 3 4 Рис. 16.10. Присоединения алюминиевых шин к выводам аппаратов: а — к плоскому медному через МА пластину; б — к медному стержневому через МА пластину; в — к стальному стержневому через МА пластину; 7 — вывод аппарата; 2, 3— соответственно стальные гайка и шайба; 4 — переход- ная пластина; 5 — медный стержень; 6 — стальной болт Окраска шин. Шины распределительных устройств и подстан- ций окрашивают по всей длине эмалевой или масляной краской. Окраску производят равномерно без наплывов и подтеков. Одно- полосные шины окрашивают со всех сторон, многополосные шины в сухих помещениях — с наружных поверхностей, в помещениях сырых, с повышенной влажностью или химически активной сре- дой — каждую шину в отдельности со всех сторон. Окраска шин необходима для защиты их от коррозии, улучше- ния условий охлаждения (теплоотдача окрашенных шин лучше), придания опрятного вида установке, а также для обозначения разных фаз (разными цветами). Шины окрашивают следующим образом: при постоянном токе положительную шину (+) — в красный цвет, отрицательную (-) — в синий и нейтральную — в белый; при переменном токе фазу А — в желтый, В — в зеленый, С — в красный. Нулевые шины при изолированной нейтрали окрашивают в голубой цвет, а при 579
Приложение 1 Длительно допустимые токовые нагрузки, А, для проводов с поливинилхлоридной и резиновой изоляцией Сечение токопроводя- щей жилы, мм2 Проложенные открыто провода Проложенные в одной трубе медные алюми- ниевые два провода три провода медные алюми- ниевые медные алюми- ниевые 0,75 15 — — — — — 1 17 — 16 — 15 — 1,5 23 — 19 — 17 — 2,5 30 24 27 20 25 19 4 41 32 33 28 35 28 6 50 39 46 36 42 32 10 80 68 70 50 60 47 16 100 80 85 60 80 60 25 140 105 115 85 100 80 35 170 130 135 100 120 95 50 215 165 185 140 170 130 Приложение 2 Коэффициенты спроса для некоторых потребителей электроэнергии Потребители электроэнергии Жилые дома, торговые помещения, мелкие мастерские, наружное и аварийное освещение 1 Библиотеки, столовые, административные здания 0,9 Лечебные, детские, учебные заведения, конторы 0,8 Большие производственные объекты 0,95 Средние производственные объекты 0,85 Подстанции 0,6 Склады, подвалы 0,6 582
Приложе ни с 3 Установочные провода Марка Конструкция Сечение токопро- водящей жилы, мм2 Число жил Допустимое напряжение, В ПР Резиновая изоляция, оплетка из пропитанной противогнилостным соста- вом хлопчатобумажной ткани, медные жилы 0,75... 120 1 660 АПР Тоже, но жилы алюминиевые 2,5...400 1 660 ПРГ То же, но медная жила состоит из многих скрученных вместе проволок 0,75... 400 1 660 ПВ Поливинилхлоридная изоляция, медная жила 0,5... 120 1 660 АПВ То же, но алюминиевая жила 1 1 660 ППВ Плоский с двумя или тремя медными жилами, изоли- рованными поливинил- хлоридной изоляцией 0,75...2,5 2...3 660 ППВС Плоский с поливинил- хлоридной изоляцией, без разъединительной пленки для скрытой прокладки, с медными жилами 0,75...2,5 2...3 660 АППВС То же, но с алюминиевыми жилами 2,5...6 2...3 660 АППВ То же, но с алюминиевыми жилами и разъединительной пленкой 2,5...6 2...3 660 ПРТО Резиновая изоляция, общая хлопчатобумажная оплетка, для прокладки в трубах, медные жилы 1...120 1...37 660 АПРТО То же, но жилы алюминиевые 2,5...400 1...4 660 583
Приложение 4 Токи плавких вставок предохранителей для осветительных сетей Ток плавкой вставки, А Сечение проводов, мм2, при прокладке открыто в трубах кабелем 10 1,5 1,5 1,5 15 2,5 2,5 1,5 20 4 4 2,5 25 4 4 2,5 35 6 6 6 60 10 10 10 80 16 16 16 100 16 25 25 125 5 35 35 Приложение 5 Токи плавких вставок предохранителей для силовых сетей Ток плавкой вставки, А Сечение проводов и кабелей, мм2 ответвляющихся, при прокладке магистральных, при прокладке открытой в трубках кабелем открытой в трубках кабелем 15 1,5 1 1,5 1,5 1,5 — 20 2,5 1 1,5 2,5 2,5 — 25 4 1,5 1,5 4 4 1,5 35 4 2,5 1,5 4 4 2,5 60 6 4 1,5 6 6 4 80 10 4 2,5 10 10 10 100 16 6 4 16 16 16 125 16 10 6 16 16 16 584
Приложение 6 Технические данные некоторых автоматических выключателей Автоматический выключатель Номинальный ток выклю- чателя, А Номинальный ток распределителя, А Вид распре- делителя АЕ2010 10 0,32; 0,4; 0,5; 0,6; 0,8; 1; 1,25; 1,6; 2; 2,5; 4; 5; 6; 8; 10 Комбиниро- ванный или тепловой АЕ2030 20 0,6; 0,8; 1; 1,25; 1,6; 2; 2,5; 3,2 Комбиниро- ванный или электромаг- нитный АЕ2040 63 10; 12,5; 16; 20; 25; 32; 40; 50; 63 — АЕ2046-10Р 63 16; 20; 25 — АЕ2050 100 16; 20; 25; 32; 40; 50; 63; 80; 100 — АЗ 160 50 15; 20; 25; 30; 40; 50 Тепловой А3110 100 15; 20; 25; 30; 40; 50 Комбиниро- ванный АЗ 130 200 120; 150; 200 — АЗ 140 600 250; 300; 400; 500; 600 — АП-50-ЗМТ 50 0,63; 0,8; 1; 1,2; 1,6; 2; 2,5; 3,2; 4; 5 — А3716ФУЗ 160 16; 20; 25; 32; 40; 50; 63; 80; 100; 125; 160 —
Список литературы 1. Атабеков В.Б. Монтаж сетей и силового оборудования. — М.: Высш, шк., 1985. 2. Атабеков В. Б., Живов М. С. Монтаж осветительных электроуста- новок. — М.: Высш, шк., 1979. 3. Атабеков В. Б., Покровский К. Д. Монтаж электрических сетей и силового электрооборудования. — М.: Высш, шк., 1979. 4. Белоцерковец В. В., Чусов Н. П., Боязный Д. М. Механизация электро- монтажных работ. — М.: Энергия, 1977. 5. Бирюков Ю. С. Монтаж контактных соединений. — М.: Энергия, 1980. 6. Вышнепольский И. С. Техническое черчение. — М.: Высш, шк., 1988. 7. Гордон С. В. Монтаж заземляющих устройств. — М.: Колос, 1975. 8. Гусев Н. Н., Мельцнер Б. Н. Устройство и монтаж электрооборудо- вания. — Минск: Вышейш. шк., 1973. 9. Делибаш Б. А., Живов М.С. Организация и производство электро- монтажных работ. — М.: Энергия, 1972. 10. Дьяков В.И. Типовые расчеты по электрооборудованию. — М.: Высш, шк., 1991. 11. Егоров Г. П., Коварский А. И. Устройство, монтаж, эксплуатация и ремонт промышленных электрических установок. — М.: Высш, шк., 1972. 12. Елкин Ю. С. Монтаж электрических машин и трансформаторов. — М.: Энергия, 1980. 13. Живов М. С. Монтаж осветительных электроустановок. — М.: Высш, шк., 1979. 14. Зеличенко А. С., Смирнов Б. И. Устройство, эксплуатация и ремонт воздушных линий электропередачи. — М.: Высш, шк., 1970. 15. Иванов Н. А., Ляуер С. Г., Этус Н. Г. Справочник по организации и механизации электромонтажных работ. — М.: Энергия, 1972. 16. Инструкция по монтажу электрооборудования пожароопасных уста- новок до 1000 В. — М.: Энергия, 1974. 17. Князевский Б. А., Трунковский Л. Е. Монтаж и эксплуатация про- мышленных электроустановок. — М.: Энергия, 1975. 18. Ктиторов А. Ф. Практическое руководство по монтажу электричес- ких сетей. — М.: Высш, шк., 1987. 19. Ктиторов А.Ф. Практическое руководство по монтажу электричес- кого освещения. — М.: Высш, шк., 1990. 20. Лурье М. Г., Райцелоский Л. А., Цинерман А. А. Устройство, мон- таж и эксплуатация осветительных электроустановок. — М.: Энергия, 1976. 21. Магидин Ф. А. Воздушные линии электропередачи. — М.: Высш, шк., 1991.-Кн. 8.-Часть 1. 586
22. Марков А. С. Контактные сети. — М.: Стройиздат, 1990. — Кн. 8. — Часть 1. 23. Масанов Н.Ф. Индустриальная заготовка элементов электричес- ких сетей. — М.: Энергия, 1971. 24. Масанов Н.Ф. Электромонтер по монтажу осветительных и сило- вых сетей. — М.: Высш, шк., 1974. 25. Материалы. Электромонтажное производство: В 11 кн. / Под ред. А. Н. Трифонова. — М.: Высш, шк., 1990. — Кн. 9. 26. Мякишев Г. Я., Буховцев Б. Б. Физика 11 кл. — М.: Просвещение, 1981. 27. Найфельд М.Р. Заземление, защитные меры электробезопасности. — М.: Энергия, 1971. 28. Нейфельд А. М., Хромченко Г. Е. Механизированная пробивка от- верстий. — М.: Энергия, 1980. 29. Никельберг В. Д., Кожухаров В. Н. Монтаж освещения промыш- ленных и жилых зданий. — М.: Энергоатомиздат, 1988. 30. Никулин Н.В. Электроматериаловедение: Учебник для ПТУ. — 3-е изд., испр. и доп. — М.: Высш, шк., 1989. 31. Семенов В. А. Лабораторно-практические работы по специальной технологии для электромонтажников. — М.: Высш, шк., 1988. 32. Сибикин Ю. Д., Сибикин М. Ю. Теория электромонтажных работ. — М.: Высш, шк., 1999. 33. Трифонов А. Н. Рабочее место при монтаже кабелей. — М.: Энер- гия, 1973. 34. Трунковский Л. Е. Монтаж силовых сетей и электрооборудования. — М.: Высш, шк., 1974. 35. Электротехника / Под ред. В. С. Пантюшина. — М.: Высш, шк., 1976. 36. Электротехника / Под ред. А.Я.Шихина. — М.: Высш, шк., 1991.
Оглавление Введение.....................................................3 Глава 1. Производство, передача и распределение электроэнергии..6 1.1. Основные сведения об электрической энергии 6 1.2. Типы и основные характеристики электрических станций 7 1.3. Организация электроснабжения........................И 1.4. Основные сведения об установках, передающих, распределяющих и потребляющих электроэнергию............14 Глава 2. Общие сведения о зданиях, сооружениях и общестроительных работах......................................23 2.1. Понятие о строительных нормах и правилах...........23 2.2. Классификация и основные части зданий и сооружений.....25 2.3. Структура управления и организация строительно- монтажных работ.........................................28 Глава 3. Основы электромонтажных работ......................35 3.1. Электромонтажные материалы и изделия...............35 3.2. Электромонтажные механизмы, инструменты и приспособления........................................50 3.3. Специализированные машины и передвижные мастерские.....83 3.4. Линии заготовки и технологической обработки элементов осветительных электроустановок..............................85 3.5. Правила пользования электромонтажными механизмами и инструментами.........................................96 Глава 4. Основные сведения об электрическом освещении......100 4.1. Осветительные электроустановки 100 4.2. Основные световые величины........................102 4.3. Источники света...................................104 4.4. Устройства для присоединения осветительных электроустановок ПО 4.5. Светильники.......................................113 4.6. Схемы включения ламп накаливания.......................115 4.7. Схемы включения люминесцентных ламп...............119 4.8. Схемы включения дуговых ртутных ламп 122 4.9. Схемы управления освещением 123 4.10. Схемы питания и распределительные устройства осветительных электроустановок.........................125 4.11. Расчет электрических сетей и электрического освещения 132 Глава 5. Монтаж устройств защитного заземления.............141 5.1. Общие сведения....................................141 5.2. Наружный контур заземления и его монтаж...........147 588
5.3. Измерение сопротивлений заземляющих ycrportcin .. 1S? 5.4. Монтаж внутренней заземляющей сети........... I М) 5.5. Требования ПУЭ к заземлению электроустановок..... 1*»1 Глава 6. Монтаж светильников, приборов и распределительных устройств осветительных электроустановок................. I 6.1. Монтаж светильников и приборов................ !(»(» 6.2. Монтаж пускорегулирующих аппаратов IXI 6.3. Установка выключателей, переключателей, ujiciici-jii.iii.ix розеток, звонков и счетчиков............................IX ' 6.4. Монтаж распределительных устройств..................IXS 6.5. Монтаж прожекторов..................................IXX 6.6. Зануление и заземление осветительных установок......1X9 Глава 7. Подготовка трас электропроводок.....................194 7.1. Организация монтажа электропроводок 194 7.2. Разделка проводов и кабелей.........................208 7.3. Соединение и оконцовка проводов и кабелей...........213 7.4. Контроль качества контактных соединений.............226 Глава 8. Монтаж электропроводок..............................229 8.1. Классификация электропроводок.......................229 8.2. Монтаж открытых беструбных электропроводок..........230 8.3. Монтаж открытых электропроводок из защищенных кабелей и трубчатых проводов.............................235 8.4. Монтаж тросовых электропроводок.....................240 8.5. Монтаж электропроводок плоскими проводами...........251 8.6. Монтаж электропроводок на лотках и в коробах........258 8.7. Монтаж электропроводок в трубах.....................270 Глава 9. Стандартизация и контроль качества продукции........287 9.1. Стандарты и технические условия.....................287 9.2. Общие положения ЕСКД и ЕСТД.........................291 9.3. Общие понятия метрологии............................296 9.4. Метрологическая служба и ее задачи..................301 9.5. Контроль качества продукции.........................304 Глава 10. Устройство и монтаж кабельных линий на напряжение до 1 кВ........................................316 10.1. Основные сведения о кабелях и кабельных линиях.....316 10.2. Прокладка кабельной линии в траншее................330 10.3. Концевые заделки кабелей...........................343 10.4. Прокладка кабельных линий в блоках.................355 10.5. Прокладка кабельных линий на опорных конструкциях и в лотках..............................................359 10.6. Прозвонка кабелей..................................360 Глава И. Монтаж воздушных линий на напряжение до 1 кВ........364 11.1. Общие сведения о воздушных линиях..................364 11.2. Опоры воздушных линий..............................368 11.3. Изоляторы, провода и тросы.........................375 589
11.4. Монтаж воздушных ЛЭП.............................379 11.5. Монтаж проводов и тросов.........................391 11.6. Энергетика за рубежом............................409 Глава 12. Устройство и монтаж шинопроводов и троллейных линий .... 413 12.1. Классификация и устройство шинопроводов..........413 12.2. Монтаж шинопроводов..............................424 Глава 13. Устройства приема и распределения электроэнергии.444 13.1. Общие сведения...................................444 13.2. Силовые трансформаторы...........................450 13.3. Монтаж силовых трансформаторов...................468 13.4. Трансформаторы тока..............................503 13.5. Монтаж трансформаторов тока......................515 13.6. Трансформаторы напряжения........................518 13.7. Монтаж трансформаторов напряжения................525 Глава 14. Монтаж комплектных трансформаторных подстанций...529 14.1. Основные сведения о комплектных трансформаторных подстанциях на 6 (10) кВ.............................529 14.2. Объемные подстанции..............................533 14.3. Объемные электротехнические помещения............537 14.4. Монтаж комплектных трансформаторных подстанций...538 Глава 15. Монтаж комплектных распределительных устройств...541 15.1. Конструкция комплектных РУ на 6 (10) кВ..........541 15.2. Установка КРУ....................................557 Глава 16. Монтаж изоляторов и шин..........................561 16.1. Монтаж опорных и проходных изоляторов............561 16.2. Монтаж шин.......................................566 Приложения.................................................582 Список литературы..........................................586
Учебное издание Нестеренко Владимир Михайлович Мысьянов Алексей Михайлович Технология электромонтажных работ Учебное пособие Редактор В. Н. Махова Технический редактор Е. Ф. Коржуева Компьютерная верстка: 10. В. Жушаева Корректор И. Н. Волкова Разработка серийного оформления: И. В. Со ловьев Диапозитивы предоставлены издательствам. Изд. № А-0366-1/2. Подписано в печать 23.04.2004. Формат 60*90/16. Печать офсетная. Бумага тип. № 2. Усл. псч. л. 37,0. Тираж 30000 экз. (2-й завод 8001 -16000 экз.). Заказ №13097. Лицензия ИД № 02025 от 13.06.2000. Издательский центр «Академия». Санитарно-эпидемиологическое заключение № 77.99.02.953.Д.003903.06.03 oi 05.06.2003, 117342, Москва, ул. Бутлерова, 17-6, к. 223. Тел./факс: (095)334-8337, 330-1092. Отпечатано на Саратовском полиграфическом комбинате. 410004, г. Саратов, ул. Чернышевского, 59.
Страница 2 из 3
-
ducats
- Регистрация:
- 11 Май 2016
- Сообщения:
- 624
- Симпатии:
- 21
Небольшая нагрузка это когда привинчено 20-30 саморезов за 5 минут и все перерыв в 1-2 часа. После снова нагрузка.
-
Игорек
Команда форума
- Регистрация:
- 2 Июнь 2014
- Сообщения:
- 6.829
- Симпатии:
- 193
- Пол:
- Мужской
Многие модели дрелей вообще не имеют вращающейся крыльчатки и работа на малых оборотах их штатный режим.
-
Root
- Регистрация:
- 10 Октябрь 2015
- Сообщения:
- 219
- Симпатии:
- 8
- Пол:
- Мужской
-
AlexForex5
- Регистрация:
- 18 Июнь 2016
- Сообщения:
- 244
- Симпатии:
- 8
- Пол:
- Мужской
Они что , из цельно куска металла сделаны. Почему такие дрели не подлежают ремонту, что с ними то не так .
-
ducats
- Регистрация:
- 11 Май 2016
- Сообщения:
- 624
- Симпатии:
- 21
Вышел из строя двигатель, нового такого нету, только б/у который полетит через 10 дней. А новый двигатель заказывать обойдется с доставкой как новый двигатель.
-
Игорек
Команда форума
- Регистрация:
- 2 Июнь 2014
- Сообщения:
- 6.829
- Симпатии:
- 193
- Пол:
- Мужской
Многие. У сравнительно маломощных дрелей и шуруповертов сейчас редко встретишь крыльчатку вентилятора.
-
AlexForex5
- Регистрация:
- 18 Июнь 2016
- Сообщения:
- 244
- Симпатии:
- 8
- Пол:
- Мужской
Не видел не одной такой дрели, если можно примеры в студию, посмотрим что это за дрели такие без крыльчатки.
-
Root
- Регистрация:
- 10 Октябрь 2015
- Сообщения:
- 219
- Симпатии:
- 8
- Пол:
- Мужской
У электрических отверток возможно, а дрели без обдува двигателя как-то не попадались. Но, возможно что есть такие, микроминиатюрные, для ювелирных работ
-
Igor42
- Регистрация:
- 20 Июль 2014
- Сообщения:
- 297
- Симпатии:
- 6
- Пол:
- Мужской
Зато механический нагрев на высоких оборотах более интенсивный из-за большего трения. Греется по цепочке: сверло-редуктор-вал мотора. На маленьких оборотах и нагрузка меньше, так что ток в статорной обмотке ниже.
Вы тоже правы, но здесь не всё так однозначно. -
Romansello
- Регистрация:
- 19 Июль 2014
- Сообщения:
- 51
- Симпатии:
- 1
- Пол:
- Мужской
Интересный случай. Впервые слышу, чтобы из дрели при сильном нагреве что-то сочилось, текло. И тем более масло…
Попробуем разобраться с причинами нагрева, а их немало:
1) Плохой контакт по питанию. Здесь, понятное дело, надо проверить все соединения.
2) Щеточно-якорный механизм. Проверьте щетки (целостность, плотность прилегания к якорю), почистите якорь в месте их прилегания.
3) Проверьте схему управления оборотами. Тут тоже масса неисправностей может быть. Желательно все вызвонить мультиметром и осциллографом (да, да и им тоже).
4) Проверьте работу двигателя, запустив его от блока питания.
5) При работе с дрелью обратите внимание на то, как сильно ее нагружаете.
Можно продолжать и далее…
И еще, якорь движка должен вращаться без усилий, поэтому в Вашем случае мог выйти из строя подшипник, который своим заклиниваем мог создавать трение, а соответственно и нагрев тоже.
Запомните одно: масло в дрель никогда не заливают, только смазкой пользуются. -
popova
- Регистрация:
- 5 Март 2016
- Сообщения:
- 238
- Симпатии:
- 11
- Пол:
- Женский
Сильно греется дрель, это явный признак межвиткового короткого замыкания. В домашних условиях эта поломка не исправляется, особенно если нет совершенно никаких знаний в этой области. Так что несите свою дрель в мастерскую, причем не в любую, а в ту, которая занимается пере мотками двигателей. Только они вам могут помочь в вашей истории. Да и не забудьте заранее спросить о гарантии на работу и ее стоимости.
-
Артем1398
- Регистрация:
- 26 Сентябрь 2016
- Сообщения:
- 36
- Симпатии:
- 3
- Пол:
- Мужской
Вариантов неисправности здесь может быть несколько. Не исключаю что она до этого испытывала сильные нагрузки и произошло замыкание в обмотке электродвигателя, если во время работы происходит искрение на коллекторе (на щётках) то нарушена коммутация, и нужно заменить щётки. Необходимо посмотреть дорожки . В том случае если искра тянется от щётки до щётки это означает что вышел со строя ротор двигателя. В случае повреждения обмотки статора перемотать обмотку возбуждения статора возможно и самостоятельно, но, это занятие не из простых. Необходимый для этого обмоточный провод вы можете взять с катушки пускателя либо трансформатора.
-
sitrus
- Регистрация:
- 17 Октябрь 2016
- Сообщения:
- 5
- Симпатии:
- 0
- Пол:
- Мужской
Некоторые люди пишут: заметны потеки масла с двигателя дрели. Так вот, масла в электрических дрелях нет. Оно там не предусмотрено! Редко встречал проблему, когда дрель греется. Скорее всего это неполадки с щетками. Их необходимо вовремя обслуживать и при необходимости заменять на новые, после определенного времени использования. Стоит относиться к инструменту по-человечески, дабы избегать поломок.
-
ivanko 117
- Регистрация:
- 19 Октябрь 2016
- Сообщения:
- 348
- Симпатии:
- 8
- Пол:
- Мужской
Если вы совсем не разбираетесь в поломках инструмента, то конечно же сразу несите его в сервисный центр, иначе эта мелочная поломка с вытеканием масла превратится в заклинивание двигателя или сгорании рабочих плат. Я, бы не рисковал работать таким инструментом, сначала проверьте и уточните с какого места и как много вытекает масла, а потом вместе оговорим данную поломку. Не совсем мне понятно из какого места вытекает масло.
-
Игорька
- Регистрация:
- 18 Октябрь 2016
- Сообщения:
- 41
- Симпатии:
- 2
- Пол:
- Мужской
Кстати да, чистота тока вполне может быть проблемой. Попробуйте измерить, в интернете должна быть инструкция. Я не помню чем меряют, название.
-
серёжа
Команда форума
- Регистрация:
- 9 Октябрь 2014
- Сообщения:
- 2.536
- Симпатии:
- 39
- Пол:
- Мужской
Если течёт масло из дрели, значит либо подшипники, либо червячная передача нагревается до такой степени, что солидол который находится в том узле, который неисправен, греется до такой степени, что расплавляется и течёт. Если бы что то случилось с двигателем дрели, то услышали бы запах греющейся обмотки. Вам выше уже давали совет, разбирать дрель, промывать подшипники и вообще всю механику. Когда промоете, проверьте нет ли люфта в подшипниках, как они сидят в гнёздах.
-
Vera666
- Регистрация:
- 25 Январь 2017
- Сообщения:
- 99
- Симпатии:
- 0
Здесь и с ротором может быть проблема, да даже и со щетками, что тоже часто случается. Лучше в ремонт нести.
-
Root
- Регистрация:
- 10 Октябрь 2015
- Сообщения:
- 219
- Симпатии:
- 8
- Пол:
- Мужской
Солидол до жидкого состояния вряд ли разогреется в редукторе. Я его в консервной банке на электроплите топил, и это при температуре значительно выше 100 градусов. Может быть в дрель попала какая-то посторонняя жидкость? Или кто-то пытался смазать жидкими маслами через вентиляционные отверстия, заливая масло прямо в дрель. Если так, то у инструмента наверняка эмальпровод облез от контакта со смазкой и ему дорога в перемотку.
-
serge
Команда форума
- Регистрация:
- 21 Июль 2014
- Сообщения:
- 11.900
- Симпатии:
- 154
- Пол:
- Мужской
Если ужу дошло до того, что прямо масло течет, то конечно нужно в сервис нести, особенно тем, кто слабо понимает в особенностях устройства инструмента.
-
Игорек
Команда форума
- Регистрация:
- 2 Июнь 2014
- Сообщения:
- 6.829
- Симпатии:
- 193
- Пол:
- Мужской
Редуктор дрели не стоит смазывать солидолом или литолом. Поле такого «технического обслуживания» дрель прослужит недолго…
Страница 2 из 3
Категория: Электромонтажные работы
Порядок пользования электромонтажными механизмами и инструментом
Правильная эксплуатация механизированного инструмента и средств малой механизации заключается в регулярном уходе за ними, соблюдении установленных режимов работы и смазке.
Электрические машины и электрифицированный инструмент. Перед выдачей электрических машин для производства работ проверяют специальными приборами на стенде или мегаомметром исправность их электрической и механической частей: исправность и сопротивление изоляции, наличие и исправность заземления, целость изоляции кабеля и т. д. Одновременно проверяют механическую часть: надежность крепления резьбовых соединений, исправность редуктора, наличие смазки в подшипниках и зубчатых передачах, правильность заточки и установки рабочего инструмента. Перед началом работы следует убедиться в соответствии напряжения машины напряжению сети, в исправности заземления и проверить работу машины на холостом ходу.
Правильная эксплуатация электрифицированного инструмента обеспечивается также соблюдением установленного режима работы, соответствующего продолжительности включения. Электроинструмент следует содержать в чистоте, своевременно удаляя стружку, пыль, строительную мелочь.
В процессе эксплуатации необходимо следить за состоянием смазки всех узлов и при необходимости заменять ее. Смазку электросверлильных машин обычно меняют через каждые 200 ч работы. Смазка шарикоподшипников и шестерен обеспечивается запасом средне-плавкой смазки УС-3, находящейся в гнездах подшипников и редукторе. Ее добавляют один раз в 2 мес.
Использование электрифицированного инструмента, в частности электросверлильных машин на напряжение 220 В, увеличивает опасность травматизма (при пробое изоляции обмоток корпус инструмента оказывается под напряжением 220 В).
Правилами техники безопасности в строительстве запрещается пользоваться ручным электроинструментом на напряжение 127 и 220 В в помещениях, опасных и с повышенной опасностью (допускаются работы с электроинструментом на напряжение 42 В).
Однофазные электросверлильные машины с металлическим корпусом на напряжение 220 В разрешается включать непосредственно в сеть только трехжильным гибким медным проводом сечением не менее 1,5 мм2 в общей оболочке для жил, причем третья жила служит исключительно для заземления корпуса машины. Нельзя использовать для заземления нулевую рабочую жилу провода. Нулевую и заземляющую жилы подключают к заземляющей сети раздельно. Заземляющую жилу присоединяют к корпусу винтом.
Перед включением электросверлильной машины следует проверить наличие и исправность заземления, состояние изоляции питающего провода, соответствие напряжения и частоты питающей сети, работу выключателя несколькими пробными включениями. Во время работы не допускается нагрев сверлильной машины, при котором нельзя держать ладонь руки на ее корпусе. При сильном искрении коллектора машину надо отключать Для устранения причин искрения.
В настоящее время применяют главным образом электрифицированные механизмы для пробивных работ на напряжение 220 В с двойной изоляцией.
Двойная изоляция представляет собой сочетание независимых друг от друга двух ее ступеней — рабочей и дополнительной. Рабочей называют основную изоляцию, необходимую для работы машины и защиты оператора от поражения электрическим током. В качестве рабочей изоляции служит оплетка или эмаль обмоточных проводов, пазовая изоляция обмоток машин, пропиточные лаки и компаунды, изоляция жил кабеля, проводов и внутренних соединений, а в качестве дополнительной — пластмассовый корпус машины, изолирующая втулка и др. Наряду с механизмами с двойной изоляцией выпускают также механизмы на напряжение 42 В повышенной частоты (200 Гц).
Электросверлильные машины на это напряжение и частоту безопасны в работе, но для их питания требуются крупногабаритные переносные преобразователи частоты, поэтому применение их ограниченно.
Для повышения безопасности работы с электросверлильными машинами на 220 В с одной ступенью изоляции их питание осуществляют от сети через специальный разделительный трансформатор (с коэффициентом трансформации 1:1), имеющий обмотки с усиленной изоляцией, которые выполнены так, что повреждения первичной обмотки не приводят к появлению потенциала сети во вторичной обмотке. Следовательно, исключается появление потенциала сети и на металлических частях сверлильной машины даже в случае пробоя изоляции на ее металлический корпус.
Выполнение работ в установках, находящихся под напряжением или с частично снятым напряжением, разрешается в исключительных случаях и только рабочим электромонтажникам, прошедшим специальное обучение и инструктаж по производству работ в условиях действующих электроустановок.
В действующих электроустановках работы производят по наряду-допуску после инструктажа эксплуатационным персоналом по безопасности труда на рабочем месте и обязательно под его надзором. В наряде-допуске записываются все монтажные операции, которые должны выполнить рабочие-монтажники, и меры, принимаемые для обеспечения безопасности производства работ.
Пневматические машины и сварочные трансформаторы.
Перед выдачей рабочий-инструментальщик проверяет в машине или перфораторе затяжку всех резьбовых соединений, заполняет масляную полость в задней крышке чистым минеральным маслом, набивает масленки солидолом для смазки редуктора и подшипников, опробывает машину на холостом ходу, проверяет ее исправность, давление сжатого воздуха и исправность шланга. Падение давления резко снижает производительность машины. Пневмомашину следует смазывать не менее двух раз в смену. В зимнее время пневмоинструмент покрывается влагой от конденсации паров, содержащихся в сжатом воздухе, которую надо своевременно удалять. Кроме того, перед началом работы пневмомашину (инструмент) подогревают.
Сварочные трансформаторы требуют постоянного надзора и своевременного устранения всех неисправностей. Уход за трансформаторами заключается в содержании всех контактов в исправном состоянии, в обеспечении надежного заземления корпуса, поэтому периодически проверяют состояние изоляции, особенно при работе установки на открытом воздухе.
Твердосплавный рабочий инструмент. Основными эксплуатационными показателями, определяющими эффективность инструмента, являются его производительность и надежность. Нормальная эксплуатация сводится к правильному выбору инструмента, своевременной заточке, соблюдению режима сверления или пробивки.
О затуплении рабочего инструмента и необходимости его заточки судят по значительному снижению скорости проходки и заметному увеличению усилия нажатия со стороны работающего. Другим признаком затупления и необходимости заточки инструмента служит падение его производительности вдвое по сравнению с начальной.
Чрезмерное затупление может привести к разрушению пластин. При нормальной эксплуатации и своевременной заточке рабочий инструмент выдерживает по три-четыре переточки и обеспечивает скорость бурения порядка 1 — 2 мм/с в бетонных основаниях.
Уход и порядок пользования пиротехническим инструментом устанавливаются специальной инструкцией и здесь не приводятся.
Хранение, эксплуатация и ремонт инструментов. Для организации хранения и эксплуатации инструмента и средств малой механизации в монтажных управлениях создается центральное инструментальное хозяйство (вместо разрозненных инструментальных кладовых участков), которое состоит из двух служб: стационарной инструментальной мастерской с ремонтной группой и передвижной инструментальной мастерской на машине.
В стационарной инструментальной мастерской производят ремонт и восстановление, заправку и клеймение инструмента, наладку и испытание вхолостую и под нагрузкой механизированного инструмента, а также осуществляют контроль за эксплуатацией инструмента, его комплектацией и пополнением запаса.
В передвижной мастерской работает слесарь-инструментальщик, он же водитель автомашины. В крытом кузове автомашины установлены ящики-стеллажи для инструмента, верстак с тисками и электрозаточным станком. На стеллажах размещены слесарный и монтажный инструмент в необходимом ассортименте, а также приспособления и средства малой механизации по заявкам участков. Машина по графику объезжает монтажные объекты для выдачи и обмена инструмента. Механизированный инструмент и средства малой механизации выдаются бригадам полностью подготовленными к работе, укомплектованными шланговыми проводами, штепсельными соединениями, сверлильными патронами и сверлами, насадками и т. п.
Слесарь-инструментальщик не только производит обмен неисправного инструмента на исправный, но и сам выполняет мелкий ремонт — заточку сверла, зубил, ремонт бокорезов, пассатижей, насадку ручек на молотки. Своевременный обмен и ремонт обеспечивают лучшую сохранность инструмента, повышают долговечность его службы.
Планово-предупредительные ремонты машин и механизмов проводят в соответствии с инструкцией. Обычно планируют два вида ремонтов: текущие и капитальные. Техническое обслуживание машин подразделяется на ежедневное, выполняемое в течение рабочей смены, и периодическое, выполняемое после отработки машиной определенного количества часов. Для новых машин, не проходивших капитальный ремонт, установлен межремонтный цикл. Для машин, ранее прошедших капитальный ремонт, принимается межремонтный цикл с коэффициентом 0,8.
Электромонтажные работы — Порядок пользования электромонтажными механизмами и инструментом
Федеральное агентство по образованию
Федеральное государственное образовательное учреждение среднего профессионального образования
Чебоксарский электромеханический колледж
Письменная экзаменационная работа
Электромонтажные работы
2010
Введение
Основные направления экономического и социального развития предусматривают интенсивное развитие автоматизации и роботизации всего народного хозяйства страны, повышение энерговооруженности труда.
Решение этих задач непосредственно связано с совершенствованием
электрооборудования промышленных установок, со степенью автоматизации технологических линий и участков производства, с качеством обслуживания, от которого зависят бесперебойность и ритмичная работа предприятия.
Политика нашей страны направлена на то, чтобы совершенствовать систему образования с учётом потребностей ускорения социально-экономического развития, требований выдвигаемых прогрессом науки и техники.
Чтобы обслуживать электрооборудование, соответствующее современному уровню развития науки и техники, электромонтёр должен обладать знаниями по устройству электрических двигателей, аппаратов защиты и управления, иметь представление об особенностях работы полупроводниковой техники и устройств автоматики, уметь разбираться в системах электрооборудования технологических установок и устройств и т.д. Цель выпускной квалификационной работы – овладеть необходимым комплексом знаний в области электромонтажных работ.
1. Электромонтажные материалы и изделия
Материалы изделия, применяемые для монтажа электроустановок, можно разделить на четыре основные группы:
электрические кабели, провода и шнуры;
электроизолиационные материалы и изделия;
металл и трубы;
монтажные и электроустановочные изделия и детали.
1.1
Электрические кабели, провода, шнуры, электроизоляционные материалы и изделия
Кабели и провода служат для канализации (передачи и распределении) электрической энергии, а также для соединения различных элементов и электроустановок. Кабели разделяются на силовые и контрольные. Последние предназначены для создания цепей контроля, сигнализации, дистанционного управления и автоматики. Кроме того, выпускаются кабели специального назначения, например для горных разработок, судовые, для подвижного состава и др.
Кабель состоит из одной или более изолированных токопроводящих жил, заключенных в герметичную (металлическую или неметаллическую) оболочку, поверх которой в зависимости от условий прокладки и эксплуатации могут быть броня и защитные покровы.
Основными элементами кабелей являются токопроводящие жилы, изоляция, оболочка, броня и наружные покровы. В зависимости от назначения и условий эксплуатации кабелей отдельные элементы в их конструкции могут отсутствовать. Токопроводящие жилы изготавливаются из алюминия и меди.
Для электрической изоляции жил кабеля применяют пропитанную кабельную бумагу, резину, пластмассу (поливинилхлорид, полиэтилен и др.).
Кабельная бумага является основным изоляционным материалом, применяемым в кабелях высокого напряжения. После намотки на кабель ее пропитывают электроизоляционным маслом.
Характерным свойством всех резин является их большая эластичность, т. е. способность сильно удлиняться при растяжении без остаточного удлинения после снятия растягивающей нагрузки. Следует также отметить высокую водостойкость и газонепроницаемость резин и их хорошие электроизоляционные характеристики.
Полиэтилен — твердый непрозрачный материал белого или светло-серого цвета, несколько жирный на ощупь. Изделия из полиэтилена получают методами литья под давлением, горячего прессования и экструзии (при нанесении полиэтиленовой изоляции на провод, а также при изготовлении изоляционных шлангов и трубок).
Поливинилхлорид представляет собой порошок белого цвета, из которого получают горячим прессованием или горячим выдавливанием механически прочные изделия (платы, трубы и др.), стойкие к воздействию минеральных масел, многих растворителей, щелочей и кислот.
Оболочки кабелей могут быть свинцовыми, алюминиевыми, резиновыми, пластмассовыми. Они защищают изоляцию токопроводящих жил от воздействия света, влаги, химических веществ и других факторов окружающей среды, а также от механических повреждений.
Защитные покровы кабелей обеспечивают их надежность и долговечность при эксплуатации в различных условиях прокладки. В зависимости от этих условий кабели могут быть небронированными или бронированными стальными лентами, а также прямоугольными либо круглыми оцинкованными проволоками с наружными защитными покровами из волокнистых материалов, пластмасс и др.
В марках кабелей применяются следующие обозначения: оболочка — С (свинцовая), А (алюминиевая), Н (негорючая резина), В (поливинилхлоридная); защитное покрытие — Б (броня из лент), П (броня из плоских проволок); отсутствие наружного покрова — Г (голый), а также в них могут быть буквы, указывающие на наличие других элементов конструкций.
Поливинилхлоридный пластикат — это гибкий рулонный материал, получаемый из порошка поливинилхлорида, смешанного с пластификаторами — густыми маслообразными жидкостями. Этот материал широко применяется в качестве основной изоляции монтажных проводов, а также для изготовления защитных оболочек — шлангов кабелей. Поливинилхлоридный пластикат обычно бывает окрашен в черный, синий, желтый, красный и другие цвета. Из него изготавливают гибкие изоляционные трубки и липкую изоляционную ленту.
Провод представляет собой одну неизолированную жилу или одну и более изолированных жил, поверх которых в зависимости от условий прокладки и эксплуатации могут иметься неметаллическая оболочка и металлические или неметаллические защитные покровы.
Провода разделяются на изолированные и неизолированные, защищенные и незащищенные. Неизолированные (голые) провода, применяемые в основном для прокладки воздушных линий, могут быть алюминиевыми, сталеалюминевыми, медными, бронзовыми и стальными. Изолированные провода могут иметь только алюминиевые и медные токопроводящие жилы.
Для защиты от механических воздействий, света и влаги провода покрывают оболочкой из резины, пластмассы или металлических лент с фальцованным швом. Провода, имеющие внешнюю защитную оболочку, называют защищенными, провода, не имеющие защитной оболочки, — незащищенными.
Шнур состоит из двух или более изолированных гибких или особо гибких жил, скрученных или уложенных параллельно, поверх которых в зависимости от условий эксплуатации могут иметься неметаллическая оболочка и защитные покровы. Шнуры отличаются от проводов гибкостью многопроволочных жил.
В маркировке проводов и шнуров первая буква А указывает материал токопроводящей жилы — алюминий (отсутствие буквы А означает, что токопроводящая жила из меди). Вторая буква П обозначает провод, а третья — материал изоляции (Р — резина, В — поливинилхлорид, П — полиэтилен). В марках проводов и шнуров могут быть и другие буквы, например: О — оплетка, Т — прокладка в трубах, П — плоский элемент с разделительным основанием, Ф — металлическая фальцованная оболочка, Г — гибкость и др.
Провода и кабели различают по числу и сечениям жил, а также номинальному напряжению. Число жил может быть от одной до четырех (контрольные кабели имеют от четырех до тридцати семи жил); а сечения от 0,75 до 600 мм². Провода изготавливают на напряжения 380, 660 и 3000 В переменного тока кабели — на все стандартные напряжения до 110 кВ.
1.2
Металл и трубы
Прокат черных металлов в виде угловой, полосовой, листовой и круглой стали рационально применяется в мастерских электромонтажных организаций для изготовления различных монтажных изделий, деталей и конструкций, которые не выпускаются йодами, а также для заземления элементов электроустановок. Для производства электромонтажных работ чаще всего используют угловую равнобокую сталь малых и средних размеров (сечений), полосовую сталь, листовую сталь и стальную проволоку. Реже применяют швеллерную и круглую стали.
Стальные водогазопроводные обыкновенные трубы применяются для электропроводки только в тех случаях, когда по условиям окружающей среды недопустим другой вид проводки, например на химических предприятиях с взрывоопасной или химически активной средой, ряде металлургических производств и др. В сухих, влажных, жарких и пыльных помещениях преимущественно используются стальные тонкостенные электросварные и неметаллические трубы.
Гибкие металлорукава служат для защиты проводов на вводах и электрооборудование и в местах пересечений трубных проводок с другими коммуникациями. Рукава выпускают трех типов: из стальной оцинкованной ленты с хлопчатобумажным уплотнением марки РЗ-Ц-Х, из стальной оцинкованной ленты с асбестовым уплотнением марки РЗ-Ц-А и из алюминиевой ленты с хлопчатобумажным уплотнением и медной луженой оплеткой марки РЗ-АД-Х-Л. Для электропроводки вместо стальных труб часто используют полимерные грубы — винипластовые, полиэтиленовые, полипропиленовые.
Винипластовые трубы изготавливают четырех видов: легкие (Л), сред нелегкие (Сл), средние (С) и тяжелые (Т). В зависимости от толщины стенок полиэтиленовые трубы подразделяют на легкие , среднелегкие, средние и тяжелые , они могут быть также низкой и высокой плотности (последние с меньшей толщиной стенок).
Полипропиленовые трубы различают двух видов — легкие и средние. Метизы — это винты, шайбы, шурупы, болты, гайки. Винты могут быть с полукруглой и потайной головками. Шайбы выпускаются под болты всех стандартных диаметров. Кроме нормальных применяют также пружинные шайбы для усиления контактных соединений. В качестве шин при производстве электромонтажных работ применяются в основном прямоугольные алюминиевые полосы, а в специальных случаях, обоснованных в проекте, — медные. При переменном токе до 200 А и постоянном токе используется плоская, круглая или трубчатая сталь. Монтаж ошиновки аккумуляторных помещений выполняется круглыми медными шинами.
Алюминиевые прямоугольные шины применяют для токопроводов, распределительных устройств, сборок и других электротехнических устройств. Припой — сплав из цветных металлов, служащий для пайки металлических изделий. Применяемые при производстве электромонтажных работ припои делятся на две группы: оловянно-свинцовые марки ПОС с температурой плавления до 400 °С и безоловянистые марок А, Б и ЦА-15. Различают также мягкие и твердые припои.
К мягким припоям относятся также серебряные припои с содержанием серебра до 3 % (ГОСТ 8190—85). К твердым припоям относятся серебряные припои с содержанием серебра 10…70 % марок ПСр-25, ПСр-45, ПСр-70, ПСр-71.
1.3 Монтажные и электроустановочные изделия и детали
При производстве электромонтажных работ используют типовые детали и изделия, выпускаемые специализированными предприятиями. Эти изделия и детали применяются при подготовке трасс для прокладки проводов, кабелей и шин, при их прокладке, закреплении, соединении и присоединении к приборам и аппаратам для защиты от воздействия окружающей среды и механических повреждений, для установки аппаратов, приборов, светильников и т. д.
Монтажные изделия и детали изготовляются для всех видов электрических установок и для всех видов электромонтажных работ и операций.
Выпускаемые заводами изделия из перфорированной стали: полосы, ленты, швеллеры, рейки, монтажные профили с перфорацией — удобны для изготовления опорных и крепежных конструкций с минимальными трудовыми затратами на монтажно-заготовительных участках и при монтаже.
Из типовых профилей изготовляют рамы и каркасы для сборки щитков и пусковых устройств, для подвески собранных в блоки светильников и для крепления труб, проводов и кабелей. Применение монтажного профиля с закладной гайкой создает весьма удобный вид крепления труб, кабелей, аппаратов без подготовки отверстий при изменении мест крепления. Из перфорированной полосы легко изготовить планки, скобы, траверсы. Полосы с пряжками облегчают закрепление труб или кабелей привязкой. Эти пряжки имеют вырезы для закрепления в перфорации полосы и прямоугольные отверстия для полосок, крепящих кабели или трубы.
Рис.1.3.1 Изделия из перфорированной стали
а) полоса монтажная; б) профиль U — образный; в) профиль С — образный; г) угольник неравнобокий; д) профиль Z — образный: е) рейка; ж) пряжка к перфорированным полоскам.
Распорные дюбеля и дюбеля, забиваемые ручной или пиротехнической оправкой и встреливаемые пистолетом, позволяют крепить детали с минимальной затратой времени. Помимо распорных металлических дюбелей с волокнистым заполнителем и с конической гайкой, используют капроновые дюбеля. Преимущество капроновых дюбелей устойчивость к динамическим нагрузкам и вибрации, высокая устойчивость против коррозии, возможность применения во влажных и химически активных средах.
Изделиями из полимерных материалов для крепления открыто прокладываемых проводов и небронированных кабелей по основаниям являются полиэтиленовые эластичные скобы и полиэтиленовые закрепы с зубчатыми полосками, пряжками. Эластичность скобки позволяет закладывать под неё провод или кабель как до, так и после её установки на дюбеле.
Рис.1.3.3. Пластмассовые закрепы и скобы, зубчатые полоски и их применение
а) закреп; б) зубчатая полоска; в) установка закрепа; г) бандажирование пучка проводов зубчатой полоской; д) крепление пучка проводов на закрепе зубчатой полоской; е) полиэтиленовая скоба и её применение.
Кабель закладывают под отогнутую скобку, предварительно закреплённую дюбелем к основанию. Скобка при этом защелкивает кабель и прижимает его к основанию благодаря своим пружинящим свойствам. Полиэтиленовый закреп к основанию закрепляют забиваемым оправкой дюбель-гвоздем, а на закрепе в свою очередь с помощью монтажных лент и полосок с пряжками бандажируют и закрепляют провода и небронированные кабели.
Эти бандажные полоски и ленты создают удобный и производительный способ крепления проводов и небронированных кабелей к предварительно заготовленным и закрепленным непосредственно к основанию металлическим полосам, струнам, лентам.
Рис.1.3.4 Крепление кабелей на металлических полосках и лентах.1 — полоса; 2 — дюбель-гвоздь; 3 — кабель; 4 — полоска с пряжкой.
С помощью бандажных лент и полосок производится также крепление проводов и небронированных кабелей к специальным полимерным деталям-держателям, приклеиваемым к строительному основанию клеящим составом на основе акриловой смолы с наполнителем из каолина — БМК-5к. Плоские провода закрепляют путем насаживания на держатель с кнопкой.
Рис.1.3.5 Крепление электроустановочных изделий приклеиванием и детали для приклеивания.
а) металлическая или пластмассовая деталь; б) деталь с перфорированной пластмассовой лентой; в) скобка с полоской; г) скобка с перфорированной лентой; д) пластмассовая штампованная деталь; е) крепление коробки приклеивания;
ж) крепление выключателя приклеиванием.
Лотки и короба в виде легких металлических конструкций для прокладки проводов и кабелей обладают преимуществами по сравнению со стальными трубами. Они удобны в монтаже, обеспечивают возможность прокладки по сложным трассам, свободный доступ и легкую замену проводов и кабелей.
Лотки комплектуются разделительными уголками, прижимами для крепления их к кабельным полкам, подвесками с пряжками для укладки кабелей и проводов на лотках и крепления их пучками бандажной лентой. Сборные кабельные конструкции стойки, полки и профили с закладными подвесками — предназначены для прокладки на них горизонтальных рядов кабелей и в вертикальной плоскости.
2. Электромонтажные приспособления и механизмы
2.1 Механизмы инструменты для пробивных и крепежных работ
При производстве электромонтажных работ в мастерских и непосредственно на объектах монтажа используют механизмы, инструменты и приспособления как общестроительного применения, так и специализированные электромонтажные.
Все машины, механизмы и средства механизации, применяемые в электромонтажном производстве, можно разделить на пять групп: механизированный и ручной инструмент, приспособления и другие средства малой механизации (электрифицированные, пневматические и пиротехнические инструменты, слесарномонтажный и режущий инструмент, монтажные инвентарные приспособления); сварочное оборудование (сварочные трансформаторы и генераторы постоянного тока, полуавтоматы для дуговой сварки в среде защитных газов, оборудование для газовой сварки и резки); специализированные автомашины и автоприцепы и передвижные мастерские; металлообрабатывающие станки и механизмы, сосредоточенные главным образом в мастерских на поточных технологических линиях и в ремонтных цехах (ножницы, прессы, шинотрубогибы, пальцы, листогибочные, сверлильные, обдирочные, заточные, токарные, фрезерные и строгальные станки); монтажные механизмы для разгрузочно-погрузочных и монтажных работ (автомобильные краны, краны на пневмоколесном ходу, трубоукладчики и тракторные краны, гидроподъемники и телескопические вышки, буровые и бурильно-крановые машины, кранПалки и электротали, аккумуляторные и автомобильные погрузчики, башенные краны и краны-погрузчики, тали и лебедки, блоки и полиспасты), а также общестроительные механизмы (тракторы, бульдозеры и др.).
В качестве средств механизации пробивных работ используют злектромагнитобуры, электросверлильные машины и электромолотки с рабочим инструментом (сверлами, буриками, шлямбурами, коронками), оснащенным пластинами из твердых сплавов, а также перфораторы, пневматический и пороховой инструмент.
2.2 Инструменты и механизмы для соединения и оконцовки кабелей
Клещи КСИ-1, предназначенные для снятия изоляции с концов проводов сечением 0,75…4 мм² и их перекусывания, состоят из трех частей, связанных между собой шарнирно: рычага для зажатия проводов, рычага с ножами для надреза изоляции и рычага с ползунком-эксцентриком, перемещающим прижим и фасонный нож в губках клещей.
Модернизированные клещи КСИ-2 с двумя ручками более производительны и удобны в работе. Перекусывание проводов производится ножами кусачек. Ножи сменяются по мере необходимости.
Инструмент МБ-2 предназначенный для снятия изоляции с двужильных плоских проводов с одновременным разрезанием перемычки между ними, выполняется в виде клещей с двумя ручками.
Пресс-клещи ПК-3 предназначены для опрессовки жил алюминиевых проводов с суммарным сечением 7,5; 13 и 20 мм² в гильзах марок ГАО-4, ГАО-5, ГАО-6 и медных жил сечением 4… 6 мм² в наконечниках типа Т и гильзах типа ГМ, а также для оконцовки медных многопроволочных жил сечением 1,5 и 2,5 мм² в кабельных кольцевых наконечниках П.
Пресс-клещи ПК-4 предназначены для опрессовки алюминиевых наконечников и соединительных гильз на проводах и кабелях сечением 16…35 мм² и гильз марок ГАО-5, ГАО-6, ГАО-8. Эти пресс-клещи имеют блокирующее устройство, которое не позволяет раскрывать их во время работы и снимать наконечник или гильзу до окончания опрессовки на требуемую глубину.
Пресс-клещи ПК-1 состоят из удлиненных рукояток с вилками, двух рычагов и блокирующего устройства. На рычагах закрепляются сменные пуансоны и матрицы. Блокирующее устройство не позволяет раскрывать клещи во время опрессовки и снимать наконечник или гильзу до ее окончания.
Пресс-клещи ПК-2М состоят из рычага, двух рукояток, головки, штока , двух тяг и блокирующего устройства. На штоке закрепляется пуансон, а на головке клещей устанавливается матрица.
Ручные механические прессы типов РМП-7 и РМП-22 предназначены для опрессовки алюминиевых и медных наконечников и соединительных гильз на проводах и кабелях, а также скругления секторных однопроволочных алюминиевых жил. Работают с использованием наборов инструментов НИСО и НИОМ.
Пресс гидравлический ручной типа ПГР-20М1 предназначен для опрессовки алюминиевых и медных наконечников и соединительных гильз на проводах и кабелях, а также скругления секторных однопроволочных и комбинированных алюминиевых жил с использованием набора инструментов типа НИСО и НИОМ.
Пресс пороховой типа ППО предназначен для выполнения оконцевания однопроволочных алюминиевых жил проводов и кабелей путем выштамповки контактной площадки с одновременной пробивкой отверстия.
Ножницы кабельные (секторные) типов НУСК-50, НУСК-ЗООм, НС-2, НС-3 предназначены для перерезания проводов и кабелей с медными и алюминиевыми жилами.
Наборы инструментов типов НИОМ и НИСО предназначены для выполнения оконцеваний и соединений алюминиевых и медных жил способом опрессовки в комплекте с прессами типа ПГР-20М1, РМП-7, РМП-22. Наборы состоят из комплектов матриц и пуансонов.
3. Линии заготовки и технологической обработки элементов осветительных электроустановок
Большую роль в индустриализации электромонтажных работ играют мастерские электромонтажных заготовок (МЭЗ) — производственная база электромонтажных организаций. В мастерских выполняют сборку укрупненных монтажных блоков, заготовку трубных трасс и шин, сборку ошиновки, заготовку электропроводок, комплектных линий и элементов заземляющих устройств, ревизию и зарядку светильников, сборку их в блоки, а также изготавливают нестандартные изделия и конструкции.
Предварительная сборка оборудования, конструкций и изделий в укрупненные блоки и увеличение выпуска электромонтажных заготовок определяют получение значительного экономического эффекта. Работы выполняются в мастерских с применением механизмов и приспособлений заблаговременно, еще до готовности к монтажу строительных сооружений. Для монтажа электрических конструкций, оборудования и сетей, предварительно скомплектованных в укрупненные блоки, требуется меньшее число рабочих и более короткие сроки.
Заготовительные сварочные работы в МЭЗ выполняются на механизированных поточных технологических линиях, оснащенных высокопроизводительными инструментами и приспособлениями. Кроме обработки проводов и кабелей и маркировки заготовок бирками на технологических линиях или стендах (при малом объеме работ) производится комплектация узлов электропроводок и целых линий в контейнеры вместе с крепежными деталями, конструкциями и изделиями, которые затем транспортируются к месту производства работ.
Основным направлением в индустриализации монтажа электросетей является централизованная стендовая заготовка элементов электропроводок и кабельных линий. Заготовленные линии электропроводок вместе с установочными изделиями и приборами, крепежными деталями и конструкциями заводского изготовления укладывают в контейнеры и доставляют к месту монтажа.
Предварительная заготовка труб и сборка трубных блоков производится в мастерских отдельных монтажных организаций централизованно для всех монтажных объектов по замерам или чертежам рабочего проекта и журналам заготовки труб.
Блоки значительной протяженности для удобства транспортировки на машинах собирают из разборных секций. Отдельные трубные участки изготавливают и собирают в комплекте с соединительными ответвительными коробками и затянутыми проводами.
Одиночные шины, элементы ошиновки и комплектные шинные устройства заготавливаются и собираются в мастерских по чертежам проекта или по снятым с натуры замерам. Элементы ошиновки собираются вместе с опорными конструкциями, изоляторами, шинодержателями и другими деталями. Комплектные шинные устройства, например ошиновки трансформаторов, состоят из смонтированных на каркасе разъединителей с приводом, самой ошиновки на опорных изоляторах и проходной плиты.
Открытые шинные магистрали для канализации электроэнергии от внутрицеховых подстанций до распределительных пунктов цехов заготавливаются в мастерских, наматываются на кассеты и транспортируются на монтаж в комплекте с натяжными устройствами, компенсаторами и другими деталями.
Многопанельные щиты собираются укрупненными блоками по несколько панелей в блоке, исходя из условий транспортировки и монтажа на месте (размеров щитовых помещений, монтажных проемов, необходимости использования подъемных механизмов), с полностью законченной ошиновкой, вторичными проводками и предварительной наладкой.
В местах разъема блоков все стыки шин и связи вторичных цепей на время перевозки маркируются и разъединяются. Монтаж блоков и сборка их в щиты производятся на закладных металлоконструкциях, заранее установленных при строительстве помещения, и сводятся только к установке, восстановлению межблочных связей по маркировке и присоединению проводов и кабелей внешней связи.
Панели магнитных станций собираются на конструкциях, укомплектованных необходимыми скобами, бирками и оконцевателями для отходящих фидеров. Ящики сопротивлений устанавливаются на конструкциях, и по монтажным рейкам прокладываются провода связи между ними и панелями магнитных станций.
В мастерских выполняются и другие заготовки: блоки для силовых и осветительных электроустановок (например, блоки магнитных пускателей, собираемые вместе с пусковыми кнопками на конструкциях из перфорированного профиля, с выполненными внутри соединениями, маркировкой и надписями); элементы заземления с опорными и закладными деталями; кабельные заготовки в виде пакетов контрольных и специальных кабелей; блоки цеховых троллеев, в состав которых входят опорные конструкции с установленными на них золяторами, троллеедержателями и компенсаторами; окрашенные токопроводы длиною 6 м; вспомогательные уголки для сварки соседних участков троллеев встык и планки для подсоединения питания к троллеям и др.
Централизованная заготовка и обработка электропроводок и комплектных осветительных линий производится на стендах и технологических линиях в монтажных мастерских. Заводами также выпускаются специальные механизмы, которыми комплектуются эти линии.
4. Правила пользования электромонтажными механизмами и инструментами
Правильная эксплуатация механизированного инструмента и средств малой механизации заключается в регулярном уходе за ними, соблюдении установленных режимов работы и смазывании.
Электрические машины и электрифицированный инструмент. Перед выдачей электрических машин для производства работ проверяются специальными приборами на стенде или мегомметром исправность их электрической (сопротивление изоляции, наличие и исправность заземления, целость изоляции кабеля и др.), а также механической частей (надежность крепления резьбовых соединений, исправность редуктора, наличие смазки в подшипниках и зубчатых передачах, правильность заточки и установки рабочего инструмента). Перед началом работы необходимо убедиться в соответствии напряжения машины напряжению сети, исправности заземления и проверить работу машины на холостом ходу.
Правильная эксплуатация электрифицированного инструмента обеспечивается также соблюдением установленной продолжительности его включения и чистотой содержания, т. е. своевременным удалением стружки, пыли, строительной мелочи. В процессе эксплуатации необходимо следить за состоянием смазки всех узлов машин и при необходимости заменять ее. Смазку электросверлильных машин обычно меняют через каждые 200 ч работы. Постоянное смазывание шарикоподшипников и шестерен обеспечивается запасом среднеплавкой смазки УС-3, находящейся в гнездах подшипников и редукторе и добавляющейся один раз в два месяца.
Использование электрифицированного инструмента, в частности, электросверлильных машин с напряжением питания 220 В, увеличивает опасность травматизма (при пробое изоляции обмоток корпус такого инструмента оказывается под напряжением 220 В). Правилами техники безопасности в строительстве запрещается пользоваться ручным электроинструментом с напряжением питания 127 и 220 В в помещениях опасных и с повышенной опасностью (допускается использования электроинструментов с напряжением питания 42 В).
Однофазные электросверлильные машины с металлическим корпусом разрешается включать непосредственно в сеть 220 В только трехжильным гибким медным проводом сечением не менее 1,5 мм² в общей оболочке, причем третья жила должна служить исключительно для заземления корпуса машины. Нельзя использовать для заземления нулевую рабочую жилу провода. Нулевая и заземляющая жилы подключаются к заземляющей сети раздельно. Заземляющая жила присоединяется к корпусу винтом.
Перед включением электросверлильной машины следует проверить наличие и исправность заземления, состояние изоляции питающего провода, соответствие напряжения и частоты питающей сети, работу выключателя (несколькими пробными включениями). Во время работы не допускается сильный нагрев сверлильной машины (при котором нельзя держать ладонь на ее корпусе). При сильном искрении коллектора машину надо отключить для устранения его причин.
В настоящее время применяются главным образом электрифицированные механизмы для пробивных работ с напряжением питания 220 В и двойной изоляцией, которая состоит из двух независимых друг от друга ступеней — рабочей и дополнительной. Рабочей называют основную изоляцию, необходимую для работы машины и защиты оператора от поражения электрическим током. Это оплетка или эмаль обмоточных проводов, пазовая изоляция обмоток машин, пропиточные лаки и компаунды, изоляция жил кабеля, проводов и внутренних соединений. Дополнительной изоляцией служат пластмассовые корпуса машин, изолирующие втулки и др. Выпускаются также электросверлильные машины с напряжением питания 42 В и повышенной частотой (200 Гц), безопасные в работе, но для питания которых требуются крупногабаритные переносные преобразователи частоты, поэтому применение их ограничено.
Для повышения безопасности электросверлильных машин на 220 В с одной ступенью изоляции их питание осуществляют от сети через специальный разделительный трансформатор (с коэффициентом трансформации 1:1), имеющий обмотки с усиленной изоляцией, выполненные так, что повреждение первичной обмотки не приводит к образованию потенциала сети во вторичной обмотке. Следовательно, исключается появление потенциала сети и на металлических частях сверлильной машины даже в случае пробоя изоляции.
Выполнение работ в установках, находящихся под напряжением или с частично снятым напряжением, разрешается в исключительных случаях и только электромонтажникам, прошедшим специальные обучение и инструктаж, после получения наряда-допуска и обязательно под надзором эксплуатационного персонала. Пневматический инструмент и сварочные трансформаторы. Основное требование при эксплуатации пневматического инструмента заключается в смазывании его турбинным или соляровым маслом через каждые 4 —5 ч работы, а нового инструмента через каждые 2-3 ч.
Перед выдачей рабочий-инструментальщик проверяет в машине или перфораторе затяжку всех резьбовых соединений, заполняет масляную полость чистым минеральным маслом, набивает масленки солидолом для смазывания редуктора и подшипников, опробывает работу на холостом ходу, проверяет давление сжатого воздуха и исправность шланга. Падение давления сжатого воздуха резко снижает производительность машины.
В зимнее время пневмоинструмент покрывается влагой от конденсации паров, содержащихся в сжатом воздухе, которую надо своевременно удалять. Кроме того, перед началом работы пневмоинструмент подогревают.
Сварочные трансформаторы требуют постоянного надзора и своевременного устранения всех неисправностей. Уход за трансформаторами заключается в содержании всех их контактов исправными и обеспечении надежного заземления корпуса, поэтому периодически необходимо проверять состояние изоляции, особенно при работе установки на открытом воздухе.
Твердосплавный рабочий инструмент.Основными эксплуатационными показателями, определяющими эффективность такого инструмента, являются его производительность и надежность. Нормальная эксплуатация сводится к правильному выбору инструмента, своевременной заточке, соблюдению режима сверления или пробивки. О затуплении рабочего инструмента и необходимости его заточки судят по значительному снижению скорости проходки, заметному в этом случае увеличению требуемого усилия нажатия на него, а также по падению производительности. Чрезмерное затупление может привести к разрушению рабочих пластин. При нормальной эксплуатации инструмент выдерживает по три-четыре заточки и обеспечивает скорость бурения в бетонных основаниях порядка 1 …2 мм/с.
Хранением, эксплуатацией и ремонтом инструментов занимается центральное инструментальное хозяйство, которое состоит из двух служб: стационарной инструментальной мастерской с ремонтной группой и передвижной (на машине) инструментальной мастерской.
В стационарной инструментальной мастерской производятся ремонт (восстановление), заправка, клеймение инструмента, наладка и испытание его вхолостую и под нагрузкой, а также контроль за эксплуатацией, комплектацией и количеством.
Планово-предупредительный ремонт машин и механизмов проводят в соответствии с инструкцией. Обычно планируют два вида ремонта — текущий и капитальный. Техническое обслуживание машин подразделяется на ежедневное, выполняемое в течение рабочей смены, и периодическое, выполняемое после отработки машиной определенного количества часов. Для новых машин, не проходивших капитальный ремонт, установлен межремонтный цикл. Для машин, прошедших капитальный ремонт, межремонтный цикл принимается с коэффициентом 0,8.
5. Охрана труда
5.1 Требования безопасности перед началом работы
Электромонтажник должен проверить:
рабочую одежду, привести ее в порядок, застегнуть обшлага рукавов. Рабочая одежда должна быть исправной и заправлена так, чтобы не было свисающих концов. Подобрать волосы под плотно облегающий головной убор; достаточно ли освещено р
абочее место и подходы к нему. Свет не должен слепить глаза. Смену электроламп производить при снятом напряжении; исправность и крепление тисков и отрегулировать их высоту в соответствии со своим ростом путем укладки перед верстаком (под ноги) специальной деревянной решетки или подставки необходимой высоты с таким расчетом, чтобы поверхность тисков находилась а уровне локтевого сустава. Верстачные тиски и струбцины не должны иметь люфта, прочно захватывать зажимаемые изделия и иметь на губках несработанную насечку; необходимый для работы ручной инструмент и приспособления, средства индивидуальной защиты разложить в удобных и легкодоступных местах, чтобы исключалась возможность случайного перемещения или падения их во время работы.
Осмотреть и привести в порядок рабочее место, убрать все, что может мешать работе; если пол скользкий (облит маслом, краской, водой) потребовать, чтобы его вытерли или сделать это самому.
При работе пользоваться только исправными, сухими и чистыми инструментами и приспособлениями; лезвие отвертки должно быть оттянуто и расплющено до такой толщины, чтобы оно входило без зазора в прорезь головки винта; гаечные ключи должны соответствовать размерам гаек и головок болтов и не должны иметь трещин, выбоин, заусениц. Губки ключей должны быть строго параллельными и не закатанными. Раздвижные ключи не должны иметь слабину (люфт) в подвижных частях; острогубцы и плоскогубцы,
не должны иметь выщербленных, сломанных губок, рукояток. Губки острогубцев должны быть острыми, а плоскогубцы — с исправной насечкой; поддержки, применяемые при ручной клепке, обжимке, чеканке и прочих работах, должны быть прочными и безопасными; съемники должны иметь жесткую конструкцию и не иметь трещин, погнутых стержней, сорванной или смятой резьбы и обеспечивать сносность
упорного (натяжного) устройства с осью снимаемой детали. Захваты съемников должны обеспечивать плотное и надежное захватывание
детали в месте приложения усилия. Электромонтажники обязаны соблюдать требования обращения с инструментами, установленные заводскими инструкциями.
При обнаружении неисправности оборудования, инструмента, приспособлений для рабочего места как перед началом работы, так и во время работы сообщить мастеру и до устранения неполадок к работе не приступать.
5.2 Требование безопасности во время работы
В процессе работы электромонтажник обязан:
содержать в чистоте и порядке в течение всего рабочего времени свое рабочее место, под ногами не должно быть масла, деталей, заготовок, обрезков и других отходов; во время работы быть внимательным, не отвлекаться и не отвлекать других; не допускать на рабочее место лиц, на имеющих отношения к данной работе.
Перед снятием электрооборудования для ремонта снять напряжение в сети не менее чем в двух местах, а также удалить предохранители. Приступить к снятию электрооборудования только после проверки отсутствия напряжения и вывешивания плаката «Не включать. Работают люди» на рубильник или ключ управления.
Для подъема, снятия, установки и транспортирования тяжелых (массой более 16 кг) агрегатов, узлов и деталей нужно пользоваться исправным подъемно-транспортным оборудованием соответствующей грузоподъемности.
При работе с грузоподъемными механизмами выполнять требования инструкции по охране труда для лиц, пользующихся грузоподъемными механизмами, управляемыми с пола.
Разборку и сборку мелких узлов электрооборудования производить на верстаках, а крупногабаритных — на специальных рабочих столах или стендах, кассетах, обеспечивающих устойчивое их положение.
Гаечные ключи применять только по размеру гаек или болтов. При затягивании или откручивании
гаек или болтов нельзя устанавливать подкладка между гранями ключа и гайки, а также пользоваться рычагами .
При снятии, прессовке и запрессовке вставных узлов и деталей, пользоваться съемниками, прессами и другими приспособлениями, обеспечивающими безопасность работы.
Работая у верстака, следить за тем, чтобы его поверхность была чистой, гладкой и не имела заусениц.
Обрабатываемую деталь надежно зажимать в тисках. При установке в тиски осторожно обращаться с тяжелыми деталями, чтобы избежать ушибов при их падении.
При рубке, клепке, чеканке и других подобных работах, при которых возможно облетание частиц металла, пользоваться очками или маской с небьющимися стеклами.
При разборке электродвигателей щиты, статоры, роторы и якоря следует укладывать на специальные стеллажи и подставки.
Сварку или пайку концов обмоток производить только в защитных очках.
Перед испытанием электрооборудования после ремонта оно должно быть прочно закреплено, заземлено,
а вращающиеся и движущиеся части закрыты предохранительными кожухами.
5.3 Требования безопасности в аварийных ситуациях
При любой аварии или возникновении аварийной ситуации, которая может привести к аварии и несчастному случаю, электромонтажник обязан немедленно принять все зависящие от него меры, предупреждающие возможность повреждений (разрушений) объекта и устраняющие опасность для жизни людей. Одновременно сообщить о случившемся мастеру или непосредственному руководителю работ.
Во избежание аварийных ситуаций пользоваться только исправными грузоподъемными механизмами.
Ремонт электрооборудования производить только при снятом напряжении.
Каждый электромонтажник должен уметь оказывать доврачебную
помощь. Такая помощь оказывается немедленно, непосредственно на месте происшествия и в следующей последовательности:
сначала нужно устранить источник травмирования.
Оказание помощи надо начинать с самого существенного, что угрожает здоровью или жизни: при сильном кровотечении наложить жгут, а зятем перевязать рану, при подозрении зак
рытого перелома наложить шину;
при открытых переломах сначала следует перевязать рану, а затем наложить шину; при ожогах наложить сухую повязку, при обморожении пораженный участок осторожно растереть, используя мягкие или пушистые ткани;
при поражении электрическим током необходимо немедленно освободить пострадавшего от действия тока, а именно: выключить рубильник, перерубить провод, оттянуть или отбросать его сухой палкой, шестом. Не прикасаться к пострадавшему, пока он находится под действием тока. Если у пострадавшего отсутствует дыхание, то немедленно приступить к массажу сердца и искусственному дыханию до прибытия врача.
5.4 Требования безопасности по окончании работы
Отключить (отсоединить) электрооборудование, электроинструмент, грузоподъемные машины от сети.
Сложить инструмент и приспособления в отведенное для хранения место.
Слить остатки лаков и растворителей в специальную плотно закрывающуюся тару.
Привести в порядок рабочее место, убрать в металлический ящик с крышкой или уничтожить используемую при работе ветошь.
Вымыть руки теплой водой с мылом.
Обо всех неполадках, обнаруженных во время работы, доложить мастеру.
Список литературы
1. Брендихин А.Н., Ландесман Э.И. Охрана труда. – М.: Высш. шк., 1990.
2. Воронина А.А., Шибенко Н.Ф. Безопасность труда в электроустановках. – М.: Высш. шк. 1994.
3. Голыгин А.Ф., Ильяшенко Л.А. Устройство и обслуживание электрооборудования промышленных предприятий. – М.: Высш. шк., 2000.
4. Корнилов Ю.В., Бредихин А.Н. Слесарь-электромонтажник: учебное пособие для СПТУ,2- е издание переработанное и дополненное — М.: Высшаяшкола1988.
5. Корнилов Ю.В., Крюков В.И. Обслуживание и ремонт электрооборудования промышленных предприятий. – М.: Высш. шк. 2000.
6. Нестеренко В.М.,Мысьянов А.М. Технология электромонтажных работ. — М:Академия, 2002.
7. Павлович С.Н., Фираго Б.И. Ремонт и обслуживание электрооборудования. – Ростов-на-Дону: «Феникс» 2002.
8. Синдеев Ю.Г. Электротехника с основами электроники. – Ростов-на-Дону: «Феникс» 2006.
9. Федорченко А.А., Синдеев Ю.Г. Электротехника с основами электроники. – М.: Издательско-торговая корпорация «Дашков и К°» 2006.


















